Test Asus Zenbook UX32LN-R4053H Notebook

Leistungsstark, mobil und hochwertig – das sind die Ansprüche, die Kunden an ein modernes Ultrabook stellen. Nur einen Wunsch können die kleinen Luxus-Rechner im Regelfall nicht erfüllen: Für aktuelle Spiele oder anspruchsvolle 3D-Anwendungen sind selbst die schnellsten integrierten Grafiklösungen allenfalls bedingt geeignet.
Warum also nicht auch ein Subnotebook mit einer dedizierten GPU aufwerten? Als einer der ersten Hersteller wagte sich Asus bereits vor gut zwei Jahren an dieses Experiment und stieß mit dem UX32VD auf rege Resonanz. Mit aktualisierter Hardware und vielen Detailverbesserungen folgt nun der auf den Namen Zenbook UX32LN getaufte Nachfolger.
Schon die rund 900 Euro teure Basiskonfiguration kann sich mit üppiger Ausstattung profilieren, die unter anderem einen Core i5-4200U samt 8 GB Arbeitsspeicher, eine 128-GB-SSD sowie ein 13,3 Zoll großes FullHD-Display umfasst. Eigentliches Highlight ist jedoch die Nvidia GeForce 840M – erst diese hebt das UX32LN aus der Masse anderer Ultrabooks hervor. Unser Testgerät mit 256 GB SSD-Speicher steigert den Kaufpreis auf glatt 1.000 Euro, für einen schnelleren Core-i7-Prozessor werden nochmals 100 Euro zusätzlich fällig.
Zu den wenigen direkten Konkurrenten des Zenbooks zählt das kürzlich getestete Acer Aspire S3-392G, welches wir nachfolgend vergleichend in unsere Analyse mit einbeziehen wollen.
Ergänzung vom 27.06.2014: Test-Update des UX32LN mit Core-i7-CPU
Gehäuse
Obwohl das UX32LN mangels Touchscreen nicht offiziell als Ultrabook bezeichnet werden darf, entsprechen Abmaße und Gewicht dem typischen Standard dieser Geräteklasse. Das 18 Millimeter dicke und nur 1,44 Kilogramm schwere Leichtmetallgehäuse erinnert auf den ersten Blick an die ungleich teureren Schwestermodelle UX301 und UX302, weist im Detail jedoch einige Unterschiede auf: So entfällt die edle Gorilla-Glas-Beschichtung von Basiseinheit und Deckel, stattdessen zieren nun matt-glänzende Leichtmetalle die Oberfläche. Der sich ergebende Farbmix aus Silber, Schwarz und Dunkelgrau mag etwas nüchtern anmuten, unterstreicht aber die hohe Wertigkeit des gesamten Notebooks.
Da Asus die Außenhülle des Chassis aus einem einzigen Block Aluminium herausfräst (darunter befindet sich eine Grundkonstruktion aus Kunststoff), können wir kaum störende Spaltmaße oder Materialübergänge entdecken. Ein weiterer Vorteil der massiven Bauweise: Selbst bei kräftigem Druck gibt das Gehäuse an keiner Stelle nennenswert nach. Dies gilt ebenso für das Display, welches trotz extrem dünner Bauweise jeglichen Verwindungsversuchen bravourös widersteht.
Dank leichtgängiger Scharniere lässt sich das Gerät problemlos mit nur einer Hand öffnen. Leider können die präzisen Gelenke ein gewisses Nachwippen der Anzeige bei Erschütterungen nicht gänzlich unterbinden, ohne dass wir hier jedoch von einem schwerwiegenden Mangel sprechen wollen. Praktisch: Im geschlossenen Zustand verhindern kleine Magnete ein ungewolltes Aufklappen des Deckels. Kreditkarten sollte man demzufolge aber besser nicht in unmittelbarer Nähe des Zenbooks ablegen.
Ausstattung
Genau wie das ältere UX32VD kommt auch das UX32LN mit insgesamt drei USB-3.0-Ports daher. Die einzige Neuerung gibt es beim Thema Displayausgänge zu vermelden: Neben dem obligatorischen HDMI-Anschluss findet der Anwender nun zusätzlich noch einen Mini-DisplayPort vor – so können auch besonders hochauflösende Monitore im 4K-Standard angesteuert werden. Im Gegenzug wurde zwar der analoge VGA-Port wegrationalisiert, doch findet dieser ohnehin kaum mehr Verwendung. Ein SD-Kartenleser sowie die Headset-Buchse komplettieren das insgesamt nur durchschnittliche Schnittstellenangebot.
Die meisten der soeben genannten Anschlüsse wurden von Asus rechts am Gehäuse platziert, wo sie für den Nutzer bequem zu erreichen sind. Bedingt durch die relativ geringen Abstände zueinander könnte es bei sehr breiten USB-Sticks zur Blockierung benachbarter Ports kommen; hier hätte der Hersteller besser ein etwas "luftigeres" Layout gewählt.
Kommunikation
Mangels LAN-Adapter lässt sich das Zenbook ausschließlich drahtlos ins heimische Netzwerk einbinden. Das von Intel stammende WLAN-Modul Wireless-AC 7260 beherrscht dabei nicht nur alle wichtigen Funkstandards (802.11a/b/g/n/ac, Bluetooth 4.0), sondern ist auch Dual-Band- (2,4/5 GHz) sowie Dual-Stream-fähig (2x2 TX/RX). In Verbindung mit einem 802.11ac-Router vom Typ TP-Link Archer C7 konnten wir auf kurze Entfernung eine hervorragende Nettoübertragungsrate von rund 17 MB/s ermitteln, die bei schwierigeren Empfangsbedingungen (4 Meter Strecke, eine Ziegelwand) auf knapp 14 MB/s absank. Ein Test im 802.11n-Modus zeigte in beiden Fällen nur etwa 7,5 MB/s.
Webcam und Mikrofon
Die mit 1.280 x 720 Pixeln auflösende Webcam liefert leider nur sehr mittelmäßige Aufnahmen, die insbesondere bei schlechter Beleuchtung von sichtbarem Rauschen und mangelhafter Detailwiedergabe gekennzeichnet sind. Im Gegenzug glänzt dafür das zugehörige Array-Mikrofon mit hervorragender Tonqualität, sodass in der Regel auf ein externes Headset verzichtet werden kann.
Zubehör
Neben den üblichen Broschüren, einem 65-Watt-Steckernetzteil und einem Kabelbinder legt Asus dem UX32LN kein weiteres Zubehör bei – hier wird die Preisdifferenz zum UX301 und UX302 deutlich, die darüber hinaus mit einer hochwertigen Hülle sowie einem LAN- und VGA-Adapter daherkommen.
Das Softwarepaket fällt mit diversen Apps und Utilities deutlich umfangreicher aus, ohne dass wir darunter aber wirklich nützliche oder werthaltige Extras entdecken konnten. Die vorinstallierte Testversion des Virenscanners McAfee Internet Security erweist sich sogar als herbe Systembremse: Bei aktiviertem Echtzeit-Scan sinkt die Transferrate angeschlossener USB-Sticks und -Festplatten dramatisch ab.
Wartung
Unter Einsatz des passenden Werkzeugs (Torx T5) kann die großflächige Wartungsklappe des Notebooks schnell und einfach geöffnet werden. Doch Vorsicht: An der Rückseite des Gehäuses sollen Klebestreifen für eine zusätzliche Fixierung sorgen – bei wiederholtem Ablösen dürften diese ihre Kraft recht schnell verlieren. Ist man erst einmal ins Innere vorgedrungen, findet man dort das WLAN-Modul in Mini-PCIe-Bauform, einen mit 4 GB RAM belegten Speicherslot (weitere 4 GB verlötet) sowie die 2,5-Zoll-SSD vor. Der lediglich verschraubte Akku wäre ebenfalls prinzipiell austauschbar. Ist das Gerät schon länger in Benutzung, empfiehlt es sich auch gleich die beiden gut zugänglichen Lüfter und Kühlkörper von angesammeltem Staub zu befreien.
Garantie
Im Kaufpreis inbegriffen ist eine zweijährige Herstellergarantie, die einen Pick-Up & Return Service für Deutschland und Österreich einschließt. Verschiedene Händler bieten darüber hinaus optionale Garantieverlängerungen an; ein Upgrade auf insgesamt drei Jahre schlägt bei gleichem Service-Level mit rund 80 Euro zu Buche.
Eingabegeräte
Tastatur
Die bewährten Eingabegeräte des Vorgängermodells wurden von Asus ohne erkennbare Modifikation in das neue Zenbook übernommen. Dazu gehört zum einen die hintergrundbeleuchtete Chiclet-Tastatur, die trotz begrenzter Platzverhältnisse mit 15 x 15 Millimeter großen Tasten aufwarten kann. Mit Ausnahme des direkt in das Layout integrierten Power-Buttons hält das Keyboard keine besonderen Überraschungen bereit, was eine zügige Eingewöhnung begünstigt.
Abgesehen von einem leichten Nachfedern (speziell in der Tastaturmitte) gibt das Schreibgefühl nur wenig Anlass zur Kritik. Alle Tasten verfügen über einen mittelfesten, knackigen Anschlag und lösen bis in die Randbereiche zuverlässig aus. Gepaart mit dem ausreichend langen Hubweg wird das UX32LN auch Vielschreiber zufriedenstellen, ohne jedoch an die Qualität eines professionellen ThinkPads, EliteBooks oder Latitudes heranzureichen.
Touchpad
Mit seiner 10,5 x 7 Zentimeter großen Eingabefläche bietet das Touchpad viel Platz zum Navigieren sowie für verschiedene Multi-Touch-Gesten. Pinch-to-Zoom- oder Scroll-Befehle werden dabei sehr feinfühlig und absolut verzögerungsfrei umgesetzt. Bei der Maussteuerung hatten wir dagegen den Eindruck, dass der Zeiger dem Finger stets ein wenig hinterhereilt – das dürfte allerdings nur sehr empfindlichen Anwendern störend auffallen.
Entsprechend der Clickpad-Bauweise genügt ein sanfter Druck auf die jeweilige Touchpad-Seite, um einen Links- oder Rechtsklick auszulösen. Das bei vielen Kontrahenten ausgeprägte Problem, dass sich dabei ungewollt der Mauszeiger bewegt, ist dem Zenbook glücklicherweise vollkommen fremd. Des Weiteren bestechen die integrierten Tasten mit ihrem überaus straffen und direkten Druckpunkt.
Display
Auch wenn es mittlerweile bereits 13,3-Zoll-Displays mit 2.560 x 1.440 oder gar 3.200 x 1.800 Pixeln gibt, zählt das im UX32LN verbaute FullHD-Panel noch lange nicht zum alten Eisen. Vielmehr sehen wir die 1.920 x 1.080 Bildpunkte als sinnvollen Kompromiss zwischen Schärfe, Darstellungsgröße und Herstellungskosten, zudem steigt so die Chance auf eine flüssige Wiedergabe von 3D-Spielen in nativer Auflösung. Angesichts der vorliegenden Pixeldichte von fast 166 dpi wäre jede weitere Steigerung ohnehin nur mit einem marginalen Qualitätsgewinn verbunden.
Weitere Pluspunkte sammelt das Display für sein kräftiges Backlight. Auf höchster Stufe erreicht die Leuchtdichte beeindruckende 358 cd/m², die sich sehr gleichmäßig über die gesamte Fläche verteilen. Nur bei komplett schwarzem Bildinhalt sind einige dezente Lichthöfe am rechten Rand zu erkennen, die bei angepasster Helligkeit aber zunehmend unscheinbar werden. Tagsüber empfiehlt sich je nach Umgebung in etwa die Stufe 5 von 11 (148 cd/m²), nachts kann die Hintergrundbeleuchtung auch bis auf 39 cd/m² heruntergeregelt werden.
| |||||||||||||||||||||||||
Ausleuchtung: 92 %
Helligkeit Akku: 355 cd/m²
Kontrast: 1089:1 (Schwarzwert: 0.326 cd/m²)
ΔE ColorChecker Calman: 5.07 | ∀{0.5-29.43 Ø4.74}
ΔE Greyscale Calman: 6.09 | ∀{0.09-98 Ø4.98}
58% AdobeRGB 1998 (Argyll 1.6.3 3D)
64.8% AdobeRGB 1998 (Argyll 3D)
88.8% sRGB (Argyll 3D)
66.7% Display P3 (Argyll 3D)
Gamma: 2.48
CCT: 5692 K
Das von Asus gewählte IPS-Panel mit der Bezeichnung N133HSE-EA1 stammt vom Hersteller Chi Mei und ist uns bereits in einigen anderen Ultrabooks, beispielsweise dem Samsung 730U3E, begegnet. Schwarzwert (0.326 cd/m²) und Kontrastverhältnis (1.089:1) zählen zum Besten, was auf Basis der IPS-Technik momentan möglich ist, sodass sich ein satter und kräftiger Bildeindruck ergibt. Dem steht die Konkurrenz von Acer (Kontrast 1.136:1) allerdings in nichts nach, sieht man einmal von der deutlich geringeren Maximalhelligkeit (260 cd/m²) ab.
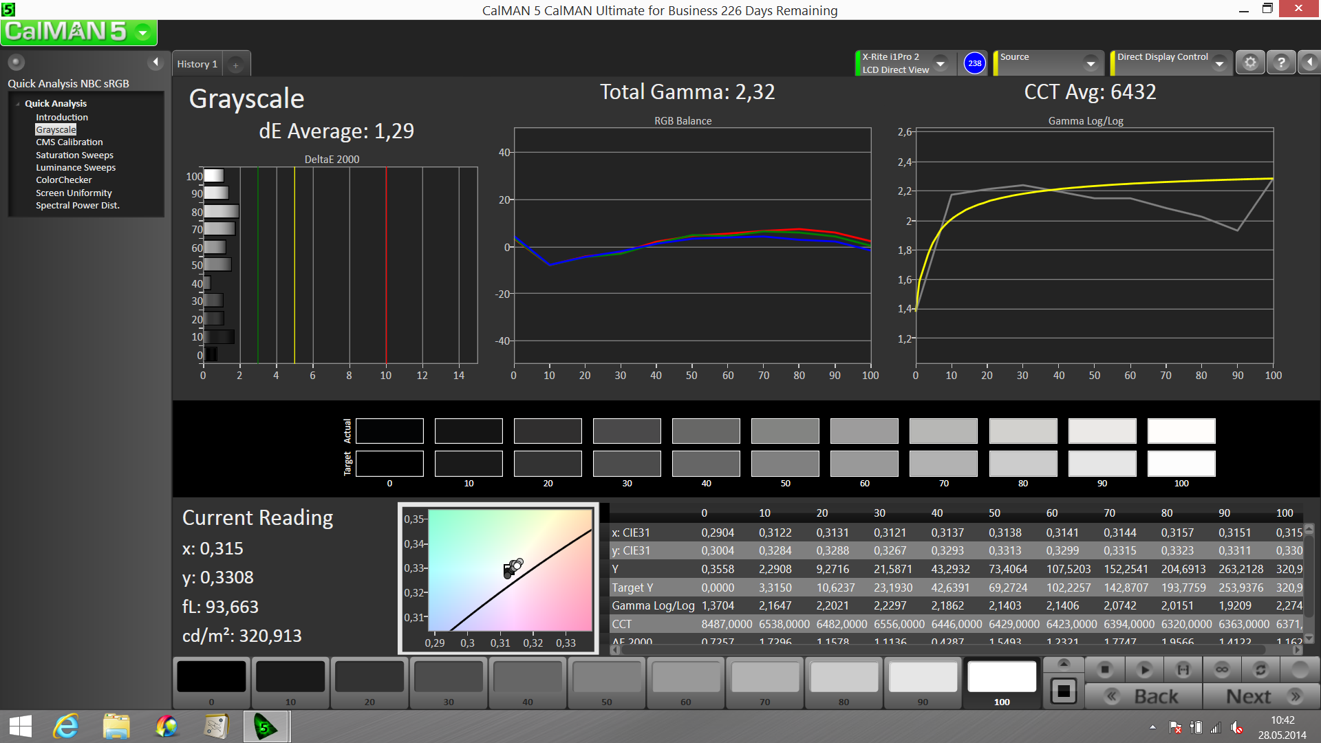
Erstaunlicherweise zeigt das Zenbook nicht den bei Consumer-Geräten typischen Blaustich, sondern wurde vielmehr auf einen relativ warmen Weißpunkt von 5.692 K eingestellt. Farben und Graustufen bewegen sich um ein mittleres Delta E von etwa 5 bis 6, was für den Heimgebrauch vollkommen ausreicht. Dennoch erscheint eine nachträgliche Bildkalibrierung ratsam: In unserem Fall ließen sich die Abweichungen so auf ein Delta E von nur noch 2,45 (Farben) respektive 1,29 (Graustufen) reduzieren. Einzig der begrenzte Farbraum, der nur 78 Prozent des sRGB- sowie 58 Prozent des AdobeRGB-Standards abdeckt, verhindert einen Einsatz im professionellen Foto- und Grafik-Bereich.
Der Verzicht auf ein verspiegeltes Touchscreen-Panel verschafft dem UX32 einen unschätzbaren Vorteil, wenn es um den Außeneinsatz unter freiem Himmel geht. Sogar bei direktem Sonnenlicht bleibt das Bild stets frei von Reflexionen und perfekt ablesbar, was aber auch der enormen Helligkeit zu verdanken ist. Hier könnte sich so manches Unternehmen ein Beispiel an Asus nehmen – allen voran Intel, damit künftig auch wieder Notebooks ohne Touchscreen den Ultrabook-Titel tragen dürfen. Entsprechende Ausnahmen gelten derzeit nur für einige Business-Modelle.
Egal ob man von oben, unten oder seitlich auf das Display blickt: Stets sorgt die IPS-Technik für eine unverfälschte und kontrastreiche Darstellung. Preiswertere, technisch aber unterlegene TN-Monitore werden zunehmend in das Low-Cost-Segment zurückgedrängt, einzig bei Gaming-Notebooks bleiben entsprechende Panels wegen ihrer kurzen Reaktionszeit beliebt.
Leistung
Je nach gewählter Konfiguration werkelt im UX32LN entweder ein Core i5-4200U – so auch in unserem Testgerät – oder aber der etwas schnellere Core i7-4500U. Beide basieren auf der aktuellen Haswell-Architektur und sind als ULV-Modelle mit einer TDP von lediglich 15 Watt spezifiziert. Entscheidender Unterschied zwischen beiden Dual-Cores ist in erster Linie die Taktrate, die beim Core i5 1,6 bis 2,6 GHz, beim Core i7 dagegen 1,8 bis 3,0 GHz beträgt. Zudem wurde der L3-Cache des 4200U von 4 auf 3 MB beschnitten. Die wichtigsten Befehlssatzerweiterungen und Features wie AVX oder Hyper-Threading sind aber bei beiden Modellen gleichermaßen aktiviert.
Die im Prozessor integrierte HD Graphics 4400 muss im Zenbook nur anspruchslose Office- und Multimedia-Aufgaben bewältigen, da mit der Nvidia GeForce 840M eine ungleich leistungsfähigere Alternative bereitsteht. Der per Optimus automatisch zu- und abschaltbare 3D-Beschleuniger kann auf 2 GB dedizierten Grafikspeicher zurückgreifen.
In puncto Speicherausstattung wollen wir Asus ein großes Lob aussprechen: Alle angebotenen Modelle verfügen über zeitgemäße 8 GB RAM im Dual-Channel-Betrieb sowie eine vollwertige SSD. Bei unserem Probanden fasst diese immerhin 256 GB, günstigere Varianten müssen mit nur 128 GB auskommen.
Prozessor
Schon der vergleichsweise preiswerte Core i5-4200U sorgt für solide Ergebnisse in unseren CPU-Benchmarks, was vor allem auf den umfassend ausgeschöpften Turbo Boost zurückzuführen ist. Single-Thread-Tests bewältigt der Prozessor mit stabilen 2,5 bis 2,6 GHz, in Multi-Thread-Anwendungen liegen noch immer 2,3 GHz an – mehr wäre laut Spezifikation bei diesem Modell auch gar nicht möglich. Taktraten und Performance bleiben auch im Akkubetrieb konstant.
Im Konkurrenzvergleich landet das UX32 damit exakt auf dem Niveau des Aspire S3-392G, welches auf die identische CPU vertraut. Wie die Werte des kürzlich getesteten Toshiba Kirabook zeigen, verspricht der aufpreispflichtige Core i7-4500U lediglich rund 20 Prozent Mehrleistung. Wer ein Ultrabook mit noch mehr Leistung sucht, muss zu einem der wenigen Modelle mit 28-Watt-CPU greifen: So kann sich der Core i7-4558U im Zenbook UX301 um 30 bis 40 Prozent vom i5-4200U absetzen.
Massenspeicher
Es mag etwas verwundern, dass Asus nicht auf eine kompakte mSATA- oder M.2-SSD, sondern ein ungleich größeres und schwereres 2,5-Zoll-Laufwerk setzt. Für den Anwender hat das andererseits auch einige Vorteile: SSDs in diesem Formfaktor sind tendenziell meist relativ preiswert, zudem könnte so theoretisch auch eine (Hybrid-)Festplatte mit deutlich mehr Speicherplatz verbaut werden.
Die vom Hersteller ausgewählte Kingston-SSD vom Typ SVP200S37A256G bietet gleich den passenden Anlass, mögliche Aufrüstpläne zu konkretisieren: Trotz mehrfacher Versuche kam der Datenträger weder im CrystalDiskMark noch im AS-SSD-Benchmark über eine sequentielle Lesegeschwindigkeit von 215 MB/s hinaus – ein ungewöhnlich schlechtes Ergebnis für eine aktuelle SATA-3.0-SSD. Schreibrate und 4K-Messungen bescheinigen dem Laufwerk dagegen eine durchaus akzeptable Performance. Mutmaßlich handelt es sich hier um ein OEM-Modell mit starker Verwandtschaft zur SSDNow V+ 200 Baureihe (Controller SandForce SF-2281), die in anderen Tests ähnliche Schwächen bei inkompressiblen Daten gezeigt hat.
System Performance
Glücklicherweise spielt die sequentielle Übertragungsrate im Alltag meist nur eine untergeordnete Rolle, sodass das UX32LN ein dennoch überaus performantes Gesamtsystem abgibt. Im PCMark 7 kann sich das Zenbook sogar knapp vor dem Samsung ATIV Book 9 sowie Sony Vaio Pro 13 platzieren, die beide ebenfalls eine SSD sowie einen Core i5- oder Core-i7-Prozessor integrieren. Uneinholbar an die Spitze des Feldes setzt sich, RAID-0-Verbund und 28-Watt-CPU sei Dank, das Schwestermodell UX301, während dem Acer Aspire S3-392G mangels vollwertiger SSD nur der fünfte und damit letzte Platz in diesem Vergleich bleibt.
Auch abseits synthetischer Benchmarks glänzt das Notebook mit kurzen Start- und Ladezeiten (Bootvorgang unter 15 Sekunden) sowie einem tadellosen Ansprechverhalten. Durch die üppige Arbeitsspeicherausstattung stellt selbst Multitasking keine unlösbare Herausforderung dar, einzig der sparsame ULV-Prozessor wird in extrem CPU-lastiger Software früher oder später an seine Grenzen stoßen.
| PCMark 7 Score | 4811 Punkte | |
| PCMark 8 Home Score Accelerated v2 | 2833 Punkte | |
| PCMark 8 Creative Score Accelerated v2 | 2997 Punkte | |
| PCMark 8 Work Score Accelerated v2 | 3558 Punkte | |
Hilfe | ||
Grafikkarte
Die technischen Details und Performance-Einschätzungen zur Intel HD Graphics 4400 wollen wir an dieser Stelle überspringen und hierfür auf unsere GPU-Datenbank verweisen. Sehr viel mehr Spannung verspricht ohnehin der Blick auf die zusätzliche GeForce 840M: Als Ableger der neuen Maxwell-Architektur ist dieses Modell erst seit wenigen Monaten auf dem Markt und hat so einige Besonderheiten zu bieten. Neben der Leistungsaufnahme konnte Nvidia auch den Bandbreitenbedarf gegenüber dem Vorgänger stark reduzieren, sodass die Karte mit einem nur 64 Bit breiten Speicherinterface (2 GB DDR3, 900 MHz) auskommt. Darüber hinaus arbeiten die 384 Shadereinheiten (1.029 - 1.124 MHz) nun deutlich effizienter als die gleiche Anzahl Kepler-ALUs.
Das Ergebnis kann sich sehen lassen: Satte 50 Prozent Mehrleistung gegenüber der Iris Graphics 5100 oder einer GeForce GT 730M sind nicht nur mess-, sondern auch praktisch spürbar. Die GeForce GT 740M sowie die leicht niedriger getaktete GT 735M werden um jeweils 25 bis 30 Prozent distanziert. Zusätzliches Lob gibt es für die im Netz- und Akkubetrieb absolut identische Performance – das ist leider nicht bei jedem Notebook der Fall.
| 3DMark - 1920x1080 Fire Strike Graphics (nach Ergebnis sortieren) | |
| Asus UX32LN | |
| HP Pavilion TouchSmart 15-n010sg | |
| Acer Aspire S3-392G | |
| Asus Zenbook UX302LG-C4014H | |
| Asus Zenbook UX301 | |
| Samsung ATIV Book 9 Plus | |
| 3DMark 06 Standard Score | 9895 Punkte | |
| 3DMark Vantage P Result | 6996 Punkte | |
| 3DMark 11 Performance | 2336 Punkte | |
| 3DMark Ice Storm Standard Score | 40164 Punkte | |
| 3DMark Cloud Gate Standard Score | 5278 Punkte | |
| 3DMark Fire Strike Score | 1289 Punkte | |
| 3DMark Fire Strike Extreme Score | 650 Punkte | |
Hilfe | ||
Gaming Performance
Obwohl die Geforce 840M zu den schnellsten Grafikkarten gehört, die sich in einem derart kompakten 13-Zoll-Gehäuse überhaupt einsetzen lassen, reicht die Leistung nur in den wenigsten Fällen für die native Displayauflösung aus. Meist werden moderne Spiele nur in mittleren, teils auch hohen Einstellungen und 1.366 x 768 Pixeln flüssig bewältigt. Selbst das ist aber schon ein beachtliches Ergebnis, wenn man auf die nochmals niedrigeren fps-Zahlen des Aspire S3-392G (GeForce GT 735M) oder Zenbook UX301 (Iris 5100) blickt.
In Ergänzung zu den nachfolgenden Benchmarks müssen wir noch von zwei Problemen berichten, die uns im Verlauf des Tests begegneten: So ließ sich Diablo III erst nach einem Treiberupdate auf die aktuelle Version 337.88 überhaupt starten – um anschließend trotz anderslautender Einstellungen auf die langsame HD Graphics 4400 als Grafikbeschleuniger zurückzugreifen. Auch in Wolfenstein: The New Order wurden wir von ungewöhnlich niedrigen Frameraten überrascht, obwohl dort wunschgemäß die GeForce-GPU zum Einsatz kam.
| Asus UX32LN GeForce 840M, 4200U, Kingston SVP200S37A256G | Acer Aspire S3-392G GeForce GT 735M, 4200U, WDC WD10SPCX-22HWST0 + Kingston SMS151S324G 24 GB SSD Cache | Asus Zenbook UX301 Iris Graphics 5100, 4558U, 2x Sandisk X110 SD6SP1M-128G RAID 0 | |
|---|---|---|---|
| BioShock Infinite | -24% | -46% | |
| 1280x720 Very Low Preset (fps) | 84.3 | 64.6 -23% | 47.2 -44% |
| 1366x768 Medium Preset (fps) | 48.2 | 35.6 -26% | 24.8 -49% |
| 1366x768 High Preset (fps) | 38.5 | 29.9 -22% | 20.7 -46% |
| Total War: Rome II | -8% | -29% | |
| 1024x768 Low Preset (fps) | 59.3 | 60.1 1% | 46.5 -22% |
| 1366x768 Medium Preset (fps) | 46.3 | 41.5 -10% | 34.4 -26% |
| 1366x768 High Preset (fps) | 39.5 | 33.6 -15% | 24 -39% |
| Tomb Raider | -26% | -41% | |
| 1024x768 Low Preset (fps) | 122.5 | 86.3 -30% | 61.3 -50% |
| 1366x768 Normal Preset AA:FX AF:4x (fps) | 58.5 | 42.9 -27% | 34.5 -41% |
| 1366x768 High Preset AA:FX AF:8x (fps) | 30 | 23.6 -21% | 20.7 -31% |
| Durchschnitt gesamt (Programm / Settings) | -19% /
-19% | -39% /
-39% |
| min. | mittel | hoch | max. | |
|---|---|---|---|---|
| Diablo III (2012) | 62 Spiel startete nicht (HD 4400 only) | 35 Spiel startete nicht (HD 4400 only) | 32 Spiel startete nicht (HD 4400 only) | 18 Spiel startete nicht (HD 4400 only) |
| Borderlands 2 (2012) | 71.3 | 49.9 | 32.1 | 20 |
| Tomb Raider (2013) | 122.5 | 58.5 | 30 | 15 |
| BioShock Infinite (2013) | 84.3 | 48.2 | 38.5 | 13.5 |
| Metro: Last Light (2013) | 41.6 | 34.7 | 21.3 | 10.6 |
| Dota 2 (2013) | 90.2 | 64 | 31.2 | |
| Total War: Rome II (2013) | 59.3 | 46.3 | 39.5 | 10 |
| Wolfenstein: The New Order (2014) | 31.1 | 30.8 | 15.2 | |
| Watch Dogs (2014) | 38.8 | 28.9 | 15.3 |
Emissionen
Geräuschemissionen
Performante Hardware plus Ultrabook-Formfaktor gleich hohe Lärmentwicklung – so zumindest unsere Befürchtung im Vorfeld dieses Tests. Doch weit gefehlt: Egal ob Leerlauf oder Volllast, wirklich unangenehm wird das UX32LN selbst in Extremsituationen nie. Durch die Verteilung der Arbeit auf zwei langsam drehende – beziehungsweise im Leerlauf überwiegend stillstehende – Lüfter samt leistungsfähiger Kupfer-Kühlkörper kann die entstehende Abwärme hocheffizient und extrem leise ins Freie befördert werden. Sogar im 3DMark 06, wo auch die GeForce 840M stark beansprucht wird, liegt der Geräuschpegel bei nur 34,3 dB(A). Das wäre selbst für ein Ultrabook ohne dedizierte GPU ein hervorragendes Ergebnis.
Etwas lauter wird es in unserem Stresstest, wo wir knapp über 40 dB(A) messen konnten. Da die Lüfter ihre Drehzahl stufenlos an die Belastung anpassen und keine übermäßig hochfrequenten Töne produzieren, bleibt das Notebook auch weiterhin ein akustisch überaus zurückhaltender Begleiter.
Lautstärkediagramm
| Idle |
| 29.1 / 29.1 / 29.1 dB(A) |
| Last |
| 34.3 / 40.5 dB(A) |
![]() | ||
30 dB leise 40 dB(A) deutlich hörbar 50 dB(A) störend |
||
min: | ||
Temperatur
Kritischer sind dagegen die Gehäusetemperaturen zu beurteilen. Während im Leerlauf nur unbedenkliche Werte um etwa 30 °C auftreten, klettert das Thermometer unter Last recht schnell über die 40-°C-Marke. Mittig oberhalb der Tastatur entsteht sogar ein Hotspot von gut 50 °C – mit der bloßen Hand lässt sich das Gerät dort kaum mehr berühren. Dabei sei jedoch betont, dass derart hohe Temperaturen nur mit synthetischen Auslastungs-Tools erzeugt werden können. Zudem beschränkt sich die Erwärmung auf einen sehr kleinen Bereich fernab der Handballenauflage, sodass der Anwender nicht nennenswert beeinträchtigt wird.
Die gute Nachricht gleich vorweg: Throttling ist beim Zenbook (fast) kein Thema. Den minimalen Taktabfall der GPU, die nach einer Stunde FurMark-Malträtierung noch mit 980 MHz rechnet (max. 81 °C), wollen wir hierbei einmal ausklammern. Der mit Prime95 belastete Prozessor bewegt sich mit 2,0 GHz sogar im Turbo-Boost-Bereich (max. 87 °C). Folglich ist auch im Hochsommer kein Leistungsverlust in praxisnahen Anwendungen zu erwarten.
(-) Die maximale Temperatur auf der Oberseite ist 50.3 °C. Im Vergleich liegt der Klassendurchschnitt bei 35.9 °C (von 21.4 bis 59 °C für die Klasse Subnotebook).
(±) Auf der Unterseite messen wir eine maximalen Wert von 43.3 °C (im Vergleich zum Durchschnitt von 39.2 °C).
(+) Ohne Last messen wir eine durchschnittliche Temperatur von 29.4 °C auf der Oberseite. Der Klassendurchschnitt erreicht 30.8 °C.
(+) Die Handballen und der Touchpad-Bereich erreichen maximal 32 °C und damit die typische Hauttemperatur und fühlen sich daher nicht heiß an.
(-) Die durchschnittliche Handballen-Temperatur anderer getesteter Geräte war 28.2 °C (-3.8 °C).
Lautsprecher

Beim Thema Sound vertraut Asus auf die Erfahrung der HiFi-Spezialisten von Bang & Olufsen, die an der Entwicklung der beiden Stereolautsprecher beteiligt waren. Gemessen an typischen Ultrabook-Standards spielen die kleinen Boxen erstaunlich laut und kräftig auf, lassen jedoch ein wenig den gewünschten Nachdruck im Bassbereich sowie eine höhere Brillanz vermissen. Insgesamt würden wir dennoch von einem guten Gesamteindruck sprechen, auch wenn die Wiedergabequalität natürlich nicht mit einem externen Audiosystem (anschließbar per Klinke oder HDMI) konkurrieren kann.
Energieverwaltung
Energieaufnahme
Die erstaunliche Energieeffizienz der Haswell-ULV-Plattform haben wir bereits in früheren Tests mehrfach hervorgehoben – dem UX32LN verhilft sie zu einem Leerlaufverbrauch von nur 3,3 bis 9,3 Watt (UX32VD mit Ivy Bridge: 6,1 - 13,1 Watt). Damit liegt die Leistungsaufnahme, Optimus sei Dank, nicht höher als bei anderen Ultrabooks ohne zusätzliche GPU.
Fast noch beeindruckender sind die Ergebnisse der Volllast-Messungen, insbesondere die von uns ermittelten 33,6 Watt im 3DMark 06. Trotz zwei- bis dreifacher 3D-Leistung erweist sich die GeForce 840M damit als beinahe ebenso sparsam wie die integrierte HD 4400. Zum Vergleich: Das Acer Aspire S3-392G kommt mit der klar schwächeren GeForce GT 735M auf 39 Watt, das UX301 mit der Iris Graphics 5100 benötigt gar mehr als 52 Watt.
Asus hat dem Notebook ein kompaktes 65-Watt-Steckernetzteil beigelegt, welches auch den theoretischen Maximalverbrauch von 47,2 Watt (Stresstest) ohne Probleme bewältigt.
| Aus / Standby | |
| Idle | |
| Last |
|
Legende:
min: | |
Akkulaufzeit
Angesichts des niedrigen Energiebedarfs genügt bereits ein mittelgroßer 50-Wh-Akku, um dem Zenbook zu beachtlichen Laufzeiten zu verhelfen. Mehr als 10 Stunden im Battery Eater Reader's Test (Energiesparmodus, minimale Helligkeit, Funk aus) können auch im Vergleich mit konkurrierenden Ultrabooks (Aspire S3-392G: knapp 10 Stunden) überzeugen.
Im praxisnahen Einsatz mit aktiviertem WLAN und angepasster Displayhelligkeit (Stufe 5/11, 148 cd/m²) muss das UX32 nach 6 Stunden zurück an die Steckdose; auf einem ähnlichen Niveau bewegt sich die Laufzeit bei der Wiedergabe von HD-Videos. Erneut platziert sich unser Kandidat damit knapp vor dem Kontrahenten aus dem Hause Acer.
Da die Performance im Akkubetrieb nicht künstlich gedrosselt wird, kann der Anwender auch unterwegs das ein oder andere 3D-Spiel wagen. Naturgemäß hält der Energiespeicher unter diesen Bedingungen nur relativ kurz durch – nach etwas über 2 Stunden im Battery Eater Classic Test (Höchstleistung, maximale Helligkeit, Funk an) sind die letzten Reserven erschöpft. Etwa die gleiche Zeit vergeht, bis der Akku wieder vollständig geladen ist.
Fazit
Machen wir es kurz: Wer derzeit für etwa 1.000 Euro ein spieletaugliches Ultrabook oder Subnotebook sucht, wird kaum am Zenbook UX32LN vorbeikommen. Egal ob Performance, Mobilität oder Qualität – an der von Asus gesetzten Messlatte muss sich die Konkurrenz nun messen.
Besonders gefallen hat uns unter anderem das hübsche und äußerst solide Aluminium-Chassis, in dem allerlei leistungsstarke Komponenten schlummern. Mit einem Core-i5-Prozessor samt 8 GB Arbeitsspeicher kann zwar auch so mancher Kontrahent aufwarten, doch die moderne GeForce 840M bleibt ein Alleinstellungsmerkmal des Zenbooks. Dank Maxwell-Architektur rechnet die Karte nicht nur schneller als ihre Kepler-basierten Vorgängermodelle, sondern verbraucht obendrein auch noch weit weniger Energie. Das wiederum ermöglicht eine erstaunlich geräuscharme Kühlung, ohne dass die Hardware allzu hohe Temperaturen erreicht.
Auch die gelungenen Eingabegeräte sowie das grandiose IPS-Panel können wir nur loben, wenngleich der Käufer auf eine Touch-Unterstützung verzichten muss. Wir bevorzugen aber ohnehin eher ein mattes Display – so lassen sich die guten Akkulaufzeiten auch im Freien auskosten. Dies ist mit dem konkurrierenden Acer Aspire S3-392G leider nur eingeschränkt möglich.
Zum Abschluss bleibt uns nur noch der pflichtbewusste Hinweis auf die wenigen Schwächen des Zenbooks, zu denen beispielsweise das nur mäßig schnelle SSD-Laufwerk oder die mangelhafte Webcam gehören. Wer darüber hinwegsehen kann, darf ohne weitere Bedenken zuschlagen.
Ergänzung vom 27.06.2014: Test-Update des UX32LN mit Core-i7-CPU
























































































