Fazit - Optimiert für Konferenzen und einfache Bürotätigkeiten
Ob Qualcomm Snapdragon für Käufer in Frage kommt, hängt von deren Bedürfnissen ab. Das EliteBook 6 G1q 14 ist optimiert für Co-Pilot+, 5G WAN und HP-Go-Anschlüsse, KI-verbesserte Webcam-Funktionen und eine hervorragende CPU-Leistung für den Preis, wenn man ARM-native Anwendungen ausführt. Bei spezielleren oder GPU-lastigen Anwendungen ist die Kompatibilität jedoch nicht gewährleistet, und die Leistung kann durch Emulation langsamer als erwartet sein.
Die Hardware rund um die CPU ist ansonsten ausgezeichnet, insbesondere für ein EliteBook Basismodell. Vor allem die Akkulaufzeit und das Lüftergeräusch sind im Allgemeinen länger bzw. leiser als bei den meisten Lösungen von Intel oder AMD. Wir empfehlen, die Bildschirmoptionen sorgfältig auszuwählen, denn es gibt erhebliche Unterschiede zwischen Konfigurationen mit oder ohne Sure View oder wenn man 2.560 x 1.600 gegenüber 1.920 x 1.200 wählt.
Pro
Contra
Preis und Verfügbarkeit
Das HP EliteBook 6 G1q 14 in der Konfiguration wie im Test gibt es online zum Beispiel bei Xitra.de für 1.388 Euro. Alternativ kann man das Gerät auch direkt bei HP ab 1.596 Euro kaufen und anpassen.
Die EliteBook-6-Serie ersetzt direkt die ältere EliteBook-600-Serie und ist die erste Wahl für Unternehmen und Büros. Die Serie ist in Intel-, AMD- und Qualcomm-Varianten erhältlich, die passenderweise G1i, G1a bzw. G1q heißen.
Unser EliteBook-6-G1q-14-Testgerät ist eine mittlere Qualcomm Konfiguration mit der Snapdragon X Plus X1P-42-100 CPU, einem 1.200p-IPS-Display und 32 GB verlötetem Arbeitsspeicher für etwa 1.345 US-Dollar. Andere SKUs sind mit dem langsameren Snapdragon X X1-26-100 oder dem schnelleren Snapdragon X Elite X1E-78-100 sowie zusätzlichen Bildschirmauflösungen von bis zu 1.600p ausgestattet.
Zu den Konkurrenten des EliteBook 6 gehören andere Business-Subnotebooks wie das Lenovo ThinkPad E14 Gen 7, Dell Pro 14 Plus oder Asus ExpertBook B5.
Weitere HP Testberichte:
Spezifikationen
Preisvergleich
Gehäuse
Das Gehäusedesign und die Qualität bleiben stark, obwohl das EliteBook 6 im Grunde eines der günstigsten Modelle der Familie ist. Das Tastaturdeck, die untere und die äußere Abdeckung bestehen aus Aluminium und nicht aus Kunststoff, so dass sich das System immer noch wie ein echtes EliteBook und nicht wie ein billigeres Pavilion anfühlt. Auch die Scharniere sind bis zu den vollen 180 Grad recht straff.
Anschlussausstattung
Es gibt eine beeindruckende Anzahl von integrierten Anschlüssen für dieses EliteBook Einsteigermodell. HDMI, RJ-45 und mehrere USB-A-Ports sind alle vorhanden, während das viel teurere EliteBook Ultra G1q viele dieser Anschlüsse vermissen lässt.
Zu beachten ist, dass das Qualcomm Modell des EliteBook 6 keine Smart-Card-Optionen hat.
Kommunikation
| Networking | |
| iperf3 transmit AXE11000 | |
| Asus ExpertBook B5 B5404CMA | |
| HP ProBook 445 G10 | |
| Dell Pro 14 Plus PB14255 GH77W | |
| HP EliteBook 8 G1a 14 AD3E9ET | |
| HP EliteBook 6 G1q 14 | |
| iperf3 receive AXE11000 | |
| HP ProBook 445 G10 | |
| Asus ExpertBook B5 B5404CMA | |
| HP EliteBook 8 G1a 14 AD3E9ET | |
| Dell Pro 14 Plus PB14255 GH77W | |
| HP EliteBook 6 G1q 14 | |
| iperf3 transmit AXE11000 6GHz | |
| Dell Pro 14 Plus PB14255 GH77W | |
| Asus ExpertBook B5 B5404CMA | |
| HP EliteBook 6 G1q 14 | |
| HP EliteBook 8 G1a 14 AD3E9ET | |
| iperf3 receive AXE11000 6GHz | |
| Dell Pro 14 Plus PB14255 GH77W | |
| HP EliteBook 8 G1a 14 AD3E9ET | |
| Asus ExpertBook B5 B5404CMA | |
| HP EliteBook 6 G1q 14 | |
Webcam
Unser Testgerät ist mit einer 2-MP-Webcam und einem physischen Auslöser ausgestattet. Höherwertige Konfigurationen sind jedoch sowohl mit IR als auch mit einer 5-MP-Webcam mit höherer Auflösung erhältlich.

Nachhaltigkeit
Das Gehäuse besteht zu 50 Prozent aus recyceltem Metall und zu 20 bis 50 Prozent aus recyceltem oder aus dem Meer stammenden Kunststoff. Die Verpackung ist größtenteils aus Papier und Pappe mit einer kleinen Plastikhülle für den Netzadapter.
Zubehör und Garantie
In der Verpackung befinden sich keine Extras. Beim Kauf in den USA gilt die übliche einjährige Herstellergarantie.
Eingabegeräte
Obwohl es sich um eines der preiswerteren EliteBook Modelle handelt, fühlt sich das System mit einem zufriedenstellenden Feedback und Hubweg für jede Taste immer noch großartig zum Schreiben an. Die Tastaturen der teureren Modelle wie dem EliteBook Ultra G1q haben hochwertigere Tastenkappen und ein etwas anderes Layout für die Pfeiltasten.
Display
Es stehen fünf Anzeigeoptionen zur Verfügung, die wie folgt aussehen. Unser Testgerät wurde mit der fettgedruckten Option konfiguriert.
- 1.920 x 1.200, IPS, 300 nits, 60 Hz, Non-Touch
- 1.920 x 1.200, IPS, 300 nits, 60 Hz, Touch
- 1.920 x 1.200, IPS, 400 nits, 60 Hz, Non-Touch
- 1.920 x 1.200, IPS, 800 nits, 60 Hz, Sure View, Non-Touch
- 2.560 x 1.600, IPS, 400 nits, 120 Hz, 100 % DCI-P3, Non-Touch
Diese Option bietet volle sRGB-Farben, allerdings mit relativ langsamen Schwarz-Weiß-Reaktionszeiten, keiner werkseitigen Farbkalibrierung und nur einer Bildwiederholfrequenz von 60 Hz. Die Touchscreen-Optionen beschränken sich auf das niedrigere 300-nit-Panel, während das superhelle Panel nur an Sure View gebunden ist. Für einfaches Surfen, Streaming und die Bearbeitung von Amateurbildern ist unser 400-nit-Panel mit sRGB-Farben jedoch ausreichend.
| |||||||||||||||||||||||||
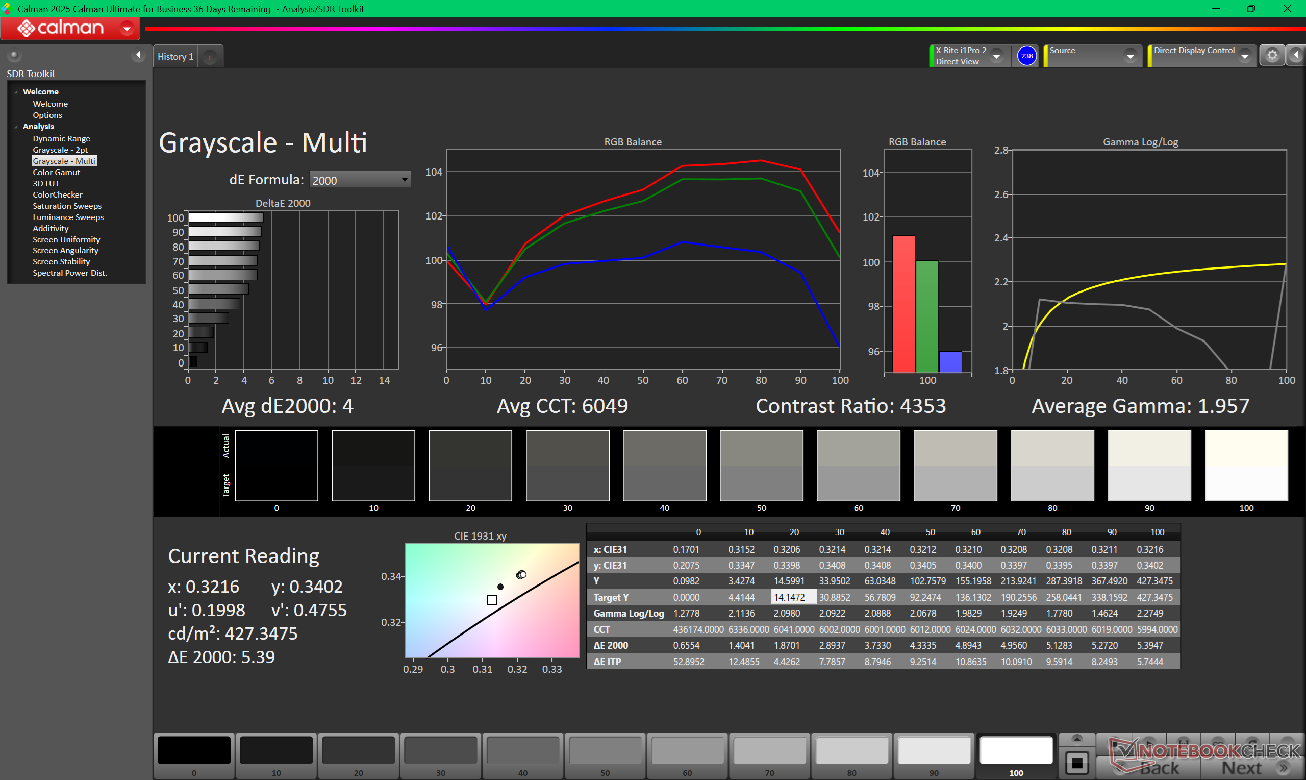
Ausleuchtung: 94 %
Helligkeit Akku: 434.4 cd/m²
Kontrast: 3342:1 (Schwarzwert: 0.13 cd/m²)
ΔE ColorChecker Calman: 3.31 | ∀{0.5-29.43 Ø4.74}
ΔE Greyscale Calman: 4 | ∀{0.09-98 Ø4.98}
Gamma: 1.96
CCT: 6049 K
| HP EliteBook 6 G1q 14 LG Philips LGD079D, IPS, 1920x1200, 14", 90 Hz | HP EliteBook 8 G1a 14 AD3E9ET LGD079D, IPS LED, 1920x1200, 14", 60 Hz | HP ProBook 445 G10 AUO2FA6, IPS, 1920x1080, 14", 60 Hz | Lenovo ThinkPad E14 G7-21SYS00H00 TL140ADXP22, IPS, 2880x1800, 14", 120 Hz | Dell Pro 14 Plus PB14255 GH77W LP140WU4, IPS LED, 1920x1200, 14", 60 Hz | Asus ExpertBook B5 B5404CMA BOE NV140WUM-N43, IPS, 1920x1200, 14", 60 Hz | |
|---|---|---|---|---|---|---|
| Display | ||||||
| Display P3 Coverage (%) | 67.1 | 68.4 | 72.2 | 37.5 | 39.7 | |
| sRGB Coverage (%) | 96 | 95.2 | 100 | 56.3 | 59.1 | |
| AdobeRGB 1998 Coverage (%) | 69.2 | 70.6 | 73.7 | 38.8 | 41.1 | |
| Response Times | 31% | 14% | 44% | 41% | 54% | |
| Response Time Grey 50% / Grey 80% * (ms) | 50.2 ? | 31.4 ? 37% | 53.4 ? -6% | 32.7 ? 35% | 27.1 ? 46% | 23.65 ? 53% |
| Response Time Black / White * (ms) | 32.6 ? | 24.5 ? 25% | 21.8 ? 33% | 15.7 ? 52% | 21.1 ? 35% | 14.83 ? 55% |
| PWM Frequency (Hz) | ||||||
| Bildschirm | -17% | -12% | -6% | -58% | -74% | |
| Helligkeit Bildmitte (cd/m²) | 434.4 | 444 2% | 501 15% | 389 -10% | 315 -27% | 290 -33% |
| Brightness (cd/m²) | 423 | 434 3% | 464 10% | 363 -14% | 295 -30% | 281 -34% |
| Brightness Distribution (%) | 94 | 94 0% | 87 -7% | 89 -5% | 87 -7% | 79 -16% |
| Schwarzwert * (cd/m²) | 0.13 | 0.19 -46% | 0.26 -100% | 0.24 -85% | 0.25 -92% | 0.22 -69% |
| Kontrast (:1) | 3342 | 2337 -30% | 1927 -42% | 1621 -51% | 1260 -62% | 1318 -61% |
| Delta E Colorchecker * | 3.31 | 3.4 -3% | 2.64 20% | 1.7 49% | 6 -81% | 6.61 -100% |
| Colorchecker dE 2000 max. * | 5.44 | 7 -29% | 5.06 7% | 3.5 36% | 15.2 -179% | 20.32 -274% |
| Delta E Graustufen * | 4 | 5.2 -30% | 3.8 5% | 2.8 30% | 3.3 17% | 4.1 -2% |
| Gamma | 1.96 112% | 2.04 108% | 2.103 105% | 2.17 101% | 2.02 109% | 1.81 122% |
| CCT | 6049 107% | 6295 103% | 6562 99% | 6572 99% | 6140 106% | 7048 92% |
| Colorchecker dE 2000 calibrated * | 1.7 | 1.57 | 1.2 | 5.1 | 4.25 | |
| Durchschnitt gesamt (Programm / Settings) | 7% /
-7% | 1% /
-7% | 19% /
4% | -9% /
-38% | -10% /
-48% |
* ... kleinere Werte sind besser
Das Panel ist ab Werk nur mäßig kalibriert mit seiner übermäßig warmen Farbtemperatur und relativ niedrigen durchschnittlichen DeltaE Graustufen- und Farbwerten von 4,0 bzw. 3,31. Das ist zwar nicht schlecht für ein günstiges Business-Notebook, aber eine Kalibrierung für den Endbenutzer kann sich schwieriger gestalten, da die X-Rite-Software derzeit nicht mit ARM Geräten kompatibel ist.
Reaktionszeiten (Response Times) des Displays
| ↔ Reaktionszeiten Schwarz zu Weiß | ||
|---|---|---|
| 32.6 ms ... steigend ↗ und fallend ↘ kombiniert | ↗ 14.9 ms steigend | |
| ↘ 17.7 ms fallend | ||
| Die gemessenen Reaktionszeiten sind langsam und dadurch für viele Spieler wahrscheinlich zu langsam. Im Vergleich rangierten die bei uns getesteten Geräte von 0.1 (Minimum) zu 240 (Maximum) ms. » 88 % aller Screens waren schneller als der getestete. Daher sind die gemessenen Reaktionszeiten schlechter als der Durchschnitt aller vermessenen Geräte (19.9 ms). | ||
| ↔ Reaktionszeiten 50% Grau zu 80% Grau | ||
| 50.2 ms ... steigend ↗ und fallend ↘ kombiniert | ↗ 22.2 ms steigend | |
| ↘ 28 ms fallend | ||
| Die gemessenen Reaktionszeiten sind langsam und dadurch für viele Spieler wahrscheinlich zu langsam. Im Vergleich rangierten die bei uns getesteten Geräte von 0.165 (Minimum) zu 636 (Maximum) ms. » 87 % aller Screens waren schneller als der getestete. Daher sind die gemessenen Reaktionszeiten schlechter als der Durchschnitt aller vermessenen Geräte (31.2 ms). | ||
Bildschirm-Flackern / PWM (Pulse-Width Modulation)
| Flackern / PWM nicht festgestellt | |||
Im Vergleich: 52 % aller getesteten Geräte nutzten kein PWM um die Helligkeit zu reduzieren. Wenn PWM eingesetzt wurde, dann bei einer Frequenz von durchschnittlich 7864 (Minimum 5, Maximum 343500) Hz. | |||
Leistung
Testbedingungen
Wir haben Windows in den Modus Performance versetzt, bevor wir die folgenden Benchmarks durchgeführt haben.
Prozessor
Direkte CPU-Leistungsvergleiche mit typischen x86-Laptops können schwierig sein. Wenn die Anwendung nativ auf Windows ARM läuft, kann unser Snapdragon X Plus X1P-42-100 den Lunar Lake Core Ultra 7 258V in reinen Multithread-Workloads um mehr als 30 Prozent übertreffen. Wenn die Anwendung jedoch emuliert werden muss, kann unsere Snapdragon CPU bis zu 25 Prozent langsamer arbeiten, um mit einer älteren CPU der U-Serie wie dem Ryzen 5 7530U mitzuhalten.
Beim Umstieg auf den Snapdragon X Elite X1E-78-100 von unserem Snapdragon X Plus X1P-42-100 ist mit einem Leistungszuwachs von 10 bis 15 Prozent zu rechnen, während ein Downgrade auf den Snapdragon X X1-26-100 voraussichtlich einen Leistungsabfall von 15 Prozent mit sich bringt.
Cinebench-R15-Mehrfachschleife
Cinebench R23: Multi Core | Single Core
Cinebench R20: CPU (Multi Core) | CPU (Single Core)
Cinebench R15: CPU Multi 64Bit | CPU Single 64Bit
Blender: v2.79 BMW27 CPU
7-Zip 18.03: 7z b 4 | 7z b 4 -mmt1
Geekbench 6.6: Multi-Core | Single-Core
Geekbench 5.5: Multi-Core | Single-Core
HWBOT x265 Benchmark v2.2: 4k Preset
LibreOffice : 20 Documents To PDF
R Benchmark 2.5: Overall mean
Cinebench 2024: CPU Multi Core | CPU Single Core
| CPU Performance Rating | |
| HP EliteBook 8 G1a 14 AD3E9ET -2! | |
| Dell Pro 14 Plus PB14255 GH77W -2! | |
| Lenovo ThinkPad T14 Gen 6 21QG001VGE -2! | |
| HP OmniBook X Flip 16 | |
| Honor MagicBook Art 14 Snapdragon -2! | |
| Asus ExpertBook B5 B5404CMA -2! | |
| Lenovo ThinkPad E14 Gen 7 21U2002QGE | |
| HP OmniBook X 14 -3! | |
| HP Omnibook 5 14 | |
| Samsung Galaxy Book4 Edge 14 -2! | |
| HP ProBook 445 G10 -2! | |
| HP EliteBook 6 G1q 14 -2! | |
| Durchschnittliche Qualcomm Snapdragon X Plus X1P-42-100 | |
| Asus ZenBook A14 UX3407QA -2! | |
| Cinebench R20 / CPU (Multi Core) | |
| Dell Pro 14 Plus PB14255 GH77W | |
| HP EliteBook 8 G1a 14 AD3E9ET | |
| Lenovo ThinkPad T14 Gen 6 21QG001VGE | |
| HP OmniBook X 14 | |
| Honor MagicBook Art 14 Snapdragon | |
| Asus ExpertBook B5 B5404CMA | |
| HP OmniBook X Flip 16 | |
| Lenovo ThinkPad E14 Gen 7 21U2002QGE | |
| HP EliteBook 6 G1q 14 | |
| HP ProBook 445 G10 | |
| Durchschnittliche Qualcomm Snapdragon X Plus X1P-42-100 (2361 - 3125, n=10) | |
| HP Omnibook 5 14 | |
| Asus ZenBook A14 UX3407QA | |
| Samsung Galaxy Book4 Edge 14 | |
| Cinebench R20 / CPU (Single Core) | |
| Dell Pro 14 Plus PB14255 GH77W | |
| Lenovo ThinkPad T14 Gen 6 21QG001VGE | |
| HP OmniBook X Flip 16 | |
| HP EliteBook 8 G1a 14 AD3E9ET | |
| Lenovo ThinkPad E14 Gen 7 21U2002QGE | |
| Asus ExpertBook B5 B5404CMA | |
| HP ProBook 445 G10 | |
| Honor MagicBook Art 14 Snapdragon | |
| Samsung Galaxy Book4 Edge 14 | |
| HP EliteBook 6 G1q 14 | |
| HP OmniBook X 14 | |
| Durchschnittliche Qualcomm Snapdragon X Plus X1P-42-100 (406 - 427, n=10) | |
| HP Omnibook 5 14 | |
| Asus ZenBook A14 UX3407QA | |
| Cinebench R15 / CPU Multi 64Bit | |
| HP OmniBook X 14 | |
| Honor MagicBook Art 14 Snapdragon | |
| HP EliteBook 8 G1a 14 AD3E9ET | |
| Dell Pro 14 Plus PB14255 GH77W | |
| Asus ExpertBook B5 B5404CMA | |
| Lenovo ThinkPad T14 Gen 6 21QG001VGE | |
| HP OmniBook X Flip 16 | |
| HP EliteBook 6 G1q 14 | |
| Lenovo ThinkPad E14 Gen 7 21U2002QGE | |
| HP Omnibook 5 14 | |
| Samsung Galaxy Book4 Edge 14 | |
| Durchschnittliche Qualcomm Snapdragon X Plus X1P-42-100 (1191 - 1560, n=10) | |
| Asus ZenBook A14 UX3407QA | |
| HP ProBook 445 G10 | |
| Cinebench R15 / CPU Single 64Bit | |
| Lenovo ThinkPad T14 Gen 6 21QG001VGE | |
| HP OmniBook X Flip 16 | |
| Lenovo ThinkPad E14 Gen 7 21U2002QGE | |
| HP EliteBook 8 G1a 14 AD3E9ET | |
| Honor MagicBook Art 14 Snapdragon | |
| Asus ExpertBook B5 B5404CMA | |
| Samsung Galaxy Book4 Edge 14 | |
| HP ProBook 445 G10 | |
| HP OmniBook X 14 | |
| HP EliteBook 6 G1q 14 | |
| Durchschnittliche Qualcomm Snapdragon X Plus X1P-42-100 (206 - 215, n=10) | |
| HP Omnibook 5 14 | |
| Dell Pro 14 Plus PB14255 GH77W | |
| Asus ZenBook A14 UX3407QA | |
| Geekbench 5.5 / Multi-Core | |
| Dell Pro 14 Plus PB14255 GH77W | |
| HP EliteBook 8 G1a 14 AD3E9ET | |
| Lenovo ThinkPad T14 Gen 6 21QG001VGE | |
| HP OmniBook X Flip 16 | |
| Lenovo ThinkPad E14 Gen 7 21U2002QGE | |
| Asus ExpertBook B5 B5404CMA | |
| HP Omnibook 5 14 | |
| Durchschnittliche Qualcomm Snapdragon X Plus X1P-42-100 (4457 - 8618, n=3) | |
| HP ProBook 445 G10 | |
| Geekbench 5.5 / Single-Core | |
| Dell Pro 14 Plus PB14255 GH77W | |
| Lenovo ThinkPad T14 Gen 6 21QG001VGE | |
| HP OmniBook X Flip 16 | |
| HP EliteBook 8 G1a 14 AD3E9ET | |
| Lenovo ThinkPad E14 Gen 7 21U2002QGE | |
| Asus ExpertBook B5 B5404CMA | |
| HP Omnibook 5 14 | |
| Durchschnittliche Qualcomm Snapdragon X Plus X1P-42-100 (1486 - 1669, n=3) | |
| HP ProBook 445 G10 | |
| HWBOT x265 Benchmark v2.2 / 4k Preset | |
| Dell Pro 14 Plus PB14255 GH77W | |
| HP EliteBook 8 G1a 14 AD3E9ET | |
| Lenovo ThinkPad T14 Gen 6 21QG001VGE | |
| HP OmniBook X Flip 16 | |
| Asus ExpertBook B5 B5404CMA | |
| Lenovo ThinkPad E14 Gen 7 21U2002QGE | |
| HP ProBook 445 G10 | |
| Honor MagicBook Art 14 Snapdragon | |
| HP OmniBook X 14 | |
| HP EliteBook 6 G1q 14 | |
| HP Omnibook 5 14 | |
| Durchschnittliche Qualcomm Snapdragon X Plus X1P-42-100 (3.16 - 6.18, n=10) | |
| Samsung Galaxy Book4 Edge 14 | |
| Asus ZenBook A14 UX3407QA | |
| LibreOffice / 20 Documents To PDF | |
| Dell Pro 14 Plus PB14255 GH77W | |
| Asus ZenBook A14 UX3407QA | |
| HP EliteBook 8 G1a 14 AD3E9ET | |
| Durchschnittliche Qualcomm Snapdragon X Plus X1P-42-100 (49.8 - 62.7, n=10) | |
| HP Omnibook 5 14 | |
| Asus ExpertBook B5 B5404CMA | |
| HP ProBook 445 G10 | |
| Lenovo ThinkPad E14 Gen 7 21U2002QGE | |
| Samsung Galaxy Book4 Edge 14 | |
| Honor MagicBook Art 14 Snapdragon | |
| HP EliteBook 6 G1q 14 | |
| Lenovo ThinkPad T14 Gen 6 21QG001VGE | |
| HP OmniBook X Flip 16 | |
| R Benchmark 2.5 / Overall mean | |
| Asus ZenBook A14 UX3407QA | |
| Durchschnittliche Qualcomm Snapdragon X Plus X1P-42-100 (0.728 - 0.777, n=10) | |
| HP EliteBook 6 G1q 14 | |
| HP Omnibook 5 14 | |
| HP OmniBook X 14 | |
| Dell Pro 14 Plus PB14255 GH77W | |
| Samsung Galaxy Book4 Edge 14 | |
| Honor MagicBook Art 14 Snapdragon | |
| HP ProBook 445 G10 | |
| Asus ExpertBook B5 B5404CMA | |
| Lenovo ThinkPad E14 Gen 7 21U2002QGE | |
| HP EliteBook 8 G1a 14 AD3E9ET | |
| Lenovo ThinkPad T14 Gen 6 21QG001VGE | |
| HP OmniBook X Flip 16 | |
| Cinebench 2024 / CPU Multi Core | |
| Honor MagicBook Art 14 Snapdragon | |
| HP OmniBook X 14 | |
| HP EliteBook 6 G1q 14 | |
| HP Omnibook 5 14 | |
| Durchschnittliche Qualcomm Snapdragon X Plus X1P-42-100 (554 - 763, n=11) | |
| Asus ZenBook A14 UX3407QA | |
| Samsung Galaxy Book4 Edge 14 | |
| HP OmniBook X Flip 16 | |
| Lenovo ThinkPad E14 Gen 7 21U2002QGE | |
| Cinebench 2024 / CPU Single Core | |
| Honor MagicBook Art 14 Snapdragon | |
| Samsung Galaxy Book4 Edge 14 | |
| HP OmniBook X Flip 16 | |
| Durchschnittliche Qualcomm Snapdragon X Plus X1P-42-100 (107 - 109, n=10) | |
| HP OmniBook X 14 | |
| HP Omnibook 5 14 | |
| HP EliteBook 6 G1q 14 | |
| Lenovo ThinkPad E14 Gen 7 21U2002QGE | |
| Asus ZenBook A14 UX3407QA | |
Cinebench R23: Multi Core | Single Core
Cinebench R20: CPU (Multi Core) | CPU (Single Core)
Cinebench R15: CPU Multi 64Bit | CPU Single 64Bit
Blender: v2.79 BMW27 CPU
7-Zip 18.03: 7z b 4 | 7z b 4 -mmt1
Geekbench 6.6: Multi-Core | Single-Core
Geekbench 5.5: Multi-Core | Single-Core
HWBOT x265 Benchmark v2.2: 4k Preset
LibreOffice : 20 Documents To PDF
R Benchmark 2.5: Overall mean
Cinebench 2024: CPU Multi Core | CPU Single Core
* ... kleinere Werte sind besser
AIDA64: FP32 Ray-Trace | FPU Julia | CPU SHA3 | CPU Queen | FPU SinJulia | FPU Mandel | CPU AES | CPU ZLib | FP64 Ray-Trace | CPU PhotoWorxx
| Performance Rating | |
| HP EliteBook 8 G1a 14 AD3E9ET | |
| Dell Pro 14 Plus PB14255 GH77W | |
| Lenovo ThinkPad E14 Gen 7 21U2002QGE | |
| Asus ExpertBook B5 B5404CMA | |
| HP ProBook 445 G10 | |
| HP EliteBook 6 G1q 14 | |
| Durchschnittliche Qualcomm Snapdragon X Plus X1P-42-100 | |
| AIDA64 / FP32 Ray-Trace | |
| Dell Pro 14 Plus PB14255 GH77W | |
| HP EliteBook 8 G1a 14 AD3E9ET | |
| Lenovo ThinkPad E14 Gen 7 21U2002QGE | |
| HP ProBook 445 G10 | |
| Asus ExpertBook B5 B5404CMA | |
| HP EliteBook 6 G1q 14 | |
| Durchschnittliche Qualcomm Snapdragon X Plus X1P-42-100 (1480 - 6208, n=9) | |
| AIDA64 / FPU Julia | |
| HP EliteBook 8 G1a 14 AD3E9ET | |
| Dell Pro 14 Plus PB14255 GH77W | |
| Lenovo ThinkPad E14 Gen 7 21U2002QGE | |
| HP ProBook 445 G10 | |
| Asus ExpertBook B5 B5404CMA | |
| HP EliteBook 6 G1q 14 | |
| Durchschnittliche Qualcomm Snapdragon X Plus X1P-42-100 (14234 - 17629, n=9) | |
| AIDA64 / CPU SHA3 | |
| HP EliteBook 8 G1a 14 AD3E9ET | |
| Dell Pro 14 Plus PB14255 GH77W | |
| HP EliteBook 6 G1q 14 | |
| Lenovo ThinkPad E14 Gen 7 21U2002QGE | |
| Asus ExpertBook B5 B5404CMA | |
| Durchschnittliche Qualcomm Snapdragon X Plus X1P-42-100 (2036 - 2642, n=9) | |
| HP ProBook 445 G10 | |
| AIDA64 / CPU Queen | |
| HP EliteBook 8 G1a 14 AD3E9ET | |
| Dell Pro 14 Plus PB14255 GH77W | |
| HP ProBook 445 G10 | |
| HP EliteBook 6 G1q 14 | |
| Durchschnittliche Qualcomm Snapdragon X Plus X1P-42-100 (44346 - 48641, n=9) | |
| Lenovo ThinkPad E14 Gen 7 21U2002QGE | |
| Asus ExpertBook B5 B5404CMA | |
| AIDA64 / FPU SinJulia | |
| HP EliteBook 8 G1a 14 AD3E9ET | |
| Dell Pro 14 Plus PB14255 GH77W | |
| HP ProBook 445 G10 | |
| Asus ExpertBook B5 B5404CMA | |
| Lenovo ThinkPad E14 Gen 7 21U2002QGE | |
| HP EliteBook 6 G1q 14 | |
| Durchschnittliche Qualcomm Snapdragon X Plus X1P-42-100 (1240 - 1502, n=9) | |
| AIDA64 / FPU Mandel | |
| HP EliteBook 8 G1a 14 AD3E9ET | |
| Dell Pro 14 Plus PB14255 GH77W | |
| HP ProBook 445 G10 | |
| Lenovo ThinkPad E14 Gen 7 21U2002QGE | |
| Asus ExpertBook B5 B5404CMA | |
| HP EliteBook 6 G1q 14 | |
| Durchschnittliche Qualcomm Snapdragon X Plus X1P-42-100 (4929 - 9953, n=9) | |
| AIDA64 / CPU AES | |
| HP EliteBook 8 G1a 14 AD3E9ET | |
| Dell Pro 14 Plus PB14255 GH77W | |
| Asus ExpertBook B5 B5404CMA | |
| HP EliteBook 6 G1q 14 | |
| Durchschnittliche Qualcomm Snapdragon X Plus X1P-42-100 (37646 - 45232, n=9) | |
| Lenovo ThinkPad E14 Gen 7 21U2002QGE | |
| HP ProBook 445 G10 | |
| AIDA64 / CPU ZLib | |
| HP EliteBook 8 G1a 14 AD3E9ET | |
| Dell Pro 14 Plus PB14255 GH77W | |
| Asus ExpertBook B5 B5404CMA | |
| Lenovo ThinkPad E14 Gen 7 21U2002QGE | |
| HP EliteBook 6 G1q 14 | |
| HP ProBook 445 G10 | |
| Durchschnittliche Qualcomm Snapdragon X Plus X1P-42-100 (473 - 524, n=9) | |
| AIDA64 / FP64 Ray-Trace | |
| Dell Pro 14 Plus PB14255 GH77W | |
| HP EliteBook 8 G1a 14 AD3E9ET | |
| Lenovo ThinkPad E14 Gen 7 21U2002QGE | |
| HP ProBook 445 G10 | |
| Asus ExpertBook B5 B5404CMA | |
| HP EliteBook 6 G1q 14 | |
| Durchschnittliche Qualcomm Snapdragon X Plus X1P-42-100 (2262 - 3430, n=9) | |
| AIDA64 / CPU PhotoWorxx | |
| Lenovo ThinkPad E14 Gen 7 21U2002QGE | |
| HP EliteBook 8 G1a 14 AD3E9ET | |
| Dell Pro 14 Plus PB14255 GH77W | |
| Asus ExpertBook B5 B5404CMA | |
| HP EliteBook 6 G1q 14 | |
| Durchschnittliche Qualcomm Snapdragon X Plus X1P-42-100 (31088 - 32478, n=9) | |
| HP ProBook 445 G10 | |
CrossMark: Overall | Productivity | Creativity | Responsiveness
WebXPRT 3: Overall
WebXPRT 4: Overall
Mozilla Kraken 1.1: Total
Geekbench AI: Quantized GPU 1.7 | Half Precision GPU 1.7 | Single Precision GPU 1.7
| Performance Rating | |
| Dell Pro 14 Plus PB14255 GH77W -3! | |
| HP EliteBook 6 G1q 14 | |
| Durchschnittliche Qualcomm Snapdragon X Plus X1P-42-100, Qualcomm SD X Adreno X1-45 1.7 TFLOPS | |
| HP EliteBook 8 G1a 14 AD3E9ET -3! | |
| Lenovo ThinkPad E14 Gen 7 21U2002QGE -3! | |
| Asus ExpertBook B5 B5404CMA -3! | |
| CrossMark / Overall | |
| Dell Pro 14 Plus PB14255 GH77W | |
| HP EliteBook 8 G1a 14 AD3E9ET | |
| Lenovo ThinkPad E14 Gen 7 21U2002QGE | |
| Asus ExpertBook B5 B5404CMA | |
| Durchschnittliche Qualcomm Snapdragon X Plus X1P-42-100, Qualcomm SD X Adreno X1-45 1.7 TFLOPS (1061 - 1463, n=10) | |
| HP EliteBook 6 G1q 14 | |
| CrossMark / Productivity | |
| Dell Pro 14 Plus PB14255 GH77W | |
| HP EliteBook 8 G1a 14 AD3E9ET | |
| Asus ExpertBook B5 B5404CMA | |
| Lenovo ThinkPad E14 Gen 7 21U2002QGE | |
| Durchschnittliche Qualcomm Snapdragon X Plus X1P-42-100, Qualcomm SD X Adreno X1-45 1.7 TFLOPS (1059 - 1284, n=10) | |
| HP EliteBook 6 G1q 14 | |
| CrossMark / Creativity | |
| Dell Pro 14 Plus PB14255 GH77W | |
| HP EliteBook 8 G1a 14 AD3E9ET | |
| Lenovo ThinkPad E14 Gen 7 21U2002QGE | |
| Asus ExpertBook B5 B5404CMA | |
| Durchschnittliche Qualcomm Snapdragon X Plus X1P-42-100, Qualcomm SD X Adreno X1-45 1.7 TFLOPS (1070 - 1660, n=10) | |
| HP EliteBook 6 G1q 14 | |
| CrossMark / Responsiveness | |
| Dell Pro 14 Plus PB14255 GH77W | |
| Asus ExpertBook B5 B5404CMA | |
| HP EliteBook 8 G1a 14 AD3E9ET | |
| Lenovo ThinkPad E14 Gen 7 21U2002QGE | |
| Durchschnittliche Qualcomm Snapdragon X Plus X1P-42-100, Qualcomm SD X Adreno X1-45 1.7 TFLOPS (989 - 1563, n=10) | |
| HP EliteBook 6 G1q 14 | |
| WebXPRT 3 / Overall | |
| HP EliteBook 6 G1q 14 | |
| Durchschnittliche Qualcomm Snapdragon X Plus X1P-42-100, Qualcomm SD X Adreno X1-45 1.7 TFLOPS (129.9 - 426, n=10) | |
| Dell Pro 14 Plus PB14255 GH77W | |
| HP EliteBook 8 G1a 14 AD3E9ET | |
| Lenovo ThinkPad E14 Gen 7 21U2002QGE | |
| Asus ExpertBook B5 B5404CMA | |
| WebXPRT 4 / Overall | |
| HP EliteBook 6 G1q 14 | |
| Durchschnittliche Qualcomm Snapdragon X Plus X1P-42-100, Qualcomm SD X Adreno X1-45 1.7 TFLOPS (130.3 - 289, n=10) | |
| Lenovo ThinkPad E14 Gen 7 21U2002QGE | |
| Asus ExpertBook B5 B5404CMA | |
| HP EliteBook 8 G1a 14 AD3E9ET | |
| Dell Pro 14 Plus PB14255 GH77W | |
| Mozilla Kraken 1.1 / Total | |
| Durchschnittliche Qualcomm Snapdragon X Plus X1P-42-100, Qualcomm SD X Adreno X1-45 1.7 TFLOPS (396 - 1145, n=10) | |
| HP EliteBook 8 G1a 14 AD3E9ET | |
| Lenovo ThinkPad E14 Gen 7 21U2002QGE | |
| Asus ExpertBook B5 B5404CMA | |
| Dell Pro 14 Plus PB14255 GH77W | |
| HP EliteBook 6 G1q 14 | |
| Geekbench AI / Quantized GPU 1.7 | |
| Durchschnittliche Qualcomm Snapdragon X Plus X1P-42-100, Qualcomm SD X Adreno X1-45 1.7 TFLOPS (40257 - 40994, n=3) | |
| HP EliteBook 6 G1q 14 | |
| Geekbench AI / Half Precision GPU 1.7 | |
| Durchschnittliche Qualcomm Snapdragon X Plus X1P-42-100, Qualcomm SD X Adreno X1-45 1.7 TFLOPS (16463 - 16672, n=3) | |
| HP EliteBook 6 G1q 14 | |
| Geekbench AI / Single Precision GPU 1.7 | |
| HP EliteBook 6 G1q 14 | |
| Durchschnittliche Qualcomm Snapdragon X Plus X1P-42-100, Qualcomm SD X Adreno X1-45 1.7 TFLOPS (1539 - 1707, n=3) | |
* ... kleinere Werte sind besser
| AIDA64 / Memory Copy | |
| Lenovo ThinkPad E14 Gen 7 21U2002QGE | |
| Dell Pro 14 Plus PB14255 GH77W | |
| HP EliteBook 8 G1a 14 AD3E9ET | |
| HP EliteBook 6 G1q 14 | |
| Durchschnittliche Qualcomm Snapdragon X Plus X1P-42-100 (61258 - 63933, n=9) | |
| Asus ExpertBook B5 B5404CMA | |
| HP ProBook 445 G10 | |
| AIDA64 / Memory Read | |
| Durchschnittliche Qualcomm Snapdragon X Plus X1P-42-100 (112408 - 128030, n=9) | |
| HP EliteBook 6 G1q 14 | |
| Lenovo ThinkPad E14 Gen 7 21U2002QGE | |
| Dell Pro 14 Plus PB14255 GH77W | |
| HP EliteBook 8 G1a 14 AD3E9ET | |
| Asus ExpertBook B5 B5404CMA | |
| HP ProBook 445 G10 | |
| AIDA64 / Memory Write | |
| Lenovo ThinkPad E14 Gen 7 21U2002QGE | |
| Dell Pro 14 Plus PB14255 GH77W | |
| HP EliteBook 8 G1a 14 AD3E9ET | |
| HP EliteBook 6 G1q 14 | |
| Durchschnittliche Qualcomm Snapdragon X Plus X1P-42-100 (45782 - 49288, n=9) | |
| Asus ExpertBook B5 B5404CMA | |
| HP ProBook 445 G10 | |
| AIDA64 / Memory Latency | |
| Asus ExpertBook B5 B5404CMA | |
| Dell Pro 14 Plus PB14255 GH77W | |
| HP EliteBook 8 G1a 14 AD3E9ET | |
| Lenovo ThinkPad E14 Gen 7 21U2002QGE | |
| HP ProBook 445 G10 | |
| HP EliteBook 6 G1q 14 | |
| Durchschnittliche Qualcomm Snapdragon X Plus X1P-42-100 (6.8 - 8.7, n=5) | |
* ... kleinere Werte sind besser
Speichergeräte
Unsere Samsung PM9A1 ist schneller als die PM9C1 im EliteBook 8 14, aber sie wird bereits nach wenigen Minuten in unserem DiskSpd-Schleifentest gedrosselt, wie die Vergleichsgrafik unten zeigt. Es gibt keinen Platz für sekundäre SSDs.
| Drive Performance Rating - Percent | |
| Dell Pro 14 Plus PB14255 GH77W | |
| HP EliteBook 8 G1a 14 AD3E9ET | |
| Lenovo ThinkPad E14 Gen 7 21U2002QGE | |
| HP EliteBook 6 G1q 14 | |
| Asus ExpertBook B5 B5404CMA | |
| HP ProBook 445 G10 | |
* ... kleinere Werte sind besser
Disk Throttling: DiskSpd Read Loop, Queue Depth 8
GPU-Performance
Die Grafikleistung ist einer der schwächeren Aspekte des Systems. Die integrierte Adreno X1 wird selbst von Mittelklasse-GPUs wie der Arc 130V oder der Radeon 860M in konkurrierenden Subnotebooks übertroffen, zumal viele GPU-intensive Anwendungen auf diesem System im emulierten Modus laufen müssen.
| 3DMark 11 Performance | 4591 Punkte | |
| 3DMark Cloud Gate Standard Score | 17447 Punkte | |
| 3DMark Fire Strike Score | 3667 Punkte | |
| 3DMark Time Spy Score | 1067 Punkte | |
Hilfe | ||
* ... kleinere Werte sind besser
| Performance Rating - Percent | |
| Lenovo ThinkPad E14 Gen 7 21U2002QGE | |
| Dell Pro 14 Plus PB14255 GH77W -2! | |
| HP EliteBook 8 G1a 14 AD3E9ET -1! | |
| Asus ExpertBook B5 B5404CMA | |
| HP EliteBook 6 G1q 14 | |
| HP ProBook 445 G10 -2! | |
| Cyberpunk 2077 - 1920x1080 Ultra Preset (FSR off) | |
| Lenovo ThinkPad E14 Gen 7 21U2002QGE | |
| HP EliteBook 8 G1a 14 AD3E9ET | |
| Dell Pro 14 Plus PB14255 GH77W | |
| Asus ExpertBook B5 B5404CMA | |
| HP EliteBook 6 G1q 14 | |
| Baldur's Gate 3 - 1920x1080 Ultra Preset AA:T | |
| Lenovo ThinkPad E14 Gen 7 21U2002QGE | |
| HP EliteBook 8 G1a 14 AD3E9ET | |
| Dell Pro 14 Plus PB14255 GH77W | |
| Asus ExpertBook B5 B5404CMA | |
| HP EliteBook 6 G1q 14 | |
| GTA V - 1920x1080 Highest AA:4xMSAA + FX AF:16x | |
| Lenovo ThinkPad E14 Gen 7 21U2002QGE | |
| HP EliteBook 8 G1a 14 AD3E9ET | |
| HP EliteBook 6 G1q 14 | |
| Asus ExpertBook B5 B5404CMA | |
| HP ProBook 445 G10 | |
| Final Fantasy XV Benchmark - 1920x1080 High Quality | |
| Lenovo ThinkPad E14 Gen 7 21U2002QGE | |
| HP EliteBook 8 G1a 14 AD3E9ET | |
| Dell Pro 14 Plus PB14255 GH77W | |
| Asus ExpertBook B5 B5404CMA | |
| HP EliteBook 6 G1q 14 | |
| HP ProBook 445 G10 | |
| Strange Brigade - 1920x1080 ultra AA:ultra AF:16 | |
| Lenovo ThinkPad E14 Gen 7 21U2002QGE | |
| Asus ExpertBook B5 B5404CMA | |
| Asus ExpertBook B5 B5404CMA | |
| HP EliteBook 6 G1q 14 | |
| HP ProBook 445 G10 | |
| Dota 2 Reborn - 1920x1080 ultra (3/3) best looking | |
| Dell Pro 14 Plus PB14255 GH77W | |
| Asus ExpertBook B5 B5404CMA | |
| Lenovo ThinkPad E14 Gen 7 21U2002QGE | |
| HP EliteBook 6 G1q 14 | |
| HP EliteBook 8 G1a 14 AD3E9ET | |
| HP ProBook 445 G10 | |
| X-Plane 11.11 - 1920x1080 high (fps_test=3) | |
| Dell Pro 14 Plus PB14255 GH77W | |
| HP EliteBook 8 G1a 14 AD3E9ET | |
| Lenovo ThinkPad E14 Gen 7 21U2002QGE | |
| HP EliteBook 6 G1q 14 | |
| Asus ExpertBook B5 B5404CMA | |
| HP ProBook 445 G10 | |
Cyberpunk 2077 ultra fps-Grafik
| min. | mittel | hoch | max. | |
|---|---|---|---|---|
| GTA V (2015) | 112 | 103.6 | 34.2 | 15.3 |
| Dota 2 Reborn (2015) | 85.6 | 67.3 | 57.6 | 49.7 |
| Final Fantasy XV Benchmark (2018) | 37.5 | 18 | 9.88 | |
| X-Plane 11.11 (2018) | 40.9 | 30.5 | 27.3 | |
| Strange Brigade (2018) | 87.4 | 29.9 | 22.7 | 19.6 |
| Baldur's Gate 3 (2023) | 13.3 | 11.7 | 10.2 | 10.1 |
| Cyberpunk 2077 (2023) | 15.2 | 11.6 | 9.81 | 8.41 |
Emissionen
Systemgeräusche
Das System bleibt auch bei mittlerer Belastung wie Surfen, Multitasking und Videostreaming sehr leise, während die Lüfter in den meisten Intel- oder AMD Systemen viel früher auf Touren kommen. Wenn die CPU jedoch voll ausgelastet ist, kann das Lüftergeräusch knapp über 40 dB(A) erreichen, was für die meisten Subnotebooks eine ähnliche Obergrenze darstellt.
Lautstärkediagramm
| Idle |
| 22.8 / 22.8 / 22.8 dB(A) |
| Last |
| 22.8 / 41.8 dB(A) |
![]() | ||
30 dB leise 40 dB(A) deutlich hörbar 50 dB(A) störend |
||
min: | ||
| HP EliteBook 6 G1q 14 SD X Plus X1P-42-100, Adreno X1-45 1.7 TFLOPS | HP EliteBook 8 G1a 14 AD3E9ET R7 250, Radeon 780M | HP ProBook 445 G10 R5 7530U, Vega 7 | Lenovo ThinkPad E14 Gen 7 21U2002QGE Core Ultra 5 228V, Arc 130V | Dell Pro 14 Plus PB14255 GH77W Ryzen AI 7 PRO 350, Radeon 860M | Asus ExpertBook B5 B5404CMA Ultra 7 155U, Graphics 4-Core iGPU (Arrow Lake) | |
|---|---|---|---|---|---|---|
| Geräuschentwicklung | -19% | -13% | -17% | -14% | -38% | |
| aus / Umgebung * (dB) | 22.7 | 23.7 -4% | 24 -6% | 24.5 -8% | 24.9 -10% | 23 -1% |
| Idle min * (dB) | 22.8 | 23.7 -4% | 24 -5% | 24.5 -7% | 24.9 -9% | 27.38 -20% |
| Idle avg * (dB) | 22.8 | 23.7 -4% | 25 -10% | 24.5 -7% | 24.9 -9% | 27.38 -20% |
| Idle max * (dB) | 22.8 | 23.7 -4% | 28 -23% | 25.4 -11% | 27.6 -21% | 27.38 -20% |
| Last avg * (dB) | 22.8 | 39.1 -71% | 33 -45% | 38.6 -69% | 29.3 -29% | 45.35 -99% |
| Cyberpunk 2077 ultra * (dB) | 29.4 | 42.4 -44% | 34.9 -19% | 37.5 -28% | 52.3 -78% | |
| Last max * (dB) | 41.8 | 42.3 -1% | 36 14% | 41.5 1% | 37.5 10% | 52.21 -25% |
| Witcher 3 ultra * (dB) | 36 |
* ... kleinere Werte sind besser
Temperatur
Die Oberflächentemperaturen sind auf der linken Hälfte des Gehäuses in der Nähe des Prozessors deutlich wärmer. Hot Spots können bis zu 40 °C erreichen, was nur geringfügig kühler ist als die Temperaturen, die wir auf dem Intel angetriebenen ThinkPad E14 Gen 7 erlebt haben.
(+) Die maximale Temperatur auf der Oberseite ist 37.2 °C. Im Vergleich liegt der Klassendurchschnitt bei 34.3 °C (von 21.2 bis 62.5 °C für die Klasse Office).
(±) Auf der Unterseite messen wir eine maximalen Wert von 42.4 °C (im Vergleich zum Durchschnitt von 36.8 °C).
(+) Ohne Last messen wir eine durchschnittliche Temperatur von 22.5 °C auf der Oberseite. Der Klassendurchschnitt erreicht 29.5 °C.
(+) Die Handballen und der Touchpad-Bereich sind mit gemessenen 26.4 °C kühler als die typische Hauttemperatur und fühlen sich dadurch kühl an.
(±) Die durchschnittliche Handballen-Temperatur anderer getesteter Geräte war 27.5 °C (+1.1 °C).
| HP EliteBook 6 G1q 14 SD X Plus X1P-42-100, Adreno X1-45 1.7 TFLOPS | HP EliteBook 8 G1a 14 AD3E9ET R7 250, Radeon 780M | HP ProBook 445 G10 R5 7530U, Vega 7 | Lenovo ThinkPad E14 Gen 7 21U2002QGE Core Ultra 5 228V, Arc 130V | Dell Pro 14 Plus PB14255 GH77W Ryzen AI 7 PRO 350, Radeon 860M | Asus ExpertBook B5 B5404CMA Ultra 7 155U, Graphics 4-Core iGPU (Arrow Lake) | |
|---|---|---|---|---|---|---|
| Hitze | -10% | -19% | -5% | -10% | -20% | |
| Last oben max * (°C) | 37.2 | 41.3 -11% | 43 -16% | 41.7 -12% | 38.1 -2% | 38.6 -4% |
| Last unten max * (°C) | 42.4 | 40.5 4% | 51 -20% | 43.3 -2% | 40.1 5% | 48 -13% |
| Idle oben max * (°C) | 24.2 | 27.4 -13% | 27 -12% | 24.3 -0% | 28.9 -19% | 28.8 -19% |
| Idle unten max * (°C) | 23.6 | 28.6 -21% | 30 -27% | 25 -6% | 29.6 -25% | 33.4 -42% |
* ... kleinere Werte sind besser
Stress Test
Die CPU wird auf 3,2 GHz und 25 W hochgefahren, wenn Prime95 gestartet wird Stress. Nachdem einige Sekunden später eine Kerntemperatur von 89 C erreicht wurde, sank die CPU auf 2,7 GHz und 15 W bei einer kühleren Kerntemperatur von 76 C.
| durchschnittlicher CPU-Takt (GHz) | GPU-Takt (MHz) | durchschnittliche CPU-Temperatur (°C) | |
| System Leerlauf | -- | -- | 23 |
| Prime95 Stress | 2,7 | -- | 76 |
| Prime95 + FurMark Stress | 2,2 - 2.7 | 1.107 | 65-82 |
| Cyberpunk 2077 Stress | 3,2 | 1.107 | 48 |
Lautsprecher
HP EliteBook 6 G1q 14 Audio Analyse
(+) | Die Lautsprecher können relativ laut spielen (84.3 dB)
Bass 100 - 315 Hz
(-) | kaum Bass - 24% niedriger als der Median
(±) | durchschnittlich lineare Bass-Wiedergabe (8.4% Delta zum Vorgänger)
Mitteltöne 400 - 2000 Hz
(+) | ausgeglichene Mitten, vom Median nur 3.8% abweichend
(+) | lineare Mitten (6% Delta zum Vorgänger)
Hochtöne 2 - 16 kHz
(+) | ausgeglichene Hochtöne, vom Median nur 3.5% abweichend
(+) | sehr lineare Hochtöne (5.4% Delta zum Vorgänger)
Gesamt im hörbaren Bereich 100 - 16.000 Hz
(±) | hörbarer Bereich ist durchschnittlich linear (15.5% Abstand zum Median)
Im Vergleich zu allen Geräten derselben Klasse
» 16% aller getesteten Geräte dieser Klasse waren besser, 4% vergleichbar, 81% schlechter
» Das beste Gerät hat einen Delta-Wert von 7%, durchschnittlich ist 21%, das schlechteste Gerät hat 53%
Im Vergleich zu allen Geräten im Test
» 23% aller getesteten Geräte waren besser, 4% vergleichbar, 73% schlechter
» Das beste Gerät hat einen Delta-Wert von 4%, durchschnittlich ist 24%, das schlechteste Gerät hat 134%
Apple MacBook Pro 16 2021 M1 Pro Audio Analyse
(+) | Die Lautsprecher können relativ laut spielen (84.7 dB)
Bass 100 - 315 Hz
(+) | guter Bass - nur 3.8% Abweichung vom Median
(+) | lineare Bass-Wiedergabe (5.2% Delta zum Vorgänger)
Mitteltöne 400 - 2000 Hz
(+) | ausgeglichene Mitten, vom Median nur 1.3% abweichend
(+) | lineare Mitten (2.1% Delta zum Vorgänger)
Hochtöne 2 - 16 kHz
(+) | ausgeglichene Hochtöne, vom Median nur 1.9% abweichend
(+) | sehr lineare Hochtöne (2.7% Delta zum Vorgänger)
Gesamt im hörbaren Bereich 100 - 16.000 Hz
(+) | hörbarer Bereich ist sehr linear (4.6% Abstand zum Median
Im Vergleich zu allen Geräten derselben Klasse
» 0% aller getesteten Geräte dieser Klasse waren besser, 0% vergleichbar, 100% schlechter
» Das beste Gerät hat einen Delta-Wert von 5%, durchschnittlich ist 17%, das schlechteste Gerät hat 45%
Im Vergleich zu allen Geräten im Test
» 0% aller getesteten Geräte waren besser, 0% vergleichbar, 100% schlechter
» Das beste Gerät hat einen Delta-Wert von 4%, durchschnittlich ist 24%, das schlechteste Gerät hat 134%
Energieverwaltung
Stromverbrauch
Das Snapdragon betriebene EliteBook ist erwartungsgemäß sehr effizient, vor allem bei alltäglichen Arbeitslasten wie Browsern oder Videos. Es kann anspruchsvoller sein als ein System mit Core Ultra 7 258V wie das ThinkPad T14 G6, wenn die CPU voll ausgelastet ist, aber es bietet gleichzeitig eine schnellere Leistung bei einem ähnlichen Leistungsverhältnis pro Watt.
Wir konnten mit dem kleinen (~8,9 x 5 x 2,8 cm) 65-W-USB-C-Netzteil eine maximale Leistungsaufnahme von 69 W messen.
| Aus / Standby | |
| Idle | |
| Last |
|
Legende:
min: | |
| HP EliteBook 6 G1q 14 SD X Plus X1P-42-100, Adreno X1-45 1.7 TFLOPS, Samsung PM9A1 MZVL2512HCJQ, IPS, 1920x1200, 14" | HP EliteBook 8 G1a 14 AD3E9ET R7 250, Radeon 780M, Samsung PM9C1 MZVL81T0HELB-00BTW, IPS LED, 1920x1200, 14" | HP ProBook 445 G10 R5 7530U, Vega 7, Kioxia BG5 KBG50ZNS512G, IPS, 1920x1080, 14" | Lenovo ThinkPad E14 Gen 7 21U2002QGE Core Ultra 5 228V, Arc 130V, Samsung PM9C1b MZVL81T0HFLB-00BH1, IPS, 2880x1800, 14" | Dell Pro 14 Plus PB14255 GH77W Ryzen AI 7 PRO 350, Radeon 860M, Micron 2500 1TB MTFDKBA1T0QGN, IPS LED, 1920x1200, 14" | Asus ExpertBook B5 B5404CMA Ultra 7 155U, Graphics 4-Core iGPU (Arrow Lake), Micron 2400 MTFDKBA1T0QFM, IPS, 1920x1200, 14" | |
|---|---|---|---|---|---|---|
| Stromverbrauch | -44% | -58% | -63% | -53% | -59% | |
| Idle min * (Watt) | 3.4 | 3.2 6% | 7 -106% | 3.9 -15% | 3.7 -9% | 2.57 24% |
| Idle avg * (Watt) | 4.5 | 5.2 -16% | 8 -78% | 7.2 -60% | 7.3 -62% | 5.95 -32% |
| Idle max * (Watt) | 5.9 | 6.1 -3% | 9 -53% | 8.6 -46% | 8.5 -44% | 6.85 -16% |
| Last avg * (Watt) | 18.4 | 41.8 -127% | 34 -85% | 39.9 -117% | 37.4 -103% | 45.6 -148% |
| Cyberpunk 2077 ultra * (Watt) | 22.1 | 42.1 -90% | 44.8 -103% | 35.9 -62% | 48.6 -120% | |
| Cyberpunk 2077 ultra external monitor * (Watt) | 20.1 | 41.6 -107% | 42.1 -109% | 40.3 -100% | 48 -139% | |
| Last max * (Watt) | 69.2 | 50.5 27% | 47 32% | 61 12% | 64.6 7% | 55.7 20% |
| Witcher 3 ultra * (Watt) | 36.2 |
* ... kleinere Werte sind besser
Stromverbrauch Cyberpunk / Stresstest
Stromverbrauch externer Monitor
Akkulaufzeit
Der 56-Wh-Akku bietet eine sehr lange Laufzeit von fast 16 Stunden im realen Betrieb. Es sind auch Konfigurationen mit einem kleineren und leichteren 48-Wh-Akku erhältlich.
| HP EliteBook 6 G1q 14 SD X Plus X1P-42-100, Adreno X1-45 1.7 TFLOPS, 56 Wh | HP EliteBook 8 G1a 14 AD3E9ET R7 250, Radeon 780M, 62 Wh | HP ProBook 445 G10 R5 7530U, Vega 7, 42 Wh | Lenovo ThinkPad E14 Gen 7 21U2002QGE Core Ultra 5 228V, Arc 130V, 64 Wh | Dell Pro 14 Plus PB14255 GH77W Ryzen AI 7 PRO 350, Radeon 860M, 55 Wh | Asus ExpertBook B5 B5404CMA Ultra 7 155U, Graphics 4-Core iGPU (Arrow Lake), 63 Wh | |
|---|---|---|---|---|---|---|
| Akkulaufzeit | -11% | -40% | -8% | -26% | -18% | |
| WLAN (h) | 15.9 | 14.2 -11% | 9.5 -40% | 14.6 -8% | 11.8 -26% | 13.1 -18% |
| Last (h) | 1.8 | 1.8 | ||||
| H.264 (h) | 12.7 |
Notebookcheck Bewertung
Die sehr lange Akkulaufzeit, der leise Betrieb und die umfangreichen Anschlussmöglichkeiten machen das HP EliteBook 6 G1q 14 zu einem attraktiven Business-Notebook, wenn man hauptsächlich ARM native Anwendungen ausführt.
HP EliteBook 6 G1q 14
- 02.01.2026 v8
Allen Ngo
Potenzielle Wettbewerber im Vergleich
Bild | Modell / Test | Preis ab | Gewicht | Dicke | Display |
|---|---|---|---|---|---|
| HP EliteBook 6 G1q 14 Qualcomm Snapdragon X Plus X1P-42-100 ⎘ Qualcomm SD X Adreno X1-45 1.7 TFLOPS ⎘ 32 GB RAM, 512 GB SSD | Amazon: 1.015,95 € Bestpreis 849€ office-partner.de 2. 849€ playox.de 3. 849.02€ office discount DE | 1.5 kg | 17 mm | 14.00" 1920x1200 162 PPI IPS | |
| HP EliteBook 8 G1a 14 AD3E9ET AMD Ryzen 7 250 ⎘ AMD Radeon 780M ⎘ 32 GB RAM, 1024 GB SSD | Amazon: 1.165,15 € Bestpreis 1665.88€ Easynotebooks.de 2. 1665.88€ Jacob Elektronik direkt 3. 1665.89€ Notebook.de | 1.4 kg | 19.1 mm | 14.00" 1920x1200 162 PPI IPS LED | |
| HP ProBook 445 G10 AMD Ryzen 5 7530U ⎘ AMD Radeon RX Vega 7 ⎘ 16 GB RAM, 512 GB SSD | Amazon: 1. 799,00 € HP ProBook 450 G10 8X9R9ES 1... 2. 405,00 € HP ProBook 640 G8 14 Zoll 19... 3. 333,00 € HP ProBook 440 G6 14" FHD Di... Listenpreis: 830 EUR | 1.3 kg | 20 mm | 14.00" 1920x1080 157 PPI IPS | |
| Lenovo ThinkPad E14 Gen 7 21U2002QGE Intel Core Ultra 5 228V ⎘ Intel Arc Graphics 130V ⎘ 32 GB RAM, 1000 GB SSD | Amazon: 1.197,78 € Bestpreis 1344.4€ TechpointOnlineshop 2. 1499€ nullprozentshop.de 3. 1499€ notebooksbilliger.de | 1.4 kg | 15.3 mm | 14.00" 2880x1800 243 PPI IPS | |
| Dell Pro 14 Plus PB14255 GH77W AMD Ryzen AI 7 PRO 350 ⎘ AMD Radeon 860M ⎘ 32 GB RAM, 1024 GB SSD | Amazon: 2.005,00 € Bestpreis 1898.98€ 1ashop.at 2. 1899€ CNW IT-Systeme 3. 1899€ galaxus | 1.6 kg | 22 mm | 14.00" 1920x1200 162 PPI IPS LED | |
| Asus ExpertBook B5 B5404CMA Intel Core Ultra 7 155U ⎘ Intel Graphics 4-Core iGPU (Meteor / Arrow Lake) ⎘ 16 GB RAM, 1024 GB SSD | Amazon: 1. 1.374,48 € ASUS ExpertBook B5 B5404CMA-... 2. 1.099,00 € ASUS ExpertBook B5 B5604CMA-... 3. 1.209,94 € ASUS ExpertBook B5 Flip, 35,... Bestpreis 1305.38€ Jacob Elektronik direkt 2. 1311.96€ playox.de 3. 1311.97€ office-partner.de | 1.3 kg | 19 mm | 14.00" 1920x1200 162 PPI IPS |
Transparenz
Die Auswahl der zu testenden Geräte erfolgt innerhalb der Redaktion. Das vorliegende Testmuster wurde dem Autor vom Hersteller oder einem Shop zu Testzwecken leihweise zur Verfügung gestellt. Eine Einflussnahme des Leihstellers auf den Testbericht gab es nicht, der Hersteller erhielt keine Version des Reviews vor der Veröffentlichung. Es bestand keine Verpflichtung zur Publikation. Als eigenständiges, unabhängiges Unternehmen unterliegt Notebookcheck keiner Diktion von Herstellern, Shops und Verlagen.
So testet Notebookcheck
Pro Jahr werden von Notebookcheck hunderte Laptops und Smartphones unabhängig in von uns standardisierten technischen Verfahren getestet, um eine Vergleichbarkeit aller Testergebnisse zu gewährleisten. Seit rund 20 Jahren entwickeln wir diese Testmethoden kontinuierlich weiter und setzen damit Branchenstandards. In unseren Testlaboren kommt ausschließlich hochwertiges Messequipment in die Hände erfahrener Techniker und Redakteure. Die Tests unterliegen einer mehrstufigen Kontrolle. Unsere komplexe Gesamtbewertung basiert auf hunderten fundierten Messergebnissen und Benchmarks, womit Ihnen Objektivität garantiert ist. Weitere Informationen zu unseren Testmethoden gibt es hier.





























































