MSI Raider GE66 12UHS Notebook - Mit Lichtgeschwindigkeit durch den Test

MSI baut sein Repertoire an High-End-Gaming-Notebooks mit dem GE66 12UHS weiter aus und will mit Hilfe eines "Phase Change Liquid Metal Pads" auf der CPU sowie verbesserter Heatsink den Intel Core i9 12900HK samt Nvidia RTX 3080 Ti bändigen. Am Design hat sich im Vergleich zum Vorgänger, dem MSI GE66 10SFS, nicht viel geändert, jedoch hat der Hersteller unter der Haube viele Anpassungen vorgenommen.
In diesem Test wollen wir herausfinden, ob unser Gerät mit der Konkurrenz, in Form von Razer Blade 15 Advanced Early 2022, Schenker XMG Neo 15 Early 2022 sowie Lenovo Legion 5 Pro 16 G7, mithalten kann.
mögliche Konkurrenten im Vergleich
Bew. | Datum | Modell | Gewicht | Dicke | Größe | Auflösung | Preis ab |
|---|---|---|---|---|---|---|---|
| 87.4 % v7 (old) | 06 / 2022 | MSI Raider GE66 12UHS i9-12900HK, GeForce RTX 3080 Ti Laptop GPU | 2.4 kg | 23.4 mm | 15.60" | 3840x2160 | |
| 84.6 % v7 (old) | 07 / 2020 | MSI GE66 Raider 10SFS i9-10980HK, GeForce RTX 2070 Super Mobile | 2.4 kg | 23 mm | 15.60" | 1920x1080 | |
| 89.1 % v7 (old) | 03 / 2022 | Razer Blade 15 2022 i7-12800H, GeForce RTX 3080 Ti Laptop GPU | 2.1 kg | 16.99 mm | 15.60" | 2560x1440 | |
v (old) | 02 / 2022 | Schenker XMG Neo 15 E22 (Early 2022, RTX 3080 Ti) i7-12700H, GeForce RTX 3080 Ti Laptop GPU | 2.2 kg | 26.6 mm | 15.60" | 2560x1440 | |
| 88 % v7 (old) | 03 / 2022 | Lenovo Legion 5 Pro 16 G7 i7 RTX 3070Ti i7-12700H, GeForce RTX 3070 Ti Laptop GPU | 2.6 kg | 26.6 mm | 16.00" | 2560x1600 |
Gehäuse - MSI-Laptop mit nur leicht veränderter Optik
Das Gehäuse und das Design des MSI Raider GE66 12 UHS haben sich im Vergleich zum Vorgängermodel nicht geändert, abgesehen von einer angenehmeren sowie höherwertigen Light-Bar an der Front. Deshalb verweisen wir an dieser Stelle auf den Test des Vorgängers: MSI GE66 10SFS.
Verglichen mit den anderen gewählten Gaming-Notebooks hat unser Testgerät das zweithöchste Gewicht (2,4 kg). Bezüglich der Abmessungen ist das GE66 eher zu den Laptop-Riesen zu zählen. Das Razer Blade zeigt hier was in puncto Mobilität möglich wäre.
Ausstattung - Aufgerüstet auf moderne Ports
Auch die Positionen der Anschlüsse sind in Relation zum MSI GE66 10SFS unverändert geblieben. Es wurde lediglich an der Rückseite die USB-C-Schnittstelle auf Thunderbolt 4 aufgerüstet, außerdem unterstützt nun der USB-C 3.2 Port auf der linken Seite des Gerätes die DisplayPort-Funktion.
SD Card Reader
Die Performance des SD-Kartenlesers bleibt im Test mit unserer AV PRO V60 microSD Referenzkarte hinter den Erwartungen zurück und wird im Vergleichsfeld nur vom Schenker XMG Neo 15 Early 2022 unterboten.
| SD Card Reader - average JPG Copy Test (av. of 3 runs) | |
| MSI GE66 Raider 10SFS (Toshiba Exceria Pro SDXC 64 GB UHS-II) | |
| Razer Blade 15 2022 (Toshiba Exceria Pro SDXC 64 GB UHS-II) | |
| Durchschnitt der Klasse Gaming (20 - 210, n=67, der letzten 2 Jahre) | |
| MSI Raider GE66 12UHS (AV PRO microSD 128 GB V60) | |
| Schenker XMG Neo 15 E22 (Early 2022, RTX 3080 Ti) | |
Kommunikation
Unser Testgerät spielt bei der Wi-Fi-Leistung ganz oben mit und zeigt ausgezeichnete Werte, die nur ganz knapp vom Razer Blade 15 Advanced Early 2022 übertroffen werden.
Webcam
Die Webcam löst in Full-HD auf und liefert für eine Notebook-Webcam passable Bilder ab. Bei schlechten Lichtverhältnissen sind diese tendenziell verrauscht und unscharf. Für alltägliche Aufgaben wie Videokonferenzen oder Ähnliches sollte die Bildqualität aber ausreichen.

Zubehör
Der Lieferumfang enthält neben dem Notebook die erforderlichen Unterlagen zum Gerät sowie das Netzteil. Mit einer unveränderten Leistung von 280 Watt gegenüber dem Vorgänger liefert das Netzteil immer noch genügend Strom für die aktuell verbaute Hardware.
Wartung
Im Jahre 2022 ist die Wartungsfreundlichkeit nicht immer für jedes Gerät gegeben. Manche Hersteller machen es dem Endverbraucher umständlich, wenn dieser sein Gerät warten möchte. Dell verbaut zum Beispiel in seinen Alienware-Laptops das Mainboard invertiert (Lüfter und Kühlkörper befinden sich direkt unter der Tastatur und sind schwer zugänglich). Möchte man hier die Wärmeleitpads oder -paste erneuern, wird man sich einer umständlichen Prozedur stellen müssen.
Bei unserem MSI Raider GE66 12 UHS ist das nicht der Fall, allerdings muss man 11 Kreuzschlitzschrauben entfernen, um den Gehäuseboden von den Clips befreien zu können. Gleiches gilt für die Kunststoffhaube hinter dem Display. Für Interessierte gibt es folgend eine kleine Bilderserie, wie man an das Innenleben des MSI Raider GE66 12 UHS gelangt, ohne die empfindlichen Kunststoffteile zu beschädigen.
Hat man die obere Abdeckung sowie die Unterschale entfernt, erhält man direkten Zugriff auf die zwei PCI-Gen-4-Steckplätze, kann die Wi-Fi-Karte tauschen, die Lüfter reinigen sowie, falls notwendig, die Kühlung erneuern und die SO-DIMM-Riegel austauschen, die sich unter einem passiven Kühlblock befinden.
Garantie
Wie auch beim Vorgänger gewährt MSI dem neuen Raider GE66 eine 24-monatige Garantie mit Pick-Up & Return-Service. Dies gilt für Deutschland, die Garantie-Bestimmungen in anderen Ländern können abweichen. Wichtig ist: Für den deutschsprachigem Raum hat das Garantiesiegel keine Relevanz. Für die Aufrüstung und Wartung darf das Gerät vom Nutzer geöffnet werden, ohne das die Herstellergarantie durch MSI eingeschränkt wird. Allerdings nur unter der Voraussetzung, dass die Arbeiten fachlich versiert ausgeführt werden. Deuten Beschädigungen oder Defekte auf nicht fachgerechtes Vorgehen hin, kann dies die Garantieleistungen beschränken. Darüber hinaus muss das Gerät in die Original-Konfiguration rückgebaut werden, wenn es zu einem Servicefall kommen sollte, da für die Reparatur ggf. Teile ausgetauscht werden müssen und MSI die ursprüngliche Ausstattung voraussetzt.
Eingabegeräte - Tolle Gaming-Tastatur mit schicker Light-Bar
Sowohl die Tastatur samt Layout als auch das Touch-Pad haben sich im Vergleich zum MSI GE66 10SFS nicht geändert. Daher verweisen wir an dieser Stelle abermals auf die Details im Test zum Vorgängermodell.
Ein erwähnenswerter Punkt wäre allerdings die Light-Bar: Diese wurde vergrößert und bietet für RGB-Fans noch mehr Beleuchtungsfläche auf dem Chassis und an der Front. Die Beleuchtung wirkt zudem angenehmer und hochwertiger.
Display - 4K-Panel mit 120-Hz im 15-Zöller
MSI verbaut im vorliegenden Raider GE66 12UHS ein nicht spiegelndes IPS-Panel mit einer Bildwiederholrate von 120 Hz, welches in 4K auflöst und subjektiv hervorragend aussieht. Ob ein 4K-Panel in einem 15-Zoller Sinn macht, darüber lässt sich streiten: Für professionelle Anwender, die gleichzeitig spielen wollen, ist es durchaus willkommen. Darüber hinaus ist die verbaute Hardware ohnehin im absoluten High-End-Bereich anzusiedeln und durchaus darauf ausgelegt, Spiele auch in 4K-Auflösung flüssig auf das Display zu bringen. MSI bietet auch Alternativen an: Angefangen mit einem QHD-Panel mit 240 Hz oder 165 Hz und jeweils 100 % DCI-P3-Abdeckung, bis hin zu einem Full-HD-Panel mit 360 Hz.
Vergleicht man die Werte des 4K-Display im Testgerät mit jenen des FHD-Panels (240 Hz) im Vorgänger, ergibt sich daraus folgendes Bild: Das GE66 12UHS mit seinem 4K-Panel ist mit 347 cd/m² 20 % heller, bietet eine höhere Farbraumabdeckung bei 80,4 % DCI-P3 im Vergleich zu 68 % sowie 94,7 % AdobeRGB in Relation zu 69,8 %. Das Testgerät mit 4K-Display nutzt kein PWM, auch wenn der Vorgänger dies in nur einer sehr hohen Frequenz hatte. Es zeigen sich aber auch Nachteile, wie etwa höhere Reaktionszeiten und ein schlechterer Schwarz- und Kontrastwert.
| |||||||||||||||||||||||||
Ausleuchtung: 90 %
Helligkeit Akku: 351 cd/m²
Kontrast: 1003:1 (Schwarzwert: 0.35 cd/m²)
ΔE ColorChecker Calman: 2.54 | ∀{0.5-29.43 Ø4.78}
calibrated: 0.67
ΔE Greyscale Calman: 4.1 | ∀{0.09-98 Ø5}
94.7% AdobeRGB 1998 (Argyll 3D)
98.4% sRGB (Argyll 3D)
80.4% Display P3 (Argyll 3D)
Gamma: 2.089
CCT: 7036 K
| MSI Raider GE66 12UHS AUO51EB, IPS, 3840x2160, 15.6" | MSI GE66 Raider 10SFS Sharp LQ156M1JW03 (SHP14C5), IPS-Level, 1920x1080, 15.6" | Razer Blade 15 2022 Sharp LQ156T1JW03, IPS, 2560x1440, 15.6" | Schenker XMG Neo 15 E22 (Early 2022, RTX 3080 Ti) BOE0A67 (BOE CQ NE156QHM-NZ1), IPS, 2560x1440, 15.6" | Lenovo Legion 5 Pro 16 G7 i7 RTX 3070Ti NE160QDM-NY1, IPS, 2560x1600, 16" | |
|---|---|---|---|---|---|
| Display | -13% | 6% | -14% | ||
| Display P3 Coverage (%) | 80.4 | 68 -15% | 99.1 23% | 68.7 -15% | |
| sRGB Coverage (%) | 98.4 | 99 1% | 99.9 2% | 97.6 -1% | |
| AdobeRGB 1998 Coverage (%) | 94.7 | 69.8 -26% | 86.8 -8% | 70.9 -25% | |
| Response Times | 16% | 16% | 20% | 24% | |
| Response Time Grey 50% / Grey 80% * (ms) | 18.8 ? | 16.4 ? 13% | 14.4 ? 23% | 14.4 ? 23% | 17.6 ? 6% |
| Response Time Black / White * (ms) | 12.8 ? | 10.4 ? 19% | 11.6 ? 9% | 10.8 ? 16% | 7.6 ? 41% |
| PWM Frequency (Hz) | 23580 ? | ||||
| Bildschirm | 23% | -19% | 4% | 9% | |
| Helligkeit Bildmitte (cd/m²) | 351 | 291 -17% | 286 -19% | 295 -16% | 502 43% |
| Brightness (cd/m²) | 347 | 278 -20% | 271 -22% | 277 -20% | 491 41% |
| Brightness Distribution (%) | 90 | 91 1% | 89 -1% | 62 -31% | 91 1% |
| Schwarzwert * (cd/m²) | 0.35 | 0.25 29% | 0.25 29% | 0.28 20% | 0.37 -6% |
| Kontrast (:1) | 1003 | 1164 16% | 1144 14% | 1054 5% | 1357 35% |
| Delta E Colorchecker * | 2.54 | 1.19 53% | 2.74 -8% | 2.36 7% | 2.7 -6% |
| Colorchecker dE 2000 max. * | 8.36 | 3.04 64% | 5.21 38% | 4.24 49% | 4.5 46% |
| Colorchecker dE 2000 calibrated * | 0.67 | 2.52 -276% | 1.4 -109% | ||
| Delta E Graustufen * | 4.1 | 1.9 54% | 1.1 73% | 3.43 16% | 2.7 34% |
| Gamma | 2.089 105% | 2.216 99% | 2.2 100% | 2.44 90% | 2.44 90% |
| CCT | 7036 92% | 7018 93% | 6408 101% | 6266 104% | 6326 103% |
| Farbraum (Prozent von AdobeRGB 1998) (%) | 70 | ||||
| Color Space (Percent of sRGB) (%) | 92 | ||||
| Durchschnitt gesamt (Programm / Settings) | 9% /
13% | 1% /
-9% | 12% /
7% | 6% /
6% |
* ... kleinere Werte sind besser
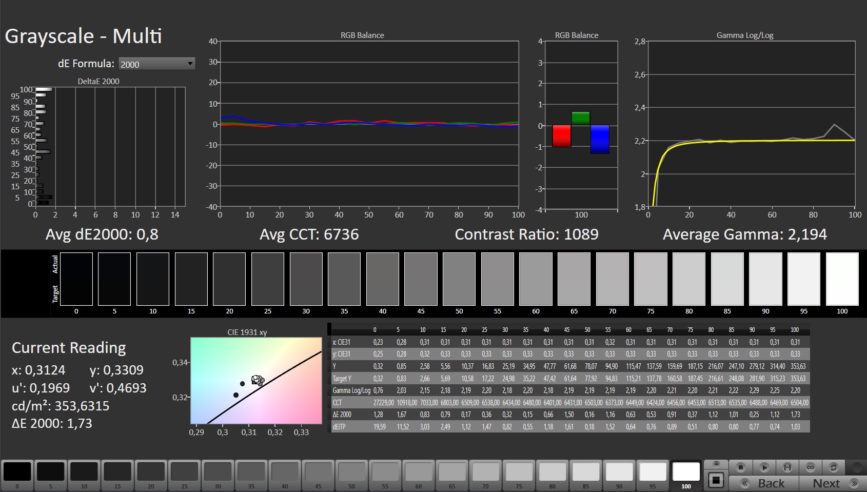
Die werksseitige Farbgenauigkeit des Displays ist verbesserungsfähig, insbesondere bei den Graustufen. Nach einer Kalibrierung mittels Fotospektrometer können wir aber sehr gute durchschnittliche Graustufen- und Farb-DeltaE-Werte von nur 0,8 bzw. 0,67 erreichen. Das ICC-Profil unserer Kalibrierung steht hier zum Download bereit.
Reaktionszeiten (Response Times) des Displays
| ↔ Reaktionszeiten Schwarz zu Weiß | ||
|---|---|---|
| 12.8 ms ... steigend ↗ und fallend ↘ kombiniert | ↗ 6.8 ms steigend | |
| ↘ 6 ms fallend | ||
| Die gemessenen Reaktionszeiten sind gut, für anspruchsvolle Spieler könnten der Bildschirm jedoch zu langsam sein. Im Vergleich rangierten die bei uns getesteten Geräte von 0.1 (Minimum) zu 240 (Maximum) ms. » 32 % aller Screens waren schneller als der getestete. Daher sind die gemessenen Reaktionszeiten besser als der Durchschnitt aller vermessenen Geräte (20.2 ms). | ||
| ↔ Reaktionszeiten 50% Grau zu 80% Grau | ||
| 18.8 ms ... steigend ↗ und fallend ↘ kombiniert | ↗ 9.2 ms steigend | |
| ↘ 9.6 ms fallend | ||
| Die gemessenen Reaktionszeiten sind gut, für anspruchsvolle Spieler könnten der Bildschirm jedoch zu langsam sein. Im Vergleich rangierten die bei uns getesteten Geräte von 0.165 (Minimum) zu 636 (Maximum) ms. » 31 % aller Screens waren schneller als der getestete. Daher sind die gemessenen Reaktionszeiten besser als der Durchschnitt aller vermessenen Geräte (31.6 ms). | ||
Bildschirm-Flackern / PWM (Pulse-Width Modulation)
| Flackern / PWM nicht festgestellt | |||
Im Vergleich: 53 % aller getesteten Geräte nutzten kein PWM um die Helligkeit zu reduzieren. Wenn PWM eingesetzt wurde, dann bei einer Frequenz von durchschnittlich 8101 (Minimum 5, Maximum 343500) Hz. | |||
Auch mit einem nicht spiegelnden Display und einer Helligkeit von 347 cd/m² können wir eine Empfehlung für die Nutzung bei direktem Sonnenlicht nicht aussprechen, zumindest wenn wir hier ohne MSI-True-Colour arbeiten. Denn mit diesem lässt sich über diverse Nutzerprofile das Display etwas leserlicher gestalten, was die Ablesbarkeit etwas verbessert. Bezogen auf die Nutzung im Freien sollte man sich für optimale Bedingungen einen schattigen Platz suchen.
Das verbaute IPS-Panel unseres Testgerätes bleibt selbst bei schräger Sicht blickwinkelstabil. Die Helligkeit bleibt unverändert und auch die Farben verfälschen nicht.
Leistung - Clevere Flüssigmetall-Kühllösung für das MSI GE66 12UHS
Das MSI GE66 12UHS gibt es in diversen Konfigurationen. So kann man das System statt mit dem Intel Core i9 12900HK auch mit einem Intel Core i7 12700H erwerben. Bezüglich der GPU-Konfiguration gibt es das System entweder mit der RTX 3080 mit 8 GB-VRAM sowie 150 Watt TDP (Total-Dynamic-Power) oder mit der RTX 3080 Ti, die mit 16 GB-VRAM ausgestattet ist und ebenfalls über eine TDP von 150 Watt verfügt. Bei beiden Konfigurationen kommen entweder 16 GB DDR5-RAM mit 4.800 MHz oder 32 GB DDR5-RAM derselben Taktfrequenz, die jeweils im Dual-Channel-Mode laufen, zum Einsatz. SSDs sind entweder in der Größe 1 TB oder 2 TB verbaut.
Unsere Testkonfiguration verkörpert die Top-End-Version mit dem Intel Core i9 12900HK, der RTX 3080 Ti und 32 GB DDR5-RAM. Abgerundet wird die Vollausstattung von einer 2-TB-SSD.
Testbedingungen
Für optimale Benchmarkergebnisse versetzten wir unseren Laptop per MSI-Center in den Modus "Extreme Leistung" (sonst "Smart Auto"). Über die Software (keine Kontoerstellung notwendig) lassen sich viele wichtige Systemeinstellungen vornehmen. Dazu zählen unter anderem auch die Lüftermodi sowie allgemeine Einstellungen und weitere Features wie etwa "Live Update", um die neusten Systemtreiber zu finden. Leider lassen sich nicht alle Treiber auch automatisch einspielen und man muss manche manuell installieren. Gefallen hat uns außerdem die Möglichkeit die GPU entweder im „Discrete-Graphics-Modus“ (RTX 3080 Ti only) laufen zu lassen oder aber im „MSHybrid-Grafikmodus" (Advanced-Optimus), um nicht nur Akkulaufzeit zu sparen sondern auch den Thunderbolt 4 Video-Output nutzen zu können, denn dieser wird im „Discrete-Graphics-Modus“ deaktiviert. Hierfür ist jeweils ein Neustart des Systems notwendig.
Aufgefallen ist außerdem die teils lange Wartezeit bis zum Start der Software, zudem ist das MSI-Center des Öfteren ohne erkennbaren Grund abgestürzt und darüber hinaus hängt das Hardware-Monitoring bei unserem Testgerät.
Prozessor

MSI verbaut einen Intel Core i9 12900HK in unserem Testsystem, welcher neben dem bald erscheinenden Intel Core i9 12950HX zu den stärksten Mobile-CPUs aus dem Hause Intel gehört. Beim Intel Core i9 12900HK treffen 14 Kerne (20 Threads) aufeinander, wobei 6 Performance- und 8 Effizienzkerne integriert sind, die einen Turbo-Boost von bis zu 5 GHz und 24 MB-L3-Cache bieten.
Im Cinebench-R23-Benchmark unter automatischer Lüftersteuerung sowie dem Profil "Extreme Leistung" genehmigt sich die CPU kurzzeitig 86 Watt, bevor der Prozessor thermisch gedrosselt wird. Die maximale Punktzahl in diesem Szenario beträgt im Multi-Core-Benchmark 16.236 Punkte. Im Akku-Modus unter denselben Voraussetzungen sinkt dieser Wert auf 12.729 Punkte. Überlässt man die Leistungs- sowie Lüftersteuerung der KI (Künstliche-Intelligenz) im "Smart-Auto-Modus", erhöht sich der Wert nur marginal auf 16.533 Punkte und die CPU zieht kurzzeitig 90 Watt statt 86 Watt. Wechselt man den Lüftermodus auf "Cooler-Boost" im Profil "Extreme Leistung" kommt man auf knapp 17.000 Punkte und 92 Watt Spitzenlast, muss dafür aber eine nochmals erheblich höhere Lautstärke in Kauf nehmen.
MSI stattet den verbauten Prozessor mit einem "Phase Change Liquid Metal Pad" (zu Deutsch: "Phasen-Wechsel-Flüssigmetall-Pad") aus, dessen Funktion darin besteht in fester Form als Wärmeleitpad zu fungieren bis es bei 58 Grad Celsius schmilzt und zu Flüssigmetall wird, wodurch die Wärmeleitfähigkeit bei hohen Temperaturen deutlich verbessert werden soll.
Die Erkenntnis im Test: Selbst mit Flüssigmetall performt der 15-Zoller nicht auf dem möglichen Niveau des Intel Core i9 12900HK und wird sogar vom Intel Core i7 12700H ausgewählter Vergleichsgeräte geschlagen. Der große Bruder des MSI GE66 12UHS, das GE76 12UHS, schafft mit gleicher CPU auch "nur" 2.722 Punkte in unserem Cinebench-R15-Multi-Dauertest. Sowohl das Lenovo Legion 5 Pro 16 G7 als auch das Schenker Neo 15, beide mit 12700H-Prozessor, überholen sowohl das GE66 als auch das größere MSI GE76 12UHS. Verglichen zum Vorgänger mit dem Intel Core i9 10980HK schafft unser Testgerät ein beachtliches Leistungsplus von über 50 Prozent.
Cinebench R15 Multi Dauertest
* ... kleinere Werte sind besser
AIDA64: FP32 Ray-Trace | FPU Julia | CPU SHA3 | CPU Queen | FPU SinJulia | FPU Mandel | CPU AES | CPU ZLib | FP64 Ray-Trace | CPU PhotoWorxx
| Performance Rating | |
| Durchschnitt der Klasse Gaming | |
| Lenovo Legion 5 Pro 16 G7 i7 RTX 3070Ti | |
| MSI Raider GE66 12UHS | |
| Schenker XMG Neo 15 E22 (Early 2022, RTX 3080 Ti) | |
| Durchschnittliche Intel Core i9-12900HK | |
| MSI GE66 Raider 10SFS | |
| Razer Blade 15 2022 | |
| AIDA64 / FP32 Ray-Trace | |
| Durchschnitt der Klasse Gaming (7192 - 85542, n=141, der letzten 2 Jahre) | |
| MSI GE66 Raider 10SFS | |
| Durchschnittliche Intel Core i9-12900HK (2677 - 13948, n=15) | |
| Lenovo Legion 5 Pro 16 G7 i7 RTX 3070Ti | |
| Schenker XMG Neo 15 E22 (Early 2022, RTX 3080 Ti) | |
| MSI Raider GE66 12UHS | |
| Razer Blade 15 2022 | |
| AIDA64 / FPU Julia | |
| Durchschnitt der Klasse Gaming (35040 - 238426, n=141, der letzten 2 Jahre) | |
| MSI GE66 Raider 10SFS | |
| Durchschnittliche Intel Core i9-12900HK (12762 - 70764, n=15) | |
| Schenker XMG Neo 15 E22 (Early 2022, RTX 3080 Ti) | |
| Lenovo Legion 5 Pro 16 G7 i7 RTX 3070Ti | |
| MSI Raider GE66 12UHS | |
| Razer Blade 15 2022 | |
| AIDA64 / CPU SHA3 | |
| Durchschnitt der Klasse Gaming (1728 - 9817, n=141, der letzten 2 Jahre) | |
| Lenovo Legion 5 Pro 16 G7 i7 RTX 3070Ti | |
| Schenker XMG Neo 15 E22 (Early 2022, RTX 3080 Ti) | |
| MSI Raider GE66 12UHS | |
| Durchschnittliche Intel Core i9-12900HK (841 - 3504, n=15) | |
| MSI GE66 Raider 10SFS | |
| Razer Blade 15 2022 | |
| AIDA64 / CPU Queen | |
| Durchschnitt der Klasse Gaming (50699 - 173351, n=141, der letzten 2 Jahre) | |
| MSI Raider GE66 12UHS | |
| Lenovo Legion 5 Pro 16 G7 i7 RTX 3070Ti | |
| Schenker XMG Neo 15 E22 (Early 2022, RTX 3080 Ti) | |
| Durchschnittliche Intel Core i9-12900HK (60202 - 107161, n=15) | |
| MSI GE66 Raider 10SFS | |
| Razer Blade 15 2022 | |
| AIDA64 / FPU SinJulia | |
| Durchschnitt der Klasse Gaming (5020 - 33636, n=141, der letzten 2 Jahre) | |
| MSI GE66 Raider 10SFS | |
| Schenker XMG Neo 15 E22 (Early 2022, RTX 3080 Ti) | |
| Lenovo Legion 5 Pro 16 G7 i7 RTX 3070Ti | |
| MSI Raider GE66 12UHS | |
| Razer Blade 15 2022 | |
| Durchschnittliche Intel Core i9-12900HK (3225 - 10402, n=15) | |
| AIDA64 / FPU Mandel | |
| Durchschnitt der Klasse Gaming (17585 - 128721, n=141, der letzten 2 Jahre) | |
| MSI GE66 Raider 10SFS | |
| Lenovo Legion 5 Pro 16 G7 i7 RTX 3070Ti | |
| Schenker XMG Neo 15 E22 (Early 2022, RTX 3080 Ti) | |
| Durchschnittliche Intel Core i9-12900HK (7417 - 34233, n=15) | |
| MSI Raider GE66 12UHS | |
| Razer Blade 15 2022 | |
| AIDA64 / CPU AES | |
| Durchschnitt der Klasse Gaming (19065 - 247074, n=141, der letzten 2 Jahre) | |
| Lenovo Legion 5 Pro 16 G7 i7 RTX 3070Ti | |
| MSI Raider GE66 12UHS | |
| Durchschnittliche Intel Core i9-12900HK (32382 - 112498, n=15) | |
| Schenker XMG Neo 15 E22 (Early 2022, RTX 3080 Ti) | |
| Razer Blade 15 2022 | |
| MSI GE66 Raider 10SFS | |
| AIDA64 / CPU ZLib | |
| Durchschnitt der Klasse Gaming (373 - 2531, n=141, der letzten 2 Jahre) | |
| Lenovo Legion 5 Pro 16 G7 i7 RTX 3070Ti | |
| Schenker XMG Neo 15 E22 (Early 2022, RTX 3080 Ti) | |
| MSI Raider GE66 12UHS | |
| Durchschnittliche Intel Core i9-12900HK (314 - 1209, n=15) | |
| Razer Blade 15 2022 | |
| MSI GE66 Raider 10SFS | |
| AIDA64 / FP64 Ray-Trace | |
| Durchschnitt der Klasse Gaming (3856 - 45446, n=141, der letzten 2 Jahre) | |
| MSI GE66 Raider 10SFS | |
| Lenovo Legion 5 Pro 16 G7 i7 RTX 3070Ti | |
| Schenker XMG Neo 15 E22 (Early 2022, RTX 3080 Ti) | |
| Durchschnittliche Intel Core i9-12900HK (1501 - 7616, n=15) | |
| MSI Raider GE66 12UHS | |
| Razer Blade 15 2022 | |
| AIDA64 / CPU PhotoWorxx | |
| Durchschnitt der Klasse Gaming (10805 - 62916, n=141, der letzten 2 Jahre) | |
| Razer Blade 15 2022 | |
| MSI Raider GE66 12UHS | |
| Schenker XMG Neo 15 E22 (Early 2022, RTX 3080 Ti) | |
| Durchschnittliche Intel Core i9-12900HK (24446 - 42462, n=15) | |
| Lenovo Legion 5 Pro 16 G7 i7 RTX 3070Ti | |
| MSI GE66 Raider 10SFS | |
System Performance
CrossMark: Overall | Productivity | Creativity | Responsiveness
| PCMark 10 / Score | |
| MSI Raider GE66 12UHS | |
| Durchschnitt der Klasse Gaming (5776 - 9647, n=120, der letzten 2 Jahre) | |
| Durchschnittliche Intel Core i9-12900HK, NVIDIA GeForce RTX 3080 Ti Laptop GPU (7149 - 8186, n=5) | |
| Razer Blade 15 2022 | |
| Lenovo Legion 5 Pro 16 G7 i7 RTX 3070Ti | |
| Schenker XMG Neo 15 E22 (Early 2022, RTX 3080 Ti) | |
| MSI GE66 Raider 10SFS | |
| PCMark 10 / Essentials | |
| MSI Raider GE66 12UHS | |
| Durchschnittliche Intel Core i9-12900HK, NVIDIA GeForce RTX 3080 Ti Laptop GPU (9870 - 11205, n=5) | |
| Durchschnitt der Klasse Gaming (8840 - 12600, n=124, der letzten 2 Jahre) | |
| Razer Blade 15 2022 | |
| Schenker XMG Neo 15 E22 (Early 2022, RTX 3080 Ti) | |
| Lenovo Legion 5 Pro 16 G7 i7 RTX 3070Ti | |
| MSI GE66 Raider 10SFS | |
| PCMark 10 / Productivity | |
| MSI Raider GE66 12UHS | |
| Durchschnittliche Intel Core i9-12900HK, NVIDIA GeForce RTX 3080 Ti Laptop GPU (9173 - 10422, n=5) | |
| Lenovo Legion 5 Pro 16 G7 i7 RTX 3070Ti | |
| Durchschnitt der Klasse Gaming (6662 - 14612, n=120, der letzten 2 Jahre) | |
| Razer Blade 15 2022 | |
| Schenker XMG Neo 15 E22 (Early 2022, RTX 3080 Ti) | |
| MSI GE66 Raider 10SFS | |
| PCMark 10 / Digital Content Creation | |
| Durchschnitt der Klasse Gaming (7440 - 19351, n=120, der letzten 2 Jahre) | |
| MSI Raider GE66 12UHS | |
| Durchschnittliche Intel Core i9-12900HK, NVIDIA GeForce RTX 3080 Ti Laptop GPU (10951 - 13098, n=5) | |
| Razer Blade 15 2022 | |
| Lenovo Legion 5 Pro 16 G7 i7 RTX 3070Ti | |
| Schenker XMG Neo 15 E22 (Early 2022, RTX 3080 Ti) | |
| MSI GE66 Raider 10SFS | |
| CrossMark / Overall | |
| Durchschnitt der Klasse Gaming (1247 - 2344, n=115, der letzten 2 Jahre) | |
| Lenovo Legion 5 Pro 16 G7 i7 RTX 3070Ti | |
| Durchschnittliche Intel Core i9-12900HK, NVIDIA GeForce RTX 3080 Ti Laptop GPU (970 - 2138, n=5) | |
| CrossMark / Productivity | |
| Lenovo Legion 5 Pro 16 G7 i7 RTX 3070Ti | |
| Durchschnitt der Klasse Gaming (1299 - 2211, n=115, der letzten 2 Jahre) | |
| Durchschnittliche Intel Core i9-12900HK, NVIDIA GeForce RTX 3080 Ti Laptop GPU (921 - 2038, n=5) | |
| CrossMark / Creativity | |
| Durchschnitt der Klasse Gaming (1275 - 2729, n=115, der letzten 2 Jahre) | |
| Lenovo Legion 5 Pro 16 G7 i7 RTX 3070Ti | |
| Durchschnittliche Intel Core i9-12900HK, NVIDIA GeForce RTX 3080 Ti Laptop GPU (1007 - 2210, n=5) | |
| CrossMark / Responsiveness | |
| Lenovo Legion 5 Pro 16 G7 i7 RTX 3070Ti | |
| Durchschnitt der Klasse Gaming (1030 - 2330, n=115, der letzten 2 Jahre) | |
| Durchschnittliche Intel Core i9-12900HK, NVIDIA GeForce RTX 3080 Ti Laptop GPU (1012 - 2234, n=5) | |
| PCMark 10 Score | 8178 Punkte | |
Hilfe | ||
| AIDA64 / Memory Copy | |
| Durchschnitt der Klasse Gaming (21750 - 104987, n=141, der letzten 2 Jahre) | |
| Schenker XMG Neo 15 E22 (Early 2022, RTX 3080 Ti) | |
| MSI Raider GE66 12UHS | |
| Razer Blade 15 2022 | |
| Durchschnittliche Intel Core i9-12900HK (42967 - 62959, n=15) | |
| Lenovo Legion 5 Pro 16 G7 i7 RTX 3070Ti | |
| MSI GE66 Raider 10SFS | |
| AIDA64 / Memory Read | |
| Durchschnitt der Klasse Gaming (22956 - 104349, n=141, der letzten 2 Jahre) | |
| MSI Raider GE66 12UHS | |
| Schenker XMG Neo 15 E22 (Early 2022, RTX 3080 Ti) | |
| Razer Blade 15 2022 | |
| Durchschnittliche Intel Core i9-12900HK (44419 - 66989, n=15) | |
| Lenovo Legion 5 Pro 16 G7 i7 RTX 3070Ti | |
| MSI GE66 Raider 10SFS | |
| AIDA64 / Memory Write | |
| Durchschnitt der Klasse Gaming (22297 - 133486, n=141, der letzten 2 Jahre) | |
| Razer Blade 15 2022 | |
| Schenker XMG Neo 15 E22 (Early 2022, RTX 3080 Ti) | |
| MSI Raider GE66 12UHS | |
| Lenovo Legion 5 Pro 16 G7 i7 RTX 3070Ti | |
| Durchschnittliche Intel Core i9-12900HK (42144 - 65268, n=15) | |
| MSI GE66 Raider 10SFS | |
| AIDA64 / Memory Latency | |
| Durchschnitt der Klasse Gaming (59.5 - 259, n=141, der letzten 2 Jahre) | |
| Lenovo Legion 5 Pro 16 G7 i7 RTX 3070Ti | |
| MSI Raider GE66 12UHS | |
| Durchschnittliche Intel Core i9-12900HK (79.9 - 109, n=15) | |
| MSI GE66 Raider 10SFS | |
| Schenker XMG Neo 15 E22 (Early 2022, RTX 3080 Ti) | |
| Razer Blade 15 2022 | |
* ... kleinere Werte sind besser
DPC-Latenzen
Der Test für DPC-Latenzen zeigt: Unser Testgerät ist mit den zum Zeitpunkt des Tests aktuellen Treibern und Systemsoftware nicht geeignet für Echtzeitvideobearbeitung. Es gab sowohl bei dem Youtube-4K-Video als auch bei der Verarbeitung von Echtzeit-Audio Latenzprobleme.
| DPC Latencies / LatencyMon - interrupt to process latency (max), Web, Youtube, Prime95 | |
| MSI Raider GE66 12UHS | |
| Razer Blade 15 2022 | |
| MSI GE66 Raider 10SFS | |
| Schenker XMG Neo 15 E22 (Early 2022, RTX 3080 Ti) | |
| Lenovo Legion 5 Pro 16 G7 i7 RTX 3070Ti | |
* ... kleinere Werte sind besser
Massenspeicher
Die in unserem System verbaute 2 TB fassende SSD mit der Bezeichnung PM9A1 (OEM-Pendant zur Samsung Evo 980 Pro) liefert eine sehr gute Performance ab und wird nur von der 1 TB-Version der gleichen SSD, die etwa auch im Lenovo Legion 5 Pro 16 G7 verbaut ist, geschlagen. Allerdings zeigte unser Diskspeed-Benchmark einen massiven Leistungseinbruch, der über den gesamten Testzeitraum bestehen bleibt. Das Problem wurde von uns auch beim Asus ROG Strix Scar 15 G533ZW, ausgestattet mit gleicher SSD, identifiziert. MSI wurde über den Sachverhalt informiert.
Die schlechten Werte basieren auf zwei Ursachen: Der Hauptgrund war ein Problem mit der Firmware, das nicht automatisch über Windows oder über die MSI-Support-Seite gelöst werden kann. Für diese veraltete Firmware (Version: GXB7401Q) gibt es mittlerweile einen Fix mit dem man über die Kommandozeile auf die aktuelle Version GXB7601Q updaten kann. Man kann den Treiber leider nicht über den Geräte-Manager installieren. Verschiedene Recherchen haben ergeben: Dies ist ein allgemein bekanntes Problem der Samsung PM9A1 in den Größen 256 GB, 512 GB, 1 TB und 2 TB.
Die zweite Ursache für einen Leistungseinbruch bei einer längeren Dauerbelastung der SSD ist deren passive Kühlung. Diese kann selbst im "Cooler-Boost-Modus" nicht ausreichend gekühlt werden, sodass der Samsung Elpis S4LV003-Controller, der das Herzstück der SSD bildet, ab 74 Grad Celsius anfängt zu drosseln. Erfahrene Nutzer, die sich das Öffnen Ihres Gerätes zutrauen, könnten ein gutes Wärmeleitpad für Solid-State-Drives unter der passiven Kühlplatte platzieren, um Abhilfe zu schaffen.
Wie man das Update aufspielt, ohne Daten zu verlieren, zeigen wir in der folgenden Bilderserie. Die Firmware kann hier geladen werden (Quelle: Reddit). Achtung: Das Flashen der Firmware erfolgt selbstverständlich auf eigene Gefahr.
* ... kleinere Werte sind besser
Dauerleistung Lesen vor dem Update: DiskSpd Read Loop, Queue Depth 8
Dauerleistung Lesen nach dem Update: DiskSpd Read Loop, Queue Depth 8
Grafikkarte
MSI verbaut in unserer Konfiguration die aktuell stärkste mobile Grafiklösung: Die Nvidia Geforce RTX 3080 Ti, die samt 16 GB-GDDR6-Speicher und einer maximalen Grafikpower von 150 Watt daherkommt.
Auf die von MSI betitelten 150 Watt kommen wir auch in unseren Benchmarks, was sich in ausgezeichneten Ergebnissen zur Schau stellt. Unser MSI GE66 12UHS überholt in den synthetischen Benchmarks die gesamte Konkurrenz. Eine Ausnahme bildet das Schenker XMG Neo 15 Early 2022 (i7-12700H und RTX 3080 Ti) mit 175 Watt TDP, welches im 3DMark Fire-Strike-Benchmark unsere Testkonfiguration um 6 Prozent überholt. Jedoch wird das Neo 15 im Gegenzug in sämtlichen anderen von uns getesteten synthetischen Benchmarks vom MSI GE66 geschlagen.
Versetzen wir unser GE66 12UHS im MSI-Center per GPU-Switch aus dem MSHybrid- in den Discrete-Graphics-Modus, in dem nur die RTX 3080 Ti läuft, erhalten wir ein Leistungsplus von über 500 Punkten im 3DMark-Time-Spy-Benchmark. Nehmen wir unser Testgerät hingegen vom Netz, verlieren wir rund 80 Prozent der Leistung. Gaming im Akkubetrieb sollte damit nicht am Wunschzettel stehen.
| 3DMark 11 Performance | 35599 Punkte | |
| 3DMark Cloud Gate Standard Score | 65582 Punkte | |
| 3DMark Fire Strike Score | 26049 Punkte | |
| 3DMark Fire Strike Extreme Score | 14961 Punkte | |
| 3DMark Time Spy Score | 12848 Punkte | |
Hilfe | ||
Gaming Performance
Die Gaming-Performance des MSI GE66 12 UHS ist im Praxistest exzellent. MSI holt alles aus der verbauten RTX 3080 Ti mit maximal 150 Watt heraus und überholt so selbst Geräte wie das Schenker XMG Neo 15, dessen RTX 3080 Ti sich bis zu 25 Watt mehr genehmigen darf.
| The Witcher 3 | |
| 3840x2160 High Graphics & Postprocessing (Nvidia HairWorks Off) | |
| Durchschnitt der Klasse Gaming (50.6 - 169.8, n=15, der letzten 2 Jahre) | |
| Durchschnittliche NVIDIA GeForce RTX 3080 Ti Laptop GPU (62.1 - 94.3, n=8) | |
| MSI Raider GE66 12UHS | |
| MSI GE66 Raider 10SFS | |
| 1920x1080 Ultra Graphics & Postprocessing (HBAO+) | |
| Durchschnitt der Klasse Gaming (18.4 - 240, n=55, der letzten 2 Jahre) | |
| Schenker XMG Neo 15 E22 (Early 2022, RTX 3080 Ti) | |
| Durchschnittliche NVIDIA GeForce RTX 3080 Ti Laptop GPU (30 - 130.6, n=43) | |
| MSI Raider GE66 12UHS | |
| Razer Blade 15 2022 | |
| Lenovo Legion 5 Pro 16 G7 i7 RTX 3070Ti | |
| MSI GE66 Raider 10SFS | |
| F1 2021 | |
| 2560x1440 Ultra High Preset + Raytracing AA:T AF:16x | |
| Lenovo Legion 5 Pro 16 G7 i7 RTX 3070Ti | |
| Durchschnitt der Klasse Gaming (95.2 - 104.6, n=3, der letzten 2 Jahre) | |
| Durchschnittliche NVIDIA GeForce RTX 3080 Ti Laptop GPU (30 - 120.1, n=19) | |
| 1920x1080 Ultra High Preset + Raytracing AA:T AF:16x | |
| MSI Raider GE66 12UHS | |
| Durchschnitt der Klasse Gaming (123.1 - 146.7, n=3, der letzten 2 Jahre) | |
| Lenovo Legion 5 Pro 16 G7 i7 RTX 3070Ti | |
| Durchschnittliche NVIDIA GeForce RTX 3080 Ti Laptop GPU (30.2 - 160.6, n=30) | |
| F1 2020 - 1920x1080 Ultra High Preset AA:T AF:16x | |
| Durchschnittliche NVIDIA GeForce RTX 3080 Ti Laptop GPU (190.4 - 197.9, n=2) | |
| MSI Raider GE66 12UHS | |
| Horizon Zero Dawn | |
| 3840x2160 Ultimate Quality | |
| Durchschnittliche NVIDIA GeForce RTX 3080 Ti Laptop GPU (56 - 61, n=2) | |
| MSI Raider GE66 12UHS | |
| 2560x1440 Ultimate Quality | |
| Durchschnittliche NVIDIA GeForce RTX 3080 Ti Laptop GPU (98 - 109, n=3) | |
| MSI Raider GE66 12UHS | |
| Durchschnitt der Klasse Gaming (n=1der letzten 2 Jahre) | |
| 1920x1080 Ultimate Quality | |
| Durchschnittliche NVIDIA GeForce RTX 3080 Ti Laptop GPU (118 - 128, n=3) | |
| MSI Raider GE66 12UHS | |
| Durchschnitt der Klasse Gaming (n=1der letzten 2 Jahre) | |
| 1920x1080 Favor Quality | |
| MSI Raider GE66 12UHS | |
| Durchschnittliche NVIDIA GeForce RTX 3080 Ti Laptop GPU (130 - 141, n=3) | |
| Durchschnitt der Klasse Gaming (n=1der letzten 2 Jahre) | |
| Far Cry 6 | |
| 1920x1080 Ultra Graphics Quality + HD Textures + DXR AA:T | |
| Durchschnitt der Klasse Gaming (n=1der letzten 2 Jahre) | |
| MSI Raider GE66 12UHS | |
| Durchschnittliche NVIDIA GeForce RTX 3080 Ti Laptop GPU (91 - 92, n=3) | |
| 3840x2160 Ultra Graphics Quality + HD Textures AA:T | |
| MSI Raider GE66 12UHS | |
| Durchschnittliche NVIDIA GeForce RTX 3080 Ti Laptop GPU (46.2 - 57, n=4) | |
| Durchschnitt der Klasse Gaming (n=1der letzten 2 Jahre) | |
| 2560x1440 Ultra Graphics Quality + HD Textures AA:T | |
| Durchschnitt der Klasse Gaming (74.5 - 141, n=3, der letzten 2 Jahre) | |
| MSI Raider GE66 12UHS | |
| Durchschnittliche NVIDIA GeForce RTX 3080 Ti Laptop GPU (75.2 - 93, n=5) | |
| 1920x1080 Ultra Graphics Quality + HD Textures AA:T | |
| Durchschnitt der Klasse Gaming (96.3 - 156, n=4, der letzten 2 Jahre) | |
| MSI Raider GE66 12UHS | |
| Durchschnittliche NVIDIA GeForce RTX 3080 Ti Laptop GPU (71.3 - 114, n=6) | |
| Assassin´s Creed Valhalla | |
| 3840x2160 Ultra High Preset | |
| Durchschnittliche NVIDIA GeForce RTX 3080 Ti Laptop GPU (45 - 50, n=2) | |
| MSI Raider GE66 12UHS | |
| 2560x1440 Ultra High Preset | |
| Durchschnittliche NVIDIA GeForce RTX 3080 Ti Laptop GPU (68 - 74, n=3) | |
| MSI Raider GE66 12UHS | |
| 1920x1080 Ultra High Preset | |
| Durchschnittliche NVIDIA GeForce RTX 3080 Ti Laptop GPU (85 - 93, n=3) | |
| MSI Raider GE66 12UHS | |
| 1920x1080 High Preset | |
| Durchschnittliche NVIDIA GeForce RTX 3080 Ti Laptop GPU (99 - 103, n=3) | |
| MSI Raider GE66 12UHS | |
Bei weiteren Benchmarks zwecks Leistungskontrolle unter Dauerbelastung verzeichneten wir einen Einbruch der Gaming-Performance um bis zu 12 Prozent. Im Leistungsprofil "Extreme Leistung" mit automatischer Lüftersteuerung werden die Lüfter auf maximal 5.100 RPM (Rounds-per-Minute) limitiert, was bei längerer Spielzeit offensichtlich nicht ausreichte, um CPU und GPU ausreichend zu kühlen, sodass diese anfingen den Takt zu senken. Das Ganze haben wir im selben Profil und aktiven "Cooler-Boost-Modus" (Lüfter laufen auf 6.000 RPM) wiederholt. Das Ergebnis: Die Abwärme der Komponenten wird unter diesen Voraussetzungen nun ausreichend abgeführt, über den Testzeitraum hinweg konnten keine verminderten FPS-Raten mehr festgestellt werden.
Witcher 3 FPS-Diagramm
| min. | mittel | hoch | max. | QHD | 4K | |
|---|---|---|---|---|---|---|
| GTA V (2015) | 187 | 181 | 172.6 | 109.4 | ||
| The Witcher 3 (2015) | 411 | 344 | 223 | 110 | 77.49 | |
| Dota 2 Reborn (2015) | 187.4 | 170.8 | 166.9 | 156.8 | 142.3 | |
| Final Fantasy XV Benchmark (2018) | 212 | 160.3 | 119.6 | 89.5 | 52.1 | |
| X-Plane 11.11 (2018) | 170 | 149.6 | 117.5 | 102.1 | ||
| Far Cry 5 (2018) | 164 | 153 | 144 | 124 | 70 | |
| Strange Brigade (2018) | 490 | 284 | 224 | 199.8 | 146.9 | 86.9 |
| F1 2020 (2020) | 345 | 303 | 270 | 190.4 | ||
| Horizon Zero Dawn (2020) | 168 | 156 | 141 | 122 | 98 | 56 |
| Assassin´s Creed Valhalla (2020) | 115 | 100 | 87 | 70 | 45 | |
| F1 2021 (2021) | 394 | 351 | 292 | 142.7 | ||
| Far Cry 6 (2021) | 143 | 126 | 114 | 92 | 54 | |
| Cyberpunk 2077 1.6 (2022) | 158.75 | 159.68 | 145.61 | 144.08 | 56.83 | 27.62 |
Emissionen - GE66 mit guter Balance zwischen Leistung und Lautstärke
Geräuschemissionen
Für die verbaute Hardware zeigt das MSI GE 66 12UHS ein ausgeglichenes Gesamtbild bezüglich der Lüfterlautstärke. Im alltäglichen Betrieb touren die Lüfter je nach Anwendung und Lüfterprofil ab und zu auf. Unter Last reagiert die Lüftersteuerung schnell genug, um durch zu schnell ansteigende Temperaturen Leistungseinbrüche zu vermeiden. Selbst im Lüftermodus "Extreme Leistung" sind beide Lüfter auf maximal 5.100 RPM limitiert, obwohl maximal 6.000 RPM möglich wären, die allerdings dem Cooler-Boost-Modus vorbehalten sind. Abgesehen davon kann der Nutzer auch ein eigenes Lüfterprofil für CPU und GPU erstellen und Lautstärke somit an seine Bedürfnisse anpassen. Obendrein ist es möglich, die Lüftersteuerung per KI automatisch verwalten zu lassen. Im Alltag funktionierte dies recht rund, schwächelte aber manchmal durch dann zu langsame Reaktion der Lüfter bei steigenden Temperaturen und hoher Last. Insgesamt wirken selbst die 45 dB bei 5.100 RPM im Gaming-Betrieb erträglich. Dies liegt unter anderem an den Lüftern die verbaut wurden, denn diese neigen nicht zu einer hochfrequenten Geräuschcharakteristik.
Lautstärkediagramm
| Idle |
| 27 / 30 / 39 dB(A) |
| Last |
| 45 / 47 dB(A) |
![]() | ||
30 dB leise 40 dB(A) deutlich hörbar 50 dB(A) störend |
||
min: | ||
| MSI Raider GE66 12UHS Intel Core i9-12900HK, NVIDIA GeForce RTX 3080 Ti Laptop GPU | MSI GE66 Raider 10SFS Intel Core i9-10980HK, NVIDIA GeForce RTX 2070 Super Mobile | Razer Blade 15 2022 Intel Core i7-12800H, NVIDIA GeForce RTX 3080 Ti Laptop GPU | Schenker XMG Neo 15 E22 (Early 2022, RTX 3080 Ti) Intel Core i7-12700H, NVIDIA GeForce RTX 3080 Ti Laptop GPU | Lenovo Legion 5 Pro 16 G7 i7 RTX 3070Ti Intel Core i7-12700H, NVIDIA GeForce RTX 3070 Ti Laptop GPU | |
|---|---|---|---|---|---|
| Geräuschentwicklung | -16% | 5% | 7% | -1% | |
| aus / Umgebung * (dB) | 26 | 30 -15% | 25.4 2% | 24 8% | 24.6 5% |
| Idle min * (dB) | 27 | 30 -11% | 26.2 3% | 24 11% | 28.4 -5% |
| Idle avg * (dB) | 30 | 35 -17% | 26.2 13% | 24 20% | 28.4 5% |
| Idle max * (dB) | 39 | 44 -13% | 28.4 27% | 27.76 29% | 28.4 27% |
| Last avg * (dB) | 45 | 53 -18% | 44.7 1% | 38.81 14% | 49.4 -10% |
| Witcher 3 ultra * (dB) | 45 | 53 -18% | 44.7 1% | 54.2 -20% | 49.4 -10% |
| Last max * (dB) | 47 | 55 -17% | 51.9 -10% | 54.18 -15% | 54.7 -16% |
* ... kleinere Werte sind besser
Temperatur
Bei alltäglicher Arbeit, wie beispielsweise dem Surfen im Internet, Arbeiten mit Office oder Medienkonsum bleiben das Track-Pad sowie die Handballenauflage immer angenehm kühl. Die Tastatur hingegen erwärmt sich leicht, dies beeinträchtigt aber nicht das Tipperlebnis. Auch der Betrieb auf dem Schoß ist bei sommerlichen Temperaturen in diesem Szenario grundsätzlich denkbar wenngleich aufgrund der Größe und des Gewichts des Laptops eher unwahrscheinlich. Die Lüftersteuerung sorgt unter anderem dafür, dass sich die Unterseite des Gerätes bei anspruchslosen Aufgaben nur leicht erwärmt.
Unter Last (Stresstest, Witcher-3-Test) erwärmt sich das Notebook stark. Die Unterseite erhitzt sich auf durchschnittlich 52 Grad Celsius und zeigt Maximalwerte von 62 bis 65 Grad Celsius. An der Oberseite verzeichneten wir eine Temperatur von durchschnittlich 45 Grad Celsius, wobei sich der Großteil der Abwärme auf den hinteren Bereich sowie die Tastatur konzentriert. Die Tasten erwärmen sich mit, können aber noch bedient werden, ohne unangenehm zu wirken. An den Handballenauflagen und am Touch-Pad werden auch bei hoher Last durchschnittlich nur 34 Grad Celsius gemessen.
(-) Die maximale Temperatur auf der Oberseite ist 54 °C. Im Vergleich liegt der Klassendurchschnitt bei 40.4 °C (von 21.2 bis 68.8 °C für die Klasse Gaming).
(-) Auf der Unterseite messen wir eine maximalen Wert von 65 °C (im Vergleich zum Durchschnitt von 43.3 °C).
(+) Ohne Last messen wir eine durchschnittliche Temperatur von 28.7 °C auf der Oberseite. Der Klassendurchschnitt erreicht 33.9 °C.
(-) Beim längeren Spielen von The Witcher 3 erhitzt sich das Gerät durchschnittlich auf 45.4 °C. Der Durchschnitt der Klasse ist derzeit 33.9 °C.
(±) Die Handballen und der Touchpad-Bereich können sehr heiß werden mit maximal 36 °C.
(-) Die durchschnittliche Handballen-Temperatur anderer getesteter Geräte war 28.9 °C (-7.1 °C).
| MSI Raider GE66 12UHS Intel Core i9-12900HK, NVIDIA GeForce RTX 3080 Ti Laptop GPU | MSI GE66 Raider 10SFS Intel Core i9-10980HK, NVIDIA GeForce RTX 2070 Super Mobile | Razer Blade 15 2022 Intel Core i7-12800H, NVIDIA GeForce RTX 3080 Ti Laptop GPU | Schenker XMG Neo 15 E22 (Early 2022, RTX 3080 Ti) Intel Core i7-12700H, NVIDIA GeForce RTX 3080 Ti Laptop GPU | Lenovo Legion 5 Pro 16 G7 i7 RTX 3070Ti Intel Core i7-12700H, NVIDIA GeForce RTX 3070 Ti Laptop GPU | |
|---|---|---|---|---|---|
| Hitze | 8% | 0% | -3% | 9% | |
| Last oben max * (°C) | 54 | 49 9% | 50 7% | 52 4% | 45.3 16% |
| Last unten max * (°C) | 65 | 52 20% | 47 28% | 68 -5% | 61.2 6% |
| Idle oben max * (°C) | 30 | 30 -0% | 37.4 -25% | 32 -7% | 28.6 5% |
| Idle unten max * (°C) | 35 | 34 3% | 38.4 -10% | 36 -3% | 31.4 10% |
* ... kleinere Werte sind besser
Stresstest
Im Test mit Witcher 3 kann das System maximal um die 160 Watt gleichzeitig abführen. Dies teilt sich in 122 Watt GPU-Power und 37 Watt für die CPU auf. Die Temperaturen in diesem Szenario belaufen sich CPU-seitig auf durchschnittliche 93 Grad Celsius und zeigen maximale Werte bis 100 Grad Celsius. Bei der Grafikkarte sehen wir durchschnittlich Temperaturen von 86 Grad Celsius. Der CPU-Takt boostet auf anfänglich 4.800 MHz bei den P-Cores und pendelt sich dann bei 3.990 MHz ein. Die E-Cores boosten kurz auf 3.800 MHz, danach verringert sich ihr Takt bis auf 3.100 MHz. Der durchschnittliche Takt der Grafikkarte liegt hier bei 1.387 MHz.
Im Stresstest mit Furmark mit gleichzeitig laufendem Prime-95 genehmigt sich das Gerät 133 Watt GPU-Power. An der CPU liegen 38 Watt an, somit kann das Testsystem kurzzeitig knapp über 170 Watt Verlustleistung durch das Kühlsystem abführen. Anders als beim Witcher-Szenario erhöht sich die Temperatur des Prozessors auf maximal 98 Grad Celsius, um sich dann bei 94 Grad Celsius einzupendeln. Die Temperaturwerte der verbauten Grafiklösung liegen erneut bei durchschnittlich 86 Grad Celsius. Der CPU-Takt boostet anfänglich noch wie im ersten Szenario, regelt sich dann aber bis auf 1.900 MHz bei den P-Cores sowie 1.600 MHz bei den E-Cores runter. Die Taktfrequenz der RTX 3080 Ti reduziert sich auf bis zu 795 MHz. Die beiden Lüfter touren im Stresstest auf maximal 5.100 RPM hoch, wobei der GPU-Lüfter sich trotz der extremen Bedingungen dynamisch verhält und sich zwischen 4.000 RPM und 5.100 RPM über den Testzeitraum bewegt.
Lautsprecher
Die von MSI verbauten Duo-Wave-Speaker haben mehr Bass, ausgeglichenere Mitten sowie Hochtöne in Relation zum Vorgänger. Dadurch eignen sie sich für Medienkonsum aller Art und geben dabei ein gutes Maß an Lautstärke wieder. Beim Spielen und Musikhören fehlte es uns dennoch etwas an Bass.
MSI Raider GE66 12UHS Audio Analyse
(+) | Die Lautsprecher können relativ laut spielen (84 dB)
Bass 100 - 315 Hz
(-) | kaum Bass - 17% niedriger als der Median
(±) | durchschnittlich lineare Bass-Wiedergabe (11% Delta zum Vorgänger)
Mitteltöne 400 - 2000 Hz
(±) | zu hohe Mitten, vom Median 5.6% abweichend
(+) | lineare Mitten (3.9% Delta zum Vorgänger)
Hochtöne 2 - 16 kHz
(+) | ausgeglichene Hochtöne, vom Median nur 4.6% abweichend
(+) | sehr lineare Hochtöne (6.3% Delta zum Vorgänger)
Gesamt im hörbaren Bereich 100 - 16.000 Hz
(±) | hörbarer Bereich ist durchschnittlich linear (17.1% Abstand zum Median)
Im Vergleich zu allen Geräten derselben Klasse
» 46% aller getesteten Geräte dieser Klasse waren besser, 12% vergleichbar, 43% schlechter
» Das beste Gerät hat einen Delta-Wert von 6%, durchschnittlich ist 18%, das schlechteste Gerät hat 132%
Im Vergleich zu allen Geräten im Test
» 30% aller getesteten Geräte waren besser, 8% vergleichbar, 62% schlechter
» Das beste Gerät hat einen Delta-Wert von 4%, durchschnittlich ist 24%, das schlechteste Gerät hat 134%
MSI GE66 Raider 10SFS Audio Analyse
(+) | Die Lautsprecher können relativ laut spielen (84 dB)
Bass 100 - 315 Hz
(-) | kaum Bass - 32.4% niedriger als der Median
(+) | lineare Bass-Wiedergabe (5.9% Delta zum Vorgänger)
Mitteltöne 400 - 2000 Hz
(±) | zu hohe Mitten, vom Median 7.4% abweichend
(±) | Linearität der Mitten ist durchschnittlich (8.9% Delta zum Vorgänger)
Hochtöne 2 - 16 kHz
(±) | zu hohe Hochtöne, vom Median nur 5.3% abweichend
(±) | durchschnittlich lineare Hochtöne (8.9% Delta zum Vorgänger)
Gesamt im hörbaren Bereich 100 - 16.000 Hz
(±) | hörbarer Bereich ist durchschnittlich linear (26.7% Abstand zum Median)
Im Vergleich zu allen Geräten derselben Klasse
» 93% aller getesteten Geräte dieser Klasse waren besser, 1% vergleichbar, 6% schlechter
» Das beste Gerät hat einen Delta-Wert von 6%, durchschnittlich ist 18%, das schlechteste Gerät hat 132%
Im Vergleich zu allen Geräten im Test
» 81% aller getesteten Geräte waren besser, 4% vergleichbar, 15% schlechter
» Das beste Gerät hat einen Delta-Wert von 4%, durchschnittlich ist 24%, das schlechteste Gerät hat 134%
Energieverwaltung - Gute Laufzeiten
Energieaufnahme
Die Energieaufnahme des MSI GE66 12UHS ist im Idle, unter Last und beim Witcher-Stresstest vertretbar. Zwar verbraucht unser Gerät mehr Strom als der Vorgänger, hat aber auch erheblich stärkere Hardware verbaut. Die maximale Kapazität des 280 Watt-Netzteils wird mit 242 Watt aufgezeichnetem Spitzenverbrauch nicht ausgeschöpft. Im Witcher-Test liegt der Verbrauch mit 202 Watt meist unter den Werten der Konkurrenz. Das Lenovo Legion verbraucht mit dem Intel Core i7 12700H sowie der RTX 3070 Ti mit 227 Watt 12 % mehr als unser Testgerät mit Intel Core i9 12900HK und RTX 3080 Ti.
| Aus / Standby | |
| Idle | |
| Last |
|
Legende:
min: | |
| MSI Raider GE66 12UHS Intel Core i9-12900HK, | MSI GE66 Raider 10SFS Intel Core i9-10980HK, | Razer Blade 15 2022 Intel Core i7-12800H, | Schenker XMG Neo 15 E22 (Early 2022, RTX 3080 Ti) Intel Core i7-12700H, | Lenovo Legion 5 Pro 16 G7 i7 RTX 3070Ti Intel Core i7-12700H, | Durchschnitt der Klasse Gaming | |
|---|---|---|---|---|---|---|
| Stromverbrauch | 14% | -38% | -0% | 8% | 1% | |
| Idle min * (Watt) | 16 | 6 62% | 33.2 -108% | 14 12% | 8.6 46% | 13.6 ? 15% |
| Idle avg * (Watt) | 19 | 14 26% | 36.4 -92% | 18 5% | 17.6 7% | 19.5 ? -3% |
| Idle max * (Watt) | 26 | 25 4% | 37.6 -45% | 19 27% | 18.5 29% | 26.1 ? -0% |
| Last avg * (Watt) | 110 | 108 2% | 116.7 -6% | 115 -5% | 110 -0% | 110.9 ? -1% |
| Witcher 3 ultra * (Watt) | 202 | 195 3% | 172 15% | 228 -13% | 227 -12% | |
| Last max * (Watt) | 242 | 280 -16% | 228.6 6% | 307 -27% | 294.6 -22% | 262 ? -8% |
* ... kleinere Werte sind besser
Energieaufnahme Witcher 3 / Stresstest
Verbrauch externer Monitor
Akkulaufzeit
Verglichen mit dem MSI GE66 10SFS bietet unser Testgerät bei weitaus höherer Leistung und gleicher Akkukapazität eine leicht niedrigere Laufzeit im Wi-Fi-Test. Das Razer Blade 15 2022 und das Lenovo Legion 5 Pro mit am Papier schwächerer Hardware werden von unserem MSI GE66 12UHS überholt. Einzig das Schenker XMG Neo 15 Early 2022 schafft es mit kleinerem Akku sowie schwächerem Prozessor unser Testgerät um rund 20 % hinter sich zu lassen.
| MSI Raider GE66 12UHS i9-12900HK, GeForce RTX 3080 Ti Laptop GPU, 99 Wh | MSI GE66 Raider 10SFS i9-10980HK, GeForce RTX 2070 Super Mobile, 99.99 Wh | Razer Blade 15 2022 i7-12800H, GeForce RTX 3080 Ti Laptop GPU, 80 Wh | Schenker XMG Neo 15 E22 (Early 2022, RTX 3080 Ti) i7-12700H, GeForce RTX 3080 Ti Laptop GPU, 93 Wh | Lenovo Legion 5 Pro 16 G7 i7 RTX 3070Ti i7-12700H, GeForce RTX 3070 Ti Laptop GPU, 80 Wh | Durchschnitt der Klasse Gaming | |
|---|---|---|---|---|---|---|
| Akkulaufzeit | 7% | -14% | 46% | -27% | 6% | |
| H.264 (h) | 7.1 | 6.9 -3% | 6.3 -11% | 8.1 ? 14% | ||
| WLAN (h) | 5.7 | 6.1 7% | 4.9 -14% | 6.7 18% | 5.4 -5% | 6.76 ? 19% |
| Last (h) | 1.7 | 1.8 6% | 3.8 124% | 0.6 -65% | 1.435 ? -16% | |
| Idle (h) | 7.6 | 9.99 ? |
Pro
Contra
Fazit - High-End-Notebook mit starker Performance
Im Vergleich zum Vorgänger, dem MSI GE66 10SFS, stellten wir fest: Das MSI GE66 12UHS ist optisch baugleich, abgesehen von der modifizierten Light-Bar. Tastatur und Track-Pad sind immer noch sehr gut und überzeugen mit präzisen Eingaben sowie hoher Verarbeitungsqualität. Der von uns getestete Intel Core i9 12900HK bringt mit dem neuen Flüssig-Metall-Kühlpad ein Leistungsplus von rund 50 Prozent im Vergleich zum Intel Core i9 10980HK des Vorgängers mit. Die verbaute Grafiklösung in unserem Gerät liefert bis zu 30 Prozent höhere Bildraten als die RTX 2070 Super im MSI GE66 10SFS. Das Notebook ist weiterhin nicht ganz einfach zu öffnen. Spielt man über mehrere Stunden, erwärmen sich vor allem die Tasten spürbar. Unser Testgerät lieferte mit seinem 120 Hz 4K-IPS-Panel gute Werte ab. Das Upgrade auf DDR5-RAM sowie die Möglichkeit zwei NVMe-SSDs über die PCI-Gen-4-Schnittstelle anschließen zu können, sichert dem Gerät seine Zukunftstauglichkeit.
Die Gamingleistung des MSI GE66 12UHS ist gigantisch. Im Test konnten alle Titel in 4K-Auflösung und hohen bis maximalen Details flüssig auf das Display gebracht werden.
Positiv aufgefallen sind ebenso die Verbesserungen am Kühlsystem. Die automatische, KI-gestützte Lüftersteuerung liefert einen guten Kompromiss aus Leistung und Lautstärke. Leider schafft es das System nicht bei längeren Gaming-Sessions die entstehende Wärme schnell genug abzuleiten, was zu Performanceeinbrüchen von etwa 10 Prozent führt. Das Problem kann allerdings behoben werden, indem man die Lüfter manuell auf die volle Drehzahl stellt (Cooler-Boost). Mit dem MSI-Center lassen sich zudem viele Kernfunktionen des Notebooks steuern und der Nutzer erhält nützliche Zusatzfeatures. Im Test präsentierte sich die MSI-Center-Software allerdings noch fehleranfällig, stürzte willkürlich ab und setzte zuvor eingestellte Leistungsprofile zurück. Auch bei der verbauten Samsung PM9A1 SSD beobachteten wir unter Dauerlast Leistungseinbußen von bis zu 80 Prozent.
Preis und Verfügbarkeit
Das MSI GE66 12UHS ist in unserer Testkonfiguration derzeit für 4.300 Euro bei Cyberport erhältlich. Nutzer, die eine höhere Mobilität zufolge geringerem Gewicht und kompakter Abmessungen bevorzugen, sollten in diesem Preissegment ein Auge auf das Razer Blade 15 Advanced Early 2022 werfen. Hier erhält man eine ähnliche Spieleperformance sowie ein dünneres Notebook, welches zwar einen schwächeren Prozessor hat, allerdings mit der CPU in unserem Testgerät mithalten kann.
MSI Raider GE66 12UHS
- 30.05.2022 v7 (old)
Patrick Schüdzig



























































































