MSI Titan GT77 12UHS Laptop im Test: Alder-Lake-HX-Vorzeigekind mit ungehinderter Leistung auf Desktop-Niveau

Das MSI Titan war bis zum Titan GT76 mit 10. Intel-Generation im Jahr 2020 das Flaggschiff-Model von MSI. Für die 11. Generation hat sich das Unternehmen dann dazu entschieden, sein Flaggschiff-Angebot auf das GE76 Raider 11UH einzuschränken. Auch das GE76 Raider wurde 2022 mit dem GE76 Raider 12U auf den neuesten Stand gebracht. Doch dank der neuen Alder-Lake-HX-Plattform von Intel hatte MSI nun wieder einen Grund, sein ikonisches Titan-Modell wieder aufleben zu lassen.
Das diesjährige MSI Titan GT77 12U soll ein ganzheitliches Paket sein, das fast alles bietet, was sich ein Gamer-Liebhaber wünschen würde. CPU auf Desktop-Niveau? Ist dabei. Maximale RAM-Ausnutzung? Jap. Die schnellstmögliche GPU? Haben wir. So viel Speicherplatz wie nur möglich? Allerdings. Eine mechanische Cherry-MX-Tastatur? Aber klaro. Ein Display mit hoher Bildwiederholrate? Ist inkludiert.
Unser Testgerät, das MSI Titan GT77 12UHS, wurde uns von Intel India zur Verfügung gestellt und ist mit einer Core i9-12900HX, 64 GB DDR5-4800 RAM, einer 175-W-RTX-3080-Ti-Laptop-GPU, 4x 1-TB-Samsung-PM9A1-NVMe-SSDs, einem 17,3-Zoll-360-Hz-FHD-Panel und einem 99,9-Wh-Akku ausgestattet. Laut Intel kostet das Gerät rund 5.000 USD.
Alternativ gibt es noch eine preiswertere Version des Titan GT77, die mit Core i7-12800HX und einer RTX-3070-Ti-Laptop-GPU ausgestattet ist und für rund 3.100 USD erhältlich ist. Das FHD-360-Hz-Display ist aktuell in keinem Modell erhältlich. Alle aktuellen Konfigurationen sind mit einem 120-Hz-UHD-Display ausgestattet. Auch dazu werden wir in Kürze einen Testbericht veröffentlichen.
In diesem Testbericht bewerten wir das MSI Titan GT77 und wollen herausfinden, wie die neuen desktopwürdigen Alder-Lake-HX-Prozessoren von Intel zum Wiederaufleben der ikonischen Titan-Reihe beitragen. Wie fühlt es sich an, mit dem möglicherweise leistungsstärksten Gaming-Laptop auf dem Markt zu arbeiten?
Mögliche Mitstreiter im Vergleich
Bew. | Datum | Modell | Gewicht | Dicke | Größe | Auflösung | Preis ab |
|---|---|---|---|---|---|---|---|
| 88.3 % v7 (old) | 08 / 2022 | MSI Titan GT77 12UHS i9-12900HX, GeForce RTX 3080 Ti Laptop GPU | 3.3 kg | 23 mm | 17.30" | 1920x1080 | |
| 83.7 % v7 (old) | 08 / 2022 | Aorus 17X XES i9-12900HX, GeForce RTX 3070 Ti Laptop GPU | 2.7 kg | 30 mm | 17.30" | 1920x1080 | |
| 86.8 % v7 (old) | 07 / 2022 | MSI Raider GE77 HX 12UHS i9-12900HX, GeForce RTX 3080 Ti Laptop GPU | 3.1 kg | 25.9 mm | 17.30" | 3840x2160 | |
| 87.7 % v7 (old) | 07 / 2022 | MSI GE67 HX 12UGS i7-12800HX, GeForce RTX 3070 Ti Laptop GPU | 2.5 kg | 23.4 mm | 15.60" | 1920x1080 | |
| 88.2 % v7 (old) | 05 / 2022 | Asus ROG Zephyrus Duo 16 GX650RX R9 6900HX, GeForce RTX 3080 Ti Laptop GPU | 2.6 kg | 20.5 mm | 16.00" | 3840x2400 | |
| 89.2 % v7 (old) | 05 / 2022 | Alienware x17 R2 P48E i9-12900HK, GeForce RTX 3080 Ti Laptop GPU | 3.1 kg | 20.9 mm | 17.30" | 1920x1080 | |
| 84.7 % v7 (old) | 03 / 2022 | Gigabyte Aero 16 YE5 i9-12900HK, GeForce RTX 3080 Ti Laptop GPU | 2.3 kg | 22.4 mm | 16.00" | 3840x2400 | |
| 87.5 % v7 (old) | 01 / 2022 | MSI GE76 Raider i9-12900HK, GeForce RTX 3080 Ti Laptop GPU | 3 kg | 26 mm | 17.30" | 1920x1080 |
Gehäuse: Deutlich schlanker als das Titan GT76
Die Designsprache des Titan GT77 erinnert in vielerlei Hinsicht noch deutlich an das ältere Titan GT76, bietet aber auch einige Neuerungen. Der Laptop ist vollständig in schwarz gekleidet und nur 23 mm hoch (das Titan GT76 war noch 42 mm dick). MSI hat den Großteil der Prozessoren und Kühlelemente in den hinteren Bereich des Gehäuses gepackt und so etwas Raum für eine schlankere Form gewonnen.
Das Gehäuse besteht zu einem Großteil aus Kunststoff, gibt allerdings einen durchaus hochwertig Eindruck. Außerdem hilft diese Materialwahl, das Gewicht des Geräts in Grenzen zu halten. Die Ästhetik ist für ein Enthusiasten-Gaming-Notebook recht ansprechend, ohne auf den ersten Blick zu sehr nach Gamer-Exzentrik auszusehen. Bereiten Sie sich jedoch darauf vor, Ihre Fingerabdrücke oft abwischen zu müssen.
Den Displaydeckel mit Aluminium-Finish ziert das in prächtigen RGB-Farben leuchtende MSI-Logo. Der Deckel kann mit einem Finger geöffnet werden, ohne dass das Gerät wegrutscht. Sowohl der Deckel als auch die Tastatur lässt sich etwas eindrücken, bei normaler Verwendung fällt das allerdings nicht auf.
Im Gegensatz zum GE76 Raider befindet sich diesmal kein RGB-Lichtbalken auf der Vorderseite des Laptops. Stattdessen hat MSI das Gerät mit rund 27 RGB-LEDs an den hinteren Lüftungsöffnungen ausgestattet. Außerdem befindet sich entlang den hinteren Lufteinlassöffnungen knapp hinter dem Display ein kurzer RGB-Lichtbalken. Auch an den Seiten wurde jeweils eine weitere Lüftungsöffnung platziert.
Die untere Abdeckung der Basiseinheit ist womöglich das schwächste Element des gesamten Gehäuses und wirkt im Vergleich zur restlichen Hülle qualitativ minderwertig. Doch da man diese Abdeckung im Alltag nur selten öffnen muss, hat das keinen großen Einfluss auf die Gesamtbewertung. Die Abdeckung hat großzügig ausgelegte Lufteinlassöffnungen.
Insgesamt ist das MSI Titan GT77 ein solides Gerät mit einer im Vergleich zu früheren Titan-Modellen ausgesprochen guten Transportfähigkeit.
Ausstattung: Angemessene Anschlussmöglichkeiten mit SD-Kartenleser in voller Größe und Wi-Fi 6E
Das Titan GT77 bietet eine etwas andere, aber dennoch ausreichende Anschlussauswahl im Vergleich zum Titan GT76. Außerdem unterstützt das Gerät die neuesten Konnektivitätsstandards, die man sich für einen hochwertigen Gaming-Laptop im Jahr 2022 erwarten würde.
Auf der linken Seite befinden sich der proprietäre Ladeeingang, zwei USB-3.2-Gen2-Typ-A-Anschlüsse, ein UHS-III-SD-Express-Kartenleser in voller Größe sowie ein kombinierter Audioanschluss. Diesmal gibt es keinen eigenen Mikrofonanschluss. Rechts findet man einen weiteren USB-3.2-Gen2-Typ-A-Ports, zwei Thunderbolt-4-Anschlüsse, einen Mini-DisplayPort-Ausgang, einen HDMI-Ausgang, der bis zu 4K und 120 Hz oder 8k und 60 Hz unterstützt, sowie einen 2,5-GbE-RJ-45-Port.
Die Anschlüsse sind alle gut platziert und behindern die Verwendung von Peripheriegeräten nicht. Ein Kensington Lock ist nicht vorhanden.
SD-Kartenleser
Das Titan GT77 ist endlich mit einem SD-Kartenleser in voller Größe ausgestattet. Der Kartenleser ist deutlich schneller als der im Raider GE77 HX 12UHS, kann mit der restlichen Konkurrenz allerdings nicht mithalten.
| SD Card Reader | |
| average JPG Copy Test (av. of 3 runs) | |
| Alienware x17 R2 P48E (AV Pro V60) | |
| Asus ROG Zephyrus Duo 16 GX650RX (AV PRO microSD 128 GB V60) | |
| Durchschnitt der Klasse Gaming (20.9 - 210, n=59, der letzten 2 Jahre) | |
| MSI GE67 HX 12UGS (Toshiba Exceria Pro SDXC 64 GB UHS-II) | |
| MSI GE76 Raider (AV PRO microSD 128 GB V60) | |
| MSI Titan GT77 12UHS (AV PRO microSD 128 GB V60) | |
| MSI Raider GE77 HX 12UHS (AV PRO microSD 128 GB V60) | |
| maximum AS SSD Seq Read Test (1GB) | |
| Alienware x17 R2 P48E (AV Pro V60) | |
| Asus ROG Zephyrus Duo 16 GX650RX (AV PRO microSD 128 GB V60) | |
| Durchschnitt der Klasse Gaming (25.5 - 261, n=56, der letzten 2 Jahre) | |
| MSI Titan GT77 12UHS (AV PRO microSD 128 GB V60) | |
| MSI GE67 HX 12UGS (Toshiba Exceria Pro SDXC 64 GB UHS-II) | |
Kommunikation
Unser Titan GT77 ist mit einem Killer-Wi-Fi-6E-AX1675i-WLAN-Modul ausgestattet. Die WLAN-Leistung liegt grundsätzlich sowohl im 5-GHz als auch im 6-GHz-Band über dem Durchschnitt, dabei kommt es im Test mit unserem Referenz-Router Asus ROG Rapture GT-AXE11000 nur zu minimalen Einbrüchen im Durchsatz.
Die 6-GHz-Leistung des AX1675i bietet scheinbar keine deutlichen Vorteile gegenüber dem 5-GHz-Band. Wenn Sie allerdings einen Router haben, der 6E unterstützt, kann die Nutzung dieses Bandes zu höheren Spitzendurchsatzraten führen.
Webcam
Miserable Webcams sind in Gaming-Laptops an sich nichts Neues. Doch die 720p-Webcam des Titan GT77 tut sich für ein Gerät aus 2022 besonders schwer. Die FHD-Webcam im GE76 Raider 12U ist deutlich besser.
Die ColorChecker-Farbkarte und das Testbild unten zeigen, dass die Farbgenauigkeit der Webcam ziemlich schlecht ist. Das Bild ist stark verrauscht und selbst bei guter Beleuchtung unscharf. Das Gerät hat keinen physischen Privacy-Shutter, allerdings kann die Webcam über die Tastatur oder im MSI Center schnell ein bzw. ausgeschaltet werden.

Sicherheit
Das Titan GT77 bietet sowohl eine IR-Kamera als auch einen biometrischen Fingerabdruckscanner und ist somit mit Windows Hello kompatibel. Das ist bei Gaming-Laptops eine Seltenheit. Beide Arten der biometrischen Identifizierung lassen sich schnell einrichten und entsperren das Gerät schnell und verlässlich.
Außerdem ist das Gerät mit einem TPM-2.0-Modul ausgestattet.
Zubehör
Da uns dieses Gerät von Intel zur Verfügung gestellt wurde, befand sich abgesehen von dem sehr großen 330-W-Netzgerät kein Zubehör in der Verpackung.
Wartung
Das Gerät hat keine Wartungsklappe. Die Abdeckung der Basiseinheit kann geöffnet werden, indem man 11 Kreuzschrauben löst. Allerdings erfordert es einige Mühe, die Abdeckung vollständig vom Rest des Gehäuses zu lösen.
Im Inneren befindet sich eine recht dichte Anordnung von Teilen. In echter Titan-Manier ist das Kühlsystem riesengroß und besteht aus vier Lüftern, sieben Heatpipes und sechs Lüftungsöffnungen.
Alle vier SSD-Schächte in unsere Testgerät waren mit einem 1-TB-PCIe-Gen4-NVMe-Speichergerät ausgestattet. Unterhalb einer Abdeckung aus Aluminium befinden sich vier 16-GB-DDR5-4800-RAM-Module - das ergibt bis zu 128 GB DDR5-4800 Arbeitsspeicher.
Der 99,9-Wh-Akku kann ausgetauscht werden. Das Killer-AX1675i-WLAN-Modul, die NVMe-SSDs und der DDR5-Arbeitsspeicher kann ebenso ersetzt werden.
Garantie
Je nach Region bietet MSI für seine Gaming-Laptops eine standardmäßig Garantie von einem oder zwei Jahren sowie eine weltweite Reiseversicherung. Da wir ein maßgeschneidertes Produkt erhalten haben, wurde es ohne Garantieinformationen geliefert.
Eingabegeräte: Wunderbare Cherry-MX-Tastatur und großes Touchpad
Tastatur
Die SteelSeries-Tastatur mit mechanischen Cherry-MX-Ultra-Low-Profile-Schaltern bietet ein großartiges Tipperlebnis mit exzellentem taktilen Feedback, schneller Reaktion und einem knackigen Tippgeräusch. Alle Tasten können einzeln beleuchtet werden und die SteelSeries-GG-Software ermöglicht es, alle möglichen RGB-Beleuchtungseffekte und Macro-Shortcuts zu konfigurieren.
Allerdings ist nur der Hauptbereich der Tastatur mit mechanischen Cherry-MX-Tasten ausgestattet. Die Funktionstasten, Pfeiltasten und der Ziffernblock scheinen alle mit herkömmlichen Membran-Schaltern ausgestattet zu sein. Die Position der Fn-Taste ist vielleicht etwas gewöhnungsbedürftig, wenn man MSI-Laptops nicht kennt. Das Drücken der Fn-Taste aktiviert die Beleuchtung der zusätzlichen Funktionen auf den F1-F12-Tasten, was in einer dunklen Umgebung die Lesbarkeit erleichtert.
Die Tasten Home, Ende, Bild Rauf und Bild Runter befinden sich nur auf dem Ziffernblock. Um sie zu nutzen, muss die NumLock-Taste deaktiviert werden. Die Pfeiltasten sind ausreichend dimensioniert, allerdings enttäuscht hier das Fehlen von mechanischen Tasten, wenn man gerne Rennspiele spielt. Der Bereich um die Tastatur sollte möglichst sauber gehalten werden, da sich Staub oder Lebensmittelteilchen leicht unter den Tasten sammeln können, was zu Problemen beim Betätigen der Tasten führen kann.
Touchpad
Das Touchpad ist ein Fortschritt gegenüber dem Titan GT76. Er ist jetzt ohne Tasten ausgeführt und misst 13 x 8,2 cm, was ein müheloses Gleiten ermöglicht.
Klicks lassen sich mit dem Touchpad relativ einfach auslösen und auch die Bedienung mit Windows-Precision-Gesten wird unterstützt.
Display: 360-Hz-FHD-Panel mit geringer Reaktionszeit und einer fehleranfälligen Farbsoftware
Unser Titan GT77 ist mit einem 360-Hz-FHD-Panel ausgestattet. Die aktuell auf dem Markt erhältlichen Modelle können nur mit 120-Hz-UHD-Display konfiguriert werden. Es ist wahrscheinlich, dass das Unternehmen zu einem späteren Zeitpunkt auch die 360-FHD-Option anbieten wird.
Das Display bietet keinerlei Unterstützung für HDR oder G-Sync. Zum Testzeitpunkt erlaubte die True-Color-Software nur den sRGB-Farbraum und ein paar weitere Änderungen am blauen Lichtanteil. Nun hat MSI die App aktualisiert, damit sie auch mit den Farbräumen AdobeRGB und Display P3 funktioniert.
Nichtsdestotrotz kann die Verwendung der True-Color-Software auf diesem Laptop etwas ärgerlich sein. Aufgrund eines Fehlers ist die App nicht einwandfrei mit den neuesten Intel-iGPU-Treibern kompatibel. Werden die Intel-Grafiktreiber aktualisiert, verblassen alle Farben und das Display sieht sehr unattraktiv aus. Zum Glück ist sich MSI des Problems bewusst und verweist auf einen Link zur Behebung des Problems. Grundsätzlich lautet die Lösung, wieder auf eine ältere Version der Intel-iGPU-Treiber zu wechseln. In unserem Test funktionierte die Version 30.0.101.1994 ohne Probleme. Eine weitere Möglichkeit, das Problem zu umgehen, ist indem man von MSHybrid auf den dedizierten Grafikprozessor umschaltet.
Einzelne Pixel wirken relativ groß, da es sich hier nur um ein 127-PPI-Display handelt. An den Ecken zeigen sich bei langer Belichtung Lichthöfe.
Die Ausleuchtung ist mit 79 % ordentlich, doch das Kontrastverhältnis mit 700:1 nur durchschnittlich. Subjektiv ist das Display des Titan GT77 annehmbar, wenn Gaming der Hauptzweck ist.
| |||||||||||||||||||||||||
Ausleuchtung: 79 %
Helligkeit Akku: 280 cd/m²
Kontrast: 700:1 (Schwarzwert: 0.4 cd/m²)
ΔE ColorChecker Calman: 2.1 | ∀{0.5-29.43 Ø4.74}
calibrated: 1.58
ΔE Greyscale Calman: 3.3 | ∀{0.09-98 Ø4.99}
73% AdobeRGB 1998 (Argyll 3D)
98.9% sRGB (Argyll 3D)
70.8% Display P3 (Argyll 3D)
Gamma: 2.13
CCT: 7060 K
| MSI Titan GT77 12UHS Sharp SHP1544 LQ173M1JW08, IPS-Level, 1920x1080, 17.3" | MSI Titan GT77 12UHS AU Optronics B173ZAN06.1, IPS, 3840x2160, 17.3" | Aorus 17X XES Sharp SHP1563, IPS, 1920x1080, 17.3" | MSI Raider GE77 HX 12UHS AU Optronics B173ZAN06.1, IPS, 3840x2160, 17.3" | MSI GE67 HX 12UGS Samsung ATNA562P02-0, OLED, 1920x1080, 15.6" | Asus ROG Zephyrus Duo 16 GX650RX BOE NE160QAM-NX1, IPS-Level, 3840x2400, 16" | Alienware x17 R2 P48E AU Optronics B173HAN, IPS, 1920x1080, 17.3" | MSI GE76 Raider AU Optronics B173HAN05.4 (AUOE295), IPS-Level, 1920x1080, 17.3" | |
|---|---|---|---|---|---|---|---|---|
| Display | 19% | -1% | 18% | -2% | 19% | 7% | -9% | |
| Display P3 Coverage (%) | 70.8 | 97 37% | 70.1 -1% | 96.6 36% | 71.7 1% | 98 38% | 79.2 12% | 63.1 -11% |
| sRGB Coverage (%) | 98.9 | 99.8 1% | 99.9 1% | 99.8 1% | 89.7 -9% | 99.9 1% | 99.8 1% | 94 -5% |
| AdobeRGB 1998 Coverage (%) | 73 | 86.2 18% | 71.9 -2% | 85.8 18% | 75.2 3% | 86.3 18% | 79.6 9% | 65.2 -11% |
| Response Times | -35% | -11% | -49% | 92% | -194% | -192% | -84% | |
| Response Time Grey 50% / Grey 80% * (ms) | 3.03 ? | 5.2 ? -72% | 3.4 ? -12% | 5.8 ? -91% | 0.25 ? 92% | 14.6 ? -382% | 12.4 ? -309% | 5.6 ? -85% |
| Response Time Black / White * (ms) | 5.28 ? | 5.1 ? 3% | 5.8 ? -10% | 5.6 ? -6% | 0.4 ? 92% | 5.6 ? -6% | 9.2 ? -74% | 9.6 ? -82% |
| PWM Frequency (Hz) | 480.4 ? | |||||||
| Bildschirm | 10% | -18% | -1% | -13% | 9% | 11% | 33% | |
| Helligkeit Bildmitte (cd/m²) | 280 | 418 49% | 278 -1% | 381 36% | 356.1 27% | 459 64% | 365.4 31% | 290 4% |
| Brightness (cd/m²) | 275 | 401 46% | 273 -1% | 371 35% | 358 30% | 434 58% | 344 25% | 290 5% |
| Brightness Distribution (%) | 79 | 91 15% | 79 0% | 84 6% | 99 25% | 88 11% | 85 8% | 96 22% |
| Schwarzwert * (cd/m²) | 0.4 | 0.48 -20% | 0.26 35% | 0.52 -30% | 0.44 -10% | 0.29 28% | 0.23 43% | |
| Kontrast (:1) | 700 | 871 24% | 1069 53% | 733 5% | 1043 49% | 1260 80% | 1261 80% | |
| Delta E Colorchecker * | 2.1 | 2.47 -18% | 3.96 -89% | 4.83 -130% | 2.97 -41% | 3.17 -51% | 1.59 24% | |
| Colorchecker dE 2000 max. * | 5.83 | 7.81 -34% | 10.78 -85% | 7.94 -36% | 8.13 -39% | 7.69 -32% | 3.17 46% | |
| Colorchecker dE 2000 calibrated * | 1.58 | 0.66 58% | 1.07 32% | 2.53 -60% | 1.03 35% | 0.51 68% | 0.87 45% | |
| Delta E Graustufen * | 3.3 | 4.4 -33% | 6.8 -106% | 3.1 6% | 4.9 -48% | 5.3 -61% | 2.5 24% | |
| Gamma | 2.13 103% | 2.129 103% | 2.224 99% | 2.2 100% | 2.235 98% | 2.18 101% | 2.253 98% | |
| CCT | 7060 92% | 7197 90% | 7651 85% | 5938 109% | 6775 96% | 5879 111% | 6640 98% | |
| Durchschnitt gesamt (Programm / Settings) | -2% /
5% | -10% /
-13% | -11% /
-5% | 26% /
9% | -55% /
-18% | -58% /
-19% | -20% /
7% |
* ... kleinere Werte sind besser
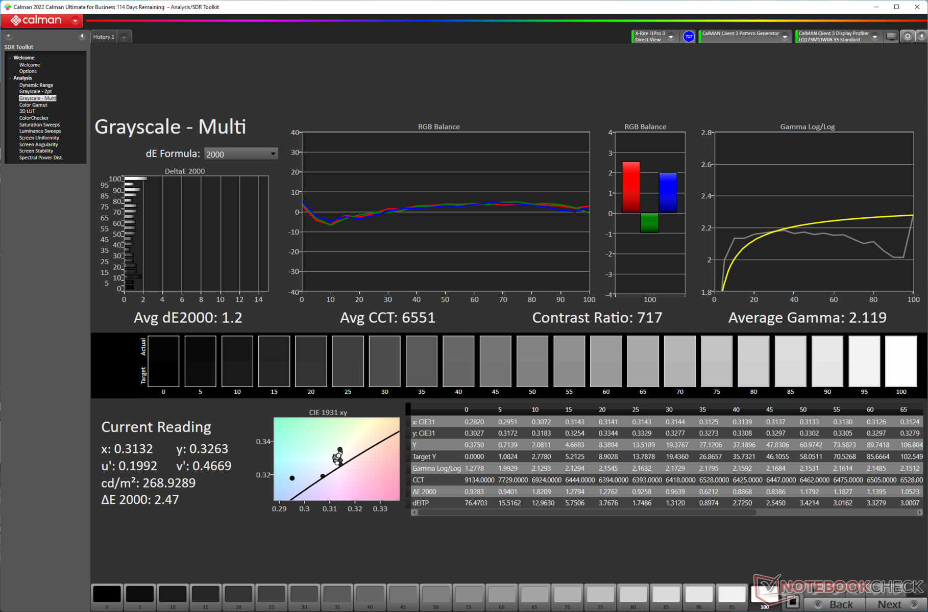
Da das Titan GT77 hauptsächlich an Gaming-Enthusiasten gerichtet ist, ist die Farbraumabdeckung nicht besonders atemberaubend. Der sRGB-Farbraum wird zu 98,9 % abgedeckt, was recht gut ist. Auch die Abdeckung des AdobeRGB-Farbraums mit 73 % reicht für die Erstellung nicht-professioneller Inhalte noch aus. Das Modell mit UHD-Panel bietet allerdings eine deutlich bessere AdobeRGB- und Display-P3-Abdeckung.
Die Farbgenauigkeit ist im Lieferzustand nicht allzu schlecht und erreicht einen durchschnittlichen Graustufe-Delta-E-Wert von 3,3 sowie einen Color-Checker-Delta-E-Wert von 2,1. Mit einer Kalibrierung des Displays mit X-rite-i1Basic-Pro-3-Spektrometer und der Calman-Kalibrierungssoftware von Portrait Displays kann die Farbgenauigkeit noch auf 1,2 (Delta E Graustufen) bzw. 1,58 (Delta E ColorChecker) erhöht werden.
Das kalibrierte ICC-File kann etwas weiter oben heruntergeladen werden.
Das Titan-GT77-Sharp-SHP1544-Panel bietet eine sehr gute Reaktionszeit. Natürlich kann sie nicht mit der unglaublich niedrigen Reaktionszeit des Samsung-OLED-Panels im Raider GE67 HX 12UGS mithalten. Mit der Konkurrenz liegt sie aber gleichauf.
Reaktionszeiten (Response Times) des Displays
| ↔ Reaktionszeiten Schwarz zu Weiß | ||
|---|---|---|
| 5.28 ms ... steigend ↗ und fallend ↘ kombiniert | ↗ 2.32 ms steigend | |
| ↘ 2.96 ms fallend | ||
| Die gemessenen Reaktionszeiten sind sehr kurz, wodurch sich der Bildschirm auch für schnelle 3D Spiele eignen sollte. Im Vergleich rangierten die bei uns getesteten Geräte von 0.1 (Minimum) zu 240 (Maximum) ms. » 17 % aller Screens waren schneller als der getestete. Daher sind die gemessenen Reaktionszeiten besser als der Durchschnitt aller vermessenen Geräte (20 ms). | ||
| ↔ Reaktionszeiten 50% Grau zu 80% Grau | ||
| 3.03 ms ... steigend ↗ und fallend ↘ kombiniert | ↗ 1.28 ms steigend | |
| ↘ 1.75 ms fallend | ||
| Die gemessenen Reaktionszeiten sind sehr kurz, wodurch sich der Bildschirm auch für schnelle 3D Spiele eignen sollte. Im Vergleich rangierten die bei uns getesteten Geräte von 0.165 (Minimum) zu 636 (Maximum) ms. » 13 % aller Screens waren schneller als der getestete. Daher sind die gemessenen Reaktionszeiten besser als der Durchschnitt aller vermessenen Geräte (31.3 ms). | ||
Beim Übergang von 100 % Schwarz zu 100 % Weiß wurden insgesamt 5,28 ms gemessen. Das Panel verwendet standardmäßig Overdrive, wie man am "Horn" im Oszilloskopmuster erkennen kann. Dies führt zu einer schnellen Reaktionszeit von 3,03 ms von 50% Grau auf 80% Grau.
Wir haben festgestellt, dass dieser Wert bei ausgeschaltetem Overdrive auf 9,73 ms ansteigen kann.
Bildschirm-Flackern / PWM (Pulse-Width Modulation)
| Flackern / PWM nicht festgestellt | ≤ 100 % Helligkeit | ||
Im Vergleich: 52 % aller getesteten Geräte nutzten kein PWM um die Helligkeit zu reduzieren. Wenn PWM eingesetzt wurde, dann bei einer Frequenz von durchschnittlich 7914 (Minimum 5, Maximum 343500) Hz. | |||
Es wurde kein PWM-Flimmern festgestellt. Somit sollten lange Gaming-Marathons zumindest die Augen nicht zu sehr belasten.
Weitere Informationen dazu findest du in unserem Artikel Warum wir von Pulsweitenmodulation Kopfweh bekommen. Unser PWM-Ranking bietet dir einen Überblick über die PWM-Frequenzen aller getesteten Geräte.
Das Ablesen des Bildschirms im Freien klappt gut, solange man die direkte Sonneneinstrahlung auf das Display vermeidet. Bei sehr breiten Blickwinkeln fällt die Helligkeit udn Farbinformation ab.
Leistung: Chartverdächtige Kombination aus Core i9-12900HX und RTX 3080 Ti
Unser Testgerät Titan GT77 12UHS ist mit einem Intel-Core-i9-12900HX-Prozessor und einer 175-W-Nvidia-GeForce-RTX-3080-Ti-Laptop-GPU ausgestattet. Alternative Konfigurationen sind ebenfalls mit dem Core i9-12900HX, allerdings in Verbindung mit einer 150-W-RTX-3070-Ti-Laptop-GPU ausgestattet. Eine schwächere Version gibt es mit Core i7-12800HX und RTX-3070-Ti-Laptop-GPU.
Testbedingungen
Wie bei allen MSI-Laptops ist das Programm MSI Center die zentrale Schaltstelle, an der Nutzer die Leistung ihres Gerätes anpassen können. Bei dieser Ausstattung können wir nicht anders als das Profil "Extreme Performance" auszuwählen, das es dem Core i9-12900HX ermöglicht, im PL1 (Basisleistung) mit 125 W und im PL2 (Maximale Turboleistung) mit 200 W zu arbeiten.
Das MSI Center bietet auch einen MUX-Switch, mit dem zwischen den Modi MSHybrid und der dedizierten Grafikkarte umgeschaltet werden kann. Wir haben uns für die dedizierte GPU entschieden, um der RTX 3080 Ti die Chance zu geben, ihre Muskeln spielen zu lassen. Advanced Optimus wird nicht unterstützt, sodass man den Laptop nach dem Umschalten jedes Mal neu starten muss.
Die Auswahl des Leistungsmodus hat einen signifikanten Einfluss auf den Geräuschpegel - darauf gehen wir in Kürze noch genauer ein.
Die Tabelle unten zeigt, wie PL1 (Basisleistung) und PL2 (Maximale Turboleistung) in unterschiedlichen Leistungsmodi variieren. Die Leistungsmodi "Ausgeglichen" und "Extreme Performance" ähneln sich großteils, letzterer ermöglicht aber einen höheren PL1.
Das Profil "Ausgeglichen" sollte für die meisten Aufgaben und selbst fürs Gamen ausreichen; wenn Sie für eine Aufgabe die maximale Prozessorleistung herausholen möchten, empfehlen wir aber trotzdem dem Modus "Extreme Performance".
| Leistungsmodus | PL1 (PBP) / Tau | PL2 (MTP) / Tau |
|---|---|---|
| Leise | 30 W / 56 s | 30 W / 2,44 ms |
| Ausgeglichen | 100 W / 56 s | 200 W / 2,44 ms |
| Extreme Performance | 125 W / 56 s | 200 W / 2,44 ms |
Prozessor
Der Core i9-12900HX ist ein Alder-Lake-HX-Chip mit 16 Kernen (8 P-Kerne und 8 E-Kerne) und 24 Threads. Alder Lake-HX ist einfach gesagt die mobile Version des Desktop-Prozessors Alder Lake-S mit einem BGA-Sockel. Es handelt sich dabei um die erste mobile Plattform, die PCIe Gen5 unterstützt.
Der Core i9-12900HX ist entsperrt, wodurch man tatsächlich Zugang zu den versteckten BIOS-Funktionen von MSI hat (Rechte Umschalttaste + Rechte Strg-Taste + Linke Alt-Taste + F2 drücken), was ein Undervolting und Übertakten der CPU ermöglicht. Allerdings ist der verfügbare thermische Spielraum bereits mit den Standardeinstellungen ausgeschöpft, wie die folgenden Stresstests zeigen.
Die CPU-Leistung des Titan GT77 steht an der Spitze der Rangliste und wird nur vom Raider GE77 HX 12 UHS übertroffen. In den meisten CPU-Tests stellt sich heraus, dass der Core i9-12900HX nur minimal langsamer ist als der durchschnittliche Desktop-Chip Core i9-12900K.
Der Cooler Boost Titan von MSI sorgt dafür, dass der Core i9-12900HX unter Last nicht drosselt, was die gleichbleibende Leistung im Cinebench-R15-Multi-Core-Loop-Test bestätigt.
Cinebench R15 Multi Dauertest
Die folgende Grafik zeigt, wie sich wichtige CPU-Parameter im Laufe des Cinebench-R15-Multi-Core-Dauerlaufs verändern. Obwohl der Core i9-12900HX im Titan GT77 für bis zu 200 W PL2 konfiguriert ist, scheint der maximal erreichbare Wert bei nur 165 W zu liegen. Die P-Kerne können auf bis zu 4,8 GHz boosten, während die E-Kerne mit maximal 3,5 GHz takten.
Wir haben einen Fehler in der MSI Center App festgestellt, der das Profil immer auf Extreme Performance zurücksetzt, wenn ein CPU-gebundener Benchmark wie Cinebench gestartet wird. Das hat es uns erschwert, denselben Test in anderen Leistungsmodi wie "Ausgeglichen", "Leise" oder "Super Battery" auszuführen. Hoffentlich kann MSI diesen Fehler in einem zukünftigen Software-Update beheben.
Der Core i9-12900HX im Aorus 17X XES liegt im Single-Core-Test gleichauf mit dem Prozessor im Titan GT77, bleibt im Multi-Core-Test allerdings etwas zurück. Das ist vermutlich auf die Power Limits im Aorus-Notebook zurückzuführen. Der Core i7-12800HX im Raider GE67 HX 12UGS ist dem Core i9-12900HX dicht auf den Fersen - in den meisten CPU-Tests liegen sie nur einstellige Prozentpunkte auseinander.
Die Konfiguration des Titan GT77 mit Core i7-12800HX könnte daher eine gute Wahl sein, wenn Sie etwas Geld sparen möchten, ohne dabei viel Leistung zu verlieren.
Die Muli-Core-Leistung ist im Akkumodus rund 37,2 % schwächer.
Cinebench R23: Multi Core | Single Core
Cinebench R20: CPU (Multi Core) | CPU (Single Core)
Cinebench R15: CPU Multi 64Bit | CPU Single 64Bit
Blender: v2.79 BMW27 CPU
7-Zip 18.03: 7z b 4 | 7z b 4 -mmt1
Geekbench 5.5: Multi-Core | Single-Core
HWBOT x265 Benchmark v2.2: 4k Preset
LibreOffice : 20 Documents To PDF
R Benchmark 2.5: Overall mean
| CPU Performance Rating | |
| Durchschnittliche Intel Core i9-12900K | |
| Durchschnitt der Klasse Gaming | |
| MSI Titan GT77 12UHS | |
| MSI Raider GE77 HX 12UHS | |
| Durchschnittliche Intel Core i9-12900HX | |
| MSI GE67 HX 12UGS | |
| Aorus 17X XES | |
| MSI GE76 Raider | |
| Alienware x17 R2 P48E | |
| Gigabyte Aero 16 YE5 | |
| Asus ROG Zephyrus Duo 16 GX650RX | |
| Cinebench R23 / Multi Core | |
| Durchschnittliche Intel Core i9-12900K (25245 - 27005, n=2) | |
| Durchschnitt der Klasse Gaming (10488 - 40970, n=124, der letzten 2 Jahre) | |
| MSI Raider GE77 HX 12UHS | |
| MSI Titan GT77 12UHS | |
| Durchschnittliche Intel Core i9-12900HX (18337 - 23482, n=8) | |
| MSI GE67 HX 12UGS | |
| Alienware x17 R2 P48E | |
| Aorus 17X XES | |
| MSI GE76 Raider | |
| Gigabyte Aero 16 YE5 | |
| Asus ROG Zephyrus Duo 16 GX650RX | |
| Cinebench R23 / Single Core | |
| Durchschnittliche Intel Core i9-12900K (1998 - 2011, n=2) | |
| Durchschnitt der Klasse Gaming (1166 - 2267, n=124, der letzten 2 Jahre) | |
| Gigabyte Aero 16 YE5 | |
| Aorus 17X XES | |
| Durchschnittliche Intel Core i9-12900HX (1897 - 1936, n=8) | |
| MSI Titan GT77 12UHS | |
| MSI GE76 Raider | |
| MSI Raider GE77 HX 12UHS | |
| Alienware x17 R2 P48E | |
| MSI GE67 HX 12UGS | |
| Asus ROG Zephyrus Duo 16 GX650RX | |
| Cinebench R20 / CPU (Multi Core) | |
| Durchschnittliche Intel Core i9-12900K (9630 - 10240, n=2) | |
| Durchschnitt der Klasse Gaming (4029 - 16108, n=123, der letzten 2 Jahre) | |
| MSI Raider GE77 HX 12UHS | |
| MSI Titan GT77 12UHS | |
| Durchschnittliche Intel Core i9-12900HX (7037 - 9042, n=8) | |
| MSI GE67 HX 12UGS | |
| Alienware x17 R2 P48E | |
| Aorus 17X XES | |
| Gigabyte Aero 16 YE5 | |
| MSI GE76 Raider | |
| Asus ROG Zephyrus Duo 16 GX650RX | |
| Cinebench R20 / CPU (Single Core) | |
| Durchschnittliche Intel Core i9-12900K (766 - 777, n=2) | |
| Durchschnitt der Klasse Gaming (442 - 870, n=123, der letzten 2 Jahre) | |
| MSI Raider GE77 HX 12UHS | |
| Aorus 17X XES | |
| MSI Titan GT77 12UHS | |
| Durchschnittliche Intel Core i9-12900HX (728 - 745, n=8) | |
| MSI GE76 Raider | |
| Alienware x17 R2 P48E | |
| Gigabyte Aero 16 YE5 | |
| MSI GE67 HX 12UGS | |
| Asus ROG Zephyrus Duo 16 GX650RX | |
| Cinebench R15 / CPU Multi 64Bit | |
| Durchschnitt der Klasse Gaming (1578 - 6271, n=124, der letzten 2 Jahre) | |
| Durchschnittliche Intel Core i9-12900K (3473 - 4102, n=3) | |
| MSI Titan GT77 12UHS | |
| MSI Raider GE77 HX 12UHS | |
| Durchschnittliche Intel Core i9-12900HX (2830 - 3652, n=8) | |
| MSI GE67 HX 12UGS | |
| Alienware x17 R2 P48E | |
| MSI GE76 Raider | |
| Aorus 17X XES | |
| Gigabyte Aero 16 YE5 | |
| Asus ROG Zephyrus Duo 16 GX650RX | |
| Cinebench R15 / CPU Single 64Bit | |
| Durchschnitt der Klasse Gaming (188.8 - 343, n=123, der letzten 2 Jahre) | |
| Durchschnittliche Intel Core i9-12900K (286 - 292, n=3) | |
| MSI Raider GE77 HX 12UHS | |
| Gigabyte Aero 16 YE5 | |
| MSI Titan GT77 12UHS | |
| Durchschnittliche Intel Core i9-12900HX (274 - 282, n=8) | |
| Aorus 17X XES | |
| MSI GE76 Raider | |
| Alienware x17 R2 P48E | |
| MSI GE67 HX 12UGS | |
| Asus ROG Zephyrus Duo 16 GX650RX | |
| Blender / v2.79 BMW27 CPU | |
| Asus ROG Zephyrus Duo 16 GX650RX | |
| Aorus 17X XES | |
| Gigabyte Aero 16 YE5 | |
| MSI GE76 Raider | |
| Alienware x17 R2 P48E | |
| Durchschnittliche Intel Core i9-12900HX (144 - 201, n=8) | |
| MSI GE67 HX 12UGS | |
| Durchschnitt der Klasse Gaming (80 - 330, n=120, der letzten 2 Jahre) | |
| MSI Raider GE77 HX 12UHS | |
| MSI Titan GT77 12UHS | |
| Durchschnittliche Intel Core i9-12900K (121.1 - 128.3, n=2) | |
| 7-Zip 18.03 / 7z b 4 | |
| Durchschnittliche Intel Core i9-12900K (96960 - 97671, n=2) | |
| Durchschnitt der Klasse Gaming (33491 - 148086, n=121, der letzten 2 Jahre) | |
| MSI Raider GE77 HX 12UHS | |
| MSI Titan GT77 12UHS | |
| Durchschnittliche Intel Core i9-12900HX (69778 - 88128, n=7) | |
| MSI GE67 HX 12UGS | |
| MSI GE76 Raider | |
| Aorus 17X XES | |
| Alienware x17 R2 P48E | |
| Gigabyte Aero 16 YE5 | |
| Asus ROG Zephyrus Duo 16 GX650RX | |
| 7-Zip 18.03 / 7z b 4 -mmt1 | |
| Durchschnittliche Intel Core i9-12900K (6571 - 6580, n=2) | |
| Durchschnitt der Klasse Gaming (4199 - 7508, n=121, der letzten 2 Jahre) | |
| MSI Raider GE77 HX 12UHS | |
| Aorus 17X XES | |
| Durchschnittliche Intel Core i9-12900HX (6165 - 6358, n=7) | |
| MSI Titan GT77 12UHS | |
| Gigabyte Aero 16 YE5 | |
| MSI GE76 Raider | |
| Alienware x17 R2 P48E | |
| Asus ROG Zephyrus Duo 16 GX650RX | |
| MSI GE67 HX 12UGS | |
| Geekbench 5.5 / Multi-Core | |
| Durchschnittliche Intel Core i9-12900K (17698 - 17854, n=2) | |
| Durchschnitt der Klasse Gaming (6460 - 27010, n=121, der letzten 2 Jahre) | |
| MSI Raider GE77 HX 12UHS | |
| MSI Titan GT77 12UHS | |
| Durchschnittliche Intel Core i9-12900HX (15116 - 16925, n=8) | |
| Aorus 17X XES | |
| MSI GE67 HX 12UGS | |
| Gigabyte Aero 16 YE5 | |
| Alienware x17 R2 P48E | |
| MSI GE76 Raider | |
| Asus ROG Zephyrus Duo 16 GX650RX | |
| Geekbench 5.5 / Single-Core | |
| Durchschnitt der Klasse Gaming (986 - 2474, n=121, der letzten 2 Jahre) | |
| Durchschnittliche Intel Core i9-12900K (1969 - 2042, n=2) | |
| MSI Raider GE77 HX 12UHS | |
| MSI Titan GT77 12UHS | |
| MSI GE76 Raider | |
| Durchschnittliche Intel Core i9-12900HX (1874 - 1949, n=8) | |
| Aorus 17X XES | |
| Alienware x17 R2 P48E | |
| Gigabyte Aero 16 YE5 | |
| MSI GE67 HX 12UGS | |
| Asus ROG Zephyrus Duo 16 GX650RX | |
| HWBOT x265 Benchmark v2.2 / 4k Preset | |
| Durchschnittliche Intel Core i9-12900K (29 - 30, n=2) | |
| Durchschnitt der Klasse Gaming (11.5 - 44.3, n=121, der letzten 2 Jahre) | |
| MSI Raider GE77 HX 12UHS | |
| MSI Titan GT77 12UHS | |
| Durchschnittliche Intel Core i9-12900HX (19.6 - 26.6, n=7) | |
| MSI GE67 HX 12UGS | |
| Alienware x17 R2 P48E | |
| MSI GE76 Raider | |
| Aorus 17X XES | |
| Gigabyte Aero 16 YE5 | |
| Asus ROG Zephyrus Duo 16 GX650RX | |
| LibreOffice / 20 Documents To PDF | |
| Durchschnitt der Klasse Gaming (19 - 88.8, n=121, der letzten 2 Jahre) | |
| Asus ROG Zephyrus Duo 16 GX650RX | |
| MSI Raider GE77 HX 12UHS | |
| MSI GE67 HX 12UGS | |
| Alienware x17 R2 P48E | |
| Durchschnittliche Intel Core i9-12900K (38.1 - 40.6, n=2) | |
| Gigabyte Aero 16 YE5 | |
| MSI Titan GT77 12UHS | |
| MSI GE76 Raider | |
| Aorus 17X XES | |
| Durchschnittliche Intel Core i9-12900HX (33.6 - 42.4, n=7) | |
| R Benchmark 2.5 / Overall mean | |
| Asus ROG Zephyrus Duo 16 GX650RX | |
| MSI GE67 HX 12UGS | |
| Alienware x17 R2 P48E | |
| Durchschnitt der Klasse Gaming (0.3439 - 0.759, n=122, der letzten 2 Jahre) | |
| MSI GE76 Raider | |
| MSI Raider GE77 HX 12UHS | |
| Durchschnittliche Intel Core i9-12900HX (0.4159 - 0.4242, n=7) | |
| MSI Titan GT77 12UHS | |
| Aorus 17X XES | |
| Gigabyte Aero 16 YE5 | |
| Durchschnittliche Intel Core i9-12900K (0.3946 - 0.4216, n=2) | |
* ... kleinere Werte sind besser
AIDA64: FP32 Ray-Trace | FPU Julia | CPU SHA3 | CPU Queen | FPU SinJulia | FPU Mandel | CPU AES | CPU ZLib | FP64 Ray-Trace | CPU PhotoWorxx
| Performance Rating | |
| Durchschnitt der Klasse Gaming | |
| MSI Raider GE77 HX 12UHS | |
| MSI Titan GT77 12UHS | |
| Durchschnittliche Intel Core i9-12900HX | |
| Durchschnittliche Intel Core i9-12900K | |
| Asus ROG Zephyrus Duo 16 GX650RX | |
| Aorus 17X XES | |
| MSI GE67 HX 12UGS | |
| Alienware x17 R2 P48E | |
| MSI GE76 Raider | |
| Gigabyte Aero 16 YE5 | |
| AIDA64 / FP32 Ray-Trace | |
| Durchschnitt der Klasse Gaming (10227 - 85542, n=121, der letzten 2 Jahre) | |
| MSI Titan GT77 12UHS | |
| MSI Raider GE77 HX 12UHS | |
| Durchschnittliche Intel Core i9-12900HX (11535 - 22183, n=7) | |
| Asus ROG Zephyrus Duo 16 GX650RX | |
| Aorus 17X XES | |
| Durchschnittliche Intel Core i9-12900K (12739 - 13345, n=3) | |
| MSI GE67 HX 12UGS | |
| Alienware x17 R2 P48E | |
| MSI GE76 Raider | |
| Gigabyte Aero 16 YE5 | |
| AIDA64 / FPU Julia | |
| Durchschnitt der Klasse Gaming (51376 - 238426, n=121, der letzten 2 Jahre) | |
| MSI Raider GE77 HX 12UHS | |
| MSI Titan GT77 12UHS | |
| Asus ROG Zephyrus Duo 16 GX650RX | |
| Durchschnittliche Intel Core i9-12900HX (52916 - 110093, n=7) | |
| Aorus 17X XES | |
| Durchschnittliche Intel Core i9-12900K (58406 - 59419, n=3) | |
| MSI GE67 HX 12UGS | |
| Alienware x17 R2 P48E | |
| MSI GE76 Raider | |
| Gigabyte Aero 16 YE5 | |
| AIDA64 / CPU SHA3 | |
| Durchschnitt der Klasse Gaming (2180 - 9817, n=121, der letzten 2 Jahre) | |
| MSI Raider GE77 HX 12UHS | |
| Durchschnittliche Intel Core i9-12900K (4796 - 5127, n=3) | |
| MSI Titan GT77 12UHS | |
| Durchschnittliche Intel Core i9-12900HX (3559 - 5123, n=7) | |
| MSI GE67 HX 12UGS | |
| Aorus 17X XES | |
| Asus ROG Zephyrus Duo 16 GX650RX | |
| Alienware x17 R2 P48E | |
| MSI GE76 Raider | |
| Gigabyte Aero 16 YE5 | |
| AIDA64 / CPU Queen | |
| Durchschnitt der Klasse Gaming (49785 - 173351, n=118, der letzten 2 Jahre) | |
| Durchschnittliche Intel Core i9-12900K (112066 - 112694, n=3) | |
| Alienware x17 R2 P48E | |
| Gigabyte Aero 16 YE5 | |
| MSI GE76 Raider | |
| Asus ROG Zephyrus Duo 16 GX650RX | |
| Aorus 17X XES | |
| MSI Titan GT77 12UHS | |
| Durchschnittliche Intel Core i9-12900HX (101029 - 104457, n=7) | |
| MSI Raider GE77 HX 12UHS | |
| MSI GE67 HX 12UGS | |
| AIDA64 / FPU SinJulia | |
| Durchschnittliche Intel Core i9-12900K (14590 - 14664, n=3) | |
| Durchschnitt der Klasse Gaming (4424 - 33636, n=121, der letzten 2 Jahre) | |
| MSI Titan GT77 12UHS | |
| Asus ROG Zephyrus Duo 16 GX650RX | |
| MSI Raider GE77 HX 12UHS | |
| Durchschnittliche Intel Core i9-12900HX (10475 - 13062, n=7) | |
| MSI GE67 HX 12UGS | |
| Aorus 17X XES | |
| Alienware x17 R2 P48E | |
| MSI GE76 Raider | |
| Gigabyte Aero 16 YE5 | |
| AIDA64 / FPU Mandel | |
| Durchschnitt der Klasse Gaming (25115 - 128721, n=121, der letzten 2 Jahre) | |
| Asus ROG Zephyrus Duo 16 GX650RX | |
| MSI Titan GT77 12UHS | |
| MSI Raider GE77 HX 12UHS | |
| Durchschnittliche Intel Core i9-12900HX (31779 - 53628, n=7) | |
| Aorus 17X XES | |
| Durchschnittliche Intel Core i9-12900K (35801 - 39323, n=3) | |
| MSI GE67 HX 12UGS | |
| Alienware x17 R2 P48E | |
| MSI GE76 Raider | |
| Gigabyte Aero 16 YE5 | |
| AIDA64 / CPU AES | |
| MSI Raider GE77 HX 12UHS | |
| MSI Titan GT77 12UHS | |
| Durchschnittliche Intel Core i9-12900HX (125268 - 183146, n=7) | |
| Asus ROG Zephyrus Duo 16 GX650RX | |
| Aorus 17X XES | |
| Durchschnittliche Intel Core i9-12900K (94062 - 140055, n=3) | |
| MSI GE67 HX 12UGS | |
| Durchschnitt der Klasse Gaming (39258 - 247074, n=121, der letzten 2 Jahre) | |
| Alienware x17 R2 P48E | |
| MSI GE76 Raider | |
| Gigabyte Aero 16 YE5 | |
| AIDA64 / CPU ZLib | |
| Durchschnittliche Intel Core i9-12900K (1537 - 1608, n=3) | |
| Durchschnitt der Klasse Gaming (574 - 2531, n=121, der letzten 2 Jahre) | |
| MSI Raider GE77 HX 12UHS | |
| MSI Titan GT77 12UHS | |
| MSI GE67 HX 12UGS | |
| Durchschnittliche Intel Core i9-12900HX (990 - 1408, n=7) | |
| Alienware x17 R2 P48E | |
| MSI GE76 Raider | |
| Aorus 17X XES | |
| Gigabyte Aero 16 YE5 | |
| Asus ROG Zephyrus Duo 16 GX650RX | |
| AIDA64 / FP64 Ray-Trace | |
| Durchschnitt der Klasse Gaming (5509 - 45446, n=121, der letzten 2 Jahre) | |
| MSI Titan GT77 12UHS | |
| MSI Raider GE77 HX 12UHS | |
| Durchschnittliche Intel Core i9-12900HX (6663 - 11913, n=7) | |
| Asus ROG Zephyrus Duo 16 GX650RX | |
| Aorus 17X XES | |
| Durchschnittliche Intel Core i9-12900K (7586 - 8283, n=3) | |
| MSI GE67 HX 12UGS | |
| Alienware x17 R2 P48E | |
| MSI GE76 Raider | |
| Gigabyte Aero 16 YE5 | |
| AIDA64 / CPU PhotoWorxx | |
| MSI Raider GE77 HX 12UHS | |
| Durchschnittliche Intel Core i9-12900K (33311 - 49236, n=3) | |
| Durchschnitt der Klasse Gaming (12271 - 62916, n=121, der letzten 2 Jahre) | |
| Durchschnittliche Intel Core i9-12900HX (40239 - 47710, n=7) | |
| MSI Titan GT77 12UHS | |
| Aorus 17X XES | |
| MSI GE76 Raider | |
| Gigabyte Aero 16 YE5 | |
| Alienware x17 R2 P48E | |
| MSI GE67 HX 12UGS | |
| Asus ROG Zephyrus Duo 16 GX650RX | |
Werfen Sie einen Blick auf unsere Seite rund um den Intel Core i9-12900HX, um mehr Informationen und Benchmark-Vergleiche zu erhalten.
Systemleistung
Die allgemeine Systemleistung entspricht unseren Erwartungen an einen so gut ausgestatteten Laptop. Die Lese-/Schreibraten der RAM sind im Vergleich zum Raider GE77 HX 12UHS allerdings etwys enttäuschend. Ansonsten sind uns keine Probleme bei der Verwendung im Alltag oder beim Surfen im Internet aufgefallen.
CrossMark: Overall | Productivity | Creativity | Responsiveness
| PCMark 10 / Score | |
| MSI Titan GT77 12UHS | |
| Alienware x17 R2 P48E | |
| Durchschnitt der Klasse Gaming (5828 - 10060, n=103, der letzten 2 Jahre) | |
| MSI GE67 HX 12UGS | |
| MSI GE76 Raider | |
| Durchschnittliche Intel Core i9-12900HX, NVIDIA GeForce RTX 3080 Ti Laptop GPU (6812 - 8636, n=6) | |
| Aorus 17X XES | |
| Gigabyte Aero 16 YE5 | |
| MSI Raider GE77 HX 12UHS | |
| Asus ROG Zephyrus Duo 16 GX650RX | |
| PCMark 10 / Essentials | |
| Alienware x17 R2 P48E | |
| MSI Titan GT77 12UHS | |
| Gigabyte Aero 16 YE5 | |
| MSI GE67 HX 12UGS | |
| MSI GE76 Raider | |
| Durchschnitt der Klasse Gaming (8810 - 12600, n=107, der letzten 2 Jahre) | |
| Durchschnittliche Intel Core i9-12900HX, NVIDIA GeForce RTX 3080 Ti Laptop GPU (9598 - 11192, n=6) | |
| Aorus 17X XES | |
| MSI Raider GE77 HX 12UHS | |
| Asus ROG Zephyrus Duo 16 GX650RX | |
| PCMark 10 / Productivity | |
| Durchschnitt der Klasse Gaming (6662 - 16716, n=105, der letzten 2 Jahre) | |
| Durchschnittliche Intel Core i9-12900HX, NVIDIA GeForce RTX 3080 Ti Laptop GPU (9365 - 10932, n=6) | |
| Aorus 17X XES | |
| MSI Titan GT77 12UHS | |
| Alienware x17 R2 P48E | |
| MSI GE76 Raider | |
| Gigabyte Aero 16 YE5 | |
| MSI GE67 HX 12UGS | |
| MSI Raider GE77 HX 12UHS | |
| Asus ROG Zephyrus Duo 16 GX650RX | |
| PCMark 10 / Digital Content Creation | |
| Durchschnitt der Klasse Gaming (7602 - 19351, n=105, der letzten 2 Jahre) | |
| MSI Titan GT77 12UHS | |
| Alienware x17 R2 P48E | |
| MSI GE76 Raider | |
| MSI GE67 HX 12UGS | |
| Durchschnittliche Intel Core i9-12900HX, NVIDIA GeForce RTX 3080 Ti Laptop GPU (9543 - 14291, n=6) | |
| Aorus 17X XES | |
| Gigabyte Aero 16 YE5 | |
| MSI Raider GE77 HX 12UHS | |
| Asus ROG Zephyrus Duo 16 GX650RX | |
| CrossMark / Overall | |
| MSI Raider GE77 HX 12UHS | |
| Aorus 17X XES | |
| Durchschnittliche Intel Core i9-12900HX, NVIDIA GeForce RTX 3080 Ti Laptop GPU (2108 - 2170, n=5) | |
| Gigabyte Aero 16 YE5 | |
| MSI Titan GT77 12UHS | |
| MSI GE67 HX 12UGS | |
| Durchschnitt der Klasse Gaming (1366 - 2344, n=105, der letzten 2 Jahre) | |
| Alienware x17 R2 P48E | |
| Asus ROG Zephyrus Duo 16 GX650RX | |
| CrossMark / Productivity | |
| MSI Raider GE77 HX 12UHS | |
| Gigabyte Aero 16 YE5 | |
| Aorus 17X XES | |
| Durchschnittliche Intel Core i9-12900HX, NVIDIA GeForce RTX 3080 Ti Laptop GPU (1978 - 2047, n=5) | |
| MSI Titan GT77 12UHS | |
| MSI GE67 HX 12UGS | |
| Durchschnitt der Klasse Gaming (1386 - 2211, n=105, der letzten 2 Jahre) | |
| Alienware x17 R2 P48E | |
| Asus ROG Zephyrus Duo 16 GX650RX | |
| CrossMark / Creativity | |
| MSI Raider GE77 HX 12UHS | |
| Durchschnittliche Intel Core i9-12900HX, NVIDIA GeForce RTX 3080 Ti Laptop GPU (2288 - 2366, n=5) | |
| Aorus 17X XES | |
| MSI Titan GT77 12UHS | |
| Durchschnitt der Klasse Gaming (1343 - 2729, n=105, der letzten 2 Jahre) | |
| Gigabyte Aero 16 YE5 | |
| Alienware x17 R2 P48E | |
| MSI GE67 HX 12UGS | |
| Asus ROG Zephyrus Duo 16 GX650RX | |
| CrossMark / Responsiveness | |
| Gigabyte Aero 16 YE5 | |
| Aorus 17X XES | |
| MSI Raider GE77 HX 12UHS | |
| Durchschnittliche Intel Core i9-12900HX, NVIDIA GeForce RTX 3080 Ti Laptop GPU (1991 - 2090, n=5) | |
| MSI Titan GT77 12UHS | |
| MSI GE67 HX 12UGS | |
| Asus ROG Zephyrus Duo 16 GX650RX | |
| Durchschnitt der Klasse Gaming (1226 - 2217, n=105, der letzten 2 Jahre) | |
| Alienware x17 R2 P48E | |
| PCMark 8 Home Score Accelerated v2 | 6253 Punkte | |
| PCMark 8 Creative Score Accelerated v2 | 10390 Punkte | |
| PCMark 8 Work Score Accelerated v2 | 7085 Punkte | |
| PCMark 10 Score | 8203 Punkte | |
Hilfe | ||
| AIDA64 / Memory Copy | |
| MSI Raider GE77 HX 12UHS | |
| Durchschnitt der Klasse Gaming (21750 - 108104, n=121, der letzten 2 Jahre) | |
| Durchschnittliche Intel Core i9-12900HX (62852 - 70863, n=7) | |
| MSI Titan GT77 12UHS | |
| Aorus 17X XES | |
| MSI GE76 Raider | |
| Gigabyte Aero 16 YE5 | |
| Alienware x17 R2 P48E | |
| Asus ROG Zephyrus Duo 16 GX650RX | |
| MSI GE67 HX 12UGS | |
| AIDA64 / Memory Read | |
| Durchschnitt der Klasse Gaming (22956 - 104349, n=121, der letzten 2 Jahre) | |
| MSI Raider GE77 HX 12UHS | |
| Aorus 17X XES | |
| Durchschnittliche Intel Core i9-12900HX (62140 - 72930, n=7) | |
| Gigabyte Aero 16 YE5 | |
| MSI GE76 Raider | |
| MSI Titan GT77 12UHS | |
| MSI GE67 HX 12UGS | |
| Alienware x17 R2 P48E | |
| Asus ROG Zephyrus Duo 16 GX650RX | |
| AIDA64 / Memory Write | |
| Durchschnitt der Klasse Gaming (22297 - 133486, n=121, der letzten 2 Jahre) | |
| MSI Raider GE77 HX 12UHS | |
| MSI GE76 Raider | |
| Durchschnittliche Intel Core i9-12900HX (60001 - 68782, n=7) | |
| Gigabyte Aero 16 YE5 | |
| MSI Titan GT77 12UHS | |
| Aorus 17X XES | |
| MSI GE67 HX 12UGS | |
| Asus ROG Zephyrus Duo 16 GX650RX | |
| Alienware x17 R2 P48E | |
| AIDA64 / Memory Latency | |
| Durchschnitt der Klasse Gaming (75.3 - 259, n=121, der letzten 2 Jahre) | |
| Alienware x17 R2 P48E | |
| MSI GE67 HX 12UGS | |
| MSI GE76 Raider | |
| Asus ROG Zephyrus Duo 16 GX650RX | |
| Gigabyte Aero 16 YE5 | |
| MSI Titan GT77 12UHS | |
| Durchschnittliche Intel Core i9-12900HX (83.9 - 93.4, n=7) | |
| Aorus 17X XES | |
| MSI Raider GE77 HX 12UHS | |
* ... kleinere Werte sind besser
DPC-Latenzen
Der MSI Titan GT77 leidet im dGPU-Modus unter hohen DPC-Latenzen. Grund dafür ist die hohe Ausführungszeit des Nvidia-Treibers. Ein Wechsel in den MSHybrid-Modus verbessert die DPC-Latenz deutlich. Dennoch könnten Nutzer die Leistungseinstellungen noch feiner Abstimmen, wenn sie viel mit Real-Time-Audio/Video arbeiten.
| DPC Latencies / LatencyMon - interrupt to process latency (max), Web, Youtube, Prime95 | |
| MSI Titan GT77 12UHS (dGPU) | |
| MSI Titan GT77 12UHS (MSHybrid) | |
| MSI GE67 HX 12UGS (Edge 103.0.1264.37) | |
| MSI Raider GE77 HX 12UHS | |
| MSI GE76 Raider | |
| Aorus 17X XES | |
| Alienware x17 R2 P48E (Edge 101.0.1210.32) | |
| Gigabyte Aero 16 YE5 | |
| Asus ROG Zephyrus Duo 16 GX650RX | |
* ... kleinere Werte sind besser
Unsere Seite DPC Latenz Ranking bietet weitere Vergleiche der DPC-Latenzen unserer getesteten Geräte.
Massenspeicher
Bei den Massenspeichergeräten hat MSI noch Verbesserungspotenzial. Unser Testgerät ist zwar (ganze vier Mal) mit der High-End NVMe-SSD PM9A1 von Samsung ausgestattet, doch das Fehlen einer eigenen Kühllösung führt dazu, dass die Leistung dieser Speichergeräte deutlich unterhalb des Möglichen liegt.
Die ersten Benchmark-Durchläufe zeigten bis auf die D:\-Platte bei allen Geräten eine schlechte sequenzielle Lese-/Schreibrate. Erst in weiteren Durchläufen wurde eine einigermaßen gleichwertige Leistung aller Massenspeicher erreicht.
Der erste M.2-Steckplatz ist mit PCIe Gen5 kompatibel. Das ist gut, wenn Sie vorhaben, später auf die nächste Speichergeneration zu wechseln. Dieser und ein zweiter M.2-Steckplatz (PCIe Gen4) ist direkt mit der CPU verbunden. Es sind zwei weitere M.2 PCIe Gen4-Steckplätze vorhanden, die mit dem Chipsatz verbunden sind.
Es gibt keine Möglichkeit, zusätzliche 2,5-Zoll-SATA-Speicher einzubauen.
* ... kleinere Werte sind besser
Aufgrund der fehlenden Kühllösung für die Massenspeicher kam es bei den Lese-/Schreibbenchmarks oft zu groben Leistungseinbrüchen. Die Samsung PM9A1 ist nicht in der Lage, eine gute Leserate langfristig aufrechtzuhalten. Das zeigt sich in unserem DiskSpd-Read-Queue-Depth-8-Dauertest.
Dauerleistung Lesen: DiskSpd Read Loop, Queue Depth 8
Werfen Sie einen Blick auf unsere SSD- und HDD-Benchmarks-Seite mit noch mehr Massenspeicher-Vergleichen.
Grafikkarte
Unser Titan-GT77-Testgerät ist mit einer 175-W-RTX-3080-Ti-Laptop-GPU ausgestattet. Weder MSI noch Intel geben genauere Informationen über den Dynamic Boost dieser GPU - wir vermuten er liegt bei 15 W.
Die allgemeine 3DMark-Leistung liegt mit anderen RTX-3080-Ti-Laptops im Vergleichsfeld gleichauf. Die RTX 3080 Ti im Gigabyte Aero 16 YE5 ist im 3DMark aufgrund der geringen 105-W-TGP insgesamt um etwa 26 % langsamer.
Die GPU-Leistung fällt im Akkumodus deutlich geringer aus. Im Test Time Spy Graphics haben wir einen Leistungsverlust von 75 % gemessen. Laut 3DMark entspricht diese reduzierte Leistung in Battlefield V mit der Einstellung 1.440p Ultra immer noch einer Framerate von rund 40p fps.
Ohne Netzgerät sinkt die Bildwiederholrate außerdem von 360 auf 60 Hz.
| 3DMark 11 Performance | 36141 Punkte | |
| 3DMark Ice Storm Standard Score | 290945 Punkte | |
| 3DMark Cloud Gate Standard Score | 65134 Punkte | |
| 3DMark Fire Strike Score | 30196 Punkte | |
| 3DMark Fire Strike Extreme Score | 16347 Punkte | |
| 3DMark Time Spy Score | 13618 Punkte | |
Hilfe | ||
Gamingleistung
Das Titan GT77 nimmt in den meisten von uns getesteten Spielen die Spitzenposition ein bzw. liegt in vielen Fällen mit dem Raider GE77 HX 12 UHS gleichauf. Die RTX 3080 Ti kann eine gute Anzahl Spiele mit 4K Ultra mit Frameraten über 60 fps darstellen. Auch die Ray-Tracing-Leistung ist gut - hier sollten Nutzer für höhere Frameraten allerdings DLSS aktivieren.
| F1 2021 | |
| 1920x1080 Medium Preset AA:T AF:16x | |
| MSI Titan GT77 12UHS | |
| MSI GE76 Raider | |
| Durchschnittliche NVIDIA GeForce RTX 3080 Ti Laptop GPU (207 - 401, n=17) | |
| Asus ROG Zephyrus Duo 16 GX650RX | |
| MSI Raider GE77 HX 12UHS | |
| Gigabyte Aero 16 YE5 | |
| 1920x1080 High Preset AA:T AF:16x | |
| MSI Titan GT77 12UHS | |
| MSI GE76 Raider | |
| Durchschnittliche NVIDIA GeForce RTX 3080 Ti Laptop GPU (182.1 - 316, n=17) | |
| Asus ROG Zephyrus Duo 16 GX650RX | |
| MSI Raider GE77 HX 12UHS | |
| Gigabyte Aero 16 YE5 | |
| 1920x1080 Ultra High Preset + Raytracing AA:T AF:16x | |
| MSI Titan GT77 12UHS | |
| MSI GE76 Raider | |
| MSI Raider GE77 HX 12UHS | |
| Asus ROG Zephyrus Duo 16 GX650RX | |
| Durchschnittliche NVIDIA GeForce RTX 3080 Ti Laptop GPU (30.2 - 160.6, n=30) | |
| Gigabyte Aero 16 YE5 | |
The Witcher 3 FPS-Tabelle
Die Framerate in The Witcher 3 mit 1.080p Ultra, wobei die Figur für die Gesamtdauer des Tests nicht bewegt wird, bleibt relativ konstant und es gibt keine wahrnehmbaren Anzeichen auf Throttling.
| min. | mittel | hoch | max. | |
|---|---|---|---|---|
| GTA V (2015) | 187.1 | 186.8 | 182.7 | 131.8 |
| The Witcher 3 (2015) | 543 | 411 | 260 | 129.3 |
| Dota 2 Reborn (2015) | 204.5 | 184.5 | 179.8 | 170.5 |
| Final Fantasy XV Benchmark (2018) | 222 | 189.3 | 137.6 | |
| X-Plane 11.11 (2018) | 184 | 160.4 | 123.8 | |
| Far Cry 5 (2018) | 192 | 173 | 164 | 153 |
| Strange Brigade (2018) | 535 | 313 | 248 | 219 |
| Watch Dogs Legion (2020) | 141.4 | 134.1 | 121.4 | 84 |
| F1 2021 (2021) | 404 | 383 | 302 | 158.2 |
| Cyberpunk 2077 1.6 (2022) | 169.8 | 150.3 | 120.5 | 99.4 |
| F1 22 (2022) | 226 | 227 | 196.5 | 79.8 |
Werfen Sie einen Blick auf unsere Seite rund um die Nvidia GeForce RTX 3080 Ti Laptop GPU sowie unsere Gaming-Benchmark-Seite mit weiteren Informationen und Gaming-Vergleichen.
Emissionen: Mit viel Kraft kommt auch viel Lärm und Hitze
Geräuschemissionen
Die Kombination aus den besten Chips auf dem Markt mit einem riesigen Kühlsystem bedeutet, dass das Titan GT77 Gas geben kann wie kein anderer - insbesondere im Extreme-Performance-Modus. Dennoch bleibt der Laptop im Leerlauf in allen getesteten Leistungsmodi relativ lautlos.
Die Modi "Ausgeglichen" und "Extreme Performance" sind, abgesehen von einer um 25 W niedrigeren PL1 im Modus "Ausgeglichen", sehr ähnlich. Auch das Geräuschprofil dieser beiden Leistungsmodi ähnelt sich über verschiedene Last-Szenarien. Dennoch scheint MSI die Geräuschemissionen im Modus "Ausgeglichen" auf rund 50 dB(A) eingeschränkt zu haben, während die Lüfter im "Extreme Performance"-Profil mit 57 dB(A) etwas lauter werden können.
Wenn du für Aufgaben, die wenig Leistung erfordern, eine leisere Arbeitsumgebung haben möchtest, könntest du das Profil "Lautlos" auswählen. Hier bleibt das Lüftergeräusch immer knapp unter der 35 dB(A)-Marke.
Lautstärkediagramm
| Idle |
| 24.53 / 24.53 / 24.53 dB(A) |
| Last |
| 46.25 / 54.25 dB(A) |
![]() | ||
30 dB leise 40 dB(A) deutlich hörbar 50 dB(A) störend |
||
min: | ||
| MSI Titan GT77 12UHS Intel Core i9-12900HX, NVIDIA GeForce RTX 3080 Ti Laptop GPU | Aorus 17X XES Intel Core i9-12900HX, NVIDIA GeForce RTX 3070 Ti Laptop GPU | MSI Raider GE77 HX 12UHS Intel Core i9-12900HX, NVIDIA GeForce RTX 3080 Ti Laptop GPU | MSI GE67 HX 12UGS Intel Core i7-12800HX, NVIDIA GeForce RTX 3070 Ti Laptop GPU | Alienware x17 R2 P48E Intel Core i9-12900HK, NVIDIA GeForce RTX 3080 Ti Laptop GPU | |
|---|---|---|---|---|---|
| Geräuschentwicklung | -18% | -23% | 2% | 8% | |
| aus / Umgebung * (dB) | 21.9 | 26 -19% | 26 -19% | 22.7 -4% | 22.7 -4% |
| Idle min * (dB) | 24.53 | 28 -14% | 26 -6% | 22.9 7% | 23.1 6% |
| Idle avg * (dB) | 24.53 | 32 -30% | 34 -39% | 22.9 7% | 23.1 6% |
| Idle max * (dB) | 24.53 | 38 -55% | 46 -88% | 22.9 7% | 23.1 6% |
| Last avg * (dB) | 46.25 | 53 -15% | 50 -8% | 44.4 4% | 31.9 31% |
| Witcher 3 ultra * (dB) | 56.86 | 54 5% | 55 3% | 55.7 2% | 52.5 8% |
| Last max * (dB) | 54.25 | 55 -1% | 57 -5% | 57.4 -6% | 52.5 3% |
* ... kleinere Werte sind besser
Temperatur
Die Oberflächentemperatur befindet sich trotz robustem Kühlsystem klar im höheren Bereich. Wir haben auf der Oberseite der Basiseinheit während Prime95 und FurMark gleichzeitig liefen maximal 40,8 °C gemessen, auf der Unterseite erreichte die maximale Temperatur 52,4 °C.
Im Stresstest mit The Witcher 3 bei 1.080p Ultra steigt die Temperatur in den Hotspots auf 47 bzw. 47,6 °C (oben bzw. unten). Die Handballenablage und das Touchpad bleiben allerdings selbst in dieser Stresssituation relativ kühl.
(±) Die maximale Temperatur auf der Oberseite ist 40.8 °C. Im Vergleich liegt der Klassendurchschnitt bei 40.4 °C (von 21.2 bis 68.8 °C für die Klasse Gaming).
(-) Auf der Unterseite messen wir eine maximalen Wert von 52.4 °C (im Vergleich zum Durchschnitt von 43.3 °C).
(±) Ohne Last messen wir eine durchschnittliche Temperatur von 32 °C auf der Oberseite. Der Klassendurchschnitt erreicht 33.9 °C.
(-) Beim längeren Spielen von The Witcher 3 erhitzt sich das Gerät durchschnittlich auf 40.4 °C. Der Durchschnitt der Klasse ist derzeit 33.9 °C.
(+) Die Handballen und der Touchpad-Bereich erreichen maximal 33.4 °C und damit die typische Hauttemperatur und fühlen sich daher nicht heiß an.
(-) Die durchschnittliche Handballen-Temperatur anderer getesteter Geräte war 28.8 °C (-4.6 °C).
Aufgrund seines Gewichts würde man das Titan GT77 sowieso nicht auf dem Schoß verwenden. Auch wenn unsere Stresstests Extremsituationen darstellen, würden wir Nutzern empfehlen, den Laptop in den Leistungsmodi "Lautlos" oder "Ausgeglichen" zu betreiben, um sicherzustellen, dass die Oberflächentemperaturen innerhalb tolerierbarer Grenzen liegen.
| MSI Titan GT77 12UHS Intel Core i9-12900HX, NVIDIA GeForce RTX 3080 Ti Laptop GPU | Aorus 17X XES Intel Core i9-12900HX, NVIDIA GeForce RTX 3070 Ti Laptop GPU | MSI Raider GE77 HX 12UHS Intel Core i9-12900HX, NVIDIA GeForce RTX 3080 Ti Laptop GPU | MSI GE67 HX 12UGS Intel Core i7-12800HX, NVIDIA GeForce RTX 3070 Ti Laptop GPU | Alienware x17 R2 P48E Intel Core i9-12900HK, NVIDIA GeForce RTX 3080 Ti Laptop GPU | |
|---|---|---|---|---|---|
| Hitze | -13% | -16% | 20% | 8% | |
| Last oben max * (°C) | 40.8 | 54 -32% | 53 -30% | 34.4 16% | 49.6 -22% |
| Last unten max * (°C) | 52.4 | 58 -11% | 58 -11% | 42 20% | 42.4 19% |
| Idle oben max * (°C) | 34.6 | 37 -7% | 38 -10% | 24 31% | 29.2 16% |
| Idle unten max * (°C) | 38.4 | 39 -2% | 43 -12% | 33.2 14% | 32 17% |
* ... kleinere Werte sind besser
Stresstest
Belastet man den Titan GT77 mit dem Prime95 In-Place Large FFTs Test, steigt der Core i9-12900HX kurzfristig auf 4,1 GHz und nimmt dabei etwa 155 W auf. Nach rund vier Minuten beruhigen sich die Taktraten und pendeln sich zwischen 3 GHz und 3,5 GHz bei 120 W ein.
Laut MSI nutzt das Titan GT77 MSI OverBoost, um von CPU und GPU je nach Szenario eine kombinierte Last von 250 W zu erreichen (75 W CPU + 175 W GPU). Füget man Prime95 noch FurMark hinzu, steigt die CPU-Taktrate anfangs auf 4,1 GHz und rund 140 W und pendelt dann zwischen 3 GHz und 3,5 GHz bei 120 W. Die RTX-3080-Ti-Laptop-GPU zeigt in diesem Szenario eine inkonsistente Taktrate, die auch mit einer stark schwankenden Energieaufnahme einhergeht.
Zu Beginn des Durchlaufs nähert sich die GPU der TGP von 175 W, für den Großteil des Tests werden allerdings nur 80 - 90 W genutzt. Beizeiten steigt die Leistungsaufnahme auf 185 W, doch das führt dazu, dass die TDP der CPU auf 75 W fällt. Die GPU-Taktrate ist während des kombinierten Prime95- und FurMark-Stresstests nicht stabil und schwingt ständig zwischen der Basis- und Turbo-Taktrate hin und her, um dem Energiebedürfnis der CPU entgegenzukommen.
The Witcher 3 bei 1.080p Ultra ist ein realistischeres Belastungsszenario. Hier ist die Leistung deutlich berechenbarer. Obwohl der CPU-Takt weiterhin instabil ist, taktet die RTX 3080 Ti gleichmäßig mit 1,8 GHz und 165 W, nachdem die Taktrate anfangs kurz auf 2 GHz steigt. Die TDP der CPU übersteigt 35 W während dieses Tests nicht, was zu einer kombinierten Leistungsaufnahme von 200 W führt.
| Stresstest | CPU-Takt (GHz) | GPU-Takt (MHz) | Durchschnittliche CPU-Temperatur (°C) | Durchschnittliche GPU-Temperatur (°C) |
| Leerlauf | 0,75 | 210 | 39 | 46,4 |
| Prime95 | 3,2 | 210 | 85 | 42,1 |
| Prime95 + FurMark | 3,1 | 1.395 | 88 | 48,6 |
| The Witcher 3 | 1,6 | 1.964,6 | 58 | 78,4 |
Lautsprecher
Das Titan GT77 ist mit einem Lautsprechersystem aus zwei 2-W-Subwoofern und zwei 2-W-Lautsprechern ausgestattet. Die Audioqualität ist mit 83,4 dB(A) laut und reicht aus, um ein mittelgroßes Zimmer ohne große Verzerrungen bei hohen Lautstärken zu beschallen.
Das relativ große Gehäuse stellt sicher, dass die passiven Strahler genug Platz haben, um eine ordentliche Basswiedergabe zu erzeugen. Der Titan GT77 glänzt mit einer guten Wiedergabe der Mitten und Höhen. Subjektiv ist die Audioqualität für die meisten Anwendungsfälle mehr als passabel.
Gamer können mit einem guten Kopfhörer das Beste aus der verfügbaren Audio-Hardware herausholen. Audioliebhaber werden jedoch das Fehlen eines dedizierten Mikrofonanschlusses als ein bisschen enttäuschend empfinden.
Das MSI Titan GT77 hat keine Dolby-Atmos-Zertifizierung, doch die vorinstallierte App Nahimic bietet eine Vielzahl an Anpassungsmöglichkeiten.
MSI Titan GT77 12UHS Audio Analyse
(+) | Die Lautsprecher können relativ laut spielen (83.4 dB)
Bass 100 - 315 Hz
(-) | kaum Bass - 71.8% niedriger als der Median
(+) | lineare Bass-Wiedergabe (0% Delta zum Vorgänger)
Mitteltöne 400 - 2000 Hz
(-) | kaum Mitten, vom Median 71.8% abweichend
(+) | lineare Mitten (0% Delta zum Vorgänger)
Hochtöne 2 - 16 kHz
(-) | kaum Hochtöne, 71.8% geringer als der Median
(+) | sehr lineare Hochtöne (0% Delta zum Vorgänger)
Gesamt im hörbaren Bereich 100 - 16.000 Hz
(-) | hörbarer Bereich ist nur wenig linear (107.7% Abstand zum Median)
Im Vergleich zu allen Geräten derselben Klasse
» 100% aller getesteten Geräte dieser Klasse waren besser, 0% vergleichbar, 0% schlechter
» Das beste Gerät hat einen Delta-Wert von 6%, durchschnittlich ist 18%, das schlechteste Gerät hat 132%
Im Vergleich zu allen Geräten im Test
» 96% aller getesteten Geräte waren besser, 0% vergleichbar, 4% schlechter
» Das beste Gerät hat einen Delta-Wert von 4%, durchschnittlich ist 24%, das schlechteste Gerät hat 134%
Apple MacBook Pro 16 2021 M1 Pro Audio Analyse
(+) | Die Lautsprecher können relativ laut spielen (84.7 dB)
Bass 100 - 315 Hz
(+) | guter Bass - nur 3.8% Abweichung vom Median
(+) | lineare Bass-Wiedergabe (5.2% Delta zum Vorgänger)
Mitteltöne 400 - 2000 Hz
(+) | ausgeglichene Mitten, vom Median nur 1.3% abweichend
(+) | lineare Mitten (2.1% Delta zum Vorgänger)
Hochtöne 2 - 16 kHz
(+) | ausgeglichene Hochtöne, vom Median nur 1.9% abweichend
(+) | sehr lineare Hochtöne (2.7% Delta zum Vorgänger)
Gesamt im hörbaren Bereich 100 - 16.000 Hz
(+) | hörbarer Bereich ist sehr linear (4.6% Abstand zum Median
Im Vergleich zu allen Geräten derselben Klasse
» 0% aller getesteten Geräte dieser Klasse waren besser, 0% vergleichbar, 100% schlechter
» Das beste Gerät hat einen Delta-Wert von 5%, durchschnittlich ist 17%, das schlechteste Gerät hat 45%
Im Vergleich zu allen Geräten im Test
» 0% aller getesteten Geräte waren besser, 0% vergleichbar, 100% schlechter
» Das beste Gerät hat einen Delta-Wert von 4%, durchschnittlich ist 24%, das schlechteste Gerät hat 134%
Energieverwaltung: Inkonsistente Leistungsaufnahme bei maximaler Last
Energieaufnahme
Das inkludierte 330-W-Netzgerät ist ausreichend dimensioniert, um das Titan GT77 auch unter starker Belastung mit genügend Energie zu versorgen. Im Leerlauf und unter starker Last ist die Energieaufnahme relativ hoch, was aufgrund der leistungsstarken Features allerdings auch nicht weiter überrascht. Die Energieaufnahme unter Last lässt sich mit der des Raider GE77 HX 12UHS vergleichen.
Die kombinierte Belastung mit Prime95 und FurMark führt zu einer stark schwankenden Energieaufnahme, was auch unseren Beobachtungen während des Stresstests entspricht.
Das Alienware x17 R2 mit Core i9-12900HK ist insgesamt um etwa 8 % weniger energieeffizient.
| Aus / Standby | |
| Idle | |
| Last |
|
Legende:
min: | |
| MSI Titan GT77 12UHS i9-12900HX, GeForce RTX 3080 Ti Laptop GPU, 1920x1080, | Aorus 17X XES i9-12900HX, GeForce RTX 3070 Ti Laptop GPU, 1920x1080, | MSI Raider GE77 HX 12UHS i9-12900HX, GeForce RTX 3080 Ti Laptop GPU, 3840x2160, | MSI GE67 HX 12UGS i7-12800HX, GeForce RTX 3070 Ti Laptop GPU, 1920x1080, | Asus ROG Zephyrus Duo 16 GX650RX R9 6900HX, GeForce RTX 3080 Ti Laptop GPU, 3840x2400, | Alienware x17 R2 P48E i9-12900HK, GeForce RTX 3080 Ti Laptop GPU, 1920x1080, | Durchschnittliche NVIDIA GeForce RTX 3080 Ti Laptop GPU | Durchschnitt der Klasse Gaming | |
|---|---|---|---|---|---|---|---|---|
| Stromverbrauch | 8% | 16% | 23% | 23% | -8% | 19% | 32% | |
| Idle min * (Watt) | 30.21 | 18 40% | 13 57% | 16.1 47% | 19 37% | 24.1 20% | 17.2 ? 43% | 13.5 ? 55% |
| Idle avg * (Watt) | 32.42 | 28 14% | 19 41% | 17.1 47% | 24 26% | 28.5 12% | 23.3 ? 28% | 19.2 ? 41% |
| Idle max * (Watt) | 33.7 | 36 -7% | 29 14% | 26.6 21% | 31 8% | 60 -78% | 30.8 ? 9% | 24.6 ? 27% |
| Last avg * (Watt) | 125.09 | 153 -22% | 143 -14% | 116.3 7% | 104 17% | 128.7 -3% | 121.2 ? 3% | 108.2 ? 14% |
| Witcher 3 ultra * (Watt) | 256 | 221 14% | 247 4% | 237 7% | 186.5 27% | 254 1% | ||
| Last max * (Watt) | 321.88 | 290 10% | 352 -9% | 291.1 10% | 256 20% | 323 -0% | 276 ? 14% | 254 ? 21% |
* ... kleinere Werte sind besser
Energieaufnahme - The Witcher 3 / Stresstest
Energieaufnahme - Externer Monitor
Akkulaufzeit
Wie erwartet ist die Akkulaufzeit trotz großem 4-Zellen-99,9-Wh-Akku durchschnittlich.
Im H.264-1.080p-Video-Dauerlauftest hielt das Gerät 7 Stunden und 13 Minuten durch - unseren standardisierten WLAN-Surf-Test durchlief das Titan fast 7 Stunden lang. In beiden Fällen lag die Bildschirmhelligkeit bei 150 cd/m². Bei umsichtiger Nutzung mit geringerer Bildschirmhelligkeit, im Lautlos- oder Super-Akku-Modus und ohne RGB-Effekte am Gehäuse können Sie daher Laufzeiten erreichen, die einem typischen Arbeitstag nahe kommen.
Auch das Gamen ist im Akkumodus möglich - allerdings geht unserem Titan hier bereits nach 1,5 Stunden (bei reduzierter Bildschirmhelligkeit) die Puste aus. Alle Akkutests wurden im MSHybrid-Modus bei einer Bildwiederholrate von 60 Hz durchgeführt.
| MSI Titan GT77 12UHS i9-12900HX, GeForce RTX 3080 Ti Laptop GPU, 99.9 Wh | Aorus 17X XES i9-12900HX, GeForce RTX 3070 Ti Laptop GPU, 99 Wh | MSI Raider GE77 HX 12UHS i9-12900HX, GeForce RTX 3080 Ti Laptop GPU, 99.99 Wh | MSI GE67 HX 12UGS i7-12800HX, GeForce RTX 3070 Ti Laptop GPU, 99.9 Wh | Asus ROG Zephyrus Duo 16 GX650RX R9 6900HX, GeForce RTX 3080 Ti Laptop GPU, 90 Wh | Alienware x17 R2 P48E i9-12900HK, GeForce RTX 3080 Ti Laptop GPU, 87 Wh | Durchschnitt der Klasse Gaming | |
|---|---|---|---|---|---|---|---|
| Akkulaufzeit | -28% | 4% | 16% | 4% | -57% | -5% | |
| H.264 (h) | 7.2 | 3.8 -47% | 6.5 -10% | 9.3 29% | 7.95 ? 10% | ||
| WLAN (h) | 6.9 | 4.4 -36% | 5.4 -22% | 5.6 -19% | 7.8 13% | 2 -71% | 6.83 ? -1% |
| Witcher 3 ultra (h) | 1.5 | 0.958 ? -36% | |||||
| Last (h) | 1.4 | 1.4 0% | 2 43% | 2.1 50% | 1 -29% | 0.8 -43% | 1.53 ? 9% |
| Idle (h) | 9.8 | 8.4 | 12.5 | 3.9 | 9.1 ? |
Pro
Contra
Fazit: Ein großartiges, 5.000 USD teures Vorzeigeprojekt für Alder Lake-HX
MSI hat seine ikonische Titan-Reihe nach einer zweijährigen Pause wieder aufgenommen. Und das Titan GT77 tut sein allerbestes, um seinem Namen gerecht zu werden. Das überarbeitete Gehäuse ist jetzt schlanker und attraktiver als seine Vorgänger. Obwohl es hauptsächlich aus Kunststoff besteht, gibt das Titan GT77 einen sehr hochwertigen, stabilen Eindruck.
Die Ausstattung entspricht den Erwartungen an ein Flaggschiff aus dem Jahr 2022. Nur die 720p-Webcam ist für diesen Kaufpreis gänzlich unpassend. Wir freuen uns über die neue mechanische Cherry-MX-Tastatur und das geräumige Touchpad.
Das FHD-Panel in unserem Testgerät, das in dieser Form aktuell nicht im Handel erhältlich ist, machte mit seiner mäßigen Ausleuchtung und einem ähnlich ausfallenden Kontrastverhältnis im besten Fall einen durchschnittlichen Eindruck. Ehrgeizige Gamer wären mit der 360-Hz-Bildwiederholrate und der niedrigen Reaktionszeit hingegen durchaus zufrieden. Für alle anderen Einsatzzwecke empfehlen wir die Wahl eines Modells mit UHD-Panel.
Die Kombination aus Core i9-12900HX und 175-W-RTX-3080-Ti-GPU bietet Unmengen an Rechenleistung und meistert damit so gut wie jede Aufgabe, die man ihr in den Weg stellt - solange die hohen Temperatur- und Geräuschemissionen nicht stören.
Aktuell findet man nur vereinzelt Alder-Lake-HX-Laptops auf dem Markt. Doch für diejenigen mit (fast) grenzenlosem Budget und einem Bedürfnis nach vollständig ungehinderter Leistung auf höchstem Niveau und einem entsprechend schönen Erscheinungsbild gibt es wohl wenig Gaming-Laptops, die dem MSI Titan GT77 das Wasser reichen können.
Doch auch das Titan GT77 ist nicht ganz frei von Fehlern. Im Bereich der Speichermedien gibt es für MSI durchaus noch etwas zu tun. Der SD-Kartenleser könnte schneller sein, und auch die NVMe-Speicher verdienen eine leistungsstarke thermische Lösung. Die Wi-Fi-6E-Leistung sollte ebenfalls verbessert werden. Außerdem neigt die Software-Suite von MSI zu Problemen - besonders stark ist MSI True Color betroffen. Die OverDrive-Funktionalität ist auch überarbeitungsbedürftig, damit die Leistung zwischen CPU und GPU besser aufgeteilt wird, was wiederum zu einer einheitlicheren Taktrate und Energieaufnahme führen würde.
Sollten Sie sich nun umgehend den Titan GT77 besorgen? Wenn Sie bereit sind, fünftausend Euro dafür auszugeben, klar doch. Doch das Titan GT77 hat auch einige würdige Mitstreiter, die für einiges weniger Geld zu haben sind. Das Raider GE67 HX 12UGS mit Core i9-12800HX und RTX 3070 Ti, zum Beispiel, kommt dem topausgestatteten Titan GT77 sehr nahe, kostet dabei aber nur etwa die Hälfte (~2.500 USD).
Wenn Sie besonders am 360-Hz-Display interessiert sind, werfen Sie doch einen Blick auf das Alienware x17 R2, das trotz Core i9-12900Hk eine vergleichbare Leistung bietet und für 3.900 USD erhältlich ist. Das Aorus 17X XES hinkt im Vergleich zum Titan GT77 was die allgemeine CPU- und GPU-Leistung betrifft zwar etwas hinterher, doch bei einem Preis von rund 3.000 USD ist er durchaus eine Überlegung wert. Wenn Ihnen Features wie die mechanische Tastatur und eine Vielzahl an NVMe-Slots wichtig sind, gibt es immer noch den Titan GT77 in der Konfiguration mit Core i7-12800HX und RTX 3070 Ti für rund 3.100 USD.
Preis und Verfügbarkeit
Unser Testgerät MSI Titan GT77 ist ein Einzelstück, das uns direkt von Intel zur Verfügung gestellt wurde. Aus diesem Grund haben wir dafür keine offiziellen Preisinformationen. Allerdings informierte uns Intel, dass der Wert dieser Konfiguration bei rund 5.000 USD liegt.
Varianten des Titan GT77 werden langsam weltweit erhältlich. Aktuell verkauft Notebooksbilliger.com zum Beispiel eine Konfiguration mit Core i9-12900HX, RTX 2080 Ti, 64-GB-DDR5-RAM, einer 2-TB-SSD und einem UHD-120-Hz-Display für 5.600 Euro.
MSI Titan GT77 12UHS
- 28.08.2022 v7 (old)
Vaidyanathan Subramaniam






















































































