Test Asus ASUSPRO Advanced BU401LA-CZ020G Ultrabook

Mit einer rundum gelungenen Vorstellung erkämpfte sich das AsusPro Advanced BU201LA vor wenigen Wochen eine respektable Top-Ten-Platzierung in unseren Subnotebook-Charts – ein mehr als beachtliches Ergebnis, insbesondere weil Asus in der Vergangenheit eher selten mit hochwertigen Business-Notebooks auf sich aufmerksam gemacht hat.
Dies scheint sich nun zu ändern: Auch im klassischen 14-Zoll-Segment bietet der Hersteller mit dem AsusPro Advanced BU401LA seit kurzem ein neues Modell an, welches ebenfalls mit höchster Qualität zu vergleichsweise niedrigen Preisen überzeugen soll. Der Begriff "preiswert" ist hierbei relativ: Schon die Einstiegskonfiguration mit Core-i5-CPU, 8 GB RAM und 256-GB-SSD schlägt mit gut 1.000 Euro zu Buche, unser Topmodell mit einem Core i7-4650U kommt sogar auf knapp 1.150 Euro. Im Vergleich mit einem Toshiba Tecra Z40 oder Lenovo ThinkPad T440 erscheint das BU401LA aber in der Tat recht günstig und zielt damit eher auf die Business-Mittelklasse, in der sich Modelle wie das ThinkPad L440, HP EliteBook 745 G2 oder Dell Latitude E5450 tummeln.
Gehäuse
Das AsusPro Advanced BU401LA macht aus seiner Verwandtschaft mit dem BU201LA keinen Hehl und trägt das gleiche sachlich-nüchterne Design wie das kleinere Schwestermodell. Pflegeleichte, matt-graue Oberflächen und kantige Formen prägen die Optik – der typische Office-Dresscode eben. Für einen 14-Zöller erstaunlich ist das geringe Kampfgewicht von lediglich 1,67 Kilogramm, welches zusammen mit den schlanken Abmessungen – die Bauhöhe beträgt nur 19,8 Millimeter – für eine hervorragende Mobilität sorgt. Zum Vergleich: Selbst das kompakte Latitude 14 E5450 bringt fast zwei Kilogramm auf die Waage und ist rund drei Millimeter dicker.
Obwohl das Gehäuse aus einem Materialmix aus Aluminium und Kunststoff gefertigt wurde, gibt es an Haptik und Stabilität kaum etwas auszusetzen. Egal wo wir auch drücken und ziehen, merklich verformen lässt sich das Chassis selbst bei hohem Kraftaufwand an keiner Stelle. Ebenso vorbildlich präsentiert sich das dank Kohlefaser-Verstärkungen äußerst verwindungssteife Display, welches von einem soliden Metallscharnier gehalten wird. Selbiges reduziert jegliches Nachwippen des Deckels auf ein Minimum, ermöglicht aber dennoch ein einhändiges Öffnen des Gerätes.
In puncto Verarbeitung hat Asus erneut ein nahezu makelloses Produkt abgeliefert und stellt damit so manch teureren Konkurrenten in den Schatten. Wie immer können wir hier natürlich nur das uns vorliegende Sample beurteilen – gewisse Qualitätsschwankungen lassen sich leider bei keinem Hersteller ausschließen.
Ausstattung
Das Schnittstellenangebot wurde von Asus ohne Änderungen vom Vorgängermodell übernommen. Während die drei USB-3.0-Ports sowie der schnelle Gbit-LAN-Anschluss noch immer positiv hervorzuheben sind, vermissen wir einen modernen DisplayPort-Ausgang für besonders hochauflösende Displays. Einen solchen hat sogar das BU201LA zu bieten, wohingegen man beim BU401LA mit HDMI und VGA vorliebnehmen muss.
Sämtliche Schnittstellen, zu denen des Weiteren ein SD-Kartenleser sowie eine Headset-Buchse gehören, verteilen sich auf die beiden Gehäuseflanken. Durch die Positionierung nahe der Geräterückseite wird der Anwender von angeschlossenen Kabeln und USB-Sticks nur wenig gestört, wenngleich für den Schreibtischbetrieb rückwärtige Ports noch praktischer wären – dieser Pluspunkt geht an das Latitude E5450.
Kommunikation
Das von Intel stammende Funkmodul namens Wireless-N 7260 unterstützt sowohl Bluetooth 4.0 als auch WLAN nach 802.11a/b/g/n, nicht jedoch den schnellen 802.11ac-Standard. Folglich bleibt die Bruttodatenrate im 2,4- oder 5-GHz-Band auf maximal 300 Mbit/s begrenzt, vorausgesetzt, der beteiligte Router ist ebenfalls Dual-Stream-fähig. Im Praxistest überzeugte die Verbindung mit tadelloser Stabilität und ordentlicher, wenngleich nicht überdurchschnittlicher Reichweite. Den nachträglichen Einbau eines WWAN-Moduls hat der Hersteller leider nicht vorgesehen.
Für Audio- und Videokonferenzen verfügt das BU401LA über eine integrierte 1,0-Megapixel-Kamera sowie ein dazugehöriges Array-Mikrofon. Während wir der Webcam insbesondere bei schlechter Beleuchtung nur sehr mäßige Qualitäten attestieren können, macht das rauscharme Mikrofon ein zusätzliches Headset oftmals überflüssig.
Sicherheit
Mit einer breiten Auswahl verschiedener Verwaltungs- und Sicherheits-Features unterstreicht Asus die professionelle Ausrichtung des BU401LA. So kommt das Notebook nicht nur mit üblichen Extras wie Kensington Lock oder Fingerabdruckscanner daher, sondern kann auch mit einem TPM sowie Support für Intels Small Business Advantage Paket sowie Anti-Theft und Computrace aufwarten. Was sich hinter diesen Technologien genau verbirgt, haben wir in einem eigenen FAQ-Artikel zusammengetragen.
Zubehör
Wie viele andere Hersteller geizt auch Asus beim Thema Zubehör, was man allerdings nicht unbedingt als Kritikpunkt auffassen muss. Viel mehr als das beigelegte Netzteil, verschiedene Windows- und Treiber-DVDs (Windows 7 Professional + Windows 8 Pro, jeweils 64-Bit-Version) sowie einige Broschüren werden die meisten Anwender ohnehin nicht benötigen.
Softwareseitig präsentiert sich unser Proband ebenfalls sehr aufgeräumt und verzichtet auf nervige Toolbars und Testversionen. Das vorinstallierte Windows-7-Betriebssystem wurde lediglich mit einigen zumeist recht nützlichen Tools versehen, die den Anwender zum Beispiel bei der Erstellung von Backups oder der Verwaltung von Drahtlosnetzwerken unterstützen sollen.
Wartung
Um an die Hardware im Inneren zu gelangen, muss zunächst eine Reihe von Torx-Schrauben an der Unterseite gelöst werden. Anschließend lässt sich die gesamte Bodenplatte mit leichtem Kraftaufwand entfernen. Neben dem verschraubten Akku können nun auch Festplatte (2,5 Zoll, 7 Millimeter Bauhöhe), Arbeitsspeicher (ein DIMM-Slot, belegt) oder WLAN-Modul mit wenigen Handgriffen getauscht werden. Praktisch: Ein freier mSATA-Steckplatz erlaubt das Nachrüsten einer zweiten SSD beziehungsweise den Parallelbetrieb von SSD und HDD, falls der 2,5-Zoll-Schacht mit einer herkömmlichen Festplatte bestückt wird.
Garantie
Anders als beim Lenovo ThinkPad L440 oder Dell Latitude E5450, wo der Hersteller jeweils nur eine 12-monatige Werksgarantie gewährt, sind im Preis des AsusPro BU401LA immerhin 24 Monate Pickup & Return Service inkludiert. Ein Upgrade auf insgesamt drei Jahre fällt mit rund 140 Euro Aufpreis zwar nicht sonderlich günstig aus, schließt dann aber auch einen Vor-Ort-Service am nächsten Arbeitstag ein.
Eingabegeräte
Tastatur
Ähnlich wie beispielsweise auch Lenovo setzt Asus ein und dieselbe Tastatur in gleich mehreren Modellreihen ein. In diesem Fall kennen wir das beleuchtete Chiclet-Keyboard bereits vom BU201LA, wo lediglich die seitliche Gehäuseeinfassung ein wenig schmäler ausfällt.
Aus qualitativer Sicht können wir unser fast schon überschwängliches Lob des vorherigen Tests nur wiederholen: Großzügiger Hubweg, knackiger Anschlag, hervorragendes Schreibgefühl – vor einem EliteBook oder ThinkPad muss sich die AsusPro-Serie diesbezüglich wahrlich nicht verstecken. Allenfalls das doch recht prägnante, mechanische Klappern der 15 x 15 Millimeter großen Tasten mag manchem Anwender weniger gut gefallen, wir sehen darin jedoch die passende akustische Untermalung unserer haptischen Eindrücke.
Touchpad
Schade: Den Trackpoint des 12-Zoll-Modells hat Asus beim BU401LA gestrichen, dafür jedoch das Touchpad auf nunmehr 10,6 x 6,1 Zentimeter vergrößert. Wie üblich unterstützt das Eingabegerät diverse Multi-Touch-Gesten mit zwei oder drei Fingern, bietet aber auch zusätzliche Features wie eine Handballenerkennung oder die automatische Deaktivierung beim Anstecken einer externen Maus. Die Gleiteigenschaften der sehr glatten, glasähnlichen Oberfläche sind tadellos, nur bei verschwitzten Händen kann es zu einem leichten Stocken kommen.
Anstelle integrierter Maustasten (Clickpad-Bauweise) verfügt das Notebook über zwei dedizierte Buttons, was aus ergonomischer Sicht sehr zu begrüßen ist. Dank des klar definierten, mittellangen Anschlages gehen auch komplizierte Drag'n'Drop-Befehle schnell und fehlerfrei von der Hand.
Display
So ganz will es uns nicht einleuchten, warum Asus nur das BU201LA mit einem FullHD-Display ausrüstet, wohingegen das größere BU401LA mit der HD+-Auflösung von 1.600 x 900 Pixeln vorliebnehmen muss. Im Konkurrenzvergleich bewegt sich unser Kandidat damit irgendwo im Mittelfeld: Beim EliteBook 745 G2 und ThinkPad L440 kann der Käufer jeweils zwischen WXGA (1.366 x 768 Pixel) und HD+ wählen, das Latitude E5450 wird mit WXGA und FullHD angeboten.
Aus der Kombination von Auflösung und Bilddiagonale ergibt sich eine Pixeldichte von 131 dpi, was aus normalem Betrachtungsabstand für eine ausreichend scharfe Darstellung sorgt. Mehr Arbeitsfläche kann aber gerade bei einem Office-Notebook nie schaden, sodass der Hersteller bei einem potentiellen Nachfolger gerne noch etwas nachbessern darf.
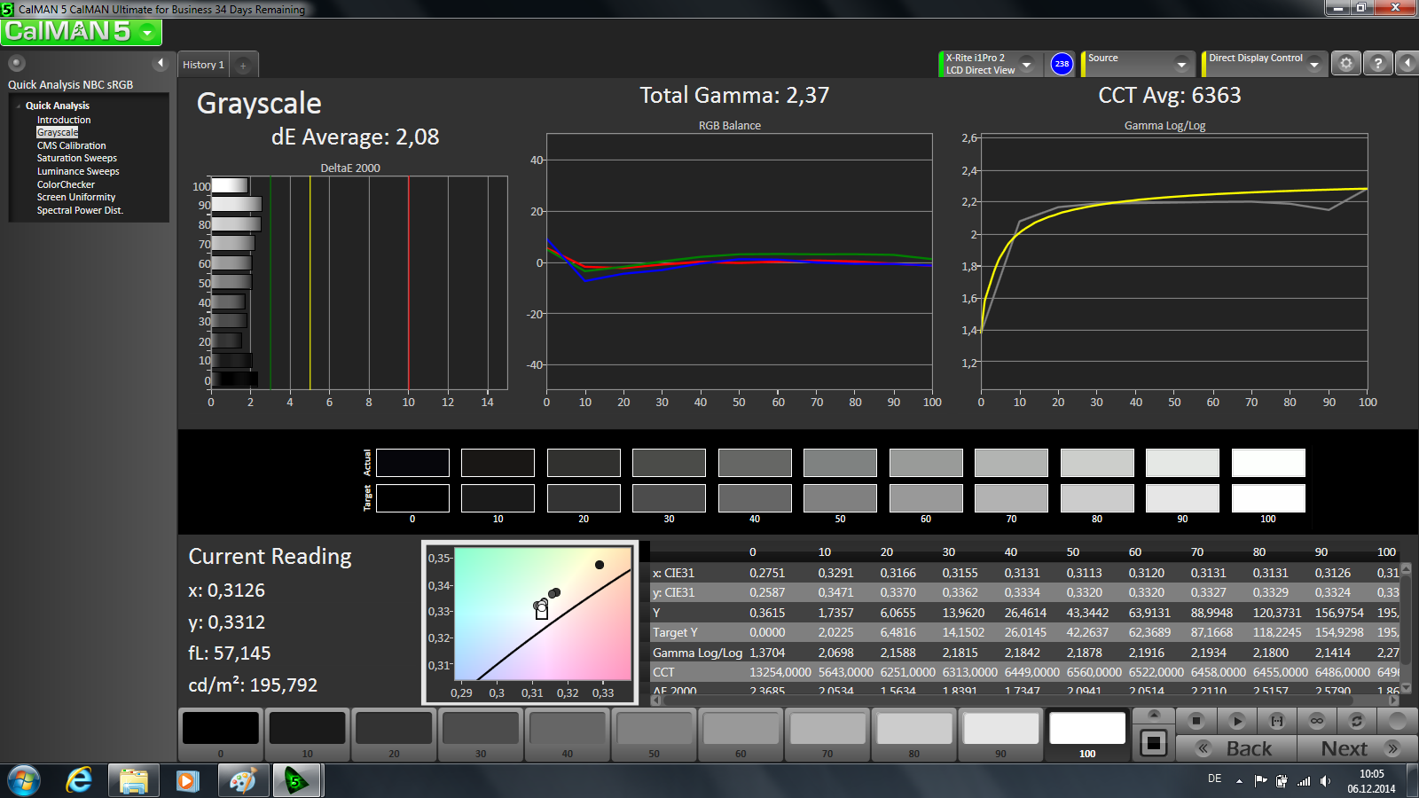
Noch weitaus größeren Nachholbedarf sehen wir beim Thema Displayhelligkeit. Maximal 209 cd/m² sind für ein mobiles Arbeitsgerät definitiv zu wenig und werden vom ThinkPad L440 (HD+-Modell: 233 cd/m²) und Latitude 14 (FullHD-Modell: 271 cd/m²) locker überboten. Bei unserem Testgerät war zudem der Regler für die Leuchtdichte defekt – zwischen Minimal- und Maximalhelligkeit konnten wir keine Zwischenwerte einstellen.
| |||||||||||||||||||||||||
Ausleuchtung: 89 %
Helligkeit Akku: 216 cd/m²
Kontrast: 495:1 (Schwarzwert: 0.436 cd/m²)
ΔE ColorChecker Calman: 9.63 | ∀{0.5-29.43 Ø4.74}
ΔE Greyscale Calman: 10.72 | ∀{0.09-98 Ø4.98}
44.8% AdobeRGB 1998 (Argyll 1.6.3 3D)
48.67% AdobeRGB 1998 (Argyll 3D)
69.8% sRGB (Argyll 3D)
46.98% Display P3 (Argyll 3D)
Gamma: 2.49
CCT: 12873 K
Für ein TN-Panel liefert das Display des taiwanesischen Herstellers AUO eine recht ordentliche Bildqualität ab. Schwarzwert (0,44 cd/m²) und Kontrastverhältnis (495:1) sind etwa halb so gut wie bei einem hochwertigen IPS-Modell, wie ein Vergleich mit der Konkurrenz von Dell beweist (E5450 FullHD: 1.007:1). Subjektiv wirkt das Bild damit durchaus ansehnlich und lebendig, sodass auch Multimediaanwendungen wie Filme Freude bereiten.
Nicht unbedingt zur Paradedisziplin des Panels zählt die Farb- und Graustufenwiedergabe. Angesichts der im Auslieferungszustand teils zweistelligen Delta-E-Abweichungen erscheint eine nachträgliche Kalibration höchst ratsam, zumal so auch der sichtbare Blaustich ausgemerzt wird. Fotografen und Grafiker sollten dennoch nach Möglichkeit auf ein externes Display ausweichen, da der stark eingeschränkte Farbraum (sRGB-Abdeckung 62,9 %, AdobeRGB-Abdeckung 44,8 %) die Ansprüche professioneller Anwender aus dieser Branche nicht befriedigen wird.
Da die entspiegelte Displayoberfläche den Nachteil der viel zu niedrigen Leuchtdichte wenigstens etwas kompensiert, ist das Notebook prinzipiell auch für Außeneinsätze geeignet. Zumindest bei bewölktem Himmel lässt sich der Bildinhalt problemlos erkennen, doch den Kampf gegen direktes Sonnenlicht dürfte das BU401LA kaum gewinnen können. Das fast doppelt so helle Display des 12-Zoll-Modells leistet hier wesentlich bessere Dienste.
Asus bewirbt die Anzeige mit dem Prädikat "Wide View Angle", was bei uns angesichts des vorliegenden TN-Panels zunächst eine gewisse Skepsis hervorruft. Doch weit gefehlt: Tatsächlich verändert sich die Darstellung über einen weiten Blickwinkelbereich nur unwesentlich, was sonst nur bei wesentlich teureren IPS-Panels der Fall ist. Erst bei sehr starken Abweichungen, insbesondere nach unten, nimmt das Kontrastverhältnis spürbar ab und einzelne Farben werden nicht mehr korrekt dargestellt.
Leistung
Der Intel Core i7-4650U lässt sich als enger Verwandter des bereits häufiger getesteten Core i7-4600U beschreiben, von dem er sich CPU-seitig lediglich durch einen etwas niedrigeren Basistakt von 1,7 GHz (4600U: 2,1 GHz) unterscheidet. Der maximale Turbo ist mit 2,9 (2 Kerne) respektive 3,3 GHz (1 Kern) dagegen ebenso identisch wie die auf 15 Watt spezifizierte TDP. Wie der Name bereits andeutet, gehört der in 22-Nanometer-Technik gefertigte Dual-Core-Prozessor zur vierten Core-Generation namens Haswell – der Nachfolger auf Broadwell-Basis steht allerdings schon in den Startlöchern und soll noch im Januar 2015 vorgestellt werden.
Die eigentliche Besonderheit des Core i7-4650U ist seine integrierte Grafikeinheit. Während die HD Graphics 4400 der meisten anderen ULV-Modelle lediglich über 20 sogenannte Execution Units (EUs) verfügt, verrät die "50" am Ende der CPU-Bezeichnung die stärkere HD Graphics 5000 mit stattlichen 40 EUs. Die mit bis zu 1.100 MHz taktende GPU unterstützt unter anderem DirectX 11.1 sowie Intels Quick-Sync-Feature zur schnellen Videoumwandlung.
Die Speicherausstattung des Notebooks setzt sich aus 4 GB RAM direkt auf dem Mainboard sowie einem zusätzlichen 4-GB-Modul DDR3L-1600 zusammen, welches den einzigen DIMM-Slot des Gerätes belegt. Immerhin arbeitet der Hauptspeicher so im schnellen Dual-Channel-Modus, lässt sich jedoch nur umständlich aufrüsten. Alle dauerhaft benötigten Anwendungs- und Nutzerdaten finden auf einer 256 GB großen SSD Platz.
Prozessor
Durch seinen sparsamen 15-Watt-Prozessor steht das AsusPro gegenüber dem ThinkPad L440 sowie dem Lifebook E544 ein wenig auf verlorenem Posten, was die CPU-Performance insbesondere bei Multi-Threading betrifft. 16 respektive 26 Prozent Mehrleistung für den Core i5-4210M/Core i5-4330M im Cinebench R11.5 stehen allerdings auch einer eklatanten TDP-Differenz gegenüber, stuft Intel diese beiden Modelle doch in die 37-Watt-Kategorie ein. Deutlich enger geht es bei Auslastung eines einzelnen Kernes zu, wo der Core i7-4650U dank seines starken Turbo Boosts recht gut mithalten kann. Die rote Laterne trägt in diesem Vergleich das von einer Quad-Core-APU aus dem Hause AMD befeuerte HP EliteBook 745 G2.
Im Akkubetrieb büßt das BU401LA nichts von seiner Leistungsfähigkeit ein und kommt im Mehrkern-Test auf identische 2,9 Punkte. Ebenfalls nahezu unverändert bleibt der Einzelkern-Score mit 1,41 Punkten – vorbildlich!
Massenspeicher
Standesgemäß setzt unser Testgerät auf eine schnelle SSD mit immerhin 256 GB Speicherkapazität, genauer gesagt eine Lite-On LCS-256M6S im 2,5-Zoll-Format. Vermutlich handelt es sich hierbei um ein Modell auf Basis des Marvell-Controllers 88SS9174 in Kombination mit MLC-NAND-Flash.
Außer Zweifel steht in jedem Fall die exzellente Performance des Laufwerkes. Knapp 500 MB/s beim sequentiellen Lesen sowie rund 400 MB/s Schreibrate können sich ebenso sehen lassen wie die hervorragenden Ergebnisse der 4K-Tests, mit denen die LCS-256M6S beispielsweise auch einer Samsung PM851 Paroli bietet.
System Performance
Im PCMark 8, der als synthetischer Systemleistungs-Benchmark eine Aussage über die allgemeine Alltagsperformance des Notebooks liefern soll, liegt unser gesamtes Testfeld dicht beieinander. Überraschend ist dabei insbesondere die konkurrenzfähige Performance des preiswerten EliteBook 745 G2, dessen fehlende SSD offenbar durch die starke OpenCL-Leistung der AMD-APU kompensiert wird. Inwieweit sich diese auch in der Praxis auszahlt, hängt jedoch stark von der jeweils eingesetzten Software ab.
Unsere subjektiven Erfahrungen mit dem BU401LA fallen durchgängig positiv aus, was neben dem flotten Prozessor vor allem der reaktionsschnellen SSD zu verdanken ist. Egal ob Start- und Ladevorgänge, Installationen oder Multitasking: Über mangelnde Leistung dürfte sich kaum ein Käufer beklagen. Wer mit dem Notebook nur simple Office-Arbeiten erledigt, wird die vorhandenen Reserven wohl ohnehin nie ausreizen.
| PCMark 8 - Home Score Accelerated v2 (nach Ergebnis sortieren) | |
| Asus ASUSPRO Advanced BU401LA-CZ020G | |
| Lenovo ThinkPad L440 20AT004QGE | |
| Fujitsu Lifebook E544 | |
| Dell Latitude 14 E5450 | |
| HP Elitebook 745 G2 | |
| PCMark 7 - Score (nach Ergebnis sortieren) | |
| Asus ASUSPRO Advanced BU401LA-CZ020G | |
| Fujitsu Lifebook E544 | |
| Dell Latitude 14 E5450 | |
| HP Elitebook 745 G2 | |
| PCMark 7 Score | 5190 Punkte | |
| PCMark 8 Home Score Accelerated v2 | 2711 Punkte | |
| PCMark 8 Creative Score Accelerated v2 | 2495 Punkte | |
| PCMark 8 Work Score Accelerated v2 | 3261 Punkte | |
Hilfe | ||
Grafikkarte
Obwohl die HD Graphics 5000 auf dem Papier rund die doppelte Rechenleistung der HD 4400 oder HD 4600 offeriert, fällt die Mehrleistung in der Praxis erheblich geringer aus. Dies liegt zum einen an der begrenzten Speicherbandbreite, die selbst bei DDR3-1600 im Dual-Channel-Verbund (25,6 GB/s) noch immer ein Performance-raubendes Nadelöhr darstellt. Zum anderen verhindert die niedrige TDP, dass der zur Verfügung stehende Turbo-Boost-Spielraum vollständig ausgereizt wird – viel mehr als etwa 500 - 600 MHz GPU-Takt sind bei anhaltender 3D-Last nicht möglich.
Infolgedessen muss die HD 5000 sogar dedizierte Einstiegsbeschleuniger wie die Nvidia GeForce 820M vorbeiziehen lassen und verliert auch knapp gegen vergleichbare Kaveri-APUs von AMD. Abseits anspruchsvoller Grafiksoftware bewältigt die GPU jedoch sämtliche Alltagsaufgaben und kann sogar hochauflösende 4K-Videos (H.264-Codec) flüssig wiedergeben.
| 3DMark 11 - 1280x720 Performance GPU (nach Ergebnis sortieren) | |
| Asus ASUSPRO Advanced BU401LA-CZ020G | |
| Lenovo ThinkPad L440 20AT004QGE | |
| Fujitsu Lifebook E544 | |
| Dell Latitude 14 E5450 | |
| HP Elitebook 745 G2 | |
| 3DMark - 1920x1080 Fire Strike Graphics (nach Ergebnis sortieren) | |
| Asus ASUSPRO Advanced BU401LA-CZ020G | |
| Dell Latitude 14 E5450 | |
| HP Elitebook 745 G2 | |
| 3DMark 11 Performance | 1120 Punkte | |
| 3DMark Ice Storm Standard Score | 45548 Punkte | |
| 3DMark Cloud Gate Standard Score | 4565 Punkte | |
| 3DMark Fire Strike Score | 644 Punkte | |
Hilfe | ||
Gaming Performance
Machen wir's kurz: Mit aktuellen Spielen aus 2014/2015 ist die HD Graphics 5000 schlicht überfordert. Abgesehen von einigen wenigen Titeln wie Sims 4 oder F1 2014, in denen die Grafikqualität weit genug heruntergeregelt werden kann, ruckelt selbst unser Ultra-Low-Setting in 1.024 x 768 Pixeln kläglich vor sich hin. Spielspaß mag so kaum aufkommen – bei einem Office-Notebook ein vertretbar Makel, so meinen wir.
| min. | mittel | hoch | max. | |
|---|---|---|---|---|
| Metro: Last Light (2013) | 18.8 | 13.9 | 8.6 | |
| Dota 2 (2013) | 69.8 | 36.8 | 14.4 | |
| Thief (2014) | 14.8 | 9.7 | ||
| Watch Dogs (2014) | 17 | 10.9 | ||
| GRID: Autosport (2014) | 85.7 | 30.2 | 14.9 | 12.5 |
| Sims 4 (2014) | 168.3 | 32.8 | 14.2 | 10 |
| Fifa 15 (2014) | 36.2 | 28.1 | 17.4 | |
| Middle-earth: Shadow of Mordor (2014) | 20.1 | 13 | 7.2 | |
| Alien: Isolation (2014) | 28.9 | 20.9 | 11.4 | |
| Ryse: Son of Rome (2014) | 14.7 | 9.2 | ||
| The Evil Within (2014) | 14.2 | 10.6 | ||
| F1 2014 (2014) | 51 | 35 | 20 | 13 |
| Civilization: Beyond Earth (2014) | 15.5 | 12.2 | ||
| Call of Duty: Advanced Warfare (2014) | 25.4 | 16.2 | 9.7 | |
| Assassin's Creed Unity (2014) | 5.4 | |||
| Far Cry 4 (2014) | 14.3 | 10.6 | ||
| The Crew (2014) | 15.8 | 10.6 |
Emissionen
Geräuschemissionen
In üblichen Office-Anwendungen bewährt sich das AsusPro als ausgesprochen leises, meist sogar vollkommen lautloses Arbeitsgerät. Die beiden Lüfter treten bei geringer Hardwarelast im Regelfall nicht in Aktion und auch das Brummen einer mechanischen Festplatte entfällt dank der verbauten SSD. Die meisten Kontrahenten schneiden diesbezüglich allerdings ähnlich gut ab, einzig beim ThinkPad L440 mussten wir den periodisch hochtourenden Lüfter bemängeln.
Unter Last wird die Geräuschkulisse dann doch etwas präsenter, mit 33,1 bis 37,3 dB(A) jedoch nie störend laut. Offensichtlich hat Asus mit der recht aufwendig konstruierten Kühlung, die in ähnlicher Form auch in einigen Consumer-Ultrabooks des Herstellers zu finden ist, gute Arbeit geleistet – falls denn auch die Temperaturentwicklung überzeugen kann.
Lautstärkediagramm
| Idle |
| 29.3 / 29.3 / 30.9 dB(A) |
| Last |
| 33.1 / 37.3 dB(A) |
![]() | ||
30 dB leise 40 dB(A) deutlich hörbar 50 dB(A) störend |
||
min: | ||
Temperatur
Und das kann sie: Je nach Belastung erwärmt sich das Gehäuse im Schnitt auf lediglich 30 bis 33 °C, einzelne Hotspots mit deutlich höheren Werten treten nur nahe der Rückseite rings um die Luftauslässe auf. Mehr als gut 40 °C konnten wir aber selbst in diesem Bereich nicht ermitteln, sodass sich das BU401LA problemlos auf den Oberschenkeln betreiben lässt.
Der Prozessor im Gehäuseinneren pendelt sich in unserem Stresstest bestehend aus Prime95 und FurMark bei etwa 65 °C ein, kurzzeitig (bei temporärer Überschreitung der TDP) sind auch Peaks von bis zu 75 °C möglich. Da Intel den Core i7-4650U für Kerntemperaturen von maximal 100 °C freigibt, bestehen somit ausreichende Reserven für den nächsten Hochsommer. Dennoch bleibt der Chip von Throttling nicht verschont: Um die spezifizierten 15 Watt Leistungsaufnahme nicht (dauerhaft) zu überschreiten, fällt der CPU-Takt nach einiger Zeit nur noch 800 MHz ab, während die GPU eine Frequenz von 400 MHz vermeldet.
(±) Die maximale Temperatur auf der Oberseite ist 41.1 °C. Im Vergleich liegt der Klassendurchschnitt bei 34.3 °C (von 21.2 bis 62.5 °C für die Klasse Office).
(±) Auf der Unterseite messen wir eine maximalen Wert von 40.5 °C (im Vergleich zum Durchschnitt von 36.8 °C).
(+) Ohne Last messen wir eine durchschnittliche Temperatur von 28.6 °C auf der Oberseite. Der Klassendurchschnitt erreicht 29.5 °C.
(+) Die Handballen und der Touchpad-Bereich sind mit gemessenen 28.9 °C kühler als die typische Hauttemperatur und fühlen sich dadurch kühl an.
(±) Die durchschnittliche Handballen-Temperatur anderer getesteter Geräte war 27.5 °C (-1.4 °C).
Lautsprecher
Viele Office-Notebooks enttäuschen mit höchst dürftigen Lautsprechern, die kaum mehr als simple Systemklänge adäquat wiedergeben können. Nicht so das AsusPro: Klare Höhen, kräftige Mitten und sogar erkennbare Bässe lassen bei Musik und Filmen Freude aufkommen. In Verbindung mit den respektablen Pegelreserven können so mittelgroße Räume zufriedenstellend beschallt werden – auf externe Lautsprecher kann zumindest bei kleineren Gruppenmeetings oftmals verzichtet werden.
Energieverwaltung
Energieaufnahme
Durch den Wechsel von Ivy Bridge auf die neuere Haswell-Generation konnte Asus den Leerlaufverbrauch gegenüber dem Vorgängermodell merklich reduzieren: Statt 6,5 bis 9,3 Watt (AsusPro BU400VC) benötigt das BU401LA bei ruhendem Windows-Desktop nur noch 4,1 bis 7,3 Watt. Dabei profitiert das Notebook allerdings auch von seinem relativ dunklen Display, welches im Leerlauf den mit Abstand größten Verbraucher darstellt.
Zu Beginn unseres Stresstests schießt die Leistungsaufnahme zunächst auf bis zu 43 Watt, um nach einigen Sekunden knapp unter die 30-Watt-Marke abzufallen. Ein derartiges Verhalten zeigen fast alle aktuellen Ultrabooks, da der Prozessor seine (Turbo-)Taktrate automatisch entsprechend der vorgegebenen TDP regelt. Das mitgelieferte 65-Watt-Netzteil wurde ausreichend dimensioniert, um auch unter Volllast parallel den Akku laden zu können.
| Aus / Standby | |
| Idle | |
| Last |
|
Legende:
min: | |
Akkulaufzeit
Der im Gehäuse verborgenene, nach dem Entfernen einiger Schrauben aber dennoch austauschbare 53-Wh-Akku verhilft dem BU401 zu soliden Laufzeiten. Je nach Displayhelligkeit, Energiesparplan und aktivierten Funkmodulen lässt sich das Notebook zwischen 2 und 11,5 Stunden abseits der Steckdose einsetzen.
Durch den bereits zuvor erwähnten Defekt der Helligkeitsregelung konnten wir unsere praxisnahen WLAN- und H.264-Tests nicht mit den sonst üblichen 150 cd/m² durchführen, sondern mussten die Anzeige mit der maximalen Leuchtdichte von 209 cd/m² betreiben. Aus diesem Grund sind die ermittelten rund 5 Stunden mit gewisser Vorsicht zu betrachten – bei einem intakten Testgerät dürften wohl knapp 6 Stunden möglich sein. Damit würde sich unser Kandidat genau zwischen dem ThinkPad L440 und dem Latitude E5450 einordnen.
| Asus ASUSPRO Advanced BU401LA-CZ020G HD Graphics 5000, 4650U, Liteonit LCS-256M6S | Dell Latitude 14 E5450 HD Graphics 4400, 4310U, Lite-On LCS-128L9S | Lenovo ThinkPad L440 20AT004QGE HD Graphics 4600, 4300M, Intel SSD 520 Series SSDSC2BW180A3L | HP Elitebook 745 G2 Radeon R6 (Kaveri), A10 Pro-7350B, Hitachi Travelstar Z7K500 HTS725050A7E630 | |
|---|---|---|---|---|
| Akkulaufzeit | 15% | -11% | -17% | |
| Idle (h) | 11.7 | 13.2 13% | 9.9 -15% | 9.4 -20% |
| WLAN (alt) (h) | 5.2 | 6.4 23% | 4.9 -6% | 4.7 -10% |
| Last (h) | 2 | 2.2 10% | 1.6 -20% |
Fazit
Das AsusPro Advanced BU401LA knüpft nahtlos an die souveräne Vorstellung des BU201LA an und beweist damit erneut, dass nicht nur bekannte Business-Hersteller wie HP, Dell oder Lenovo überzeugende Profigeräte entwickeln können. Trotz Core-i7-Prozessor, SSD und anderen Highlights unterbietet das Notebook die Preise vieler Konkurrenten, ohne dass der Anwender deshalb qualitative Kompromisse in Kauf nehmen muss. So ist das Gehäuse sowohl leicht als auch extrem stabil und die Eingabegeräte zählen zu den besten ihrer Klasse. Die niedrige Geräusch- und Temperaturentwicklung runden das stimmige Gesamtpaket ab.
Bevor wir jetzt aber allzu sehr in Lobeshymnen verfallen, müssen wir noch auf die Schattenseiten des Ultrabooks hinweisen. Über einige mag man hinwegsehen können: Kein DisplayPort-Anschluss, eine höchst mittelmäßige Webcam, der wegrationalisierte Trackpoint – all das ist ärgerlich, für uns aber keine KO-Kriterien. Weit schwerer wiegt das verbesserungswürdige Display, dessen niedrige Leuchtdichte einen Außeneinsatz des Notebooks erheblich erschwert. Schade, dass Asus gerade hier gespart hat, nachdem das kleinere Schwestermodell noch mit einem hervorragenden FullHD-IPS-Panel punkten konnte. Dennoch: Das AsusPro BU401LA wird seine Zielgruppe finden, insbesondere unter preisbewussten Käufern, die ihr Gerät vorzugsweise in Innenräumen nutzen wollen.








































































