Test Asus ROG G752VT Notebook

Die G750-Serie kann als Aushängeschild der Republic of Gamers Produktlinie betrachtet werden. Die Flaggschiff-Notebooks haben sich immer weit oben in unseren Top 10 Gaming Notebooks positioniert oder diese sogar angeführt. Während das exotische GX700 für mehr Schlagzeilen sorgte, wird es das G752 wahrscheinlich in die Hände von mehr Endverbrauchern schaffen.
Das G752 wurde vollständig neu gestaltet . Das Aussehen ist auffälliger, doch sind die Veränderungen möglicherweise nichts außer heißer Luft? Wir nehmen das G752VT-Modell unter die Lupe, um herauszufinden, ob sich die Hardware gegenüber dem Vorgänger wirklich verbessert hat.
Gehäuse
Das G752 wurde innen und außen wesentlich verändert. Die matte, schwarze, von Kampfjets inspirierte Farbpalette ist schärferen Akzenten, kupferfarbigen, gebürsteten Aluminium-Oberflächen und sogar einem Hauch texturierten Kunststoffs entlang der Vorderkante gewichen. Die gummierten Handballenauflagen und die scharfen Lüftungsöffnungen wurden vom G751 übernommen. Der Aluminium-Körper des Gerätes umfasst ein durchsichtiges Kunststofffenster, das Usern einen Blick auf das Kühlsystem des Notebooks ermöglicht. Allerdings sind viele dieser Veränderungen eher ästhetischer Natur. Asus hat sich für ein helleres und komplexeres Design entschieden, wohl um mehr Kunden anzusprechen.
Hat die Verarbeitung darunter gelitten? Die Basiseinheit ist immer noch fest und von den vorderen Kanten aus extrem schwer zu verwinden. Doch der zentrale Bereich der Tastatur und die Oberfläche unmittelbar über dem optischen Laufwerk geben immer noch bei mäßiger Kraftanwendung nach. Die Verwendung unterschiedlicher Materialschichten (gebürstetes Aluminium, Kunststoff, gummierte Handballenablagen) statt weniger und größerer Teile wie beim originalen G751 bedeutet zudem, dass es dort, wo die Materialien aufeinander treffen, unbeabsichtigte Spalten geben kann. Die vorderen Ecken der Handballenablagen können beispielsweise wegen einer Spalte zwischen ihnen und dem darunter befindlichen Kunststoffteil nach unten gedrückt werden. Es handelt sich um eine ähnliche Problematik, wie wir auch beim Lenovo Y50 beobachten konnten.
Die Außenseite des Bildschirmdeckels gibt auf Druck im zentralen Bereich sowie auf Verwindungskräfte mäßig nach, jedoch nicht in besorgniserregendem Ausmaß. Das Balkenscharnier ist sehr straff, um starkes Nachwippen des Bildschirmdeckels zu verhindern. Der maximale Öffnungswinkel beträgt allerdings nur 120 Grad. Das Notebook knarrt ein wenig unter Druck- und Verwindungskräften. Verglichen mit dem MSI GT72 oder GT72S ist das MSI-Design weniger aggressiv und etwas solider. Möglicherweise ist es etwas enttäuschend, dass die Qualität des G752 weder besser noch schlechter als bei seinem unmittelbaren Vorgänger ist. Es handelt sich um einen Seitenschritt zu Gunsten eines neuen Anstrichs.
Sicher ist dagegen, dass das G752 fast gleich schwer wie das G751 und seine Standfläche größer als bei vielen seiner 17,3 Zoll Konkurrenten einschließlich des Alienware 17 und Eurocom P7 Pro ist. Mit fast 333 mm in der Tiefe handelt es sich um ein sehr großes Notebook, da die Rückseite verlängert wurde, um das Kühlsystem unterzubringen. Dennoch ist das G752 deutlich dünner als sein Vorgänger mit einer Bauhöhe von 22,9 mm vorne und 42,9 mm an der Rückseite.
Ausstattung
Mit einer einzigen Ausnahme hat das G752 alle physikalischen Schnittstellen des G751 behalten: VGA wurde zu Gunsten eines USB 3.1 Gen. 2 Type-C Ports, der auch als Thunderbolt 3 fungiert, weggelassen. Konkurrierende Modelle bieten oftmals Features, die das Asus vermissen lässt. Dazu gehören zwei zusätzliche USB-3.0-Ports am GT72, zwei DisplayPort-Ports in voller Größe am Eurocom P7 Pro und ein Graphics-Amplifier-Port am Alienware 17 zur Unterstützung externer Grafikkarten.
Das G752 unterschiedet sich außerdem von den zuvor erwähnten Modellen, indem seine Rückseite weiterhin keine Schnittstellen bietet. Daher kann es zu einem für Rechtshänder ungünstigen Kabelgewirr kommen.
Kommunikation
WLAN und Bluetooth 4.0 werden durch ein Intel Dual Band (2x2) Wireless-AC 7265 Modul, das Transferraten von bis zu 867 Mbps erreicht, zur Verfügung gestellt. Optionen für speziell auf Gaming ausgerichtete Killer WLAN-Karten scheint es nicht zu geben. WWAN oder GPS-Option sind ebenso nicht verfügbar.
Zubehör
Zu den mitgelieferten Extras zählen eine Garantiekarte, ein Kabelbinder und eine Kurzanleitung. Es wäre schön, wenn Treiber-Disks oder Windows-Installations-Disks wie bei Eurocom-Notebooks inkludiert wären, vor allem weil das G752 nach wie vor ein optisches Laufwerk bietet. Zudem wäre ein Reinigungstuch eine schöne Ergänzung gewesen. Optionales Markenzubehör von Mäusen bis zu Rucksäcken gibt es für ROG-Produkte im Überfluss.
Wartung
Mit einem Kreuzschlitzschraubendreher ist es einfach, die kleine Wartungsklappe an der Unterseite zu entfernen, um die sekundäre Festplatte, die M.2 SSDs und zwei SODIMM-Slots freizulegen.
Der Zugriff zu anderen Kernkomponenten wie CPU, GPU, WLAN-Karte, Akku und den letzten beiden SODIMM-Slots wurde nicht benutzerfreundlich gestaltet. Man muss wenigstens 20 Schrauben entfernen, bis man die Unterseite komplett abnehmen könnte. Auch dann war die Schale jedoch noch sehr fest mit der Basiseinheit verbunden und weigerte sich abgehoben zu werden. Obwohl dies bedauerlich ist, war es fast zu erwarten, denn Asus ROG-Modelle sind typischerweise schwer zugänglich gestaltet.
Asus hat uns informiert, dass CPU und GPU ohnehin nicht aufrüstbar wären, sodass man beim "Herumbasteln" an der Hardware auf dieser Ebene ohnehin nicht sehr weit kommen würde...
Garantie
Die Standardabdeckung dauert weltweit 12 Monate. Obwohl dies nur halb solange wie bei einigen anderen Herstellern (Gigabyte bietet standardmäßig 24 Monate) ist, gibt Asus 12 Monate Schutz vor versehentlicher Beschädigung gratis dazu. Der Hersteller bietet keine Dead-Pixel-Policy, sondern die Garantie kommt nur bei einer Mindestanzahl an Pixelfehlern zur Anwendung.
Die in Deutschland gelisteten Modelle werden mit 24 Monaten Herstellergarantie ausgewiesen.
Eingabegeräte
Tastatur
Ein schneller Blick auf das G752 zeigt, dass das Tastaturlayout zum Vorgänger ident ist. Die User werden mit einem Hubweg von 2,5 mm versorgt. Wie beim G751 sind die Tasten von hoher Qualität, wackeln nicht an der Stelle und arbeiten leise mit wenig Klappern und zufriedenstellendem Feedback. Sie mag nicht so solide wirken wie beim GT80, doch für eine Chiclet-Tastatur ist sie dennoch sehr gut.
Neu hinzugefügt wurden oben links zwei weitere Macro-Tasten, sodass nun insgesamt fünf zur Verfügung stehen. Konkurrenten von Alienware oder Aorus positionieren ihre Macro-Tasten eher in einer Spalte, doch das ist Geschmacksache.
Touchpad
Wie die Tastatur, wurde auch das große Touchpad ohne Veränderungen an Textur oder Größe direkt unverändert vom G751 übernommen. Die trapezförmige Fläche (~12 x 6,8 cm) ermöglicht flüssiges und genaues Gleiten ohne den kleineren Problemen, die wir beim G751 hatten. Allerdings reagiert der Cursor manchmal beim Gleiten von den Ecken des Touchpad in Richtung Mitte nicht. Das Asus Smart Gesture bietet zugängliche Optionen und kann Eingaben mit bis zu vier Finger erkennen.
Die eigenständigen Maustasten weisen wiederum eine leicht gummierte und raue Textur auf. Hubweg und Feedback sind akzeptabler - nicht so solide wie beim MSI GT72, doch mit längerem Hubweg als beim Eurocom. Das akustische Feedback ist definitiv leiser als bei den beiden Konkurrenten.
Display
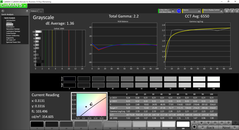
Das 1080p-Panel ist bis jetzt die einzige Option, die für das G752 zur Verfügung steht. G-Sync wird standardmäßig unterstützt. Eine Suche nach dem Panelnamen LP173WF-SPF3 zeigt, dass in unserer Datenbank keine anderen Notebooks mit diesem vorhanden sind. Subjektiv konnten wir keinen Fliegengittereffekt (Screen-Door-Effect) oder Körnigkeit in Bildern beobachten. Ein sehr minimales Backlight-Bleeding kann in der Nähe des rechten unteren Ecks beobachtet werden. Es ist jedoch nur bei hoher Helligkeit und in sehr dunkler Umgebung erkennbar.
Helligkeit und Kontrast sind fast gleich wie beim Vorgänger, sodass Asus den Bildschirm selbst nicht wesentlich verbessert hat. Allerdings sind Farben und Graustufen diesmal vor Kalibrierung etwas genauer. Der Kontrast beträgt fast 1.000:1 und ist zirka doppelt so hoch wie beim Gigabyte P37X. Bilder und Videowiedergabe sehen am Asus-Notebook fantastisch aus.
| |||||||||||||||||||||||||
Ausleuchtung: 89 %
Helligkeit Akku: 357.2 cd/m²
Kontrast: 976:1 (Schwarzwert: 0.366 cd/m²)
ΔE ColorChecker Calman: 3.69 | ∀{0.5-29.43 Ø4.74}
ΔE Greyscale Calman: 3.05 | ∀{0.09-98 Ø4.98}
84% sRGB (Argyll 1.6.3 3D)
55% AdobeRGB 1998 (Argyll 1.6.3 3D)
61.8% AdobeRGB 1998 (Argyll 3D)
84.5% sRGB (Argyll 3D)
66.3% Display P3 (Argyll 3D)
Gamma: 2.21
CCT: 6164 K
| Asus G752VT | Asus G751JY | Alienware 17 R2 | Eurocom P7 Pro | MSI GT72S 6QF | MSI GS70-6QE16H21 | Gigabyte P37X | |
|---|---|---|---|---|---|---|---|
| Display | -2% | 0% | 1% | 2% | 8% | 4% | |
| Display P3 Coverage (%) | 66.3 | 65.9 -1% | 66.6 0% | 67.2 1% | 67.6 2% | 67 1% | 68.7 4% |
| sRGB Coverage (%) | 84.5 | 83.1 -2% | 84.3 0% | 85.3 1% | 86.1 2% | 97.3 15% | 87.9 4% |
| AdobeRGB 1998 Coverage (%) | 61.8 | 60.8 -2% | 61.6 0% | 62.4 1% | 63 2% | 67.6 9% | 64 4% |
| Response Times | -24% | ||||||
| Response Time Grey 50% / Grey 80% * (ms) | 30.4 ? | 43 ? -41% | |||||
| Response Time Black / White * (ms) | 27.2 ? | 29 ? -7% | |||||
| PWM Frequency (Hz) | |||||||
| Bildschirm | -4% | -5% | -12% | 6% | -2% | -10% | |
| Helligkeit Bildmitte (cd/m²) | 357.2 | 329 -8% | 331 -7% | 335.4 -6% | 356.7 0% | 172 -52% | 361.7 1% |
| Brightness (cd/m²) | 339 | 320 -6% | 307 -9% | 319 -6% | 326 -4% | 161 -53% | 347 2% |
| Brightness Distribution (%) | 89 | 92 3% | 84 -6% | 88 -1% | 85 -4% | 85 -4% | 91 2% |
| Schwarzwert * (cd/m²) | 0.366 | 0.34 7% | 0.3 18% | 0.384 -5% | 0.282 23% | 0.26 29% | 0.734 -101% |
| Kontrast (:1) | 976 | 968 -1% | 1103 13% | 873 -11% | 1265 30% | 662 -32% | 493 -49% |
| Delta E Colorchecker * | 3.69 | 4.13 -12% | 4.88 -32% | 5.14 -39% | 4.16 -13% | 2.06 44% | 2.81 24% |
| Delta E Graustufen * | 3.05 | 3.72 -22% | 3.63 -19% | 4.44 -46% | 2.47 19% | 2.42 21% | 1.92 37% |
| Gamma | 2.21 100% | 2.36 93% | 2.17 101% | 1.98 111% | 2.29 96% | 2.45 90% | 2.21 100% |
| CCT | 6164 105% | 6352 102% | 6325 103% | 6464 101% | 6860 95% | 6855 95% | 6384 102% |
| Farbraum (Prozent von AdobeRGB 1998) (%) | 55 | 55 0% | 55 0% | 56.1 2% | 56 2% | 62 13% | 57.95 5% |
| Color Space (Percent of sRGB) (%) | 84 | 83 -1% | 84.2 0% | 85.3 2% | 85 1% | 97 15% | |
| Durchschnitt gesamt (Programm / Settings) | -3% /
-4% | -3% /
-4% | -6% /
-9% | -5% /
1% | 3% /
1% | -3% /
-6% |
* ... kleinere Werte sind besser
Die Farbabdeckung ist fast wie bei vielen anderen Gaming-Notebooks mit rund 55 bzw. 84 Prozent der AdobeRGB und sRGB-Farbräume Standard. Das ist bei weitem höher als bei billigeren TN-Bildschirmen, bei denen eine 60-prozentige sRGB-Abdeckung üblicher ist, kommt jedoch immer noch nicht an bestimmte Clevo-Konfigurationen oder das MSI PX60 heran, wo die Hersteller auf 100 Prozent sRGB-Abdeckung abzielen. Für Gaming ist das Farbspektrum dennoch mehr als ausreichend.
Weitere Analysen mit einem X-Rite Spektrophotometer zeigen genaue Graustufen und Farben bereits im Auslieferungszustand. Durch Kalibrierung verbessern sich die Graustufen noch weiter. Die Farben werden bei höherer Sättigung ungenauer, was die nicht ganz vollständige sRGB-Abdeckung bestätigt. Wie beim G751 scheinen orange und gelbe Farben weniger genau zu sein als andere.
Unsere Photosensor-Messungen zeigen, dass sogar bei den niedrigsten Helligkeitseinstellungen keine Pulsweitenmodulation (PWM) verwendet wird. Wir haben eine Schwarz-Weiß-Reaktionszeit von rund 27 ms gemessen, während die Grau-Grau-Reaktionszeit etwa 30 ms beträgt.
Reaktionszeiten (Response Times) des Displays
| ↔ Reaktionszeiten Schwarz zu Weiß | ||
|---|---|---|
| 27.2 ms ... steigend ↗ und fallend ↘ kombiniert | ↗ 4.4 ms steigend | |
| ↘ 22.8 ms fallend | ||
| Die gemessenen Reaktionszeiten sind mittelmäßig und dadurch für Spieler eventuell zu langsam. Im Vergleich rangierten die bei uns getesteten Geräte von 0.1 (Minimum) zu 240 (Maximum) ms. » 69 % aller Screens waren schneller als der getestete. Daher sind die gemessenen Reaktionszeiten schlechter als der Durchschnitt aller vermessenen Geräte (19.9 ms). | ||
| ↔ Reaktionszeiten 50% Grau zu 80% Grau | ||
| 30.4 ms ... steigend ↗ und fallend ↘ kombiniert | ↗ 12.4 ms steigend | |
| ↘ 18 ms fallend | ||
| Die gemessenen Reaktionszeiten sind langsam und dadurch für viele Spieler wahrscheinlich zu langsam. Im Vergleich rangierten die bei uns getesteten Geräte von 0.165 (Minimum) zu 636 (Maximum) ms. » 41 % aller Screens waren schneller als der getestete. Daher sind die gemessenen Reaktionszeiten durchschnittlich (31.2 ms). | ||
Bildschirm-Flackern / PWM (Pulse-Width Modulation)
| Flackern / PWM nicht festgestellt | |||
Im Vergleich: 52 % aller getesteten Geräte nutzten kein PWM um die Helligkeit zu reduzieren. Wenn PWM eingesetzt wurde, dann bei einer Frequenz von durchschnittlich 7876 (Minimum 5, Maximum 343500) Hz. | |||
Die Lesbarkeit im Freien ist gut, da die hohe maximale Helligkeit und die matte Oberfläche Spiegelungen verringern. Um direktes Sonnenlicht zu bewältigen, reicht die Helligkeit jedoch nicht aus. Daher ist es besser, im Schatten zu arbeiten.
Die zugrunde liegende IPS-Technologie sorgt für ausgezeichnete Blickwinkel. Farben und Kontrast verschlechtern sich selbst bei extremen Winkeln nicht signifikant. Die relative Helligkeit nimmt bei zu weit seitlich versetztem Blickwinkel nur leicht ab.
Leistung
Die konfigurierbaren CPU-Optionen reichen von einer 2,5 GHz Core i7-6700HQ bis zu einer übertaktbaren 2,7 GHz Core i7-6820HK. Die Auswahl an Nvidia GPU Optionen reicht von einer GTX 965M bis zu einer GTX 980M (GT752VY). Leider kann das G752VT nicht mit einer GTX 980 konfiguriert werden. Unser Testmodell nutzt eine i7-6700HQ mit GTX 970M Grafik. Die CPU und die GPU idlen im Stromsparmodus mit 800 MHz und 135/162 MHz Kern/Speicher. Turbo Boost steht bis zu 3,5 GHz und GPU Boost bis zu 1.038 MHz zur Verfügung. Es gibt keine Option auf Optimus oder manuelle Grafikumschaltung.
Bis zu 64 GB Hauptspeicher können konfiguriert werden, da es vier SODIMM-Slots gibt, und jeder bis zu 16 GB DDR4 RAM unterstützt. Der LatencyMon zeigt keine wiederkehrenden Spitzen, solange WLAN ausgeschaltet ist.
Processor
Laut unseren CineBench Benchmarks liegt die reine CPU-Leistung des i7-6700HQ nur wenige Prozentpunkte vom teureren i7-6820HK entfernt. Verglichen mit dem beliebten i7-4720HQ Haswell-Kern der Gaming-Notebooks vom vergangenen Jahr, ist das i7-6700HQ bei Multi-Core-Operationen schneller und zirka gleich schnell bei Single-Core-Aufgaben. Während Multi-Core-Operationen arbeitet der Turbo-Boost in Skylake-Prozessoren viel konsistenter als bei Haswell. Zudem ist der Stromverbrauch bei Skylake-CPUs niedriger, sodass sich eine höhere Leistung pro Watt ergibt, wenn man ihre nahezu gleiche Leistung bedenkt.
Weitere Informationen und Benchmarks zum Core i7-6700HQ sind auf der zugehörigen Seite verfügbar.
| Cinebench R11.5 | |
| CPU Single 64Bit (nach Ergebnis sortieren) | |
| Asus G752VT | |
| Eurocom P5 Pro Extreme | |
| MSI GT80 Titan SLI | |
| MSI GT72S 6QF | |
| Eurocom X8 | |
| Asus G501JW | |
| CPU Multi 64Bit (nach Ergebnis sortieren) | |
| Asus G752VT | |
| Eurocom P5 Pro Extreme | |
| MSI GT80 Titan SLI | |
| MSI GT72S 6QF | |
| Eurocom X8 | |
| Asus G501JW | |
| Cinebench R15 | |
| CPU Single 64Bit (nach Ergebnis sortieren) | |
| Asus G752VT | |
| Eurocom P5 Pro Extreme | |
| MSI GT80 Titan SLI | |
| MSI GT72S 6QF | |
| Eurocom X8 | |
| Asus G501JW | |
| CPU Multi 64Bit (nach Ergebnis sortieren) | |
| Asus G752VT | |
| Eurocom P5 Pro Extreme | |
| MSI GT80 Titan SLI | |
| MSI GT72S 6QF | |
| Eurocom X8 | |
| Asus G501JW | |
| wPrime 2.10 - 1024m (nach Ergebnis sortieren) | |
| Asus G752VT | |
| Eurocom P5 Pro Extreme | |
| MSI GT72S 6QF | |
| Eurocom X8 | |
| Asus G501JW | |
| Super Pi Mod 1.5 XS 32M - 32M (nach Ergebnis sortieren) | |
| Asus G752VT | |
| Eurocom P5 Pro Extreme | |
| MSI GT80 Titan SLI | |
| MSI GT72S 6QF | |
| Eurocom X8 | |
| Asus G501JW | |
* ... kleinere Werte sind besser
Systemleistung
PCMark 7 reiht das G752 neben anderen hochwertigen Gaming-Notebooks mit eigenständigen SSDs wie dem Gigabyte P25X oder dem Eurocom Racer 3W ein. Bemerkenswerter sind die sehr guten Resultate in PCMark 8 Home Accelerated mit einem Gesamtergebnis von 4.614 Punkten. Diese ähneln dem teureren GT80 Titan SLI und der HP ZBook 15 G2 Workstation mit 4.483 bzw. 4.654 Punkten. Die hohen Werte sind teilweise der neuen NVMe SSD zu verdanken.
Subjektiv läuft das System einwandfrei. Die neue ROG Gaming Center Software ist dagegen schwerfällig und langsam in der Verwendung. Sie bietet eine zentrale Lösung für angepasste Systemprofile und Macros. Allerdings sind in der nächsten Version beträchtliche Verbesserungen bei der Leistung notwendig.
| PCMark 7 Score | 6343 Punkte | |
| PCMark 8 Home Score Accelerated v2 | 4614 Punkte | |
| PCMark 8 Creative Score Accelerated v2 | 5715 Punkte | |
| PCMark 8 Work Score Accelerated v2 | 5392 Punkte | |
Hilfe | ||
Massenspeicher
Die Speicheroptionen umfassen zwei M.2 PCIe-Slots, einen 2,5-Zoll SATA-III-Schacht und einen ODD-Schacht für insgesamt vier Speichergeräte. Das optische Laufwerk kann mit einer einzigen Schraube an der Unterseite des Notebooks entfernt werden. Asus hat bestätigt, dass es keine Modelle mit RAID 0 gibt, da die aktuelle G752 Generation dies nicht unterstützt.
Unsere Konfiguration nutzt eine Samsung NVMe MZVLV128 128 GB M.2 SSD und eine sekundäre 1 TB HGST HTS721010A9E630 HDD. Laut CrystalDiskMark ist die Leistung ausgezeichnet und die sequentiellen Leseraten können mit konkurrierenden SATA III SSDs im RAID-0-Verbund mithalten. Die Schreibleistung ist ebenso überraschend konsistent, doch eher niedrig, da viele SATA III SSDs sich als schneller erwiesen haben. Die HDD erreicht dagegen eine Transferrate von 109 MB/s in HD Tune, was für ein 7200-RPM-Laufwerk sehr gut ist. Die Leistung ist 5400-RPM-Laufwerken mit Transferraten von 90 MB/s und langsamer sicherlich überlegen.
Unsere wachsende Vergleichsliste von HDDs und SSDs finden Sie hier.
GPU-Leistung
Die 3DMark-Benchmarks reihen das G752 zirka 30 Prozent hinter dem Eurocom P7 Pro mit GTX 980M Grafik und zirka 60 bis 80 Prozent hinter dem GT72S mit GTX 980 Grafik ein. Man beachte, dass ein ähnlich ausgestattetes MSI GS60 6QE (i7-6700HQ, GTX 970M) das G752 konsistent um bis zu 10 Prozent in diesen synthetischen Tests übertrifft. Mehr Hauptspeicher (32 GB vs. 16 GB) und schnellere stabile GPU-Taktraten (1.166 MHz vs. 1.038 MHz) des MSI verglichen mit dem Asus, könnten dies erklären.
| 3DMark | |
| 1280x720 Cloud Gate Standard Graphics (nach Ergebnis sortieren) | |
| Asus G752VT | |
| MSI GT72S 6QF | |
| Eurocom P7 Pro | |
| MSI GS60 6QE-002US | |
| Alienware 15 (R9 M295X) | |
| Eurocom Shark 4 | |
| Fire Strike Extreme Graphics (nach Ergebnis sortieren) | |
| Asus G752VT | |
| MSI GT72S 6QF | |
| Eurocom P7 Pro | |
| MSI GS60 6QE-002US | |
| Eurocom Shark 4 | |
| 1920x1080 Fire Strike Graphics (nach Ergebnis sortieren) | |
| Asus G752VT | |
| MSI GT72S 6QF | |
| Eurocom P7 Pro | |
| MSI GS60 6QE-002US | |
| Alienware 15 (R9 M295X) | |
| Eurocom Shark 4 | |
| 3DMark 11 | |
| 1280x720 Performance Combined (nach Ergebnis sortieren) | |
| Asus G752VT | |
| MSI GT72S 6QF | |
| Eurocom P7 Pro | |
| MSI GS60 6QE-002US | |
| Alienware 15 (R9 M295X) | |
| Eurocom Shark 4 | |
| 1280x720 Performance Physics (nach Ergebnis sortieren) | |
| Asus G752VT | |
| MSI GT72S 6QF | |
| Eurocom P7 Pro | |
| MSI GS60 6QE-002US | |
| Alienware 15 (R9 M295X) | |
| Eurocom Shark 4 | |
| 1280x720 Performance GPU (nach Ergebnis sortieren) | |
| Asus G752VT | |
| MSI GT72S 6QF | |
| Eurocom P7 Pro | |
| MSI GS60 6QE-002US | |
| Alienware 15 (R9 M295X) | |
| Eurocom Shark 4 | |
| 1280x720 Performance (nach Ergebnis sortieren) | |
| Asus G752VT | |
| MSI GT72S 6QF | |
| Eurocom P7 Pro | |
| MSI GS60 6QE-002US | |
| Alienware 15 (R9 M295X) | |
| Eurocom Shark 4 | |
| 3DMark 06 Standard Score | 25989 Punkte | |
| 3DMark 11 Performance | 9656 Punkte | |
| 3DMark Ice Storm Standard Score | 106725 Punkte | |
| 3DMark Cloud Gate Standard Score | 20600 Punkte | |
| 3DMark Fire Strike Score | 6598 Punkte | |
| 3DMark Fire Strike Extreme Score | 3394 Punkte | |
Hilfe | ||
Gaming-Leistung
Die 3DMark-Leistung lässt sich grob auf reales Gaming übertragen. Das MSI GS60 6QE behält seinen Vorsprung gegenüber dem Asus in allen getesteten Spielen. User können sich beim Wechsel von einer GTX 960M auf eine GTX 970M einen Leistungsschub von 50 bis 60 Prozent erwarten.
Anzumerken ist, dass sich Sleeping Dogs weigerte, auf unserem Testgerät mit den vorhandenen Treibern zu laufen. Metro: Last Light verhält sich auch abnormal. Es ruckelt konsistent alle paar Sekunden. Daher liefern wir keine Ergebnisse für Sleeping Dogs und unsere Metro Ergebnisse für das G752 sind für eine GTX 970M treiberbedingt bei weitem unterdurchschnittlich.
| Middle-earth: Shadow of Mordor - 1920x1080 Ultra Preset (HD Package) (nach Ergebnis sortieren) | |
| Asus G752VT | |
| MSI GT80 Titan SLI | |
| MSI GT72S 6QF | |
| Eurocom P7 Pro | |
| MSI GS60 6QE-002US | |
| Eurocom Shark 4 | |
| Metro: Last Light - 1920x1080 Very High (DX11) AF:16x (nach Ergebnis sortieren) | |
| Asus G752VT | |
| MSI GT80 Titan SLI | |
| MSI GT72S 6QF | |
| Eurocom P7 Pro | |
| MSI GS60 6QE-002US | |
| Eurocom Shark 4 | |
| Tomb Raider - 1920x1080 Ultra Preset AA:FX AF:16x (nach Ergebnis sortieren) | |
| Asus G752VT | |
| MSI GT80 Titan SLI | |
| MSI GT72S 6QF | |
| Eurocom P7 Pro | |
| MSI GS60 6QE-002US | |
| Eurocom Shark 4 | |
| BioShock Infinite - 1920x1080 Ultra Preset, DX11 (DDOF) (nach Ergebnis sortieren) | |
| Asus G752VT | |
| MSI GT80 Titan SLI | |
| MSI GT72S 6QF | |
| Eurocom P7 Pro | |
| MSI GS60 6QE-002US | |
| Eurocom Shark 4 | |
| Thief - 1920x1080 Very High Preset AA:FXAA & High SS AF:8x (nach Ergebnis sortieren) | |
| Asus G752VT | |
| MSI GT80 Titan SLI | |
| MSI GT72S 6QF | |
| Eurocom P7 Pro | |
| MSI GS60 6QE-002US | |
| Eurocom Shark 4 | |
| Batman: Arkham Knight - 1920x1080 High / On AA:SM AF:16x (nach Ergebnis sortieren) | |
| Asus G752VT | |
| MSI GT80 Titan SLI | |
| MSI GT72S 6QF | |
| Metal Gear Solid V - 1920x1080 Extra High / On (nach Ergebnis sortieren) | |
| Asus G752VT | |
| MSI GT72S 6QF | |
| MSI GS60 6QE-002US | |
| Eurocom Shark 4 | |
| Guild Wars 2 - 1920x1080 All Maximum / On AA:FX (nach Ergebnis sortieren) | |
| Asus G752VT | |
| MSI GT80 Titan SLI | |
| MSI GT72S 6QF | |
| Eurocom P7 Pro | |
| MSI GS60 6QE-002US | |
| StarCraft II: Heart of the Swarm - 1920x1080 Ultra / Extreme AA:on (nach Ergebnis sortieren) | |
| MSI GT80 Titan SLI | |
| Eurocom P7 Pro | |
| MSI GS60 6QE-002US | |
| min. | mittel | hoch | max. | |
|---|---|---|---|---|
| Guild Wars 2 (2012) | 56.7 | 48.1 | ||
| Tomb Raider (2013) | 190.1 | 89 | ||
| BioShock Infinite (2013) | 159.7 | 71.7 | ||
| Metro: Last Light (2013) | 79.3 | 33.7 | ||
| Thief (2014) | 90.1 | 50.8 | ||
| Middle-earth: Shadow of Mordor (2014) | 66.7 | 51 | ||
| F1 2014 (2014) | 112 | 96 | ||
| Batman: Arkham Knight (2015) | 59 | 40 | ||
| Metal Gear Solid V (2015) | 59.9 | 59.9 |
Stresstest
Wir belasten das Notebook mit synthetischen Benchmarks, um auf mögliches Throttling oder Stabilitätsprobleme zu testen.
Unter Prime95-Last läuft die i7-6700HQ CPU mit stetigen 3,1 GHz, also dem maximalen Nenn-Turbo-Boost, wenn alle Kerne aktiv sind. Es ist beeindruckend, dass die maximale CPU-Temperatur unter 70 °C bleibt. Daher bleibt Spielraum für eine Übertaktung, falls sich User für ein Modell mit i7-6820HK entscheiden. Unter FurMark-Last drosselt die GPU nur leicht von ihrem Basistakt von 924 MHz auf den 899 - 911 MHz Bereich. Laufen Prime95 und FurMark gleichzeitig, fällt der CPU-Takt auf 3 GHz und die Kerntemperatur steigt auf bis 90 °C.
Unter Unigine-Heaven-Last läuft das System kühler und schneller. Das G752 arbeitet hier mit 3,1 GHz oder höher und mit einem GPU-Boost von bis zu 1.038 MHz. Die Kerntemperaturen von CPU und GPU bleiben unter 70 °C. Abgesehen davon, dass die CPU im MSI mit über 80 °C wärmer wird, ist das mit dem MSI GT72S vergleichbar.
Akkubetrieb hat einen stärkeren Einfluss auf die GPU- als auf die CPU-Leistung. Während der Kerntakt der GPU bei maximal 1.038 MHz bleibt, fällt der Speichertakt auf nur 799 MHz verglichen mit den 1.253 MHz im Netzbetrieb. Die CPU drosselt zudem etwas häufiger. 3DMark 11 liefert im Akkubetrieb Physics und Graphics Scores von 8.505 bzw. 6.627 Punkten verglichen mit 8.665 bzw. 10.113 Punkten im Netzbetrieb.
| CPU-Takt (GHz) | GPU-Takt (MHz) | Maximale CPU-Temperatur (C) | Maximale GPU-Temperatur (C) | |
| Prime95-Last | 3.1 | -- | ~67 | -- |
| FurMark-Last | -- | 899 - 911 | -- | ~68 |
| Prime95 + FurMark Last | 3.0 | 899 - 911 | 85 - 90 | ~73 |
| Unigine-Heaven-Last | 3.1+ | 1038 | 60 - 65 | ~66 |
| Unigine-Heaven-Last (Akkubetrieb) | 3.1+ | 1038 | 55 - 60 | ~60 |
Emissionen
Geräuschemissionen
Das G751 gehörte bereits zu den leisesten Gaming-Notebooks und das trifft auch auf das G752 zu. Mit zirka 33 dB(A) stehen die Lüfter unabhängig von der Last niemals still. Beim Gaming steigt das Lüftergeräusch langsam auf den 35- bis 37-dB(A) Bereich. Unter 100 Prozent CPU- und GPU-Last erreicht das Lüftergeräusch schließlich laute 46 dB(A). Das ist ein unrealistisches Szenario, doch es zeigt, dass das System die Lüfter bei Bedarf intensivieren kann. Die Lüfter pulsieren beim Internet-Surfen oder während einer Video-Wiedergabe nicht.
Das niedrige Lüftergeräusch beim Gaming ist tatsächlich leiser als beim MSI GT72S und Eurocom P7 Pro, welcher sich eher im niedrigen 40 dB(A) Bereich befindet. Ultraschlanke Notebooks wie das Gigabyte P37 können sogar noch lauter werden.
Lautstärkediagramm
| Idle |
| 32.9 / 33 / 33.1 dB(A) |
| Last |
| 36.2 / 45.8 dB(A) |
![]() | ||
30 dB leise 40 dB(A) deutlich hörbar 50 dB(A) störend |
||
min: | ||
Temperatur
Die Oberflächentemperaturen sind bemerkenswert niedrig und gehören zu den niedrigsten, die wir je bei einem hochwertigen Gaming-Notebook gesehen haben. Auch in Anbetracht der kalten Umgebungstemperatur (19 °C), bleibt der Großteil des Notebooks auch nach lang andauernder extremer Last kühl. Im schlechtesten Fall messen wir eine Oberflächentemperatur von 38 °C nahe der Rückseite des G752. Dagegen sind es 49 °C beim MSI GT72S, 47 °C beim Eurocom P7 Pro und 53 °C beim dünneren MSI GS60 unter ähnlicher Last.
Die Tastatur bleibt auch beim Gaming ziemlich kühl. Asus hat besonders auf die linke Hälfte der Tastatur, auf welcher sich die WASD- und die Macro-Tasten befinden, geachtet. Dieser Bereich ist viel kühler als der Nummernblock oder der zentrale Tastaturbereich.
(+) Die maximale Temperatur auf der Oberseite ist 37.6 °C. Im Vergleich liegt der Klassendurchschnitt bei 40.4 °C (von 21.2 bis 68.8 °C für die Klasse Gaming).
(+) Auf der Unterseite messen wir eine maximalen Wert von 38 °C (im Vergleich zum Durchschnitt von 43.2 °C).
(+) Ohne Last messen wir eine durchschnittliche Temperatur von 26.7 °C auf der Oberseite. Der Klassendurchschnitt erreicht 33.9 °C.
(+) Die Handballen und der Touchpad-Bereich sind mit gemessenen 26.6 °C kühler als die typische Hauttemperatur und fühlen sich dadurch kühl an.
(+) Die durchschnittliche Handballen-Temperatur anderer getesteter Geräte war 28.8 °C (+2.2 °C).
Lautsprecher

Die Stereo-Lautsprecher befinden sich an der Rückseite des Notebooks hinter dem Bildschirm. Die großen Lautsprechergrille sind nur bei geöffnetem Bildschirmdeckel sichtbar. Da dies der dickste Teil des Notebooks ist, finden hier größere Lautsprecher anstatt kleinerer im vorderen Bereich Platz. Der eigenständige Subwoofer befindet sich an der Unterseite des Geräts.
Die Klangqualität ist mit akzeptablem Bass und großartiger Balance sehr gut. Die Qualität nimmt bei höherer Lautstärke nicht ab und Rauschen ist nicht hörbar. Die Sonic Studio II Software ist einfach zu verwenden und liefert für Gaming bessere Optionen für das Erkennen und Hervorheben menschlicher Sprache.
Akkulaufzeit
Der nicht entfernbare 67-Wh-Akku ist kleiner als beim G751. In Kombination mit dem Fehlen von Optimus and dem anscheinend höheren Stromverbrauch der NVMe SSD, ist die Akkulaufzeit des G752 sogar für ein Gaming-Notebook unterdurchschnittlich. Im beste Fall erreicht das G752 nur knapp 2 Stunden. Die Konkurrenten bieten bei ähnlichen Bedingungen viel längere Laufzeiten.
Laden von 0 bis voll, dauert zirka eine Stunde und 45 Minuten. Die Werte in der Tabelle unten sind in Minuten angegeben.
| Asus G752VT 67 Wh | Asus G751JY 88 Wh | Eurocom P7 Pro 82 Wh | MSI GT72S 6QF 83 Wh | MSI GS70-6QE16H21 56 Wh | Asus GL771JM 56 Wh | Gigabyte P37X 76 Wh | |
|---|---|---|---|---|---|---|---|
| Akkulaufzeit | 0% | -6% | 51% | -2% | 54% | 41% | |
| Idle (h) | 3.8 | 3.5 -8% | 2.7 -29% | 6.5 71% | 4 5% | 9.6 153% | 5.5 45% |
| WLAN (h) | 3.1 | 2.4 -23% | 4.9 58% | 3 -3% | 4.2 35% | 4 29% | |
| Last (h) | 1.2 | 1.3 8% | 1.6 33% | 1.5 25% | 1.1 -8% | 0.9 -25% | 1.8 50% |
Pro
Contra
Fazit
Die G750-Serie mag groß und schwer sein, doch das Lüftergeräusch ist nicht zuletzt deswegen immer sehr niedrig. Ebenso sind die Oberflächentemperaturen bemerkenswert niedrig und weder CPU noch GPU drosseln beim Gaming.
Einmal abgesehen vom abermals gelungenen Kühlsystem ist das G752 allerdings dem G751 keinen großen Schritt voraus. Die Tastatur und das Touchpad sind identisch und der Bildschirm hat sich nur marginal verbessert. Die Gehäusequalität hat sich gegenüber der bereits ausgezeichneten des G751 nicht verbessert. Viel Augenmerk liegt daher auf der Ästhetik. Eine manuelle Grafikumschaltung wird nicht unterstützt, die Akkulaufzeit ist kurz und das Mainboard bleibt zwecks Wartung unerreichbar.
Das Asus G752 ist nach wie vor ein sehr gutes Gaming Notebook, der Vorsprung der Vorgänger zu möglichen Konkurrenten schmilzt allerdings dahin.
Das Problem ist nicht, dass das G752 ein schlechtes Gaming-Notebook wäre, sondern dass sich die Konkurrenz mit jeder Generation schneller verbessert als Asus. Das MSI GT72S bietet NVMe im RAID-0-Verbund, eine aufrüstbare GPU und mehr Speicherschächte im Gehäuse. Das Eurocom Sky X9 basiert auf den neueren Clevo P870DM Barebones und verfügt über Desktop-CPUs und Nvidia-GPUs, die beide zur Leistungssteigerung theoretisch auch aufrüstbar sind. Die Konkurrenzmodelle liefern zum gleichen Preis mehr Leistung und Features liefern. Vorerst sind das GT72S und das Clevo P870DM ausgezeichnete Alternativen mit mehr erreichbaren Features.
Asus G752VT
- 12.01.2016 v5 (old)
Allen Ngo
Erfahren Sie hier mehr über die Änderungen der neuen Bewertung mit Version 5






























































































