Lenovo ThinkBook 14 G2 ITL (i3-1115G4) im Test - Schüler-Laptop mit Potential und Schwächen

Nachdem im Sommer 2021 die Ausschreibung über digitale Endgeräte für Österreichs Schüler der 5. und 6. Schulstufe abgeschlossen wurde, erhalten nun die ersten teilnehmenden Schulen ihre georderten Laptops. Allerdings handelt es sich nicht um das eigentliche Siegergerät der Geräteklasse Windows-Laptop, das Lenovo ThinkPad E14, sondern um das Lenovo ThinkBook 14 G2 ITL, das den Ausschreibungsrichtlinien zufolge als gleichwertig geführt wird (wir berichteten). Uns liegt ein Exemplar der ersten Tranche vor, welches wir hier einem gewohnt ausführlichen Test unterziehen.
Das Lenovo ThinkBook 14 G2 ITL in der hier getesteten Konfiguration ist aktuell nicht im Handel verfügbar. Es handelt sich um ein Projektgerät, welches ausschließlich an die teilnehmenden Schulen geliefert wird. Notiz am Rande: Den Schulen ist es nicht möglich ein konkretes Modell zu wählen, lediglich die Entscheidung für eine bestimmte Geräteklasse obliegt dem Lehrkörper. Welches Endgerät dann an die Schule gesendet wird, entscheiden die Ausschreibungsrichtlinien bzw. der jeweilige Lieferant. Das ThinkBook 14 G2 ist das erste Modell der Sparte Windows-Laptop, das den Weg in die Schulen findet. Zufolge der OeAD (Agentur für Bildung und Internationalisierung, zuständig für die Umsetzung der Geräteinitiative) ist in den kommenden Monaten neben dem Siegergerät auch noch die Auslieferung zweier weiterer Modelle geplant, das Lenovo ThinkPad L13 G2 (13-Zoll) sowie das Acer TravelMate P2 (14-Zoll). Wir werden versuchen auch diese Geräte für einen eingehenden Test zu organisieren.
mögliche Konkurrenten im Vergleich
Bew. | Datum | Modell | Gewicht | Dicke | Größe | Auflösung | Preis ab |
|---|---|---|---|---|---|---|---|
| 83.6 % v7 (old) | 11 / 2021 | Lenovo ThinkBook 14 G2 ITL 20VDS02G00 i3-1115G4, UHD Graphics Xe G4 48EUs | 1.5 kg | 17.9 mm | 14.00" | 1920x1080 | |
| 85.1 % v7 (old) | 01 / 2021 | Lenovo ThinkPad E14 Gen2-20TA000DGE i7-1165G7, Iris Xe G7 96EUs | 1.6 kg | 17.9 mm | 14.00" | 1920x1080 | |
| 86.1 % v7 (old) | 01 / 2021 | Lenovo ThinkPad L13 Gen2-20VH0017GE i5-1135G7, Iris Xe G7 80EUs | 1.4 kg | 17.6 mm | 13.30" | 1920x1080 | |
| 86.7 % v7 (old) | 07 / 2021 | Lenovo ThinkPad E14 G3-20Y7003SGE R5 5500U, Vega 7 | 1.6 kg | 17.9 mm | 14.00" | 1920x1080 | |
| 88.9 % v7 (old) | 05 / 2021 | Asus ZenBook 13 UX325EA i7-1165G7, Iris Xe G7 96EUs | 1.2 kg | 13.9 mm | 13.30" | 1920x1080 | |
| 76.9 % v7 (old) | 09 / 2021 | HP 14s-fq1357ng R5 5500U, Vega 7 | 1.5 kg | 17.9 mm | 14.00" | 1920x1080 | |
| 79.1 % v7 (old) | 06 / 2020 | HP 14s-dq1431ng i5-1035G1, UHD Graphics G1 (Ice Lake 32 EU) | 1.5 kg | 18 mm | 14.00" | 1920x1080 | |
| 86.1 % v7 (old) | 07 / 2021 | Lenovo ThinkPad L14 G2 AMD R7 PRO 5850U, Vega 8 | 1.7 kg | 20.4 mm | 14.00" | 1920x1080 | |
| 83.3 % v7 (old) | 05 / 2021 | HP ProBook 440 G8-2W1G4EA i7-1165G7, Iris Xe G7 96EUs | 1.4 kg | 19 mm | 14.00" | 1920x1080 | |
| 82.1 % v7 (old) | 01 / 2021 | Dell Vostro 14 5490 i7-10510U, GeForce MX250 | 1.5 kg | 17.9 mm | 14.00" | 1920x1080 |
Gehäuse - Schick und robust, für wie lange?
Auch in der vorliegenden Schulversion entspricht das ThinkBook 14 G2 der bereits getesteten ThinkBook-14-Variante mit Intel i5 CPU. Mit den "mineralgrauen" Oberflächen setzt sich das ThinkBook vom durchgehend schwarzen Design der ThinkPads ab. Lenovo nutzt einen Materialmix aus Aluminium-Oberflächen (Displaydeckel/A-Cover sowie Wartungsdeckel/D-Cover) und Kunststoff (Displayeinfassung und Oberseite der Baseunit (B- und C-Cover). Die Stabilität des Gehäuses fällt subjektiv gut aus, das Notebooks fühlt sich wertig und formstabil an.
Ob die ThinkBooks hinsichtlich Langlebigkeit ihren Vorbildern aus der professionellen ThinkPad-Reihe das Wasser reichen können, muss sich erst zeigen. Fest steht, dass Lenovo mit den ThinkBooks (aber auch mit den ThinkPads der E- und L-Serie) besonders preissensible Kundschaft bedient. Die Geräte werden, im Gegensatz zu den Modellen der T-Serie (Japan), in China entwickelt und produziert. Spezielle Gehäusefeatures wie etwa einen Spritzwasserschutz sucht man hier vergebens. Laut Lenovo ist das ThinkBook G2 nach MIL-STD-810H zertifiziert. Welche Tests dabei erfolgreich abgeschlossen worden sind, bleibt dabei aber ungeklärt. Die 11- bis 12-jährigen Schüler werden in den kommenden Jahren allerdings bestimmt ihr Bestes geben, die erhoffte Robustheit der Laptops auf Herz und Nieren zu testen.
Mit einer Stellfläche von 323 x 218 Millimetern und einer Dicke von rund 18 Millimetern (22 inkl. Füße) passt das ThinkBook 14 G2 grundsätzlich in jede Schultasche oder Rucksack. Das Gewicht von exakt 1.537 Gramm zuzüglich 362 Gramm für das Netzteil, also insgesamt 1,9 Kilogramm spielt am täglichen Weg in die Schule schon eher eine Rolle. Die Alternativen im Windows-Laptop-Segment positionieren sich hier in etwa auf selbem Niveau, seitens Ausschreibung ist ein Gesamtgewicht von max. 1,7 Kilogramm definiert, allerdings ohne zugehöriges Netzteil.
Zum Vergleich: Das von den Schulen ebenso wählbare Konkurrenzprodukt in der Kategorie iOS-Tablet wiegt lediglich 495 Gramm, zuzüglich 75 Gramm für das Ladegerät und scheint damit für einen täglichen Transport erheblich besser geeignet. Noch einen Tick leichter ist das Samsung Galaxy Tab S6 Lite, die angebotene Option in der Kategorie Android-Tablet: 467 Gramm für das Tablet plus 30 Gramm für das Netzteil ergeben ein Gesamtgewicht von nur 497 Gramm, nur rund ein Viertel der Windows-Notebook-Variante. Folgende Grafik ermöglicht den Vergleich der einzelnen Optionen.
Ausstattung - Viele Ports und aufrüstbar
Als vorbildlich ist die gebotene Anschlussausstattung am ThinkBook 14 zu bezeichnen. Das Notebook bietet, positioniert an der linken und rechten Gehäusekante im hinteren Bereich, zufolge der technischen Dokumente von Lenovo, insgesamt zwei USB Type-A-Ports (3.2 Gen 1), einen HDMI-Port (1.4b), einen USB Type-C 3.2 Gen-2-Port (unterstützt Datentransfer, Power Delivery 3.0 and DisplayPort 1.4), einen Thunderbolt-4-Port (40 Gbps), einen 3,5 mm Combo-Klinkenanschluss für Kopfhörer und Mikrofon, einen Ethernet-Port (RJ-45) mit beweglicher Klappe sowie einen Fullsize SD-Kartenleser. Das Netzteil verwendet einen der beiden Type-C-Ports, einen eigenen Ladeanschluss gibt es nicht. Vorteil: Grundsätzlich können auch Universal-Typ-C-Netzgeräte verwendet werden. Ein getestetes Ravpower-Netzteil mit max. 61 Watt Ausgangsleistung wurde ebenso erkannt wie ein Charger von Inateck.
SD Card Reader
Der SD-Kartenleser nimmt SD-Cards in voller Größe auf, allerdings nur ca. zur Hälfte, sprich die Karten stehen deutlich über und eignen sich damit nicht zum permanenten Einsatz. Mit Lese- und Schreibraten von rund 70 bis 90 MB/s im Test mit unserer AV PRO microSD 128 GB V60 Referenzkarte platziert sich das ThinkBook im soliden Mittelfeld. Der SD-Cardreader eignet sich damit durchaus zum gelegentlichen Einlesen größerer Datenmengen, etwa von digitalen Kameras.
| SD Card Reader | |
| average JPG Copy Test (av. of 3 runs) | |
| HP ProBook 440 G8-2W1G4EA (AV PRO microSD 128 GB V60) | |
| Asus ZenBook 13 UX325EA (Toshiba Exceria Pro M501 microSDXC 64GB) | |
| Lenovo ThinkPad L14 G2 AMD (AV Pro V60) | |
| Lenovo ThinkPad L13 Gen2-20VH0017GE (Toshiba Exceria Pro M501 64 GB UHS-II) | |
| Lenovo ThinkBook 14 G2 ITL 20VDS02G00 (AV Pro V60) | |
| Durchschnitt der Klasse Office (22.4 - 198.5, n=23, der letzten 2 Jahre) | |
| HP 14s-dq1431ng (Toshiba Exceria Pro SDXC 64 GB UHS-II) | |
| HP 14s-fq1357ng (AV Pro SD microSD 128 GB V60) | |
| Dell Vostro 14 5490 (Toshiba Exceria Pro M501 64 GB UHS-II) | |
| maximum AS SSD Seq Read Test (1GB) | |
| HP ProBook 440 G8-2W1G4EA (AV PRO microSD 128 GB V60) | |
| Lenovo ThinkPad L14 G2 AMD (AV Pro V60) | |
| Lenovo ThinkBook 14 G2 ITL 20VDS02G00 (AV Pro V60) | |
| Asus ZenBook 13 UX325EA (Toshiba Exceria Pro M501 microSDXC 64GB) | |
| Lenovo ThinkPad L13 Gen2-20VH0017GE (Toshiba Exceria Pro M501 64 GB UHS-II) | |
| Durchschnitt der Klasse Office (27.4 - 249, n=21, der letzten 2 Jahre) | |
| HP 14s-dq1431ng (Toshiba Exceria Pro SDXC 64 GB UHS-II) | |
| HP 14s-fq1357ng (AV Pro SD microSD 128 GB V60) | |
| Dell Vostro 14 5490 (Toshiba Exceria Pro M501 64 GB UHS-II) | |
Kommunikation
Zwecks kabelloser Kommunikation kommt ein Intel Wireless-AC 9560 WiFi-Modul zum Einsatz. Unterstützt wird damit Bluetooth 5.1 und WiFi 5, womit sich ein deutlicher Unterschied zur bereits getesteten ThinkBook-Variante mit Intel i5-CPU ergibt, welches dank des dort eingesetzten Intel Wi-Fi 6 AX201 Moduls erheblich schneller funkt. Die Unterschiede sind in den Testergebnissen eindeutig erkennbar: Während das ThinkBook 14 mit dem AX201-Modul hohe Übertragungsraten schafft und sich im Spitzenfeld der Vergleichsgruppe positioniert, dümpelt das ThinkBook in der vorliegenden Schul-Konfiguration eher im hinteren Mittelfeld herum. Getestet wurde mit zwei Routern, unserem Netgear Nighthawk Stream WiFi 6 AX12 (RAX120) Referenzrouter und einem neueren Asus AXE11000, der dem ThinkBook etwas bessere Übertragungsraten entlocken konnte.
Webcam
Das ThinkBook 14 G2 integriert eine simple 720p-Kamera, eingesetzt mittig im oberen Displayrahmen. Die Kamera besitzt einen mechanischen Privacy-Shutter, der bei Bedarf eine Kunststoffblende über die Linse schiebt. Ein roter Punkt macht die verdeckte Kamera leicht erkennbar.
Die Qualität der Webcam kann als überaus bescheiden beschrieben werden. Weniger sind es die Farben, vielmehr schafft die Kamera ein nur niedrig aufgelöstes, unscharfes und pixeliges Bild und hat insbesondere bei ungünstigen Lichtbedingungen erhebliche Probleme. Will man detailreiche Inhalte über die Webcam abbilden und Gesprächspartnern präsentieren, sollte man besser auf eine hochwertige externe Lösung zurückgreifen.

Sicherheit
Lt. technischem Datenblatt unterstützt das ThinkBook 14 G2 TPM 2.0 sowie eine Passwort-Absicherung auf Bios-Ebene. Zudem ist an der rechten Seitenkante im hinteren Bereich eine Aufnahme für ein Kensington-Nano-Schloss integriert. Entsprechend kompatible Befestigungslösungen gibt es ab rund 40 Euro bei Amazon. In den On/Off-Button ist zudem ein Fingerprint-Lesegerät integriert, das eine schnelle Entsperrung des Notebooks ermöglicht.
Wartung
Nach dem Entfernen von 10 Kreuzschlitzschrauben (Achtung - unterschiedliche Längen!) an der Unterseite lässt sich das D-Cover unter Zuhilfenahme von Kunststoffspateln aushebeln. Dabei ist einiges an Fingerspitzengefühl gefragt, um keinen der zahlreichen Kunststoffhaken zu beschädigen. Einmal geöffnet gewährt das ThinkBook 14 G2 Zugriff zu Lüfter, Akku, RAM, SSD, WiFi-Modul und Bios-Batterie. Diese Komponenten können auch getauscht werden, wobei 8 GB RAM direkt am Mainboard aufgelötet sind, der freie RAM-Slot aber ein nachträgliches Aufrüsten gestattet. Ein RAM-Upgrade ermöglicht einen Dual-Channel-Betrieb und kann sich vor allem auf die Grafikperformance positiv auswirken. Mehr dazu in der Rubrik Leistung.
Ein kleines Highlight ist der zweite unbesetzte M.2-Slot, der eine Erweiterung der Speicherkapazität des Laptops ermöglicht. Unterstützt werden lt. Lenovo auch schnelle PCIe NVMe SSDs (3.0 x4) im Formfaktor 2242 und 2280. Eine testweise eingesetzte Cruical P2 PCIe SSD mit einer Kapazität von 1.000 GB wurde vom System anstandslos erkannt.
Eingabegeräte - Gute Tastatur ohne Beleuchtung
Tastatur
Die Tastatur mit einem Hubweg von rund 1,5 Millimetern fühlt sich im Test gut an und lässt auch das Verfassen längerer Texte oder Programmiercodes denkbar erscheinen. Die einzelnen Tasten verfügen über einen deutlich spürbaren Druckpunkt kombiniert mit gut dosiertem Widerstand. Auch die Geräuschkulisse beim flotten Tippen hält sich in Grenzen. Auffällig im Vergleich zu der bereits von uns getesteten Variante ist beim hier vorliegenden Schul-Laptop die fehlende Beleuchtung der Tastatur. Für geübte Vielschreiber ist dies kein Problem, ist man allerdings auf eine gute Sichtbarkeit der Tastensymbole angewiesen, können sich dadurch Probleme bei ungünstigen Lichtverhältnissen ergeben. Für Laptop-Neulinge, zu denen die meisten der jungen Schüler zählen werden, eher ein Nachteil. Separate Tasten für die Einstellung der Lautstärke usw. gibt es nicht, hier werden die Tasten der Funktionstastenreihe genutzt (primäre Belegung).
Touchpad
Die typischen roten Trackpoints inmitten der Tastatur sind den ThinkPads vorbehalten (ThinkPad E14, ThinkPad L13,...). Bei Benutzung ohne Maus muss man sich hier mit dem Touchpad arrangieren. Das klappt im Test über weite Strecken zufriedenstellend.
Display - Hell und matt, schwach bei der Farbwiedergabe
Zufolge der technischen Datenblättern kann Lenovo beim ThinkBook 14 G2 ITL auf 5 verschiedene Displays zurückgreifen. In jedem Fall beträgt die maximale Auflösung Full-HD (1.920x1.080 Pixel), die Displayoberfäche ist stets matt ausgeführt und reduziert damit störende Refexionen bei ungünstigen Lichtverhältnissen. Entwarnung können wir hinsichtlich der minderwertigsten Displayvariante geben. Das optionale TN-Panel wird im vorliegenden Bildungslaptop nicht eingesetzt, die dadurch bedingten engen Blickwinkel wären in jedem Fall von großem Nachteil.
Bei unseren Displaytests beobachten wir eine gute maximale Helligkeit von bis zu 386 cd/m2 bei einem maximalen Kontrast von 1.331:1. Wir gehen davon aus, dass Lenovo im vorliegenden Modell eine geringfügig abweichende Displayvariante nutzt als bei dem bereits von uns getesteten ThinkBook-14-Modell, welches maximal nur 240 cd/m2 hell leuchtete. Das sind angesichts des hohen Preisdrucks beim Schul-Laptop erfreuliche Nachrichten, zumal das Notebook dank der höheren Helligkeit auch begrenzt für den Einsatz unter freiem Himmel tauglich wird. Die je nach Displayinhalt mehr oder weniger durchscheinenden Lichthöfe an den Rändern enttarnen das genutzte Display dennoch als eher billiges Modell.
| |||||||||||||||||||||||||
Ausleuchtung: 83 %
Helligkeit Akku: 386 cd/m²
Kontrast: 1331:1 (Schwarzwert: 0.29 cd/m²)
ΔE ColorChecker Calman: 6.3 | ∀{0.5-29.43 Ø4.73}
calibrated: 4.1
ΔE Greyscale Calman: 5.4 | ∀{0.09-98 Ø4.98}
60.6% sRGB (Calman 2D)
38.4% AdobeRGB 1998 (Argyll 3D)
55.5% sRGB (Argyll 3D)
37.2% Display P3 (Argyll 3D)
Gamma: 2.55
CCT: 5894 K
| Lenovo ThinkBook 14 G2 ITL 20VDS02G00 AU Optronics B140HAN04.E, a-Si IPS LED, 1920x1080, 14" | Lenovo ThinkBook 14 G2 ITL 20VD008WGE B140HAN04.0, a-Si IPS LED, 1920x1080, 14" | Lenovo ThinkPad E14 Gen2-20TA000DGE LP140WFA-SPD2, IPS LED, 1920x1080, 14" | Lenovo ThinkPad L13 Gen2-20VH0017GE B133HAN06.6, IPS, 1920x1080, 13.3" | HP ProBook 440 G8-2W1G4EA AU Optronics AUO818B, VA, 1920x1080, 14" | HP 14s-fq1357ng AUO403D, IPS, 1920x1080, 14" | Lenovo ThinkPad E14 G3-20Y7003SGE NVM140FHM-N4V, IPS, 1920x1080, 14" | Asus ZenBook 13 UX325EA Samsung SDC4155 (ATNA33XC09-0), OLED, 1920x1080, 13.3" | HP 14s-dq1431ng AUO403D, IPS, 1920x1080, 14" | Lenovo ThinkPad L14 G2 AMD B140HAN04.0, IPS LED, 1920x1080, 14" | Dell Vostro 14 5490 B140HAN, LED, 1920x1080, 14" | |
|---|---|---|---|---|---|---|---|---|---|---|---|
| Display | 0% | 3% | 14% | 0% | 3% | 8% | 134% | 3% | 1% | 3% | |
| Display P3 Coverage (%) | 37.2 | 37.23 0% | 38.26 3% | 42.49 14% | 37.02 0% | 38.11 2% | 40.3 8% | 99.9 169% | 38.42 3% | 37.5 1% | 38.4 3% |
| sRGB Coverage (%) | 55.5 | 55.9 1% | 57.2 3% | 55.6 0% | 57 3% | 59.5 7% | 100 80% | 57.7 4% | 56.3 1% | 57.4 3% | |
| AdobeRGB 1998 Coverage (%) | 38.4 | 38.47 0% | 39.57 3% | 43.92 14% | 38.25 0% | 39.37 3% | 41.7 9% | 97.5 154% | 39.71 3% | 38.7 1% | 39.68 3% |
| Response Times | -11% | 15% | -11% | 5% | 9% | 25% | 95% | 13% | 16% | -2% | |
| Response Time Grey 50% / Grey 80% * (ms) | 45.9 ? | 51.6 ? -12% | 38.4 ? 16% | 52.4 ? -14% | 43 ? 6% | 41 ? 11% | 35.2 ? 23% | 2 ? 96% | 41 ? 11% | 36 ? 22% | 48 ? -5% |
| Response Time Black / White * (ms) | 29 ? | 31.6 ? -9% | 24.8 ? 14% | 31.2 ? -8% | 28 ? 3% | 27 ? 7% | 21.6 ? 26% | 2 ? 93% | 25 ? 14% | 26 ? 10% | 28.4 ? 2% |
| PWM Frequency (Hz) | 60 ? | ||||||||||
| Bildschirm | -6% | -4% | 3% | -6% | 8% | 8% | 34% | 8% | -10% | -9% | |
| Helligkeit Bildmitte (cd/m²) | 386 | 240 -38% | 286 -26% | 244 -37% | 253 -34% | 220 -43% | 341 -12% | 390 1% | 305 -21% | 278 -28% | 240 -38% |
| Brightness (cd/m²) | 348 | 226 -35% | 292 -16% | 237 -32% | 230 -34% | 223 -36% | 327 -6% | 368 6% | 264 -24% | 255 -27% | 228 -34% |
| Brightness Distribution (%) | 83 | 69 -17% | 85 2% | 93 12% | 82 -1% | 85 2% | 90 8% | 66 -20% | 81 -2% | 86 4% | 84 1% |
| Schwarzwert * (cd/m²) | 0.29 | 0.23 21% | 0.17 41% | 0.21 28% | 0.29 -0% | 0.225 22% | 0.26 10% | 0.16 45% | 0.33 -14% | 0.15 48% | |
| Kontrast (:1) | 1331 | 1043 -22% | 1682 26% | 1162 -13% | 872 -34% | 978 -27% | 1312 -1% | 1906 43% | 842 -37% | 1600 20% | |
| Delta E Colorchecker * | 6.3 | 5.4 14% | 7.2 -14% | 4.7 25% | 5.35 15% | 4.16 34% | 5.1 19% | 2.03 68% | 5.44 14% | 5.9 6% | 6.8 -8% |
| Colorchecker dE 2000 max. * | 18.3 | 21.9 -20% | 22.1 -21% | 17.7 3% | 17.08 7% | 7.43 59% | 17.6 4% | 3.14 83% | 20.42 -12% | 20.2 -10% | 24.3 -33% |
| Colorchecker dE 2000 calibrated * | 4.1 | 4.8 -17% | 5.4 -32% | 4.3 -5% | 4.4 -7% | 3.1 24% | 4.72 -15% | 4.5 -10% | 5.3 -29% | ||
| Delta E Graustufen * | 5.4 | 2.3 57% | 5.2 4% | 2.8 48% | 3.75 31% | 2.35 56% | 2.1 61% | 1.28 76% | 3.23 40% | 4.1 24% | 5.6 -4% |
| Gamma | 2.55 86% | 2.37 93% | 2.52 87% | 2.24 98% | 2.48 89% | 2.62 84% | 2.11 104% | 2.4 92% | 2.45 90% | 2.15 102% | 2.34 94% |
| CCT | 5894 110% | 6706 97% | 7086 92% | 6259 104% | 6446 101% | 6389 102% | 6755 96% | 6359 102% | 7035 92% | 7224 90% | 6108 106% |
| Farbraum (Prozent von AdobeRGB 1998) (%) | 35.4 | 36.3 | 40.3 | 35 | 87 | 37 | 36.4 | ||||
| Color Space (Percent of sRGB) (%) | 55.8 | 56.9 | 63 | 55 | 100 | 58 | 57 | ||||
| Durchschnitt gesamt (Programm / Settings) | -6% /
-6% | 5% /
0% | 2% /
3% | -0% /
-3% | 7% /
7% | 14% /
11% | 88% /
69% | 8% /
7% | 2% /
-4% | -3% /
-5% |
* ... kleinere Werte sind besser
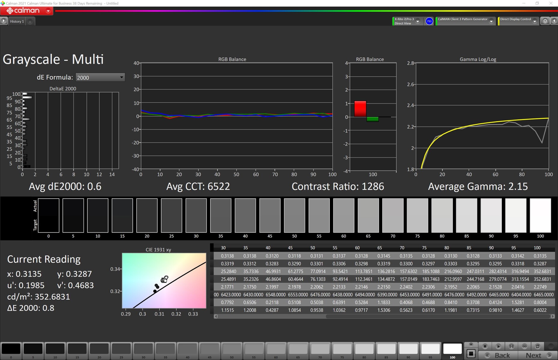
Definitiv nicht zu den Stärken des verbauten Displays zählt der Umfang der darstellbaren Farben. Gerade einmal 60 % des kleinen sRGB-Farbraums vermag der Bildschirm unseren Messungen mit einem Spectralfotometer und der Analysesoftware Calman zufolge abzubilden. Damit eignet sich das Gerät kaum für eine ernsthafte Bearbeitung von Bildern. Die Abweichung der dargestellten Farben fällt im Werkszustand akzeptabel aus, lässt sich aber durch eine Kalibrierung vor allem bei den Graustufen erheblich verbessern. Unser icc-Profil für die Kalibrierung stellen wir in der Box der Displaymessungen etwas weiter oben kostenlos zur Verfügung.
Die gemessenen Reaktionszeiten des Displays sind klassentypisch relativ hoch, für den geplanten Einsatzzweck sollte dies aber keine Rolle spielen. Gut: Die Nutzung von PWM zur Helligkeitssteuerung können wir nicht bestätigen.
Reaktionszeiten (Response Times) des Displays
| ↔ Reaktionszeiten Schwarz zu Weiß | ||
|---|---|---|
| 29 ms ... steigend ↗ und fallend ↘ kombiniert | ↗ 15.7 ms steigend | |
| ↘ 13.3 ms fallend | ||
| Die gemessenen Reaktionszeiten sind mittelmäßig und dadurch für Spieler eventuell zu langsam. Im Vergleich rangierten die bei uns getesteten Geräte von 0.1 (Minimum) zu 240 (Maximum) ms. » 77 % aller Screens waren schneller als der getestete. Daher sind die gemessenen Reaktionszeiten schlechter als der Durchschnitt aller vermessenen Geräte (19.9 ms). | ||
| ↔ Reaktionszeiten 50% Grau zu 80% Grau | ||
| 45.9 ms ... steigend ↗ und fallend ↘ kombiniert | ↗ 21.2 ms steigend | |
| ↘ 24.7 ms fallend | ||
| Die gemessenen Reaktionszeiten sind langsam und dadurch für viele Spieler wahrscheinlich zu langsam. Im Vergleich rangierten die bei uns getesteten Geräte von 0.165 (Minimum) zu 636 (Maximum) ms. » 78 % aller Screens waren schneller als der getestete. Daher sind die gemessenen Reaktionszeiten schlechter als der Durchschnitt aller vermessenen Geräte (31.1 ms). | ||
Bildschirm-Flackern / PWM (Pulse-Width Modulation)
| Flackern / PWM nicht festgestellt | |||
Im Vergleich: 52 % aller getesteten Geräte nutzten kein PWM um die Helligkeit zu reduzieren. Wenn PWM eingesetzt wurde, dann bei einer Frequenz von durchschnittlich 7828 (Minimum 1.31, Maximum 343500) Hz. | |||
Dank IPS-Displaytechnologie bleibt das dargestellte Bild auch bei ungünstigen Blickwinkeln stabil. Eine Lehrperson ist damit durchaus im Stande bei seitlichem Blick auf das Display korrigierend einzugreifen. Die Displayhelligkeit bleibt auch im Akkubetrieb vollumfänglich erhalten, ein Einsatz im Schulhof, nach Möglichkeit nicht mit direkter Sonneneinstrahlung auf das Display, kann durchaus in Betracht gezogen werden.
Leistung - Schwache i3 trifft schnelle SSD
Das Lenovo ThinkBook 14 G2 ITL kann hinsichtlich CPU und GPU verschiedenste Konfigurationen aufweisen. Das Kürzel ITL gibt Auskunft über die Wahl des Prozessorherstellers, in diesem Fall Intel. Die Endung ARE weist indes auf die Nutzung von Prozessoren von AMD hin. Innerhalb der Intel-CPU-Familie stehen wiederum vier verschiedene Chips zur Auswahl, beginnend bei der i3-1115G4, welche auch in dem hier vorliegenden Gerät verbaut ist, zwei i5-Versionen und der i7-1165G7 in der Topausstattung. Neben der im Chip integrierten Intel UHD Graphics (im Testgerät eingesetzt), kann auch die schnellere, aber ebenso Chip-integrierte Intel Iris Xe GPU-Einheit oder mit der Nvidia Geforce MX450 auch ein eigenständiger Grafikbeschleuniger zum Einsatz kommen.
Dass zum Paketpreis von etwas mehr als 400 Euro hier nur die Basisausstattung zum Einsatz kommt, war nicht anders zu erwarten. Konfigurationen mit AMD-CPU sind im Handel ab rund 650 Euro zu haben, mit Intel-i5-CPU startet das ThinkBook ab rund 700 Euro. Konfigurationen mit Intel i7-CPU und/oder der MX450 GPU können wir zum Zeitpunkt des Tests ebenso wie i3-Varianten nicht finden. Sie sind wohl dem Projektgeschäft vorbehalten und werden nur auf Kundenwunsch bei entsprechend großen Volumen angeboten.
Prozessor
Die i3-1115G4 CPU entstammt Intels aktuellster Tiger-Lake-Architektur, wird im 10-Nanometer-Verfahren gefertigt und besitzt zwei native Rechenkerne (4 Threads via Hyperthreading), die zwischen 3.0 und 4.1 Ghz takten. Ein wichtiger Unterschied zur alternativen i5-1135G7 ist, dass diese vier Rechenkerne besitzt und per Hyperthreading sogar auf 8 Threads zurückgreifen kann. Mehrkern-optimierte Anwendungen können davon besonders profitieren. Auch deckt die i5-CPu einen breiteren Taktbereich (2.4 bis 4.2 GHz) ab und ist damit effizienter. Ebenso bei der im Chip integrierten GPU-Einheit gibt es Unterschiede, mehr dazu im Kapitel "Grafikkarte".
Unsere CPU-Benchmarks durchläuft die i3-CPU auf erwartet niedrigem Niveau. Die i5-1135G7 in der bereits getesteten Version des ThinkBooks 14 G2 kann je nach Benchmark rund 20-80 % schneller rechnen. Zugutehalten muss man dem System allerdings, dass die gebotene CPU-Performance auf konstantem Level bleibt, wie das ThinkBook G2 ITL in unserem Cinebench R15 Loop-Test zeigt. Ebenso positiv: Auch im Akkubetrieb steht annähernd die maximale CPU-Leistung zur Verfügung.
Laut HWInfo64 kann der i3 kurzzeitig 44 Watt verbrauchen (PL2) und langfristig 20 Watt (PL1). Von den 44 Watt nutzt er im Test aber nur maximal 26 Watt, mehr benötigen die zwei Kerne weder beim Blender-Benchmark noch bei Prime95-Stresstest. Langfristig wird die CPU dann auf die 20 Watt limitiert (PL1).
Cinebench R15 Multi Dauertest
Cinebench R23: Multi Core | Single Core
Cinebench R20: CPU (Multi Core) | CPU (Single Core)
Cinebench R15: CPU Multi 64Bit | CPU Single 64Bit
Blender: v2.79 BMW27 CPU
7-Zip 18.03: 7z b 4 | 7z b 4 -mmt1
Geekbench 5.5: Multi-Core | Single-Core
HWBOT x265 Benchmark v2.2: 4k Preset
LibreOffice : 20 Documents To PDF
R Benchmark 2.5: Overall mean
| CPU Performance Rating | |
| Durchschnitt der Klasse Office | |
| Lenovo ThinkPad L14 G2 AMD | |
| Lenovo ThinkPad E14 Gen2-20TA000DGE -2! | |
| Lenovo ThinkPad E14 G3-20Y7003SGE | |
| Lenovo ThinkBook 14 G2 ITL 20VD008WGE | |
| HP 14s-fq1357ng | |
| Asus ZenBook 13 UX325EA | |
| HP ProBook 440 G8-2W1G4EA -2! | |
| Dell Vostro 14 5490 -6! | |
| Lenovo ThinkPad L13 Gen2-20VH0017GE | |
| Lenovo ThinkBook 14 G2 ITL 20VDS02G00 | |
| Durchschnittliche Intel Core i3-1115G4 | |
| HP 14s-dq1431ng -2! | |
| Cinebench R23 / Multi Core | |
| Durchschnitt der Klasse Office (1673 - 22808, n=75, der letzten 2 Jahre) | |
| Lenovo ThinkPad L14 G2 AMD | |
| Lenovo ThinkPad E14 G3-20Y7003SGE | |
| HP 14s-fq1357ng | |
| Lenovo ThinkBook 14 G2 ITL 20VD008WGE | |
| Asus ZenBook 13 UX325EA | |
| Lenovo ThinkPad L13 Gen2-20VH0017GE | |
| Lenovo ThinkBook 14 G2 ITL 20VDS02G00 | |
| Durchschnittliche Intel Core i3-1115G4 (2725 - 3244, n=6) | |
| Cinebench R23 / Single Core | |
| Durchschnitt der Klasse Office (708 - 2130, n=75, der letzten 2 Jahre) | |
| Asus ZenBook 13 UX325EA | |
| Lenovo ThinkPad L14 G2 AMD | |
| Lenovo ThinkBook 14 G2 ITL 20VD008WGE | |
| Lenovo ThinkPad L13 Gen2-20VH0017GE | |
| Lenovo ThinkBook 14 G2 ITL 20VDS02G00 | |
| Durchschnittliche Intel Core i3-1115G4 (1242 - 1319, n=5) | |
| Lenovo ThinkPad E14 G3-20Y7003SGE | |
| HP 14s-fq1357ng | |
| Cinebench R20 / CPU (Multi Core) | |
| Durchschnitt der Klasse Office (648 - 8840, n=74, der letzten 2 Jahre) | |
| Lenovo ThinkPad L14 G2 AMD | |
| Lenovo ThinkPad E14 G3-20Y7003SGE | |
| Lenovo ThinkPad E14 Gen2-20TA000DGE | |
| HP 14s-fq1357ng | |
| Lenovo ThinkBook 14 G2 ITL 20VD008WGE | |
| HP ProBook 440 G8-2W1G4EA | |
| Asus ZenBook 13 UX325EA | |
| Lenovo ThinkPad L13 Gen2-20VH0017GE | |
| Lenovo ThinkPad L13 Gen2-20VH0017GE | |
| Dell Vostro 14 5490 | |
| Lenovo ThinkBook 14 G2 ITL 20VDS02G00 | |
| HP 14s-dq1431ng | |
| HP 14s-dq1431ng | |
| Durchschnittliche Intel Core i3-1115G4 (961 - 1251, n=6) | |
| Cinebench R20 / CPU (Single Core) | |
| Durchschnitt der Klasse Office (345 - 816, n=74, der letzten 2 Jahre) | |
| Lenovo ThinkPad E14 Gen2-20TA000DGE | |
| HP ProBook 440 G8-2W1G4EA | |
| Lenovo ThinkPad L14 G2 AMD | |
| Asus ZenBook 13 UX325EA | |
| Lenovo ThinkBook 14 G2 ITL 20VD008WGE | |
| Lenovo ThinkPad L13 Gen2-20VH0017GE | |
| Lenovo ThinkPad L13 Gen2-20VH0017GE | |
| Lenovo ThinkBook 14 G2 ITL 20VDS02G00 | |
| Durchschnittliche Intel Core i3-1115G4 (504 - 515, n=6) | |
| Lenovo ThinkPad E14 G3-20Y7003SGE | |
| HP 14s-fq1357ng | |
| Dell Vostro 14 5490 | |
| HP 14s-dq1431ng | |
| HP 14s-dq1431ng | |
| Cinebench R15 / CPU Multi 64Bit | |
| Durchschnitt der Klasse Office (250 - 3380, n=76, der letzten 2 Jahre) | |
| Lenovo ThinkPad L14 G2 AMD | |
| Lenovo ThinkPad E14 G3-20Y7003SGE | |
| HP 14s-fq1357ng | |
| Lenovo ThinkPad E14 Gen2-20TA000DGE | |
| Lenovo ThinkBook 14 G2 ITL 20VD008WGE | |
| Asus ZenBook 13 UX325EA | |
| HP ProBook 440 G8-2W1G4EA | |
| Dell Vostro 14 5490 | |
| Lenovo ThinkPad L13 Gen2-20VH0017GE | |
| Lenovo ThinkPad L13 Gen2-20VH0017GE | |
| HP 14s-dq1431ng | |
| Lenovo ThinkBook 14 G2 ITL 20VDS02G00 | |
| Durchschnittliche Intel Core i3-1115G4 (385 - 507, n=6) | |
| Cinebench R15 / CPU Single 64Bit | |
| Durchschnitt der Klasse Office (99.5 - 312, n=76, der letzten 2 Jahre) | |
| Lenovo ThinkPad L14 G2 AMD | |
| Lenovo ThinkPad E14 Gen2-20TA000DGE | |
| HP ProBook 440 G8-2W1G4EA | |
| Asus ZenBook 13 UX325EA | |
| Lenovo ThinkBook 14 G2 ITL 20VD008WGE | |
| Lenovo ThinkPad L13 Gen2-20VH0017GE | |
| Lenovo ThinkPad L13 Gen2-20VH0017GE | |
| Dell Vostro 14 5490 | |
| Durchschnittliche Intel Core i3-1115G4 (137 - 197, n=6) | |
| HP 14s-fq1357ng | |
| Lenovo ThinkPad E14 G3-20Y7003SGE | |
| Lenovo ThinkBook 14 G2 ITL 20VDS02G00 | |
| HP 14s-dq1431ng | |
| 7-Zip 18.03 / 7z b 4 -mmt1 | |
| Lenovo ThinkPad E14 Gen2-20TA000DGE | |
| HP ProBook 440 G8-2W1G4EA | |
| Durchschnitt der Klasse Office (3387 - 6469, n=76, der letzten 2 Jahre) | |
| Asus ZenBook 13 UX325EA | |
| Lenovo ThinkPad L14 G2 AMD | |
| Dell Vostro 14 5490 | |
| Lenovo ThinkBook 14 G2 ITL 20VD008WGE | |
| Lenovo ThinkPad L13 Gen2-20VH0017GE | |
| Lenovo ThinkPad L13 Gen2-20VH0017GE | |
| Lenovo ThinkBook 14 G2 ITL 20VDS02G00 | |
| Durchschnittliche Intel Core i3-1115G4 (4497 - 4674, n=6) | |
| Lenovo ThinkPad E14 G3-20Y7003SGE | |
| HP 14s-fq1357ng | |
| HP 14s-dq1431ng | |
| HP 14s-dq1431ng | |
| Geekbench 5.5 / Multi-Core | |
| Durchschnitt der Klasse Office (1483 - 16999, n=73, der letzten 2 Jahre) | |
| Asus ZenBook 13 UX325EA | |
| HP 14s-fq1357ng | |
| Lenovo ThinkPad E14 G3-20Y7003SGE | |
| Lenovo ThinkPad L14 G2 AMD | |
| Lenovo ThinkPad E14 Gen2-20TA000DGE | |
| HP ProBook 440 G8-2W1G4EA | |
| Lenovo ThinkBook 14 G2 ITL 20VD008WGE | |
| Lenovo ThinkPad L13 Gen2-20VH0017GE | |
| Lenovo ThinkPad L13 Gen2-20VH0017GE | |
| HP 14s-dq1431ng | |
| HP 14s-dq1431ng | |
| Durchschnittliche Intel Core i3-1115G4 (2341 - 2983, n=8) | |
| Lenovo ThinkBook 14 G2 ITL 20VDS02G00 | |
| Geekbench 5.5 / Single-Core | |
| Durchschnitt der Klasse Office (811 - 2128, n=73, der letzten 2 Jahre) | |
| Asus ZenBook 13 UX325EA | |
| Lenovo ThinkPad E14 Gen2-20TA000DGE | |
| HP ProBook 440 G8-2W1G4EA | |
| Lenovo ThinkBook 14 G2 ITL 20VD008WGE | |
| Lenovo ThinkPad L13 Gen2-20VH0017GE | |
| Lenovo ThinkPad L13 Gen2-20VH0017GE | |
| Lenovo ThinkPad L14 G2 AMD | |
| Durchschnittliche Intel Core i3-1115G4 (1190 - 1352, n=8) | |
| Lenovo ThinkBook 14 G2 ITL 20VDS02G00 | |
| HP 14s-dq1431ng | |
| HP 14s-dq1431ng | |
| HP 14s-fq1357ng | |
| Lenovo ThinkPad E14 G3-20Y7003SGE | |
| HWBOT x265 Benchmark v2.2 / 4k Preset | |
| Durchschnitt der Klasse Office (2.21 - 26, n=75, der letzten 2 Jahre) | |
| Lenovo ThinkPad L14 G2 AMD | |
| Lenovo ThinkPad E14 G3-20Y7003SGE | |
| Lenovo ThinkPad E14 Gen2-20TA000DGE | |
| HP 14s-fq1357ng | |
| Lenovo ThinkBook 14 G2 ITL 20VD008WGE | |
| HP ProBook 440 G8-2W1G4EA | |
| Asus ZenBook 13 UX325EA | |
| Dell Vostro 14 5490 | |
| Lenovo ThinkPad L13 Gen2-20VH0017GE | |
| Lenovo ThinkPad L13 Gen2-20VH0017GE | |
| Durchschnittliche Intel Core i3-1115G4 (3.25 - 4.1, n=6) | |
| Lenovo ThinkBook 14 G2 ITL 20VDS02G00 | |
| HP 14s-dq1431ng | |
| HP 14s-dq1431ng | |
| LibreOffice / 20 Documents To PDF | |
| HP 14s-dq1431ng | |
| HP 14s-dq1431ng | |
| HP 14s-fq1357ng | |
| Lenovo ThinkPad E14 G3-20Y7003SGE | |
| Durchschnitt der Klasse Office (41.5 - 102.3, n=75, der letzten 2 Jahre) | |
| HP ProBook 440 G8-2W1G4EA | |
| Asus ZenBook 13 UX325EA | |
| Lenovo ThinkBook 14 G2 ITL 20VD008WGE | |
| Lenovo ThinkPad L14 G2 AMD | |
| Lenovo ThinkPad E14 Gen2-20TA000DGE | |
| Durchschnittliche Intel Core i3-1115G4 (40.6 - 62.8, n=7) | |
| Lenovo ThinkPad L13 Gen2-20VH0017GE | |
| Lenovo ThinkPad L13 Gen2-20VH0017GE | |
| Lenovo ThinkBook 14 G2 ITL 20VDS02G00 | |
| R Benchmark 2.5 / Overall mean | |
| HP 14s-dq1431ng | |
| HP 14s-dq1431ng | |
| Lenovo ThinkBook 14 G2 ITL 20VDS02G00 | |
| Durchschnittliche Intel Core i3-1115G4 (0.636 - 0.671, n=7) | |
| Lenovo ThinkPad L13 Gen2-20VH0017GE | |
| Lenovo ThinkPad L13 Gen2-20VH0017GE | |
| Lenovo ThinkBook 14 G2 ITL 20VD008WGE | |
| Lenovo ThinkPad E14 G3-20Y7003SGE | |
| HP 14s-fq1357ng | |
| HP ProBook 440 G8-2W1G4EA | |
| Asus ZenBook 13 UX325EA | |
| Lenovo ThinkPad E14 Gen2-20TA000DGE | |
| Lenovo ThinkPad L14 G2 AMD | |
| Durchschnitt der Klasse Office (0.4098 - 0.888, n=75, der letzten 2 Jahre) | |
* ... kleinere Werte sind besser
AIDA64: FP32 Ray-Trace | FPU Julia | CPU SHA3 | CPU Queen | FPU SinJulia | FPU Mandel | CPU AES | CPU ZLib | FP64 Ray-Trace | CPU PhotoWorxx
| Performance Rating | |
| Durchschnitt der Klasse Office | |
| Lenovo ThinkPad L14 G2 AMD | |
| Lenovo ThinkPad E14 G3-20Y7003SGE | |
| HP 14s-fq1357ng | |
| Asus ZenBook 13 UX325EA | |
| Lenovo ThinkPad L13 Gen2-20VH0017GE | |
| HP ProBook 440 G8-2W1G4EA | |
| Dell Vostro 14 5490 -1! | |
| HP 14s-dq1431ng | |
| Durchschnittliche Intel Core i3-1115G4 | |
| Lenovo ThinkBook 14 G2 ITL 20VDS02G00 | |
| Lenovo ThinkBook 14 G2 ITL 20VD008WGE -9! | |
| AIDA64 / FP32 Ray-Trace | |
| Durchschnitt der Klasse Office (2083 - 31245, n=81, der letzten 2 Jahre) | |
| Lenovo ThinkPad L14 G2 AMD | |
| Lenovo ThinkPad E14 G3-20Y7003SGE | |
| HP 14s-fq1357ng | |
| Lenovo ThinkPad L13 Gen2-20VH0017GE | |
| Lenovo ThinkPad L13 Gen2-20VH0017GE | |
| Asus ZenBook 13 UX325EA | |
| HP ProBook 440 G8-2W1G4EA | |
| Dell Vostro 14 5490 | |
| HP 14s-dq1431ng | |
| Lenovo ThinkBook 14 G2 ITL 20VDS02G00 | |
| Durchschnittliche Intel Core i3-1115G4 (3791 - 4159, n=4) | |
| AIDA64 / FPU Julia | |
| Lenovo ThinkPad L14 G2 AMD | |
| Durchschnitt der Klasse Office (8191 - 125394, n=81, der letzten 2 Jahre) | |
| Lenovo ThinkPad E14 G3-20Y7003SGE | |
| HP 14s-fq1357ng | |
| Dell Vostro 14 5490 | |
| Lenovo ThinkPad L13 Gen2-20VH0017GE | |
| Lenovo ThinkPad L13 Gen2-20VH0017GE | |
| Asus ZenBook 13 UX325EA | |
| HP ProBook 440 G8-2W1G4EA | |
| HP 14s-dq1431ng | |
| Lenovo ThinkBook 14 G2 ITL 20VDS02G00 | |
| Durchschnittliche Intel Core i3-1115G4 (15694 - 16971, n=4) | |
| AIDA64 / CPU SHA3 | |
| Durchschnitt der Klasse Office (433 - 5755, n=81, der letzten 2 Jahre) | |
| Lenovo ThinkPad L14 G2 AMD | |
| Asus ZenBook 13 UX325EA | |
| Lenovo ThinkPad L13 Gen2-20VH0017GE | |
| Lenovo ThinkPad L13 Gen2-20VH0017GE | |
| Lenovo ThinkPad E14 G3-20Y7003SGE | |
| HP ProBook 440 G8-2W1G4EA | |
| HP 14s-dq1431ng | |
| HP 14s-fq1357ng | |
| Lenovo ThinkBook 14 G2 ITL 20VDS02G00 | |
| Durchschnittliche Intel Core i3-1115G4 (1081 - 1141, n=4) | |
| AIDA64 / CPU Queen | |
| Lenovo ThinkPad L14 G2 AMD | |
| Lenovo ThinkPad E14 G3-20Y7003SGE | |
| HP 14s-fq1357ng | |
| Durchschnitt der Klasse Office (22784 - 115197, n=73, der letzten 2 Jahre) | |
| Dell Vostro 14 5490 | |
| HP ProBook 440 G8-2W1G4EA | |
| Asus ZenBook 13 UX325EA | |
| Lenovo ThinkPad L13 Gen2-20VH0017GE | |
| Lenovo ThinkPad L13 Gen2-20VH0017GE | |
| HP 14s-dq1431ng | |
| Lenovo ThinkBook 14 G2 ITL 20VDS02G00 | |
| Durchschnittliche Intel Core i3-1115G4 (27914 - 28126, n=4) | |
| AIDA64 / FPU SinJulia | |
| Lenovo ThinkPad E14 G3-20Y7003SGE | |
| Lenovo ThinkPad L14 G2 AMD | |
| HP 14s-fq1357ng | |
| Durchschnitt der Klasse Office (1378 - 18321, n=81, der letzten 2 Jahre) | |
| Dell Vostro 14 5490 | |
| Lenovo ThinkPad L13 Gen2-20VH0017GE | |
| Lenovo ThinkPad L13 Gen2-20VH0017GE | |
| Asus ZenBook 13 UX325EA | |
| HP ProBook 440 G8-2W1G4EA | |
| HP 14s-dq1431ng | |
| Lenovo ThinkBook 14 G2 ITL 20VDS02G00 | |
| Durchschnittliche Intel Core i3-1115G4 (2382 - 2397, n=4) | |
| AIDA64 / FPU Mandel | |
| Lenovo ThinkPad L14 G2 AMD | |
| Durchschnitt der Klasse Office (4601 - 66922, n=81, der letzten 2 Jahre) | |
| Lenovo ThinkPad E14 G3-20Y7003SGE | |
| HP 14s-fq1357ng | |
| Asus ZenBook 13 UX325EA | |
| Lenovo ThinkPad L13 Gen2-20VH0017GE | |
| Lenovo ThinkPad L13 Gen2-20VH0017GE | |
| HP ProBook 440 G8-2W1G4EA | |
| Dell Vostro 14 5490 | |
| HP 14s-dq1431ng | |
| Lenovo ThinkBook 14 G2 ITL 20VDS02G00 | |
| Durchschnittliche Intel Core i3-1115G4 (9519 - 10308, n=4) | |
| AIDA64 / CPU AES | |
| Lenovo ThinkPad L14 G2 AMD | |
| Lenovo ThinkPad L13 Gen2-20VH0017GE | |
| Lenovo ThinkPad L13 Gen2-20VH0017GE | |
| Asus ZenBook 13 UX325EA | |
| HP ProBook 440 G8-2W1G4EA | |
| Durchschnitt der Klasse Office (4854 - 155900, n=81, der letzten 2 Jahre) | |
| Lenovo ThinkPad E14 G3-20Y7003SGE | |
| HP 14s-dq1431ng | |
| HP 14s-fq1357ng | |
| Lenovo ThinkBook 14 G2 ITL 20VDS02G00 | |
| Durchschnittliche Intel Core i3-1115G4 (35658 - 35779, n=4) | |
| Dell Vostro 14 5490 | |
| AIDA64 / CPU ZLib | |
| Durchschnitt der Klasse Office (114.6 - 1366, n=81, der letzten 2 Jahre) | |
| Lenovo ThinkPad E14 G3-20Y7003SGE | |
| Lenovo ThinkPad L14 G2 AMD | |
| HP 14s-fq1357ng | |
| Dell Vostro 14 5490 | |
| Asus ZenBook 13 UX325EA | |
| Lenovo ThinkPad L13 Gen2-20VH0017GE | |
| Lenovo ThinkPad L13 Gen2-20VH0017GE | |
| HP 14s-dq1431ng | |
| HP ProBook 440 G8-2W1G4EA | |
| Durchschnittliche Intel Core i3-1115G4 (196.6 - 201, n=4) | |
| Lenovo ThinkBook 14 G2 ITL 20VDS02G00 | |
| Lenovo ThinkBook 14 G2 ITL 20VD008WGE | |
| AIDA64 / FP64 Ray-Trace | |
| Durchschnitt der Klasse Office (1109 - 17834, n=81, der letzten 2 Jahre) | |
| Lenovo ThinkPad L14 G2 AMD | |
| Lenovo ThinkPad E14 G3-20Y7003SGE | |
| HP 14s-fq1357ng | |
| Lenovo ThinkPad L13 Gen2-20VH0017GE | |
| Lenovo ThinkPad L13 Gen2-20VH0017GE | |
| Asus ZenBook 13 UX325EA | |
| HP ProBook 440 G8-2W1G4EA | |
| Dell Vostro 14 5490 | |
| HP 14s-dq1431ng | |
| Lenovo ThinkBook 14 G2 ITL 20VDS02G00 | |
| Durchschnittliche Intel Core i3-1115G4 (1963 - 2283, n=4) | |
| AIDA64 / CPU PhotoWorxx | |
| Asus ZenBook 13 UX325EA | |
| Durchschnitt der Klasse Office (11090 - 65229, n=81, der letzten 2 Jahre) | |
| Lenovo ThinkPad L13 Gen2-20VH0017GE | |
| Lenovo ThinkPad L13 Gen2-20VH0017GE | |
| HP 14s-fq1357ng | |
| Dell Vostro 14 5490 | |
| HP 14s-dq1431ng | |
| Lenovo ThinkPad E14 G3-20Y7003SGE | |
| Durchschnittliche Intel Core i3-1115G4 (9819 - 19868, n=4) | |
| HP ProBook 440 G8-2W1G4EA | |
| Lenovo ThinkBook 14 G2 ITL 20VDS02G00 | |
| Lenovo ThinkPad L14 G2 AMD | |
System Performance
Im PCMark-10-Benchmark findet sich das ThinkBook 14 im Vergleichsfeld weit hinten. Neben der schwachbrüstigen Dualcore-CPU ist dafür auch der nur im Single-Channel laufende Arbeitsspeicher verantwortlich. Nichtsdestotrotz sehen wir uns im Test stets einem agilen Gerät gegenüber, das für alltägliche Aufgaben ausreichend gerüstet scheint. Insbesondere die eingesetzte SSD sorgt für ein gefühlt flinkes System. Dass konventionelle Festplatten selbst in günstigsten Bildungsgeräten nicht mehr zu Einsatz kommen, erfreut das Testerherz.
| PCMark 10 / Score | |
| Durchschnitt der Klasse Office (2601 - 9298, n=65, der letzten 2 Jahre) | |
| Lenovo ThinkPad L14 G2 AMD | |
| Lenovo ThinkPad E14 G3-20Y7003SGE | |
| Lenovo ThinkPad E14 Gen2-20TA000DGE | |
| Asus ZenBook 13 UX325EA | |
| HP 14s-fq1357ng | |
| Lenovo ThinkBook 14 G2 ITL 20VD008WGE | |
| Lenovo ThinkPad L13 Gen2-20VH0017GE | |
| HP ProBook 440 G8-2W1G4EA | |
| Dell Vostro 14 5490 | |
| Lenovo ThinkBook 14 G2 ITL 20VDS02G00 | |
| Durchschnittliche Intel Core i3-1115G4, Intel UHD Graphics Xe G4 48EUs (3898 - 4390, n=6) | |
| HP 14s-dq1431ng | |
| PCMark 10 / Essentials | |
| Lenovo ThinkPad L14 G2 AMD | |
| Durchschnitt der Klasse Office (3245 - 11594, n=65, der letzten 2 Jahre) | |
| Asus ZenBook 13 UX325EA | |
| Lenovo ThinkPad E14 Gen2-20TA000DGE | |
| Dell Vostro 14 5490 | |
| Lenovo ThinkBook 14 G2 ITL 20VD008WGE | |
| Lenovo ThinkPad L13 Gen2-20VH0017GE | |
| HP 14s-fq1357ng | |
| Lenovo ThinkPad E14 G3-20Y7003SGE | |
| HP ProBook 440 G8-2W1G4EA | |
| Lenovo ThinkBook 14 G2 ITL 20VDS02G00 | |
| Durchschnittliche Intel Core i3-1115G4, Intel UHD Graphics Xe G4 48EUs (8205 - 9090, n=6) | |
| HP 14s-dq1431ng | |
| PCMark 10 / Productivity | |
| Lenovo ThinkPad L14 G2 AMD | |
| Durchschnitt der Klasse Office (5336 - 17243, n=65, der letzten 2 Jahre) | |
| Lenovo ThinkPad E14 G3-20Y7003SGE | |
| Dell Vostro 14 5490 | |
| Lenovo ThinkPad E14 Gen2-20TA000DGE | |
| Asus ZenBook 13 UX325EA | |
| HP 14s-fq1357ng | |
| HP ProBook 440 G8-2W1G4EA | |
| Lenovo ThinkBook 14 G2 ITL 20VDS02G00 | |
| Durchschnittliche Intel Core i3-1115G4, Intel UHD Graphics Xe G4 48EUs (6166 - 6488, n=6) | |
| Lenovo ThinkBook 14 G2 ITL 20VD008WGE | |
| Lenovo ThinkPad L13 Gen2-20VH0017GE | |
| HP 14s-dq1431ng | |
| PCMark 10 / Digital Content Creation | |
| Durchschnitt der Klasse Office (2049 - 13541, n=65, der letzten 2 Jahre) | |
| Lenovo ThinkPad L14 G2 AMD | |
| Lenovo ThinkPad E14 Gen2-20TA000DGE | |
| Lenovo ThinkPad E14 G3-20Y7003SGE | |
| HP 14s-fq1357ng | |
| Lenovo ThinkBook 14 G2 ITL 20VD008WGE | |
| Asus ZenBook 13 UX325EA | |
| Lenovo ThinkPad L13 Gen2-20VH0017GE | |
| HP ProBook 440 G8-2W1G4EA | |
| Durchschnittliche Intel Core i3-1115G4, Intel UHD Graphics Xe G4 48EUs (3161 - 3895, n=6) | |
| Lenovo ThinkBook 14 G2 ITL 20VDS02G00 | |
| Dell Vostro 14 5490 | |
| HP 14s-dq1431ng | |
| PCMark 10 Score | 4220 Punkte | |
Hilfe | ||
| AIDA64 / Memory Copy | |
| Asus ZenBook 13 UX325EA | |
| Durchschnitt der Klasse Office (20075 - 110930, n=78, der letzten 2 Jahre) | |
| HP 14s-fq1357ng | |
| Lenovo ThinkPad L13 Gen2-20VH0017GE | |
| Lenovo ThinkPad L13 Gen2-20VH0017GE | |
| Lenovo ThinkPad E14 G3-20Y7003SGE | |
| Dell Vostro 14 5490 | |
| HP 14s-dq1431ng | |
| Durchschnittliche Intel Core i3-1115G4 (18640 - 32607, n=4) | |
| HP ProBook 440 G8-2W1G4EA | |
| Lenovo ThinkPad L14 G2 AMD | |
| Lenovo ThinkBook 14 G2 ITL 20VDS02G00 | |
| AIDA64 / Memory Read | |
| Durchschnitt der Klasse Office (10084 - 128030, n=79, der letzten 2 Jahre) | |
| Asus ZenBook 13 UX325EA | |
| HP 14s-fq1357ng | |
| Lenovo ThinkPad E14 G3-20Y7003SGE | |
| Lenovo ThinkPad L13 Gen2-20VH0017GE | |
| Lenovo ThinkPad L13 Gen2-20VH0017GE | |
| HP 14s-dq1431ng | |
| Dell Vostro 14 5490 | |
| Durchschnittliche Intel Core i3-1115G4 (21152 - 36250, n=4) | |
| HP ProBook 440 G8-2W1G4EA | |
| Lenovo ThinkPad L14 G2 AMD | |
| Lenovo ThinkBook 14 G2 ITL 20VDS02G00 | |
| AIDA64 / Memory Write | |
| Asus ZenBook 13 UX325EA | |
| Durchschnitt der Klasse Office (20073 - 119858, n=79, der letzten 2 Jahre) | |
| Lenovo ThinkPad L13 Gen2-20VH0017GE | |
| Lenovo ThinkPad L13 Gen2-20VH0017GE | |
| HP 14s-fq1357ng | |
| Dell Vostro 14 5490 | |
| Lenovo ThinkPad E14 G3-20Y7003SGE | |
| HP 14s-dq1431ng | |
| Durchschnittliche Intel Core i3-1115G4 (19536 - 42454, n=4) | |
| Lenovo ThinkPad L14 G2 AMD | |
| HP ProBook 440 G8-2W1G4EA | |
| Lenovo ThinkBook 14 G2 ITL 20VDS02G00 | |
| AIDA64 / Memory Latency | |
| Lenovo ThinkPad L14 G2 AMD | |
| Durchschnitt der Klasse Office (7.6 - 162.9, n=74, der letzten 2 Jahre) | |
| Lenovo ThinkPad E14 G3-20Y7003SGE | |
| HP 14s-fq1357ng | |
| Asus ZenBook 13 UX325EA | |
| Lenovo ThinkBook 14 G2 ITL 20VDS02G00 | |
| Dell Vostro 14 5490 | |
| Durchschnittliche Intel Core i3-1115G4 (75.2 - 89.2, n=4) | |
| HP 14s-dq1431ng | |
| Lenovo ThinkPad L13 Gen2-20VH0017GE | |
| Lenovo ThinkPad L13 Gen2-20VH0017GE | |
| HP ProBook 440 G8-2W1G4EA | |
| Lenovo ThinkBook 14 G2 ITL 20VD008WGE | |
* ... kleinere Werte sind besser
DPC-Latenzen
Mit Verzögerungen von bis zu 2.224 Microsekunden empfiehlt sich das Lenovo ThinkBook in der vorliegenden Ausstattung nicht für latenzkritische Echzeit-Anwendungen. Weitere Informationen zum Thema DPC-Latenzen finden Sie hier.
| DPC Latencies / LatencyMon - interrupt to process latency (max), Web, Youtube, Prime95 | |
| HP ProBook 440 G8-2W1G4EA | |
| HP 14s-fq1357ng | |
| Lenovo ThinkBook 14 G2 ITL 20VDS02G00 | |
| Lenovo ThinkPad L13 Gen2-20VH0017GE | |
| Lenovo ThinkPad E14 G3-20Y7003SGE | |
| Lenovo ThinkPad L14 G2 AMD | |
| Lenovo ThinkPad E14 Gen2-20TA000DGE | |
| Asus ZenBook 13 UX325EA | |
| HP 14s-dq1431ng | |
| Lenovo ThinkBook 14 G2 ITL 20VD008WGE | |
* ... kleinere Werte sind besser
Massenspeicher
Bei der verbauten Samsung-PM991A-SSD handelt es sich um einen Festspeicher mit PCIe kompatibler Schnittstelle (3.0 x4). Die in den Benchmarks beobachteten Ergebnisse entsprechen dem Durchschnitt vergleichbarer Hardware. Für den geplanten Einsatz in den ersten Klassen der Mittelschule erscheint diese Lösung als mehr als ausreichend. Sollten die 256 GB Speicherkapazität knapp werden, kann vergleichsweise einfach eine weitere SSD in den freien M.2-Slot im Inneren eingesetzt werden.
* ... kleinere Werte sind besser
Dauerleistung Lesen: DiskSpd Read Loop, Queue Depth 8
Grafikkarte
Bei Ausstattung mit Intel i3-1115G4 Prozessor kümmert sich die im Chip integrierte Intel UHD Graphics Xe G4 um die Berechnung der ausgegebenen Bilder. Diese besitzt 48 Berechnungseinheiten und unterscheidet sich in diesem Punkt deutlich von der Xe Graphics G7, die in der i5-CPU des bereits getesteten ThinkBook G2 zur Anwendung kommt.
In der vorliegenden Ausstattung kommt das ThinkBook mit i3-CPU bei den durchgeführten Grafiktests nicht über die letzten Plätze im Vergleichsfeld hinaus. Bei den generischen Benchmarktests liegt die Xe G7 rund 60 Prozent voraus, in einzelnen Gaming-Tests ist der Unterschied noch größer. Ältere Games können vereinzelt bei niedrigen oder angepassten Settings flüssig wiedergegeben werden, komplexe Spiele gehören aber definitiv nicht zum bevorzugten Anwendungsgebiet des ThinkBook G2 ITL. Nichtsdestotrotz kann eine Arbeitsspeichererweiterung speziell bei Games eine signifikante Leistungssteigerung bewirken. So konnten wir im Test nach Einbau eines zusätzlichen 8 GB großen RAM-Riegels und somit Dual-Channel-Modus die Leistung im Final Fantasy XV Benchmark von 16.4 auf 25.1 Fps steigern, womit das Spiel grundsätzlich sogar spielbar wird. Auch Dota 2 profitierte vom zusätzlichen Speicher und schafft damit Spielraum für anspruchsvollere Grafikeinstellungen.
| 3DMark 11 Performance | 3112 Punkte | |
| 3DMark Ice Storm Standard Score | 49854 Punkte | |
| 3DMark Cloud Gate Standard Score | 9422 Punkte | |
| 3DMark Fire Strike Score | 1471 Punkte | |
| 3DMark Time Spy Score | 715 Punkte | |
Hilfe | ||
| min. | mittel | hoch | max. | |
|---|---|---|---|---|
| Counter-Strike: GO (2012) | 86.6 | 71.6 | 50.6 | 25.2 |
| GTA V (2015) | 36.7 | 28.1 | ||
| The Witcher 3 (2015) | 30.9 | |||
| Dota 2 Reborn (2015) | 71.1 | 32.2 | 20.2 | 18.9 |
| Final Fantasy XV Benchmark (2018) | 16.4 | |||
| X-Plane 11.11 (2018) | 30.4 | 21 | 19.9 | |
| Strange Brigade (2018) | 31.3 | 11.7 | 10.8 | |
| Total War: Three Kingdoms (2019) | 27.5 | |||
| Borderlands 3 (2019) | 17.8 | 5.77 | ||
| Gears Tactics (2020) | 48.7 | 0 | ||
| Valorant (2020) | 63.3 | 36.4 | ||
| F1 2021 (2021) |
Emissionen - Leise und kühl, guter Sound
Geräuschemissionen
Bei alltäglichen Anwendungen haben wir es mit einem zumeist leisen bis nicht hörbaren Laptop zu tun. Erst andauernde Lastspitzen treiben die Lüfter in den wahrnehmbaren Bereich. Selbst im 3DMark-06-Benchmarktest säuselt der Lüfter mit 38,9 dB unauffällig dahin, das Maximum von 42,8 dB können wir nur im Stresstest bei Auslastung von CPU und GPU über einen längeren Zeitraum hinweg beobachten. Elektronische Störgeräusche fielen im Testzeitraum nicht auf.
Lautstärkediagramm
| Idle |
| 24.6 / 24.6 / 26.7 dB(A) |
| Last |
| 38.9 / 42.8 dB(A) |
![]() | ||
30 dB leise 40 dB(A) deutlich hörbar 50 dB(A) störend |
||
min: | ||
| Lenovo ThinkBook 14 G2 ITL 20VDS02G00 UHD Graphics Xe G4 48EUs, i3-1115G4, Samsung PM991A MZALQ256HBJD | Lenovo ThinkPad E14 Gen2-20TA000DGE Iris Xe G7 96EUs, i7-1165G7, Lenovo UMIS AM620 RPJTJ512MEE1OWX | Lenovo ThinkPad L13 Gen2-20VH0017GE Iris Xe G7 80EUs, i5-1135G7, Samsung SSD PM981a MZVLB512HBJQ | Lenovo ThinkPad E14 G3-20Y7003SGE Vega 7, R5 5500U, SK Hynix BC711 HFM512GD3HX015N | Asus ZenBook 13 UX325EA Iris Xe G7 96EUs, i7-1165G7, SK Hynix HFM001TD3JX013N | HP 14s-fq1357ng Vega 7, R5 5500U, Micron 2210 MTFDHBA512QFD | HP 14s-dq1431ng UHD Graphics G1 (Ice Lake 32 EU), i5-1035G1, Intel Optane Memory H10 with Solid State Storage 16GB + 256GB HBRPEKNX0101AH | Lenovo ThinkPad L14 G2 AMD Vega 8, R7 PRO 5850U, WDC PC SN730 SDBQNTY-512GB | HP ProBook 440 G8-2W1G4EA Iris Xe G7 96EUs, i7-1165G7, Lite-On CL1-8D512 | Dell Vostro 14 5490 GeForce MX250, i7-10510U, Toshiba KBG40ZNS512G NVMe | Lenovo ThinkBook 14 G2 ITL 20VD008WGE Iris Xe G7 80EUs, i5-1135G7, Samsung PM991 MZALQ512HALU | |
|---|---|---|---|---|---|---|---|---|---|---|---|
| Geräuschentwicklung | -6% | -7% | 9% | -8% | -6% | -14% | 7% | 2% | -11% | -8% | |
| aus / Umgebung * (dB) | 24.6 | 29.5 -20% | 29.3 -19% | 23.8 3% | 26 -6% | 26 -6% | 31.7 -29% | 25.08 -2% | 26 -6% | 29.1 -18% | 28.7 -17% |
| Idle min * (dB) | 24.6 | 29.5 -20% | 29.3 -19% | 23.8 3% | 26 -6% | 26 -6% | 31.2 -27% | 25.08 -2% | 26 -6% | 29.1 -18% | 28.7 -17% |
| Idle avg * (dB) | 24.6 | 29.5 -20% | 29.3 -19% | 23.8 3% | 26 -6% | 26 -6% | 31.2 -27% | 25.08 -2% | 26 -6% | 29.1 -18% | 28.7 -17% |
| Idle max * (dB) | 26.7 | 29.5 -10% | 29.3 -10% | 25 6% | 30.5 -14% | 31.6 -18% | 31.2 -17% | 25.08 6% | 26 3% | 29.1 -9% | 28.7 -7% |
| Last avg * (dB) | 38.9 | 33.4 14% | 34.3 12% | 32 18% | 43.9 -13% | 41 -5% | 35.2 10% | 26.81 31% | 36.2 7% | 41.1 -6% | 35.5 9% |
| Last max * (dB) | 42.8 | 33.4 22% | 36.3 15% | 34.5 19% | 43.9 -3% | 41 4% | 41.2 4% | 37.99 11% | 34.6 19% | 41.1 4% | 41.6 3% |
| Witcher 3 ultra * (dB) | 32 | 41.1 | 41.6 |
* ... kleinere Werte sind besser
Temperatur
Je nach anliegendem Lastszenario bewegen sich die Oberflächentemperaturen des ThinkBooks 14 G2 im Bereich zwischen kühl und maximal handwarm. Sorgen hinsichtlich zu hoher Temperaturen, in welchen Szenario auch immer, sind unbegründet.
(+) Die maximale Temperatur auf der Oberseite ist 35 °C. Im Vergleich liegt der Klassendurchschnitt bei 34.3 °C (von 21.2 bis 62.5 °C für die Klasse Office).
(+) Auf der Unterseite messen wir eine maximalen Wert von 38 °C (im Vergleich zum Durchschnitt von 36.8 °C).
(+) Ohne Last messen wir eine durchschnittliche Temperatur von 26.7 °C auf der Oberseite. Der Klassendurchschnitt erreicht 29.5 °C.
(+) Die Handballen und der Touchpad-Bereich sind mit gemessenen 27 °C kühler als die typische Hauttemperatur und fühlen sich dadurch kühl an.
(±) Die durchschnittliche Handballen-Temperatur anderer getesteter Geräte war 27.5 °C (+0.5 °C).
| Lenovo ThinkBook 14 G2 ITL 20VDS02G00 Intel Core i3-1115G4, Intel UHD Graphics Xe G4 48EUs | Lenovo ThinkPad E14 Gen2-20TA000DGE Intel Core i7-1165G7, Intel Iris Xe Graphics G7 96EUs | Lenovo ThinkPad L13 Gen2-20VH0017GE Intel Core i5-1135G7, Intel Iris Xe Graphics G7 80EUs | Lenovo ThinkPad E14 G3-20Y7003SGE AMD Ryzen 5 5500U, AMD Radeon RX Vega 7 | Asus ZenBook 13 UX325EA Intel Core i7-1165G7, Intel Iris Xe Graphics G7 96EUs | HP 14s-fq1357ng AMD Ryzen 5 5500U, AMD Radeon RX Vega 7 | HP 14s-dq1431ng Intel Core i5-1035G1, Intel UHD Graphics G1 (Ice Lake 32 EU) | Lenovo ThinkPad L14 G2 AMD AMD Ryzen 7 PRO 5850U, AMD Radeon RX Vega 8 (Ryzen 4000/5000) | HP ProBook 440 G8-2W1G4EA Intel Core i7-1165G7, Intel Iris Xe Graphics G7 96EUs | Dell Vostro 14 5490 Intel Core i7-10510U, NVIDIA GeForce MX250 | |
|---|---|---|---|---|---|---|---|---|---|---|
| Hitze | -3% | -16% | -8% | -6% | -9% | -2% | -12% | -1% | -3% | |
| Last oben max * (°C) | 35 | 42.4 -21% | 43.3 -24% | 45.1 -29% | 39.3 -12% | 37.7 -8% | 38 -9% | 42.1 -20% | 36.8 -5% | 44.6 -27% |
| Last unten max * (°C) | 38 | 46.3 -22% | 58 -53% | 49.3 -30% | 47.3 -24% | 45.6 -20% | 37.8 1% | 45.2 -19% | 42.5 -12% | 46.9 -23% |
| Idle oben max * (°C) | 28 | 24.1 14% | 25.6 9% | 24.7 12% | 25.9 7% | 30.6 -9% | 28.8 -3% | 28.6 -2% | 25.4 9% | 23.3 17% |
| Idle unten max * (°C) | 30 | 24.5 18% | 28.8 4% | 25.6 15% | 27.8 7% | 29.8 1% | 28.5 5% | 31.5 -5% | 28.5 5% | 23.7 21% |
* ... kleinere Werte sind besser
Stresstest
Als Teil unseres standardisierten Testprogramms unterziehen wir auch das vorliegende ThinkBook 14 G2 ITL einem Stresstest bei dem CPU und Grafikeinheit mit den Tools Prime95 und Furmark über einen Zeitraum von rund einer Stunde komplett ausgelastet werden. Die CPU pendelt sich hier bei lediglich 50 Grad Celsius ein, während sie eine Taktfrequenz von 2 GHz aufrecht erhält (GPU: 750 MHz, Package Power: 16 W). Da das Notebook selbst in diesem Ausnahmeszenario einen kühlen Kopf bewahrt, sollte man bei alltäglichen Anwendungen nicht mit Einschränkungen zufolge zu hoher Temperaturen bei den verbauten Komponenten rechnen müssen.
Lautsprecher
Die eingesetzten Speaker tönen für ein Notebook dieser Preis- und Größenklasse ganz passabel, wie ein Vergleich des Frequenzdiagrammes zeigt. Das ThinkPad E14 G2 kann dem ThinkBook vor allem bei den Höhen nicht das Wasser reichen, schneidet bei den Bässen aber geringfügig besser ab. Was möglich wäre, zeigt nach wie vor eindrucksvoll das kompakte MacBook 12 aus dem Jahre 2016. Dieses beweist trotz seiner extrem dünnen Bauform, dass auch die Wiedergabe von tiefen Töne möglich wäre. Nichtsdestotrotz kann man mit der gebotenen Leistung der Speaker im ThinkBook 14 G2 zufrieden sein. Für die Wiedergabe von basslastigen Musiktiteln bietet sich eine externe Lösung an.
Lenovo ThinkBook 14 G2 ITL 20VDS02G00 Audio Analyse
(±) | Mittelmäßig laut spielende Lautsprecher (81.3 dB)
Bass 100 - 315 Hz
(-) | kaum Bass - 21.4% niedriger als der Median
(±) | durchschnittlich lineare Bass-Wiedergabe (9.8% Delta zum Vorgänger)
Mitteltöne 400 - 2000 Hz
(+) | ausgeglichene Mitten, vom Median nur 3.9% abweichend
(+) | lineare Mitten (5.2% Delta zum Vorgänger)
Hochtöne 2 - 16 kHz
(+) | ausgeglichene Hochtöne, vom Median nur 2.1% abweichend
(+) | sehr lineare Hochtöne (2.1% Delta zum Vorgänger)
Gesamt im hörbaren Bereich 100 - 16.000 Hz
(±) | hörbarer Bereich ist durchschnittlich linear (16% Abstand zum Median)
Im Vergleich zu allen Geräten derselben Klasse
» 18% aller getesteten Geräte dieser Klasse waren besser, 6% vergleichbar, 77% schlechter
» Das beste Gerät hat einen Delta-Wert von 7%, durchschnittlich ist 21%, das schlechteste Gerät hat 53%
Im Vergleich zu allen Geräten im Test
» 25% aller getesteten Geräte waren besser, 5% vergleichbar, 70% schlechter
» Das beste Gerät hat einen Delta-Wert von 4%, durchschnittlich ist 24%, das schlechteste Gerät hat 134%
Apple MacBook 12 (Early 2016) 1.1 GHz Audio Analyse
(+) | Die Lautsprecher können relativ laut spielen (83.6 dB)
Bass 100 - 315 Hz
(±) | abgesenkter Bass - 11.3% geringer als der Median
(±) | durchschnittlich lineare Bass-Wiedergabe (14.2% Delta zum Vorgänger)
Mitteltöne 400 - 2000 Hz
(+) | ausgeglichene Mitten, vom Median nur 2.4% abweichend
(+) | lineare Mitten (5.5% Delta zum Vorgänger)
Hochtöne 2 - 16 kHz
(+) | ausgeglichene Hochtöne, vom Median nur 2% abweichend
(+) | sehr lineare Hochtöne (4.5% Delta zum Vorgänger)
Gesamt im hörbaren Bereich 100 - 16.000 Hz
(+) | hörbarer Bereich ist sehr linear (10.2% Abstand zum Median
Im Vergleich zu allen Geräten derselben Klasse
» 7% aller getesteten Geräte dieser Klasse waren besser, 2% vergleichbar, 91% schlechter
» Das beste Gerät hat einen Delta-Wert von 5%, durchschnittlich ist 18%, das schlechteste Gerät hat 53%
Im Vergleich zu allen Geräten im Test
» 5% aller getesteten Geräte waren besser, 1% vergleichbar, 94% schlechter
» Das beste Gerät hat einen Delta-Wert von 4%, durchschnittlich ist 24%, das schlechteste Gerät hat 134%
Lenovo ThinkPad E14 Gen2-20TA000DGE Audio Analyse
(±) | Mittelmäßig laut spielende Lautsprecher (74.2 dB)
Bass 100 - 315 Hz
(-) | kaum Bass - 16.3% niedriger als der Median
(±) | durchschnittlich lineare Bass-Wiedergabe (14.3% Delta zum Vorgänger)
Mitteltöne 400 - 2000 Hz
(+) | ausgeglichene Mitten, vom Median nur 4.1% abweichend
(+) | lineare Mitten (5.7% Delta zum Vorgänger)
Hochtöne 2 - 16 kHz
(±) | verringerte Hochtöne, 5% geringer als der Median
(+) | sehr lineare Hochtöne (5.5% Delta zum Vorgänger)
Gesamt im hörbaren Bereich 100 - 16.000 Hz
(±) | hörbarer Bereich ist durchschnittlich linear (22.8% Abstand zum Median)
Im Vergleich zu allen Geräten derselben Klasse
» 62% aller getesteten Geräte dieser Klasse waren besser, 8% vergleichbar, 30% schlechter
» Das beste Gerät hat einen Delta-Wert von 7%, durchschnittlich ist 21%, das schlechteste Gerät hat 53%
Im Vergleich zu allen Geräten im Test
» 67% aller getesteten Geräte waren besser, 6% vergleichbar, 27% schlechter
» Das beste Gerät hat einen Delta-Wert von 4%, durchschnittlich ist 24%, das schlechteste Gerät hat 134%
Energieverwaltung - Großer Akku mit mäßiger Laufzeit
Energieaufnahme
Im Betrieb ohne Last benötigt das ThinkBook 14 ITL zwischen 6,3 und 10,4 Watt. Der niedrige Minimalwert ist vor allem der minimal einstellbaren Displayhelligkeit von nur 2,9 cd/m2 geschuldet, die selbst für das Arbeiten bei vollständiger Dunkelheit kaum ausreicht. Für den Laufzeittest zur Ermittlung der maximal zu erwartenden Akkulaufzeit wurde daher Helligkeitsstufe 2 gewählt. Unter Last steigt der Energiebedarf auf rund 33 Watt im 3DMark-Benchmarktest, in der Spitze können wir kurzzeitig bis zu maximal 63 Watt messen.
| Aus / Standby | |
| Idle | |
| Last |
|
Legende:
min: | |
Energieaufnahme Witcher 3 / Stresstest
Akkulaufzeit
Für den Einsatz im Schulalltag ein überaus wichtiger Faktor ist die Akkulaufzeit eines Gerätes. Der Grund dafür ist simpel: Es fehlt oft an Netzanschlüssen auf allen Sitzplätzen. Während in speziellen Räumen, etwa im EDV- oder Physik- bzw. Chemielabor diese Infrastruktur oftmals verfügbar ist, gibt es in normalen Klassenräumen meist lediglich eine Handvoll Steckdosen. Eine Versorgung aller Schüler könnte nur mittels meterlangem Kabelgewirr und unzähligen Verteilern quer durch die ganze Klasse realisiert werden. Im Optimalfall laden die Kinder ihr Notebook also zuhause und finden damit einen kompletten Schultag das Auslangen.
Wie gut das generell bzw. mit dem vorliegenden Lenovo ThinkBook 14 G2 ITL funktioniert, muss sich erst herausstellen. In unseren Tests beobachten wir eine mögliche Akkulaufzeit von rund 7,5 Stunden im praxisnahen Wifi-Surfszenario mit angepasster Helligkeit (150 cd/m2). Nutzt man das ThinkBook bei maximaler Displayhelligkeit, reduziert sich die Laufzeit auf rund 6 Stunden. Bei anspruchslosen Tätigkeiten kann das Notebook auch länger durchhalten, vorausgesetzt es werden die richtigen Einstellungen gewählt (Reduktion der Helligkeit, Energiesparmodus). Im Vergleich mit anderen bereits getesteten Laptops fällt auf, dass das ThinkBook 14 G2 ITL in der vorliegenden Ausstattung trotz großem 58-Wh-Akku zurückfällt, etwa im Vergleich mit dem getesteten ThinkPad E14, das trotz kleinerem Akku (45 Wh) und wesentlich stärkerer und wohl auch erheblich effizienteren CPU (i7-1165G7) bessere Laufzeiten schafft.
Eine komplette Ladung mit dem mitgeliefertem Netzgerät dauert rund 2,5 Stunden. Nach ca. 1,5 Stunden sind 80% erreicht, dann fällt die Ladegeschwindigkeit (siehe Ladekurve) stark ab.
Als Worst-Case-Szenario im Unterricht könnte etwa der Fall eintreten, dass einige Schüler auf das Laden zuhause vergessen haben und mit einem leeren bzw. nur teilgeladenem Akku in die Schule kommen. Wenn zudem noch etliche Schüler ihr Netzgerät nicht mit dabeihaben und für den Unterricht kein Raum mit Lademöglichkeit an jedem Platz bereitsteht, könnte dies für chaotische Szenen sorgen, unter der die Qualität des eigentlichen Unterrichts zu leiden hätte.
| Lenovo ThinkBook 14 G2 ITL 20VDS02G00 i3-1115G4, UHD Graphics Xe G4 48EUs, 58 Wh | Lenovo ThinkPad E14 Gen2-20TA000DGE i7-1165G7, Iris Xe G7 96EUs, 45 Wh | Lenovo ThinkPad L13 Gen2-20VH0017GE i5-1135G7, Iris Xe G7 80EUs, 46 Wh | Lenovo ThinkPad E14 G3-20Y7003SGE R5 5500U, Vega 7, 57 Wh | Asus ZenBook 13 UX325EA i7-1165G7, Iris Xe G7 96EUs, 67 Wh | HP 14s-fq1357ng R5 5500U, Vega 7, 41 Wh | HP 14s-dq1431ng i5-1035G1, UHD Graphics G1 (Ice Lake 32 EU), 41 Wh | Lenovo ThinkPad L14 G2 AMD R7 PRO 5850U, Vega 8, 45 Wh | HP ProBook 440 G8-2W1G4EA i7-1165G7, Iris Xe G7 96EUs, 45 Wh | Dell Vostro 14 5490 i7-10510U, GeForce MX250, 42 Wh | Lenovo ThinkBook 14 G2 ITL 20VD008WGE i5-1135G7, Iris Xe G7 80EUs, 45 Wh | Durchschnitt der Klasse Office | |
|---|---|---|---|---|---|---|---|---|---|---|---|---|
| Akkulaufzeit | 18% | -20% | 22% | 36% | -1% | -13% | -8% | 37% | -7% | -40% | 51% | |
| Idle (h) | 13.2 | 11.3 -14% | 12.1 -8% | 22.9 ? 73% | ||||||||
| H.264 (h) | 8.8 | 10.5 19% | 7.6 -14% | 13.8 57% | 10.2 16% | 9.6 9% | 15 ? 70% | |||||
| WLAN (h) | 7.6 | 8.4 11% | 6.1 -20% | 11.3 49% | 10.7 41% | 8.5 12% | 5.6 -26% | 7.8 3% | 7.5 -1% | 7.1 -7% | 5.8 -24% | 12.9 ? 70% |
| Last (h) | 2 | 2.5 25% | 1.5 -25% | 1.2 -40% | 3 50% | 1.9 -5% | 1.3 -35% | 3.5 75% | 0.9 -55% | 1.795 ? -10% | ||
| Witcher 3 ultra (h) | 3.2 | 1.5 |
Pro
Contra
Fazit - Der Preis ist heiß
Nach unserem ausführlichen Test des Lenovo ThinkBook 14 G2 ITL in der Ausstattungsvariante wie es aktuell an Schulen in Österreich ausgeliefert wird, gibt es sowohl von Licht als auch von Schatten zu berichten. Optisch macht das ThinkBook eine gute Figur, der Einsatz von Aluminium im Bereich des Displaydeckels sowie an der Unterseite des Notebooks könnte zusätzlichen Schutz bieten, wie gut sich die Laptops im harten Schulalltag dann aber tatsächlich schlagen, bleibt ungewiss. Gerade hinsichtlich Langlebigkeit darf von einem großen Unterschied zwischen den günstigen Einstiegsnotebooks, zu denen das ThinkBook ohne Zweifel zu zählen ist, und den teuren Profigeräten für den täglichen beruflichen Einsatz ausgegangen werden.
Dass bei einem Preis von etwas mehr als 400 Euro an vielen Ecken gespart werden muss, leuchtet ein, insbesondere als dass das Notebook - wenn auch in etwas abweichenden Ausstattungen - im freien Handel kaum unter 700 Euro zu bekommen ist. Das in der Schulkonfiguration eingesetzte WLAN-Modul dürfte darauf zurückzuführen sein, liefert dieses doch erheblich schlechtere Übertragungsraten als ein anderes Modul im zuvor getesteten ThinkBook-i5-Modell. Auch die Beleuchtung der Tastatur wurde gestrichen. Geübte Vieltipper werden diese nicht missen, Kinder im Alter von um 10 Jahren sind aber vermutlich stets auf die Lesbarkeit der Tastenbeschriftung angewiesen, auch bei dunkler Umgebung. Davon abgesehen ist die angebotenen Tastatur allerdings sehr zufriedenstellend und sollte sich auch für intensive Nutzung gut eignen.
Wenig Freude bereitet der Einsatz der verbauten Webcam. Das Bild ist teils unscharf, neigt zu pixeliger Darstellung und leidet vor allem bei ungünstigen Umgebungslichtverhältnissen. Das ThinkBook erlaubt grundsätzlich eine Wartung, wenngleich sich das Öffnen des Gerätes etwas mühsam gestaltet. Akku und SSD sind austauschbar, ein freier zusätzlicher RAM-Slot ist ebenso vorhanden wie ein zweiter freier M.2-Slot.
Positiv stimmt uns das eingesetzte Display. Dieses ist hell und kontraststark und würde sogar einen Einsatz unter freiem Himmel ermöglichen. Schwachstelle ist die Farbdarstellung, die Farbraumabdeckung ist sehr klein, die dargestellten Farben nur mäßig korrekt. Für den Einsatz als mobiles Office-Notebook scheint der Bildschirm gut geeignet, für Bildbearbeitung allerdings nicht wirklich.
Das Lenovo ThinkBook 14 G2 ITL in der getesteten Schulausstattung liefert im Test ein gemischtes Bild. Angesichts des extrem niedrigen Preises (rund 100 Euro Eigenanteil) erscheint das gebotene Paket dennoch attraktiv.
In puncto Leistungsreserven muss man im Vergleich zu den erheblich teureren Konfigurationen am Markt einen deutlichen Einschnitt hinnehmen. Die i3-CPU besitzt nur zwei physische Kerne und bleibt damit weit hinter den verbreiteten i5-Quadcores aktueller Laptops zurück. Auch hier gilt: Für einfache Applikationen liefert das ThinkBook ausreichend Leistung, insbesondere die schnelle verbaute SSD sorgt stets für eine gefühlt flotte Reaktion im Alltagseinsatz. Für anspruchsvolle Software hinsichtlich Grafikdarstellung, etwa Spiele, ist das Notebook definitiv nicht geeignet. Ein RAM-Upgrade kann die GPU-Performance des Laptops spürbar erhöhen, zumal dieser dann im Dual-Channel-Modus betrieben wird. Dann sind sogar ausgewählte ältere Games bei stark angepassten Settings möglich.
Positiver Nebeneffekt des schwachbrüstigen Prozessors sind die geringen Emissionen im Betrieb. Das Notebook bleibt allzeit kühl und wir nur in Ausnahmesituationen deutlich hörbar. Die Akkulaufzeit kann von den Einschränkungen seitens Leistungsreserven nicht profitieren. Im Praxiseinsatz werden die Laufzeiten im Bereich von 6 bis 7 Stunden liegen. Das scheint nominell ausreichend zu sein, bedingt allerdings, dass die Schüler stets mit einem vollgeladenen Akku in die Schule kommen, ansonsten sind bei den meist wenigen Steckdosen in den Klassenräumen Tumulte vorprogrammiert.
Insgesamt bleibt nach unserem Test, angesichts des extremen Preisdrucks auf das geschnürte Paket, ein positiver Gesamteindruck. Das ThinkBook 14 G2 ITL wird vielen Anforderungen (an einen Windows-Laptop) in der Schule gerecht werden. Wie sich das günstige Notebook im mehrjährigen Einsatz schlagen wird, bleibt spannend. Das gilt auch für die gebotene Akkulaufzeit, insbesondere wie Schulen die Problematik eines notwendigen gleichzeitigen Nachladens meistern werden. Die Hoffnung, dass alle Schüler stets mit einem vollen Akku in die Schule kommen, scheint unrealistisch. Die zuständigen EDV-Verantwortlichen an den Schulen täten gut daran, mit zahlreichen Verteilersteckdosen in den Klassenräumen vorzusorgen.
Windows-Laptop, Chromebook oder Tablet - Die Qual der Wahl
Wir sind überaus gespannt für welche Gerätearten sich die einzelnen Schulen überwiegend entscheiden. Während die Klasse der Windows-Laptops den Vorteil birgt, die Kinder auf vollwertigen Arbeitsgeräten einzuschulen, wie sie etwa auch in den meisten Unternehmen im späteren Beruf Verwendung finden, weisen auch die anderen Geräteklassen gewichtige Argumente für ihren Einsatz auf. Ein Chromebook kann in der Regel mit einer guten Laufzeit aufwarten und ist zudem sehr einfach zu managen, da sämtliche Anwendungen browserbasiert arbeiten. Die Möglichkeiten für den User das System zu modifizieren sind eingeschränkt, die Gefahr von fehlerhaften, virenverseuchten Systemen, die zu hohem Arbeitsaufwand für die zuständigen EDV-Betreuer führen, ist erheblich niedriger als bei klassischen Windows-Laptops bei denen 10-Jährige als Admins agieren.
Tablets bieten in puncto Mobilität und Netzunabhängigkeit attraktive Lösungen. Die Gefahr von Ausfällen zufolge leerer Akkus sinkt, zudem profitieren die Schüler von dem viel niedrigeren Gewicht der Geräte, die sie zukünftig regelmäßig mit sich herumtragen müssen. Auch die Ähnlichkeit zu Mobiltelefonen könnte sich als Vorteil für die Kids darstellen, da so gleichzeitig ein verantwortungs- und sinnvoller Umgang mit diesen erlernt werden kann. Insgesamt sollte sich sowohl bei den Tablets als auch bei den Chromebooks der administrative Aufwand eher in Grenzen halten. Notfalls können diese in kurzer Zeit auf den Werkszustand zurückgesetzt und im Anschluss die benötigten Apps einfach wieder geladen und installiert werden. Bei einem Windows-Laptop ist dieser Vorgang erheblich komplizierter und zeitaufwändiger. Beide Geräte der Kategorie Tablet, das Apple iPad 10.2 als auch das Samsung Galaxy Tab S6 Lite wurden bereits ausführlichst von uns getestet. Ein Testbericht des Acer R752T-C26N Chromebooks folgt in Kürze.
Preis und Verfügbarkeit
Das Lenovo ThinkBook 14 G2 ITL in der hier zum Test vorliegenden und in Österreichs Schulen eingesetzten Version ist aktuell nicht im Handel verfügbar. Zufolge der OeAD können die Bildungsgeräte von den jeweiligen Lieferanten grundsätzlich auch an private Kunden verkauft werden, sofern diese das wollen. Unser Versuch das Notebook direkt von der Firma Cancom zu erwerben verlief nicht erfolgreich. Bei dem hier getesteten Gerät handelt es sich um ein von einer bereits belieferten Schule bereitgestelltes Exemplar.
Der Gesamtpreis für das Siegergerät der Ausschreibung (und in Folge auch für alle gelieferten "gleichwertigen Geräte") wird mit 430,20 Euro angegeben, der 25 prozentige Eigenanteil für Eltern beträgt demzufolge 107,55 Euro. Im Falle eines privaten Kaufs würden die Kosten vermutlich erheblich höher liegen. In verschiedenen Shops verfügbar ist das ThinkBook 14 G2 ITL zum Zeitpunkt des Tests nur mit der stärkeren Intel i5-1135G7 CPU, allerdings zu einem Preis von vergleichsweise hohen 750 Euro, etwa bei Cyberport.
Lenovo ThinkBook 14 G2 ITL 20VDS02G00
- 04.11.2021 v7 (old)
J. Simon Leitner, Klaus Hinum








































































