Test Schenker XMG Ultra 17 (Clevo X170SM-G) Laptop: Power ohne Ende

Wie man es von Schenker Technologies kennt, lässt sich das XMG Ultra 17 auf der hauseigenen Homepage bestware.com umfangreich konfigurieren und anpassen. Während als Display ein Full-HD-Panel mit 240 Hz oder ein UHD-Panel mit 60 Hz (jeweils G-Sync) zum Einsatz kommt, kümmert sich ein High-End-Chip aus Nvidias Turing-Generation um anfallende Grafikberechnungen. Neben der GeForce RTX 2070 (Super) bietet Schenker auch das Topmodell RTX 2080 Super an. Beim Prozessor muss man sich zwischen einem Sechskerner (Core i5), Achtkerner (Core i7) oder Zehnkerner (Core i9) entscheiden. Doch egal, welches Modell man auch wählt: Alle CPUs basieren auf Intels Comet-Lake-Architektur, die angesichts von 14 nm jedoch recht betagt ist im Vergleich zu AMDs Ryzen-CPUs.
Für den Arbeitsspeicher stehen vier SODIMM-Slots zur Verfügung, die maximal 128 GB unterstützen. Nicht minder üppig geht es beim Massenspeicher zu. So beherbergt das XMG Ultra 17 bis zu vier M.2-SSDs (auf einen 2,5-Zoll-Schacht verzichtet der Hersteller zugunsten der Akkukapazität). Auf das WLAN-Modul, die Tastaturvariante, das Betriebssystem und die Garantiezeit hat man ebenfalls Einfluss. Preislich startet der 17-Zöller bei knapp 2.700 Euro. Unsere bestens ausgestattete Testkonfiguration mit Core i9-10900K, GeForce RTX 2080 Super, 128 GB RAM (4x 32 GB DDR4-3200), 2-TB-SSD und Windows 10 Pro 64 Bit kommt derweil auf fast 5.000 Euro.
Zu den Konkurrenten des XMG Ultra 17 zählen andere Desktop-Replacements aus dem 17-Zoll-Bereich, die ebenfalls mit einer RTX 2080 Super verfügbar sind, wie das MSI GT76 Titan DT 10SGS, das Alienware m17 R3 und das Asus Strix Scar 17 G732LXS.
Bew. | Datum | Modell | Gewicht | Dicke | Größe | Auflösung | Preis ab |
|---|---|---|---|---|---|---|---|
| 85 % v7 (old) | 10 / 2020 | Schenker XMG Ultra 17 Comet Lake i9-10900K, GeForce RTX 2080 Super Mobile | 4.7 kg | 43.5 mm | 17.30" | 3840x2160 | |
| 87.4 % v7 (old) | 10 / 2020 | MSI GT76 Titan DT 10SGS i9-10900K, GeForce RTX 2080 Super Mobile | 4.2 kg | 42 mm | 17.30" | 3840x2160 | |
| 85.3 % v7 (old) | 09 / 2020 | Alienware m17 R3 P45E i9-10980HK, GeForce RTX 2080 Super Mobile | 3 kg | 20.7 mm | 17.30" | 1920x1080 | |
| 82.7 % v7 (old) | 07 / 2020 | Asus Strix Scar 17 G732LXS i9-10980HK, GeForce RTX 2080 Super Mobile | 2.9 kg | 26.5 mm | 17.30" | 1920x1080 |
Gehäuse
Das Chassis fällt für ein Gerät aus dem Jahr 2020 extrem wuchtig aus. 39,9 x 31,9 cm Grundfläche sind ebenso happig wie eine Bauhöhe von 4,35 cm. In Kombination mit dem äußerst hohen Gewicht (4,7 kg) und den zwei Netzteilen (dazu später mehr) lässt sich der 17-Zöller nur schwer transportieren. Die Konkurrenz ist zwischen 500 g (MSI GT76) und 1.800 g (Asus Strix Scar 17) leichter.
Qualitativ gibt es kaum etwas am Gehäuse auszusetzen. Das zugrundeliegende Clevo-Barebone X170SM-G besticht durch eine saubere Verarbeitung und gute Materialien. Während der Displayrahmen und die Unterschale aus Kunststoff gefertigt sind, bestehen der Deckel und die Tastaturumgebung aus Metall (gebürstetes Aluminium), was dem Ultra 17 eine gewisse Wertigkeit verleiht.
Die Stabilität ist ebenfalls nicht von schlechten Eltern. Wenn man die Mitte des Keyboards ausklammert, gibt das Gehäuse auch bei kräftigerem Druck nicht nach. Die beiden Scharniere erledigen ihren Job unauffällig. Das Wort unauffällig passt auch zum Design. Clevo-typisch ist das Gehäuse sehr dezent gehalten, wenn man die LED-Leiste am Heck ausklammert. Da der Lüfterbereich nicht ganz so ausladend wie beim MSI GT76 ist, wirkt das Gehäuse im Vergleich zum Hauptkonkurrenten außerdem weniger klobig – trotz etwas mehr Bauhöhe.
Ausstattung
Schnittstellen
Beim Thema Ausstattung gibt der Hersteller Vollgas. So dürfen sich Käufer nicht nur über sechs moderne USB-3.2-Gen2-Ports (davon 1x Thunderbolt), sondern auch über drei digitale Bildausgänge freuen (HDMI 2.0 + 2x Mini-DisplayPort 1.4). Einer der USB-Typ-C-Ports beherrscht ebenfalls DisplayPort, wodurch sich bei Bedarf jede Menge Bildschirme anschließen lassen. Abgerundet wird das Schnittstellenangebot von einem Kartenleser, zwei Audiobuchsen, einem RJ-45-Port und einer Öffnung für Kensington Locks. Da sich viele Anschlüsse an der Rückseite befinden, wird der Bewegungsspielraum einer externen Maus meist nicht eingeschränkt.
SDCardreader
Der SD-Cardreader liefert eine sehr hohe Geschwindigkeit. Knapp 220 MB/s reizen das Potential unserer Referenzkarte von Toshiba fast vollständig aus (maximal 260 MB/s), wobei das Alienware m17 R3 und das MSI GT76 10SGS hier ähnlich gut abschneiden.
| SD Card Reader | |
| average JPG Copy Test (av. of 3 runs) | |
| Schenker XMG Ultra 17 Comet Lake (Toshiba Exceria Pro SDXC 64 GB UHS-II) | |
| Alienware m17 R3 P45E (Toshiba Exceria Pro M501 UHS-II) | |
| MSI GT76 Titan DT 10SGS (Toshiba Exceria Pro M501 UHS-II) | |
| Durchschnitt der Klasse Gaming (20.9 - 210, n=56, der letzten 2 Jahre) | |
| maximum AS SSD Seq Read Test (1GB) | |
| Alienware m17 R3 P45E (Toshiba Exceria Pro M501 UHS-II) | |
| Schenker XMG Ultra 17 Comet Lake (Toshiba Exceria Pro SDXC 64 GB UHS-II) | |
| MSI GT76 Titan DT 10SGS (Toshiba Exceria Pro M501 UHS-II) | |
| Durchschnitt der Klasse Gaming (25.5 - 261, n=53, der letzten 2 Jahre) | |
Kommunikation
Die WLAN-Performance muss sich auch keine Kritik anhören. 1.350 Mbit/s beim Senden und 1.560 Mbit/s beim Empfangen bilden jeweils den Spitzenwert. Unser Testgerät hatte den Killer-Chip Wi-Fi 6 AX1650x an Bord, der lediglich ein paar Euro mehr als das Intel-Modul AX200 kostet.
Webcam
Die Bildqualität der Webcam wird dem Notebookpreis nicht gerecht. Zwar entpuppt sich die Bildschärfe als akzeptabel, die Farbgenauigkeit lässt jedoch zu wünschen übrig.

Sicherheit
Das XMG Ultra 17 enthält einen Fingerabdrucksensor, welcher in der linken oberen Ecke des Touchpads sitzt.
Zubehör
Aufgrund des enormen Stromverbrauchs benötigt der 17-Zöller gleich zwei Netzteile. Die 280-Watt-Modelle wiegen jeweils knapp 900 g und kommen auf eine Größe von 18 x 8,5 x 3 cm. Immerhin liegt dem Notebook ein kleiner Käfig bei, mit dem sich die beiden Netzteile stapeln lassen und dadurch nicht ganz so viel Platz wegnehmen. Als weiteres Zubehör sind eine Treiber-DVD, ein USB-Stick mit Software, ein Handbuch, eine Garantiekarte und Schrauben bzw. Abdeckungen für die M.2-Schächte dabei.
Wartung
Die Wartung des X170SM-Chassis gestaltet sich recht komfortabel. So existiert zwar keine Wartungsklappe, jedoch lässt sich die mit acht Schrauben fixierte Unterschale relativ schnell entfernen. Im Inneren des Gehäuses sind dann beinahe alle Komponenten zugänglich. Einzig für den Funkadapter und zwei der vier RAM-Bänke muss man zusätzlich die Tastatur heraushebeln (mit 2 Schrauben an der Unterseite befestigt), was allerdings auch kein größeres Unterfangen darstellt, wenn man auf die Kabel achtet. Dass der Akku direkt von außen erreichbar ist, verdient allgemein Lob.
Garantie
Die Standardgarantie beläuft sich auf 2 Jahre. Gegen Aufpreis sind bis zu 3 Jahre möglich. An der Dauer der Schnellreparatur kann man ebenfalls schrauben.
Eingabegeräte
Tastatur
Das Keyboard hinterlässt gemischte Gefühle. Während auf der positiven Seite das gelungene Layout und die individuell anpassbare RGB-Beleuchtung zu nennen wären, hätten wir auf der negativen Seite vor allem die maue Tastengröße. Neben der F-Reihe ist auch der Nummernblock recht schmal geraten. Dieser Umstand verwundert etwas, da eigentlich mehr als genug Platz für größere Tasten vorhanden wäre. Clevo hat (um Kosten und Entwicklungsaufwand zu sparen) wohl einfach das Keyboard von einem anderen Barebone übernommen. Tippgeräusch und Tippverhalten (Druckpunkt, Anschlag, ...) würden wir als ordentlich bis gut bezeichnen.
Touchpad
Im Gegensatz zur Tastatur ist das Touchpad üppig dimensioniert. Ca. 13 x 7 cm sind komfortabel zu bedienen und lassen genug Raum für längere Mausbewegungen auf dem Bildschirm. Dank der glatten Oberfläche werden außerdem überaus gute Gleiteigenschaften gewährleistet. Die Anwesenheit von dedizierten Maustasten sehen wir auch als Pluspunkt bzw. Vorteil. Der Multi-Touch-Support funktioniert einwandfrei. Wie üblich unterstützt das Touchpad Zoomen und Scrollen mit Zwei-Finger-Gesten.
Display
Unser Testgerät war mit dem optionalen UHD-Display ausgestattet. 3.840 x 2.160 Pixel sorgen für ein knackscharfes Bild. Wie eingangs erwähnt, beherrscht das 4K-Panel allerdings nur 60 statt 240 Hz, was nicht mehr wirklich up to date ist, zumal es im UHD-Bereich durchaus moderner geht (120 Hz @MSI GT76 Titan DT).
| |||||||||||||||||||||||||
Ausleuchtung: 92 %
Helligkeit Akku: 442 cd/m²
Kontrast: 1228:1 (Schwarzwert: 0.36 cd/m²)
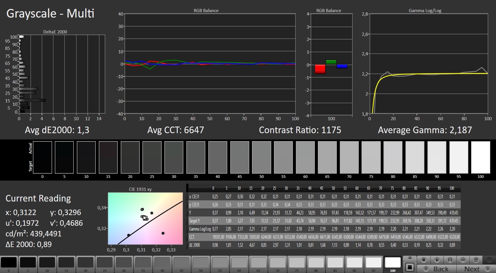
ΔE ColorChecker Calman: 4.38 | ∀{0.5-29.43 Ø4.74}
calibrated: 0.66
ΔE Greyscale Calman: 7.3 | ∀{0.09-98 Ø4.98}
98% sRGB (Argyll 1.6.3 3D)
98% AdobeRGB 1998 (Argyll 1.6.3 3D)
97.9% AdobeRGB 1998 (Argyll 3D)
99.1% sRGB (Argyll 3D)
83% Display P3 (Argyll 3D)
Gamma: 2.17
CCT: 6906 K
| Schenker XMG Ultra 17 Comet Lake AUO B173ZAN03.0 (AUO309B), IPS, 3840x2160, 17.3" | MSI GT76 Titan DT 10SGS AU Optronics B173ZAN03.3, IPS, 3840x2160, 17.3" | Alienware m17 R3 P45E AU Optronics B173HAN, IPS, 1920x1080, 17.3" | Asus Strix Scar 17 G732LXS LQ173M1JW03 (SHP14DC), IPS, 1920x1080, 17.3" | |
|---|---|---|---|---|
| Display | -1% | -15% | -14% | |
| Display P3 Coverage (%) | 83 | 82.5 -1% | 69.2 -17% | 71 -14% |
| sRGB Coverage (%) | 99.1 | 98 -1% | 97.9 -1% | 99 0% |
| AdobeRGB 1998 Coverage (%) | 97.9 | 96.6 -1% | 71.4 -27% | 71.6 -27% |
| Response Times | 50% | 51% | 75% | |
| Response Time Grey 50% / Grey 80% * (ms) | 50.4 ? | 23.2 ? 54% | 16.8 ? 67% | 5.8 ? 88% |
| Response Time Black / White * (ms) | 21.6 ? | 11.6 ? 46% | 14 ? 35% | 8.4 ? 61% |
| PWM Frequency (Hz) | ||||
| Bildschirm | -29% | 4% | -10% | |
| Helligkeit Bildmitte (cd/m²) | 442 | 419.5 -5% | 338.3 -23% | 310 -30% |
| Brightness (cd/m²) | 423 | 413 -2% | 325 -23% | 311 -26% |
| Brightness Distribution (%) | 92 | 93 1% | 91 -1% | 82 -11% |
| Schwarzwert * (cd/m²) | 0.36 | 0.4 -11% | 0.27 25% | 0.41 -14% |
| Kontrast (:1) | 1228 | 1049 -15% | 1253 2% | 756 -38% |
| Delta E Colorchecker * | 4.38 | 3.4 22% | 1.88 57% | 2.41 45% |
| Colorchecker dE 2000 max. * | 10.85 | 7.4 32% | 3.23 70% | 8.59 21% |
| Colorchecker dE 2000 calibrated * | 0.66 | 3.28 -397% | 1.32 -100% | 1.13 -71% |
| Delta E Graustufen * | 7.3 | 2 73% | 2.4 67% | 4.3 41% |
| Gamma | 2.17 101% | 2.14 103% | 2.39 92% | 2.149 102% |
| CCT | 6906 94% | 6858 95% | 6572 99% | 7059 92% |
| Farbraum (Prozent von AdobeRGB 1998) (%) | 98 | 84.6 -14% | 64.7 -34% | 72 -27% |
| Color Space (Percent of sRGB) (%) | 98 | 97.9 0% | 97.8 0% | 94 -4% |
| Durchschnitt gesamt (Programm / Settings) | 7% /
-14% | 13% /
6% | 17% /
-0% |
* ... kleinere Werte sind besser
Gleiches gilt für die Reaktionszeit: Knapp 50 ms grey-to-grey werden von den Konkurrenzlaptops deutlich unterboten. Das genannte MSI-Notebook benötigt trotz identischer Auflösung nur etwa halb so lang. Um Gamer nicht abzuschrecken, sollte Clevo hier noch nachbessern.
Die restlichen Bildwerte wissen – mit Ausnahme der Graustufen – zu überzeugen. Mehr als 400 cd/m² Leuchtkraft und ein Kontrastverhältnis von über 1.200:1 werden die meisten Käufer zufriedenstellen. Der Schwarzwert (0,36 cd/m²) muss sich ebenfalls nicht hinter den Werten der Konkurrenz verstecken. Hinzu kommt – dank IPS-Technik – eine gute Blickwinkelstabilität.
Reaktionszeiten (Response Times) des Displays
| ↔ Reaktionszeiten Schwarz zu Weiß | ||
|---|---|---|
| 21.6 ms ... steigend ↗ und fallend ↘ kombiniert | ↗ 7.6 ms steigend | |
| ↘ 14 ms fallend | ||
| Die gemessenen Reaktionszeiten sind gut, für anspruchsvolle Spieler könnten der Bildschirm jedoch zu langsam sein. Im Vergleich rangierten die bei uns getesteten Geräte von 0.1 (Minimum) zu 240 (Maximum) ms. » 47 % aller Screens waren schneller als der getestete. Daher sind die gemessenen Reaktionszeiten durchschnittlich (19.9 ms). | ||
| ↔ Reaktionszeiten 50% Grau zu 80% Grau | ||
| 50.4 ms ... steigend ↗ und fallend ↘ kombiniert | ↗ 23.6 ms steigend | |
| ↘ 26.8 ms fallend | ||
| Die gemessenen Reaktionszeiten sind langsam und dadurch für viele Spieler wahrscheinlich zu langsam. Im Vergleich rangierten die bei uns getesteten Geräte von 0.165 (Minimum) zu 636 (Maximum) ms. » 87 % aller Screens waren schneller als der getestete. Daher sind die gemessenen Reaktionszeiten schlechter als der Durchschnitt aller vermessenen Geräte (31.2 ms). | ||
Bildschirm-Flackern / PWM (Pulse-Width Modulation)
| Flackern / PWM nicht festgestellt | |||
Im Vergleich: 52 % aller getesteten Geräte nutzten kein PWM um die Helligkeit zu reduzieren. Wenn PWM eingesetzt wurde, dann bei einer Frequenz von durchschnittlich 7867 (Minimum 5, Maximum 343500) Hz. | |||
Testbedingungen
Leistung
Das XMG Ultra 17 ist ganz klar ein Vertreter der Oberklasse. Speziell die Testkonfiguration mit 10-Kern-CPU, Spitzen-GPU und 128 GB RAM dürfte für die kommenden Jahre genug Reserven bereithalten, sofern man bei anspruchsvollen 3D-Anwendungen (Stichwort Spiele) im Notfall die Auflösung reduziert.
Prozessor
Beim Core i9-10900K handelt es sich um die aktuell stärkste Comet-Lake-CPU von Intel. Das Desktop-Modell kann dank Hyper-Threading bis zu 20 Threads parallel bearbeiten. Notebook-Chips sind derzeit auf 8 Kerne und 16 Threads beschränkt. Die Taktrate des 10900K ist mit maximal 5,3 GHz ebenfalls top, wobei davon in der Praxis etwas verloren geht. So konnten wir dem Zehnkerner bei Single-Core-Anwendungen „nur“ 4,9 bis 5,2 GHz und bei Multi-Core-Anwendungen 4,5 bis 4,6 GHz entlocken.
Hinzu kommt, dass längere CPU-Last den Takt überproportional einbrechen lässt. In unserem Cinebench-R15-Loop sank der Gesamtscore nach ein paar Durchläufen von knapp 2.500 Punkten auf rund 2.300 Punkte, was einem Minus von ca. 10 % entspricht. Das konkurrierende MSI GT76 bietet eine deutlich konstantere Leistung bzw. Turboentfaltung, wenngleich die Werte nach einem Kaltstart minimal geringer sind. Trotz des eingeschränkten Turbos zieht die Desktop-CPU des XMG Ultra 17 spürbar an den Laptop-Modellen des Alienware m17 R3 und Asus Strix Scar 17 vorbei. Der Core i9-10980HK fällt im Multi-Core-Test des Cinebench R15 um die 30 % zurück.
* ... kleinere Werte sind besser
System Performance
Auch bei der Systemleistung schnappt sich das Schenker-Gerät die Spitzenposition im Testfeld. 7.461 Punkte beim PCMark 10 sind 40 % besser als der Durchschnittswert der Laptop-Klasse Gaming. Subjektiv reagiert das Betriebssystem blitzschnell. Ladezeiten sind ebenfalls erfreulich kurz, sofern Anwendungen gut programmiert bzw. optimiert sind. Dass die Bootdauer vergleichsweise hoch ausfällt (knapp 30 Sekunden), ist für ein Notebook mit Desktop-CPU leider üblich.
| PCMark 10 Score | 7461 Punkte | |
Hilfe | ||
DPC-Latenzen
| DPC Latencies / LatencyMon - interrupt to process latency (max), Web, Youtube, Prime95 | |
| MSI GT76 Titan DT 10SGS | |
| Asus Strix Scar 17 G732LXS | |
| Alienware m17 R3 P45E | |
| Schenker XMG Ultra 17 Comet Lake | |
* ... kleinere Werte sind besser
Massenspeicher
Schenker verpasste unserem Testgerät eine 2 TB große M.2-SSD von Samsung. Das NVMe-Modell 970 EVO Plus bietet sowohl beim Lesen als auch beim Schreiben eine hervorragende Geschwindigkeit (sequentiell rund 3.000 MB/s). Im CrystalDiskMark und im AS-SSD-Benchmark muss sich die Konkurrenz trotz SSD-RAID geschlagen geben.
| Schenker XMG Ultra 17 Comet Lake Samsung SSD 970 EVO Plus 2TB | MSI GT76 Titan DT 10SGS 2x WDC PC SN730 SDBPNTY-1T00 (RAID 0) | Alienware m17 R3 P45E 2x Micron 2200S 512 GB (RAID 0) | Asus Strix Scar 17 G732LXS 2x Intel SSD 660p 1TB SSDPEKNW010T8 (RAID 0) | |
|---|---|---|---|---|
| CrystalDiskMark 5.2 / 6 | -9% | -19% | -18% | |
| Write 4K (MB/s) | 172 | 116.4 -32% | 68 -60% | 125.8 -27% |
| Read 4K (MB/s) | 47.3 | 43.85 -7% | 42.04 -11% | 52.9 12% |
| Write Seq (MB/s) | 2980 | 2927 -2% | 2221 -25% | 1795 -40% |
| Read Seq (MB/s) | 2790 | 1997 -28% | 2202 -21% | 2315 -17% |
| Write 4K Q32T1 (MB/s) | 481.8 | 467.6 -3% | 494.5 3% | 407.1 -16% |
| Read 4K Q32T1 (MB/s) | 565 | 538 -5% | 540 -4% | 411.9 -27% |
| Write Seq Q32T1 (MB/s) | 3295 | 3362 2% | 2623 -20% | 2844 -14% |
| Read Seq Q32T1 (MB/s) | 3550 | 3558 0% | 3159 -11% | 3130 -12% |
| AS SSD | -50% | -187% | -59% | |
| Seq Read (MB/s) | 2980 | 2406 -19% | 2060 -31% | 2450 -18% |
| Seq Write (MB/s) | 2585 | 2867 11% | 2297 -11% | 1436 -44% |
| 4K Read (MB/s) | 52.7 | 41.51 -21% | 35.39 -33% | 49.48 -6% |
| 4K Write (MB/s) | 163.1 | 108.8 -33% | 63.1 -61% | 119.4 -27% |
| 4K-64 Read (MB/s) | 1954 | 1525 -22% | 1337 -32% | 1032 -47% |
| 4K-64 Write (MB/s) | 2347 | 1424 -39% | 1307 -44% | 1229 -48% |
| Access Time Read * (ms) | 0.039 | 0.041 -5% | 0.057 -46% | 0.145 -272% |
| Access Time Write * (ms) | 0.023 | 0.102 -343% | 0.411 -1687% | 0.036 -57% |
| Score Read (Points) | 2304 | 1807 -22% | 1578 -32% | 1327 -42% |
| Score Write (Points) | 2768 | 1819 -34% | 1600 -42% | 1492 -46% |
| Score Total (Points) | 6232 | 4573 -27% | 3997 -36% | 3456 -45% |
| Durchschnitt gesamt (Programm / Settings) | -30% /
-33% | -103% /
-116% | -39% /
-42% |
* ... kleinere Werte sind besser
Dauerleistung Lesen: DiskSpd Read Loop, Queue Depth 8
Grafikkarte
An die GeForce RTX 2080 Super kommt im Notebook-Segment aktuell nichts heran. Das Turing-Modell ist mit 3.072 Shadern und einem 8 GB großen GDDR6-Videospeicher bestückt (256-Bit-Interface). Dank des mächtigen Kühlsystems kann der DirectX-12-Chip sein Leistungsniveau gut entfalten. Im Benchmarkparcours liegt das XMG Ultra 17 meist ein paar Prozent vor den Konkurrenzlaptops mit identischer GPU.
| 3DMark 11 Performance | 31493 Punkte | |
| 3DMark Fire Strike Score | 22606 Punkte | |
| 3DMark Time Spy Score | 11211 Punkte | |
Hilfe | ||
Wie sich die Grafikkarte bei längerer 3D-Last verhält, haben wir gut 60 Minuten mit dem Rollenpiel The Witcher 3 getestet. Im Gegensatz zur CPU-Leistung (Cinebench-Loop) bleibt die GPU-Leistung recht konstant. Durchschnittlich 1.815 MHz Kerntakt sind ein sehr guter Wert für die RTX 2080 Super.
Gaming Performance
Mit Nvidias Spitzenmodell lassen sich alle modernen Titel flüssig in maximalen Details zocken. Selbst 3.840 x 2.160 Pixel werden – abgesehen von sehr rechenintensiven Games wie Borderlands 3 und dem Flight Simulator – mit über 40 FPS befeuert. Anhand der unteren Tabelle können sie erkennen, dass im QHD- und FHD-Bereich oft die 100-FPS-Marke geknackt wird.
| The Witcher 3 | |
| 1920x1080 Ultra Graphics & Postprocessing (HBAO+) | |
| Durchschnitt der Klasse Gaming (83.7 - 240, n=14, der letzten 2 Jahre) | |
| MSI GT76 Titan DT 10SGS | |
| Schenker XMG Ultra 17 Comet Lake | |
| Durchschnittliche NVIDIA GeForce RTX 2080 Super Mobile (93.4 - 113.2, n=4) | |
| Alienware m17 R3 P45E | |
| Asus Strix Scar 17 G732LXS | |
| 3840x2160 High Graphics & Postprocessing (Nvidia HairWorks Off) | |
| Durchschnitt der Klasse Gaming (114 - 169.8, n=4, der letzten 2 Jahre) | |
| MSI GT76 Titan DT 10SGS | |
| Schenker XMG Ultra 17 Comet Lake | |
| Durchschnittliche NVIDIA GeForce RTX 2080 Super Mobile (66.4 - 80.5, n=3) | |
| Asus Strix Scar 17 G732LXS | |
| min. | mittel | hoch | max. | QHD | 4K | |
|---|---|---|---|---|---|---|
| GTA V (2015) | 187 | 182 | 179 | 98.9 | ||
| The Witcher 3 (2015) | 209 | 109 | 75.6 | |||
| Dota 2 Reborn (2015) | 190 | 172 | 167 | 156 | 145 | |
| X-Plane 11.11 (2018) | 145 | 127 | 103 | 88.2 | ||
| Shadow of the Tomb Raider (2018) | 142 | 126 | 87.5 | 47.1 | ||
| Battlefield V (2018) | 168 | 152 | 126 | 76.2 | ||
| Borderlands 3 (2019) | 107 | 89.8 | 65.4 | 37.1 | ||
| Hunt Showdown (2020) | 133 | 92.4 | 85.6 | |||
| Doom Eternal (2020) | 222 | 219 | 176 | 96.5 | ||
| Gears Tactics (2020) | 154 | 125 | 82.1 | 43.2 | ||
| F1 2020 (2020) | 234 | 161 | 122 | 72.5 | ||
| Death Stranding (2020) | 149 | 147 | 108 | 60 | ||
| Horizon Zero Dawn (2020) | 127 | 104 | 80 | 45 | ||
| Flight Simulator 2020 (2020) | 64.6 | 47.1 | 37.8 | 23.8 | ||
| Serious Sam 4 (2020) | 113 | 95 | 84.2 | 54.4 | ||
| Mafia Definitive Edition (2020) | 122 | 83.4 | 45.2 | |||
| Star Wars Squadrons (2020) | 263 | 243 | 175 | 105 | ||
| FIFA 21 (2020) | 278 | 278 | 274 | 238 |
Emissionen
Geräuschemissionen
Eine der größten Schwachstellen des XMG Ultra 17 ist die extreme Geräuschentwicklung. 55 bis 62 dB unter Last zwingen mehr oder weniger zu einem Headset. Spiele bereiten ohne Kopfhörer jedenfalls keine Freude. Das MSI GT76 Titan DT wird in den meisten 3D-Szenarien sogar noch lauter, was die bessere Turboentfaltung der CPU relativiert.
Im Idle-Modus fällt die Geräuschkulisse des Schenker-Notebooks ebenfalls nicht optimal aus. Zwar stehen die beiden Gehäuselüfter manchmal komplett still oder drehen nur mit einem dezenten Pegel von rund 32 dB(A), hin und wieder tourt die Kühlung jedoch grundlos auf über 50 dB auf, was viele Nutzer stören wird. Schon beim Booten erreicht das Gerät kurzfristig fast 60 dB.
Lautstärkediagramm
| Idle |
| 27 / 32 / 57 dB(A) |
| Last |
| 56 / 62 dB(A) |
![]() | ||
30 dB leise 40 dB(A) deutlich hörbar 50 dB(A) störend |
||
min: | ||
| Schenker XMG Ultra 17 Comet Lake i9-10900K, GeForce RTX 2080 Super Mobile | MSI GT76 Titan DT 10SGS i9-10900K, GeForce RTX 2080 Super Mobile | Alienware m17 R3 P45E i9-10980HK, GeForce RTX 2080 Super Mobile | Asus Strix Scar 17 G732LXS i9-10980HK, GeForce RTX 2080 Super Mobile | Durchschnitt der Klasse Gaming | |
|---|---|---|---|---|---|
| Geräuschentwicklung | 12% | 10% | 1% | 18% | |
| aus / Umgebung * (dB) | 25 | 26.4 -6% | 26.5 -6% | 25 -0% | 24.1 ? 4% |
| Idle min * (dB) | 27 | 27.5 -2% | 27.8 -3% | 33 -22% | 25.8 ? 4% |
| Idle avg * (dB) | 32 | 27.5 14% | 27.8 13% | 38 -19% | 27.4 ? 14% |
| Idle max * (dB) | 57 | 29.8 48% | 27.8 51% | 45 21% | 29.8 ? 48% |
| Last avg * (dB) | 56 | 30.9 45% | 52.1 7% | 54 4% | 43.2 ? 23% |
| Witcher 3 ultra * (dB) | 55 | 60.7 -10% | 51.8 6% | 50 9% | |
| Last max * (dB) | 62 | 66.6 -7% | 59.1 5% | 55 11% | 53.8 ? 13% |
* ... kleinere Werte sind besser
Temperatur
So hoch die Geräuschentwicklung ist, so gering sind die Temperaturen des Chassis. Selbst unter Volllast erwärmt sich die Unterseite der Baseunit nur auf maximal 46 °C. Die Oberseite wird maximal 39 °C warm – ebenfalls ein guter Wert für ein Gaming-Notebook.
Die Komponenten geraten deutlich mehr ins Schwitzen. Nach einer Stunde Stresstest mit den Tools Furmark und Prime95 machte es sich die RTX 2080 Super bei knapp 80 °C bequem, wohingegen der Core i9-10900K fast 100 °C erreichte. Im Spielealltag wird die CPU zum Glück nicht derart heiß. Bei The Witcher 3 waren es halbwegs moderate 70 bis 80 °C.
(+) Die maximale Temperatur auf der Oberseite ist 39 °C. Im Vergleich liegt der Klassendurchschnitt bei 40.4 °C (von 21.2 bis 68.8 °C für die Klasse Gaming).
(-) Auf der Unterseite messen wir eine maximalen Wert von 46 °C (im Vergleich zum Durchschnitt von 43.2 °C).
(+) Ohne Last messen wir eine durchschnittliche Temperatur von 29.3 °C auf der Oberseite. Der Klassendurchschnitt erreicht 33.9 °C.
(±) Beim längeren Spielen von The Witcher 3 erhitzt sich das Gerät durchschnittlich auf 33.2 °C. Der Durchschnitt der Klasse ist derzeit 33.9 °C.
(+) Die Handballen und der Touchpad-Bereich sind mit gemessenen 31 °C kühler als die typische Hauttemperatur und fühlen sich dadurch kühl an.
(-) Die durchschnittliche Handballen-Temperatur anderer getesteter Geräte war 28.8 °C (-2.2 °C).
| Schenker XMG Ultra 17 Comet Lake i9-10900K, GeForce RTX 2080 Super Mobile | MSI GT76 Titan DT 10SGS i9-10900K, GeForce RTX 2080 Super Mobile | Alienware m17 R3 P45E i9-10980HK, GeForce RTX 2080 Super Mobile | Asus Strix Scar 17 G732LXS i9-10980HK, GeForce RTX 2080 Super Mobile | Durchschnitt der Klasse Gaming | |
|---|---|---|---|---|---|
| Hitze | 8% | -26% | -10% | -4% | |
| Last oben max * (°C) | 39 | 36.4 7% | 54 -38% | 59 -51% | 45.4 ? -16% |
| Last unten max * (°C) | 46 | 43 7% | 58.4 -27% | 52 -13% | 48.5 ? -5% |
| Idle oben max * (°C) | 32 | 28 12% | 40 -25% | 30 6% | 31.3 ? 2% |
| Idle unten max * (°C) | 35 | 33.4 5% | 39.4 -13% | 29 17% | 34.4 ? 2% |
* ... kleinere Werte sind besser
Lautsprecher
Barebone-Hersteller Clevo nutzt das vorhandene Gehäusevolumen für ein gutes 2.1-System, das sich mit maximal 94 dB(A) auch für die Beschallung größerer Räume eignet. Für Notebookverhältnisse ist der Klang relativ kräftig und ausgewogen, so dass man beim Medienkonsum nicht unbedingt externe Speaker anstecken muss.
Schenker XMG Ultra 17 Comet Lake Audio Analyse
(+) | Die Lautsprecher können relativ laut spielen (94 dB)
Bass 100 - 315 Hz
(±) | abgesenkter Bass - 8.6% geringer als der Median
(±) | durchschnittlich lineare Bass-Wiedergabe (7% Delta zum Vorgänger)
Mitteltöne 400 - 2000 Hz
(+) | ausgeglichene Mitten, vom Median nur 1.7% abweichend
(+) | lineare Mitten (3% Delta zum Vorgänger)
Hochtöne 2 - 16 kHz
(+) | ausgeglichene Hochtöne, vom Median nur 4.7% abweichend
(+) | sehr lineare Hochtöne (4.9% Delta zum Vorgänger)
Gesamt im hörbaren Bereich 100 - 16.000 Hz
(+) | hörbarer Bereich ist sehr linear (9.8% Abstand zum Median
Im Vergleich zu allen Geräten derselben Klasse
» 5% aller getesteten Geräte dieser Klasse waren besser, 1% vergleichbar, 94% schlechter
» Das beste Gerät hat einen Delta-Wert von 6%, durchschnittlich ist 18%, das schlechteste Gerät hat 132%
Im Vergleich zu allen Geräten im Test
» 4% aller getesteten Geräte waren besser, 1% vergleichbar, 95% schlechter
» Das beste Gerät hat einen Delta-Wert von 4%, durchschnittlich ist 24%, das schlechteste Gerät hat 134%
MSI GT76 Titan DT 10SGS Audio Analyse
(+) | Die Lautsprecher können relativ laut spielen (83.2 dB)
Bass 100 - 315 Hz
(±) | abgesenkter Bass - 8.6% geringer als der Median
(±) | durchschnittlich lineare Bass-Wiedergabe (11% Delta zum Vorgänger)
Mitteltöne 400 - 2000 Hz
(+) | ausgeglichene Mitten, vom Median nur 3.1% abweichend
(+) | lineare Mitten (6.9% Delta zum Vorgänger)
Hochtöne 2 - 16 kHz
(+) | ausgeglichene Hochtöne, vom Median nur 3% abweichend
(+) | sehr lineare Hochtöne (5.5% Delta zum Vorgänger)
Gesamt im hörbaren Bereich 100 - 16.000 Hz
(+) | hörbarer Bereich ist sehr linear (9.9% Abstand zum Median
Im Vergleich zu allen Geräten derselben Klasse
» 5% aller getesteten Geräte dieser Klasse waren besser, 2% vergleichbar, 94% schlechter
» Das beste Gerät hat einen Delta-Wert von 6%, durchschnittlich ist 18%, das schlechteste Gerät hat 132%
Im Vergleich zu allen Geräten im Test
» 4% aller getesteten Geräte waren besser, 1% vergleichbar, 95% schlechter
» Das beste Gerät hat einen Delta-Wert von 4%, durchschnittlich ist 24%, das schlechteste Gerät hat 134%
Energieverwaltung
Energieaufnahme
Die High-End-Komponenten führen nicht nur zu einer hohen Geräuschkulisse, sondern auch zu einem happigen Energieverbrauch. Da das Ultra 17 keine Grafikumschaltung bietet, sind es schon im Idle-Modus über 30 Watt. Unter Last klettert der Strombedarf auf bis zu 512 Watt – ein neuer Negativrekord. Laut The Witcher 3 kann man in Spielen mit ca. 320 Watt rechnen.
| Aus / Standby | |
| Idle | |
| Last |
|
Legende:
min: | |
| Schenker XMG Ultra 17 Comet Lake i9-10900K, GeForce RTX 2080 Super Mobile | MSI GT76 Titan DT 10SGS i9-10900K, GeForce RTX 2080 Super Mobile | Alienware m17 R3 P45E i9-10980HK, GeForce RTX 2080 Super Mobile | Asus Strix Scar 17 G732LXS i9-10980HK, GeForce RTX 2080 Super Mobile | Durchschnitt der Klasse Gaming | |
|---|---|---|---|---|---|
| Stromverbrauch | 6% | 4% | 26% | 46% | |
| Idle min * (Watt) | 34 | 25.9 24% | 33.6 1% | 16 53% | 13.4 ? 61% |
| Idle avg * (Watt) | 40 | 38 5% | 43.9 -10% | 25 37% | 19 ? 52% |
| Idle max * (Watt) | 47 | 53.2 -13% | 59 -26% | 35 26% | 24.5 ? 48% |
| Last avg * (Watt) | 130 | 123.8 5% | 134.9 -4% | 177 -36% | 108.3 ? 17% |
| Witcher 3 ultra * (Watt) | 318 | 312.5 2% | 242 24% | 227 29% | |
| Last max * (Watt) | 512 | 459.8 10% | 320 37% | 280 45% | 254 ? 50% |
* ... kleinere Werte sind besser
Akkulaufzeit
Trotz riesigem 97-Wh-Akku sind die Laufzeiten eher bescheiden. Je nach Auslastung und Displayleuchtkraft hält der 17-Zöller zwischen 1 und 5 Stunden ohne Netzteile durch. Während das Alienware m17 R3 schlechter abschneidet, schafft das Asus Strix Scar 17 höhere Laufzeiten.
| Schenker XMG Ultra 17 Comet Lake i9-10900K, GeForce RTX 2080 Super Mobile, 97 Wh | MSI GT76 Titan DT 10SGS i9-10900K, GeForce RTX 2080 Super Mobile, 90 Wh | Alienware m17 R3 P45E i9-10980HK, GeForce RTX 2080 Super Mobile, 86 Wh | Asus Strix Scar 17 G732LXS i9-10980HK, GeForce RTX 2080 Super Mobile, 66 Wh | Durchschnitt der Klasse Gaming | |
|---|---|---|---|---|---|
| Akkulaufzeit | -37% | -27% | 61% | 63% | |
| Idle (h) | 4.9 | 3.7 -24% | 10 104% | 8.81 ? 80% | |
| WLAN (h) | 3.8 | 2.4 -37% | 3.2 -16% | 5.9 55% | 6.91 ? 82% |
| Last (h) | 1.2 | 0.7 -42% | 1.5 25% | 1.527 ? 27% |
Pro
Contra
Fazit
Das XMG Ultra 17 ist ein Desktop-Replacement der Extraklasse.
High-End-Power in einem großen Gehäuse mit vielen Anschlüssen: So möchte Schenker leistungshungrige Anwender gewinnen, bei denen Geld eine untergeordnete Rolle spielt. Das farbstarke (wenn auch etwas reaktionsschwache) UHD-Display und die Eingabegeräte wissen ebenfalls zu gefallen.
Vom Mobilitätsgedanken sollte man sich jedoch verabschieden. Die hohen Abmessungen, das grenzwertige Gewicht und die relativ kurze Akkulaufzeit fesseln Nutzer an den Schreibtisch. Im Endeffekt wurde das XMG Ultra 17 nur für den stationären Betrieb konzipiert, wobei sich dann die Frage stellt, warum man nicht gleich zu einem echten Desktop-PC greift, der günstiger und vor allem leiser ist.
Schenker XMG Ultra 17 Comet Lake
- 13.10.2020 v7 (old)
Sebastian Jentsch



































































