Test Asus Vivobook 15 F512DA Laptop: Günstiges Modell mit AMD Ryzen 3

Asus' VivoBook-Reihe besteht aus Budget- bis Mittelklasse-Laptops und ergänzt die höherwertige und teurere ZenBook-Reihe. Unser heutiges Testgerät ist ein 15,6 Zoll großes VivoBook 15, das mit dem Einstiegsprozessor Ryzen 3 3200U aus AMDs 2. Zen+-Generation ausgestattet ist. Dieses bestimmte Modell ist mit 4 GB RAM, einer 128-GB-SSD und einem 1080p-Display bestückt und kann online für ca. 400 US-Dollar (~368 Euro) erworben werden. Außerdem sind Modelle mit dem Intel Core i3-8145U, Core i5-8265U, Core i7-8565U sowie Modelle mit GeForce-MX110-Grafik verfügbar. Im Gegensatz zur AMD-basierten VivoBook-F512-Reihe werden die optisch identischen Intel-Varianten als die VivoBook-X512-Reihe vertrieben.
Die direkte Konkurrenz besteht aus weiteren günstigen 15,6-Zoll-Multimedia-Laptops wie dem Lenovo Ideapad S340-15, Acers Aspire 5 A515, Dells Inspiron 15 3585 und dem Huawei MateBook D.
Weitere Asus-Tests:
Bew. | Datum | Modell | Gewicht | Dicke | Größe | Auflösung | Preis ab |
|---|---|---|---|---|---|---|---|
| 73.1 % v7 (old) | 04 / 2020 | Asus Vivobook 15 F512DA-SH31 R3 3200U, Vega 3 | 1.8 kg | 19.9 mm | 15.60" | 1920x1080 | |
| 79.4 % v7 (old) | 03 / 2020 | Lenovo Ideapad S340-15IIL i7-1065G7, Iris Plus Graphics G7 (Ice Lake 64 EU) | 1.8 kg | 17.9 mm | 15.60" | 1920x1080 | |
| 78.4 % v7 (old) | 12 / 2019 | Acer Aspire 5 A515-43-R6WW R5 3500U, Vega 8 | 1.8 kg | 18 mm | 15.60" | 1920x1080 | |
| 77.6 % v6 (old) | 06 / 2019 | Dell Inspiron 15 3585 (2300U, Vega 6) R3 2300U, Vega 6 | 1.9 kg | 20 mm | 15.60" | 1920x1080 | |
| 85.2 % v7 (old) | 03 / 2020 | Huawei MateBook D 15-53010TUY R5 3500U, Vega 8 | 1.5 kg | 16.9 mm | 15.60" | 1920x1080 |
Gehäuse
Die Chassis-Konstruktion ist mit der des VivoBook S15 S532 nahezu identisch, allerdings fehlt hier das ScreenPad. Daher gelten viele unserer bestehenden Anmerkungen zum Chassis des S532 auch für das F512. Der Deckel ist jedoch enttäuschend schwach und gibt beim Verwinden an den Ecken leichter nach. Dagegen ist die Basiseinheit relativ starr, wodurch sie trotz ihrer Kunststoffkonstruktion weniger leicht nachgibt und sich Knarzgeräusche in Grenzen halten.
Ausstattung
Die Anschlussausstattung ist mit der des VivoBook S15 S532 identisch. Aus uns unbekannten Gründen wurde die Position der HDMI- und USB-Anschlüsse auf der rechten Seite getauscht, ansonsten stimmt jedoch auch das Anschlusslayout überein. Wir hätten uns mehr Platz zwischen den Anschlüssen gewünscht, da sie sehr eng beieinanderliegen.
SD-Kartenleser
| SD Card Reader | |
| average JPG Copy Test (av. of 3 runs) | |
| Dell XPS 15 9570 Core i9 UHD (Toshiba Exceria Pro SDXC 64 GB UHS-II) | |
| Lenovo Ideapad S340-15IIL (Toshiba Exceria Pro SDXC 64 GB UHS-II) | |
| Dell Inspiron 15 3585 (2300U, Vega 6) (Toshiba Exceria Pro SDXC 64 GB UHS-II) | |
| Asus Vivobook 15 F512DA-SH31 (Toshiba Exceria Pro M501 64 GB UHS-II) | |
| maximum AS SSD Seq Read Test (1GB) | |
| Dell XPS 15 9570 Core i9 UHD (Toshiba Exceria Pro SDXC 64 GB UHS-II) | |
| Lenovo Ideapad S340-15IIL (Toshiba Exceria Pro SDXC 64 GB UHS-II) | |
| Asus Vivobook 15 F512DA-SH31 (Toshiba Exceria Pro M501 64 GB UHS-II) | |
| Dell Inspiron 15 3585 (2300U, Vega 6) (Toshiba Exceria Pro SDXC 64 GB UHS-II) | |
Kommunikation
Intels 8265-Modul mit Bluetooth 4.2 ist standardmäßig verbaut. Das System scheint Schwierigkeiten dabei zu haben, hohe Übertragungsraten aufrechtzuerhalten und vor allem die Sendegeschwindigkeit war trotz wiederholter Tests mit unserem Router Netgear RAX200 auffällig niedrig. Davon abgesehen sind jedoch beim Surfen und Videostreaming keine Verbindungsprobleme aufgetreten.
Webcam

Wartung
Das Entfernen der Bodenplatte ist mit wenig Aufwand verbunden, da hierfür nur ein Kreuzschraubenzieher benötigt wird. Im Inneren befinden sich ein SODIMM- und ein M.2-2280-Steckplatz. Auf unserem Bild sieht man die großen, ungenutzten Räume neben dem Akku und dem Lüfter.
Garantie und Zubehör
Bis auf das Netzteil und die Anleitungen befinden sich keine Extras im Lieferumfang. Es gilt die standardmäßige, eingeschränkte einjährige Garantie.
Eingabegeräte
Tastatur
Die Größe, das Layout und das Tippgefühl der beleuchteten Tastatur gleichen der des VivoBook S15 S532. Die QWERTY-Standardtasten bieten angesichts des niedrigen Preises ein tolles Tastenfeedback, allerdings ist die Bedienung der winzigen Ziffernblock- und Pfeiltasten nicht zuletzt aufgrund ihres schwammigen Feedbacks relativ unkomfortabel.
Touchpad
Das Precisions-ClickPad (10,5 x 7,4 cm) ist kleiner als beim ZenBook 15 (13 x 6,7 cm). Zeigerbewegungen werden sauber und ohne erkennbare Fehler oder Aussetzer registriert. Dagegen fühlen sich Klicks durch das undeutliche Feedback schwammig an.
Display
Das hier verbaute IPS-Panel AU Optronics B156HAN02.1 findet man auch in vielen anderen günstigen 15,6-Zoll-Laptops wie dem ThinkPad E590 und dem VivoBook S15 S510UQ 2017 aus eigenem Hause. Das niedrige Kontrastverhältnis von nur 300:1 und die geringe sRGB-Farbraumabdeckung zeigen, dass es sich hierbei um ein günstiges Panel handelt. Mit der Qualität eines Top-Ultrabooks hatten wir hier zwar nicht gerechnet, allerdings besitzen auch konkurrierende, preiswerte Laptops wie das IdeaPad S340 hellere Displays mit höheren Kontrastverhältnissen und können dadurch eine bessere Darstellung erzielen als unser Asus-Gerät.
Beim genaueren Hinsehen sieht man eine unauffällige, aber erkennbare, körnige Schicht, die für matte Displays üblich ist. Der Bildschirm ist insgesamt brauchbar, man sollte nur keine atemberaubende Farben oder extrem scharfe Texte und Bilder erwarten.
| |||||||||||||||||||||||||
Ausleuchtung: 89 %
Helligkeit Akku: 216.3 cd/m²
Kontrast: 294:1 (Schwarzwert: 0.86 cd/m²)
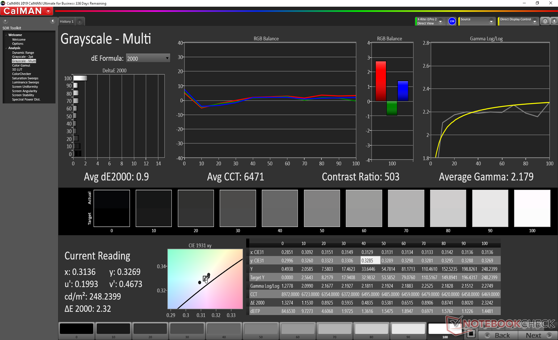
ΔE ColorChecker Calman: 4.83 | ∀{0.5-29.43 Ø4.73}
calibrated: 3.78
ΔE Greyscale Calman: 4.6 | ∀{0.09-98 Ø4.98}
58.1% sRGB (Argyll 1.6.3 3D)
36.9% AdobeRGB 1998 (Argyll 1.6.3 3D)
40% AdobeRGB 1998 (Argyll 3D)
58.2% sRGB (Argyll 3D)
38.71% Display P3 (Argyll 3D)
Gamma: 2.34
CCT: 6841 K
| Asus Vivobook 15 F512DA-SH31 AU Optronics B156HAN02.1, IPS, 15.6", 1920x1080 | Lenovo Ideapad S340-15IIL BOE CQ NV156FHM-T03, IPS, 15.6", 1920x1080 | Acer Aspire 5 A515-43-R6WW CEC PANDA LM156LF-CL07, IPS, 15.6", 1920x1080 | Dell Inspiron 15 3585 (2300U, Vega 6) BOE0802, TN, 15.6", 1920x1080 | Asus ZenBook 15 UX534FTC-A8190T BOE CQ NV156FHM-N63, IPS, 15.6", 1920x1080 | Huawei MateBook D 15-53010TUY AU Optronics AUO28ED, IPS, 15.6", 1920x1080 | |
|---|---|---|---|---|---|---|
| Display | 3% | 2% | 1% | 58% | 5% | |
| Display P3 Coverage (%) | 38.71 | 40.43 4% | 39.53 2% | 39.22 1% | 65 68% | 40.49 5% |
| sRGB Coverage (%) | 58.2 | 58.8 1% | 59.5 2% | 58.9 1% | 86.2 48% | 60.9 5% |
| AdobeRGB 1998 Coverage (%) | 40 | 41.77 4% | 40.84 2% | 40.52 1% | 62.9 57% | 41.84 5% |
| Response Times | -24% | 8% | 26% | -17% | -13% | |
| Response Time Grey 50% / Grey 80% * (ms) | 36 ? | 46.4 ? -29% | 36 ? -0% | 39 ? -8% | 45 ? -25% | 43.6 ? -21% |
| Response Time Black / White * (ms) | 29.6 ? | 35.2 ? -19% | 25 ? 16% | 12 ? 59% | 32 ? -8% | 31.2 ? -5% |
| PWM Frequency (Hz) | 178 ? | 250 ? | ||||
| Bildschirm | 23% | 35% | -22% | 67% | 58% | |
| Helligkeit Bildmitte (cd/m²) | 252.8 | 320.8 27% | 250 -1% | 225 -11% | 299 18% | 271 7% |
| Brightness (cd/m²) | 237 | 309 30% | 228 -4% | 213 -10% | 280 18% | 256 8% |
| Brightness Distribution (%) | 89 | 87 -2% | 83 -7% | 88 -1% | 89 0% | 90 1% |
| Schwarzwert * (cd/m²) | 0.86 | 0.27 69% | 0.205 76% | 0.535 38% | 0.21 76% | 0.15 83% |
| Kontrast (:1) | 294 | 1188 304% | 1220 315% | 421 43% | 1424 384% | 1807 515% |
| Delta E Colorchecker * | 4.83 | 7.68 -59% | 5.65 -17% | 10.37 -115% | 4.76 1% | 4.7 3% |
| Colorchecker dE 2000 max. * | 16.38 | 21.97 -34% | 13.7 16% | 19.75 -21% | 9 45% | 20.4 -25% |
| Colorchecker dE 2000 calibrated * | 3.78 | 4.65 -23% | 3.89 -3% | 4.6 -22% | ||
| Delta E Graustufen * | 4.6 | 7.3 -59% | 6.32 -37% | 12.09 -163% | 3.53 23% | 1.6 65% |
| Gamma | 2.34 94% | 2.12 104% | 2.45 90% | 2.72 81% | 2.3 96% | 2.17 101% |
| CCT | 6841 95% | 6213 105% | 7287 89% | 13335 49% | 7228 90% | 6649 98% |
| Farbraum (Prozent von AdobeRGB 1998) (%) | 36.9 | 37.8 2% | 38 3% | 37 0% | 56 52% | 38.5 4% |
| Color Space (Percent of sRGB) (%) | 58.1 | 58.3 0% | 59 2% | 59 2% | 86 48% | 60.6 4% |
| Durchschnitt gesamt (Programm / Settings) | 1% /
14% | 15% /
25% | 2% /
-12% | 36% /
54% | 17% /
40% |
* ... kleinere Werte sind besser
Durch unsere Kalibrierung konnten wir das Graustufen-DeltaE von 4,6 auf 0,9 senken und die Darstellung bedeutend verbessern. Andererseits ändert sich die Farbgenauigkeit aufgrund der eingeschränkten Farbraumabdeckung des Panels nur unwesentlich. Blau wird im Vergleich zu anderen Primär- und Sekundärfarben besonders ungenau wiedergegeben.
Reaktionszeiten (Response Times) des Displays
| ↔ Reaktionszeiten Schwarz zu Weiß | ||
|---|---|---|
| 29.6 ms ... steigend ↗ und fallend ↘ kombiniert | ↗ 18 ms steigend | |
| ↘ 11.6 ms fallend | ||
| Die gemessenen Reaktionszeiten sind mittelmäßig und dadurch für Spieler eventuell zu langsam. Im Vergleich rangierten die bei uns getesteten Geräte von 0.1 (Minimum) zu 240 (Maximum) ms. » 79 % aller Screens waren schneller als der getestete. Daher sind die gemessenen Reaktionszeiten schlechter als der Durchschnitt aller vermessenen Geräte (19.9 ms). | ||
| ↔ Reaktionszeiten 50% Grau zu 80% Grau | ||
| 36 ms ... steigend ↗ und fallend ↘ kombiniert | ↗ 20 ms steigend | |
| ↘ 16 ms fallend | ||
| Die gemessenen Reaktionszeiten sind langsam und dadurch für viele Spieler wahrscheinlich zu langsam. Im Vergleich rangierten die bei uns getesteten Geräte von 0.165 (Minimum) zu 636 (Maximum) ms. » 50 % aller Screens waren schneller als der getestete. Daher sind die gemessenen Reaktionszeiten schlechter als der Durchschnitt aller vermessenen Geräte (31.1 ms). | ||
Bildschirm-Flackern / PWM (Pulse-Width Modulation)
| Flackern / PWM nicht festgestellt | |||
Im Vergleich: 52 % aller getesteten Geräte nutzten kein PWM um die Helligkeit zu reduzieren. Wenn PWM eingesetzt wurde, dann bei einer Frequenz von durchschnittlich 7834 (Minimum 5, Maximum 343500) Hz. | |||
Die Lesbarkeit im Freien ist zwar schlecht, allerdings ist das bei der vorliegenden Gerätekategorie keine Überraschung. Erschwerend hinzu kommen das schwache Kontrastverhältnis und die geringere Maximalhelligkeit des Displays, die ohne Stromanschluss statt 252 cd/m² nur noch 216 cd/m² beträgt. Um das automatische Reduzieren der Helligkeit zu unterbinden, muss die AMD-Adrenalin-Software manuell installiert werden.
Leistung
Prozessor
Die CPU-Leistung ist der von Intels Core i3-8130U, der aus der letzten Prozessorgeneration Kaby Lake stammt, bzw. der Whiskey-Lake-U-CPU Core i3-8145U sehr ähnlich. Der Core i3-1005G1 aus Intels aktueller, 10. Generation, den man beispielsweise im Dell XPS 13 vorfindet, erreicht eine um 20 bis 30 Prozent höhere Prozessorleistung. Asus bietet außerdem VivoBook-Konfigurationen mit dem Core i7-8565U an, die eine um ca. 50 Prozent höhere Multi-Thread-Leistung bietet als unsere günstige Ryzen-3-Konfiguration.
In unserer Cinebench-R15-Multi-Thread-Schleife zeigt sich unser Testgerät als relativ leistungsstabil. Weitere technische Informationen und Benchmarkvergleiche können Sie unserer Seite zum Ryzen 3 3200U entnehmen. Der AMD Ryzen 3 4300U wird den Ryzen 3 3200U in den kommenden Monaten ablösen.
| Cinebench R11.5 | |
| CPU Single 64Bit | |
| Dell XPS 13 7390 2-in-1 Core i3 | |
| Dell Inspiron 15 5000 5585 | |
| Chuwi LapBook Plus | |
| CPU Multi 64Bit | |
| Dell Inspiron 15 5000 5585 | |
| Dell XPS 13 7390 2-in-1 Core i3 | |
| Chuwi LapBook Plus | |
| wPrime 2.10 - 1024m | |
| Chuwi LapBook Plus | |
| HP ProBook x360 11 G4 | |
| Intel NUC5i3RYK | |
| Durchschnittliche AMD Ryzen 3 3200U (n=1) | |
| Dell XPS 13 7390 2-in-1 Core i3 | |
* ... kleinere Werte sind besser
System Performance
Im Vergleich zu konkurrierenden Core-i3-Alternativen entsprechen die Resultate unserer PCMark-Benchmarks unseren Erwartungen und verglichen mit Laptops, die auf Intels Atom-Prozessoren basieren, wie das Chuwi LapBook, ist die Systemleistung hier viel höher.
| PCMark 8 Home Score Accelerated v2 | 2742 Punkte | |
| PCMark 8 Work Score Accelerated v2 | 4239 Punkte | |
| PCMark 10 Score | 3028 Punkte | |
Hilfe | ||
DPC-Latenzen
| DPC Latencies / LatencyMon - interrupt to process latency (max), Web, Youtube, Prime95 | |
| Asus Vivobook 15 F512DA-SH31 | |
* ... kleinere Werte sind besser
Massenspeicher
Unser Testgerät wurde mit der günstigen, 128 GB großen SanDisk-M.2-SSD SD9SN8W128G ausgestattet, um den Preis niedrig zu halten. Mit nur 341 MB/s bzw. 134 MB/s fallen die von AS SSD ermittelten, sequenziellen Lese- und Schreibraten niedriger aus als bei den meisten anderen SATA-III-SSDs. In CrystalDiskMark sind die Geschwindigkeiten zwar etwas höher, jedoch immer noch vergleichsweise niedrig.
| Asus Vivobook 15 F512DA-SH31 SanDisk X600 SD9SN8W-128G | Lenovo Ideapad S340-15IIL Intel SSD 660p SSDPEKNW512G8 | Acer Aspire 5 A515-43-R6WW Intel SSD 660p 1TB SSDPEKNW010T8 | Dell Inspiron 15 3585 (2300U, Vega 6) Toshiba BG3 KBG30ZMS256G | Asus ZenBook 15 UX534FTC-A8190T Samsung SSD PM981 MZVLB1T0HALR | Huawei MateBook D 15-53010TUY Samsung SSD PM981 MZVLB256HAHQ | |
|---|---|---|---|---|---|---|
| AS SSD | 444% | 357% | 153% | 773% | 530% | |
| Seq Read (MB/s) | 341.4 | 1447 324% | 1358 298% | 1291 278% | 2643 674% | 2613 665% |
| Seq Write (MB/s) | 134.2 | 926 590% | 1300 869% | 688 413% | 1533 1042% | 1549 1054% |
| 4K Read (MB/s) | 27.83 | 40.06 44% | 44.88 61% | 21.87 -21% | 49.12 77% | 47.15 69% |
| 4K Write (MB/s) | 54.9 | 97.9 78% | 77.5 41% | 35.62 -35% | 134.7 145% | 111.6 103% |
| 4K-64 Read (MB/s) | 217.1 | 323.7 49% | 586 170% | 632 191% | 1028 374% | 748 245% |
| 4K-64 Write (MB/s) | 68.1 | 791 1062% | 738 984% | 221.2 225% | 1353 1887% | 1275 1772% |
| Access Time Read * (ms) | 0.153 | 0.06 61% | 0.33 -116% | 0.033 78% | 0.062 59% | |
| Access Time Write * (ms) | 1.075 | 0.144 87% | 0.057 95% | 0.234 78% | 0.028 97% | 0.042 96% |
| Score Read (Points) | 279 | 508 82% | 767 175% | 783 181% | 1342 381% | 1057 279% |
| Score Write (Points) | 136 | 982 622% | 945 595% | 326 140% | 1641 1107% | 1542 1034% |
| Score Total (Points) | 559 | 1738 211% | 2115 278% | 1489 166% | 3622 548% | 3097 454% |
| Copy ISO MB/s (MB/s) | 115.9 | 943 714% | 432.6 273% | 2226 1821% | ||
| Copy Program MB/s (MB/s) | 44.51 | 612 1275% | 95.6 115% | 506 1037% | ||
| Copy Game MB/s (MB/s) | 74.3 | 826 1012% | 263.4 255% | 1230 1555% | ||
| CrystalDiskMark 5.2 / 6 | 198% | 204% | 96% | 395% | 314% | |
| Write 4K (MB/s) | 65.2 | 130.8 101% | 114.9 76% | 87.3 34% | 138.1 112% | 134.8 107% |
| Read 4K (MB/s) | 31.22 | 54.8 76% | 52.7 69% | 23.54 -25% | 45.89 47% | 41.68 34% |
| Write Seq (MB/s) | 284.8 | 978 243% | 1361 378% | 824 189% | 2147 654% | 1651 480% |
| Read Seq (MB/s) | 497.5 | 1627 227% | 1385 178% | 715 44% | 2188 340% | 2300 362% |
| Write 4K Q32T1 (MB/s) | 164 | 450.1 174% | 181.1 10% | 147.8 -10% | 427.8 161% | 260 59% |
| Read 4K Q32T1 (MB/s) | 230.2 | 345.9 50% | 340.5 48% | 256.1 11% | 404 75% | 335.1 46% |
| Write Seq Q32T1 (MB/s) | 221.7 | 982 343% | 1519 585% | 733 231% | 2396 981% | 1641 640% |
| Read Seq Q32T1 (MB/s) | 389.7 | 1842 373% | 1515 289% | 1525 291% | 3454 786% | 3452 786% |
| Durchschnitt gesamt (Programm / Settings) | 321% /
354% | 281% /
289% | 125% /
132% | 584% /
635% | 422% /
439% |
* ... kleinere Werte sind besser
Grafikkarte
Die verbaute Radeon RX Vega 3 liefert sich mit der konkurrierenden Intel UHD Graphics 620 ein Kopf-an-Kopf-Rennen und ist dadurch für die meisten 3D-Spiele ungeeignet. Für weniger anspruchsvolle Spiele wie DOTA 2 oder Rocket League sollte man sich stattdessen Laptops mit der RX Vega 10, einem Ice-Lake-Core-i7 oder einer GeForce-MX150/MX250-Grafikkarte ansehen.
Weitere Benchmarkvergleiche finden Sie auf unserer Seite zur RX Vega 3.
| 3DMark 11 Performance | 1794 Punkte | |
| 3DMark Ice Storm Standard Score | 61617 Punkte | |
| 3DMark Cloud Gate Standard Score | 5975 Punkte | |
| 3DMark Fire Strike Score | 943 Punkte | |
| 3DMark Time Spy Score | 340 Punkte | |
Hilfe | ||
| Dota 2 Reborn | |
| 1280x720 min (0/3) fastest | |
| Acer Aspire 5 A515-54G | |
| Lenovo ThinkBook 15 | |
| Dell XPS 13 9300 i5 FHD | |
| Asus VivoBook S15 S510UA | |
| Lenovo ThinkPad X1 Yoga 20SA000GUS | |
| Intel NUC5i3RYK | |
| Huawei MateBook D 15-53010TUY | |
| HP Pavilion 15-cw1212ng | |
| Asus Vivobook 15 F512DA-SH31 | |
| 1366x768 med (1/3) | |
| Acer Aspire 5 A515-54G | |
| Huawei MateBook D 15-53010TUY | |
| Asus VivoBook S15 S510UA | |
| Lenovo ThinkBook 15 | |
| Lenovo ThinkPad X1 Yoga 20SA000GUS | |
| Dell XPS 13 9300 i5 FHD | |
| HP Pavilion 15-cw1212ng | |
| Asus Vivobook 15 F512DA-SH31 | |
| Intel NUC5i3RYK | |
| min. | mittel | hoch | max. | |
|---|---|---|---|---|
| Dota 2 Reborn (2015) | 60.8 | 38.8 | 18.2 | 16.9 |
| X-Plane 11.11 (2018) | 18.3 | 12.3 | 11.1 |
Emissionen
Geräuschemissionen
Die Lautstärke der Lüfter des Laptops ist kaum der Rede wert. Beim Tippen, Surfen oder Bearbeiten von Texten kann man mit einer leisen Geräuschkulisse von bis zu 31 dB(A) rechnen. Maximal konnten wir kurzzeitig unter extrem hoher Last einen Spitzenwert von 34 dB(A) messen.
Unter Spulenfiepen oder ähnlichem leidet unser Testgerät ebenfalls nicht.
| Asus Vivobook 15 F512DA-SH31 Vega 3, R3 3200U, SanDisk X600 SD9SN8W-128G | Lenovo Ideapad S340-15IIL Iris Plus Graphics G7 (Ice Lake 64 EU), i7-1065G7, Intel SSD 660p SSDPEKNW512G8 | Acer Aspire 5 A515-43-R6WW Vega 8, R5 3500U, Intel SSD 660p 1TB SSDPEKNW010T8 | Dell Inspiron 15 3585 (2300U, Vega 6) Vega 6, R3 2300U, Toshiba BG3 KBG30ZMS256G | Asus ZenBook 15 UX534FTC-A8190T GeForce GTX 1650 Max-Q, i7-10510U, Samsung SSD PM981 MZVLB1T0HALR | Huawei MateBook D 15-53010TUY Vega 8, R5 3500U, Samsung SSD PM981 MZVLB256HAHQ | |
|---|---|---|---|---|---|---|
| Geräuschentwicklung | 1% | -7% | -10% | -6% | -1% | |
| aus / Umgebung * (dB) | 29.2 | 28.5 2% | 30.2 -3% | 30.6 -5% | 30.3 -4% | 29.6 -1% |
| Idle min * (dB) | 29.2 | 28.5 2% | 30.2 -3% | 30.6 -5% | 30.3 -4% | 29.6 -1% |
| Idle avg * (dB) | 29.2 | 28.5 2% | 30.2 -3% | 30.6 -5% | 30.3 -4% | 29.6 -1% |
| Idle max * (dB) | 29.2 | 28.5 2% | 30.2 -3% | 30.6 -5% | 30.9 -6% | 29.6 -1% |
| Last avg * (dB) | 30.5 | 30.3 1% | 34.8 -14% | 36.7 -20% | 31.3 -3% | 30.6 -0% |
| Last max * (dB) | 34 | 35.5 -4% | 39.5 -16% | 41.1 -21% | 38.2 -12% | 33.8 1% |
| Witcher 3 ultra * (dB) | 38.1 |
* ... kleinere Werte sind besser
Lautstärkediagramm
| Idle |
| 29.2 / 29.2 / 29.2 dB(A) |
| Last |
| 30.5 / 34 dB(A) |
![]() | ||
30 dB leise 40 dB(A) deutlich hörbar 50 dB(A) störend |
||
min: | ||
Temperatur
Die Oberflächentemperaturen des VivoBook F512/X512 sind in der rechten Gehäusehälfte stets wärmer als auf der linken, was auf die Position von Prozessor und Kühlsystem zurückzuführen ist. Unter extrem hoher Last pendelt sich die Temperatur der wärmste Stelle auf der Tastatur bei ca. 33 °C ein, während die Unterseite maximal 42 °C erreicht. Unabhängig von der Systemlast und ungeachtet der Temperaturdifferenz der linken und rechten Seite wird der Laptop nie unangenehm heiß.
(+) Die maximale Temperatur auf der Oberseite ist 33 °C. Im Vergleich liegt der Klassendurchschnitt bei 36.8 °C (von 21 bis 71 °C für die Klasse Multimedia).
(±) Auf der Unterseite messen wir eine maximalen Wert von 41.4 °C (im Vergleich zum Durchschnitt von 39.1 °C).
(+) Ohne Last messen wir eine durchschnittliche Temperatur von 25.8 °C auf der Oberseite. Der Klassendurchschnitt erreicht 31.3 °C.
(+) Die Handballen und der Touchpad-Bereich sind mit gemessenen 24.2 °C kühler als die typische Hauttemperatur und fühlen sich dadurch kühl an.
(+) Die durchschnittliche Handballen-Temperatur anderer getesteter Geräte war 28.7 °C (+4.5 °C).
Stresstest
Um es auf potenzielles Drosseln und mögliche Stabilitätsprobleme zu prüfen, setzen wir das System künstlichen Lasten aus. Beim Ausführen von Prime95 liegt die CPU-Taktfrequenz in den ersten Sekunden im 3,3-3,5-GHz-Bereich. Anschließend stabilisieren sich Taktfrequenz und Temperatur bei 2,5 GHz bzw. 86 °C mit einem gelegentlichen Sprung auf 3,1 GHz. Werden CPU und GPU gleichzeitig ausgelastet, so fällt die Taktfrequenz auf 2 GHz.
Im Akkumodus ist die Leistung eingeschränkt. Ein 3DMark-11-Durchlauf liefert im Netzbetrieb Physik- und Grafikpunktzahlen von 3.653 bzw. 1.678 Punkten, während im Akkumodus 1.866 bzw. 1.596 Punkte erreicht werden.
| CPU Clock (GHz) | GPU Clock (MHz) | Average CPU Temperature (°C) | |
| System Idle | -- | -- | 40 |
| Prime95 Stress | 2.5 - 3.1 | -- | 86 |
| Prime95 + FurMark Stress | 2.0 | 413 | 61 |
Lautsprecher
Die Lautsprecher sind nichts Besonderes, was in Anbetracht des Preises auch in Ordnung ist. Höhere Lautstärkestufen verursachen zwar kein Rauschen, allerdings vibrieren die vorderen Handballenauflagen dann etwas. Für große Konferenzräume ist die Maximallautstärke nicht ausreichend.


Asus Vivobook 15 F512DA-SH31 Audio Analyse
(±) | Mittelmäßig laut spielende Lautsprecher (78.6 dB)
Bass 100 - 315 Hz
(±) | abgesenkter Bass - 13.6% geringer als der Median
(±) | durchschnittlich lineare Bass-Wiedergabe (13.9% Delta zum Vorgänger)
Mitteltöne 400 - 2000 Hz
(+) | ausgeglichene Mitten, vom Median nur 3.7% abweichend
(+) | lineare Mitten (5% Delta zum Vorgänger)
Hochtöne 2 - 16 kHz
(+) | ausgeglichene Hochtöne, vom Median nur 3% abweichend
(+) | sehr lineare Hochtöne (6.2% Delta zum Vorgänger)
Gesamt im hörbaren Bereich 100 - 16.000 Hz
(±) | hörbarer Bereich ist durchschnittlich linear (18.9% Abstand zum Median)
Im Vergleich zu allen Geräten derselben Klasse
» 59% aller getesteten Geräte dieser Klasse waren besser, 7% vergleichbar, 33% schlechter
» Das beste Gerät hat einen Delta-Wert von 5%, durchschnittlich ist 17%, das schlechteste Gerät hat 45%
Im Vergleich zu allen Geräten im Test
» 44% aller getesteten Geräte waren besser, 8% vergleichbar, 48% schlechter
» Das beste Gerät hat einen Delta-Wert von 4%, durchschnittlich ist 24%, das schlechteste Gerät hat 134%
Apple MacBook 12 (Early 2016) 1.1 GHz Audio Analyse
(+) | Die Lautsprecher können relativ laut spielen (83.6 dB)
Bass 100 - 315 Hz
(±) | abgesenkter Bass - 11.3% geringer als der Median
(±) | durchschnittlich lineare Bass-Wiedergabe (14.2% Delta zum Vorgänger)
Mitteltöne 400 - 2000 Hz
(+) | ausgeglichene Mitten, vom Median nur 2.4% abweichend
(+) | lineare Mitten (5.5% Delta zum Vorgänger)
Hochtöne 2 - 16 kHz
(+) | ausgeglichene Hochtöne, vom Median nur 2% abweichend
(+) | sehr lineare Hochtöne (4.5% Delta zum Vorgänger)
Gesamt im hörbaren Bereich 100 - 16.000 Hz
(+) | hörbarer Bereich ist sehr linear (10.2% Abstand zum Median
Im Vergleich zu allen Geräten derselben Klasse
» 7% aller getesteten Geräte dieser Klasse waren besser, 2% vergleichbar, 91% schlechter
» Das beste Gerät hat einen Delta-Wert von 5%, durchschnittlich ist 18%, das schlechteste Gerät hat 53%
Im Vergleich zu allen Geräten im Test
» 5% aller getesteten Geräte waren besser, 1% vergleichbar, 94% schlechter
» Das beste Gerät hat einen Delta-Wert von 4%, durchschnittlich ist 24%, das schlechteste Gerät hat 134%
Energieverwaltung
Energieaufnahme
Im Leerlauf auf dem Desktop werden je nach Leistungsprofil und Helligkeitsstufe zwischen 3 und 8 W verbraucht. Während der Ausführung von 3DMark 06 liegt der Verbraucht bei nur 30 W und ist damit mit dem des Acer Aspire A515, das mit dem leistungsfähigeren Ryzen 5 3500U ausgestattet ist, vergleichbar.
Wir konnten an dem kleinen (~5,3 x 5,3 x 2,8 cm) 45-W-Netzteil einen Spitzenverbrauch von 44,4 W messen. Wie unsere Diagramme unten zeigen, fällt der Verbrauch im Laufe der Zeit durch Drosseln bedingt ab.
| Aus / Standby | |
| Idle | |
| Last |
|
Legende:
min: | |
| Asus Vivobook 15 F512DA-SH31 R3 3200U, Vega 3, SanDisk X600 SD9SN8W-128G, IPS, 1920x1080, 15.6" | Lenovo Ideapad S340-15IIL i7-1065G7, Iris Plus Graphics G7 (Ice Lake 64 EU), Intel SSD 660p SSDPEKNW512G8, IPS, 1920x1080, 15.6" | Acer Aspire 5 A515-43-R6WW R5 3500U, Vega 8, Intel SSD 660p 1TB SSDPEKNW010T8, IPS, 1920x1080, 15.6" | Dell Inspiron 15 3585 (2300U, Vega 6) R3 2300U, Vega 6, Toshiba BG3 KBG30ZMS256G, TN, 1920x1080, 15.6" | Asus ZenBook 15 UX534FTC-A8190T i7-10510U, GeForce GTX 1650 Max-Q, Samsung SSD PM981 MZVLB1T0HALR, IPS, 1920x1080, 15.6" | Huawei MateBook D 15-53010TUY R5 3500U, Vega 8, Samsung SSD PM981 MZVLB256HAHQ, IPS, 1920x1080, 15.6" | |
|---|---|---|---|---|---|---|
| Stromverbrauch | -19% | -3% | -37% | -65% | -33% | |
| Idle min * (Watt) | 3.2 | 3.8 -19% | 3.7 -16% | 6.3 -97% | 2.8 13% | 5.2 -63% |
| Idle avg * (Watt) | 6.8 | 6.9 -1% | 6.2 9% | 9.2 -35% | 7.7 -13% | 8.8 -29% |
| Idle max * (Watt) | 7.7 | 7.7 -0% | 8.4 -9% | 9.6 -25% | 9.4 -22% | 10.2 -32% |
| Last avg * (Watt) | 30.3 | 43.3 -43% | 31.1 -3% | 38 -25% | 57 -88% | 37.5 -24% |
| Witcher 3 ultra * (Watt) | 28.2 | 40.4 -43% | 62 -120% | |||
| Last max * (Watt) | 44.4 | 47.5 -7% | 43.1 3% | 46 -4% | 116 -161% | 50.9 -15% |
* ... kleinere Werte sind besser
Akkulaufzeit
Kleine, interne Akkus sind innerhalb der Budget-Laptop-Klasse üblich, während höherwertige Laptops wie das XPS 15 Akkukapazitäten von mehr als 90 Wh bieten können. Mit knapp 6 Stunden praxisnaher WLAN-Nutzung kann sich die Akkulaufzeit unseres Asus-Testgeräts dennoch sehen lassen.
Den leeren Akku voll aufzuladen dauert ungefähr 1,5 Stunden. Den Laptop über USB-C zu laden ist nicht möglich.
| Asus Vivobook 15 F512DA-SH31 R3 3200U, Vega 3, 37 Wh | Lenovo Ideapad S340-15IIL i7-1065G7, Iris Plus Graphics G7 (Ice Lake 64 EU), 36 Wh | Acer Aspire 5 A515-43-R6WW R5 3500U, Vega 8, 48 Wh | Dell Inspiron 15 3585 (2300U, Vega 6) R3 2300U, Vega 6, 42 Wh | Asus ZenBook 15 UX534FTC-A8190T i7-10510U, GeForce GTX 1650 Max-Q, 71 Wh | Huawei MateBook D 15-53010TUY R5 3500U, Vega 8, 42 Wh | |
|---|---|---|---|---|---|---|
| Akkulaufzeit | -28% | 30% | -12% | 107% | 30% | |
| WLAN (h) | 6 | 4.3 -28% | 7.8 30% | 5.3 -12% | 12.4 107% | 7.8 30% |
| Idle (h) | 10 | 17.7 | 7.3 | 27.2 | ||
| Last (h) | 1.1 | 2.2 | 1.8 | 2.4 | 1.3 |
Pro
Contra
Fazit
Unsere Ryzen-3-Konfiguration kostet weniger als das Intel-Core-i3-Modell, bietet jedoch fast die gleiche Leistung. Daran sieht man gut, dass AMDs Intels Preis-Leistungs-Verhältnis auch im Budget-Bereich überlegen ist. Zu den Nachteilen zählt, dass man durch die verbauten 4 GB RAM und den geringen Speicherplatz etwas eingeschränkt ist, allerdings lässt sich dieses VivoBook erstaunlich einfach warten und aufrüsten, wodurch es ein guter Einsteiger-Laptop mit viel Potenzial ist.
Für 200 US-Dollar (~184 Euro) mehr bekommt man bereits das AMD-basierte Huawei MateBook D 15, das vor allem für Vielreisende interessant ist. Im Freien fällt die geringe Displayhelligkeit des VivoBooks negativ auf und macht den Einsatz in vielen Situationen schwierig. Dagegen ist das Basismodell des VivoBooks für diejenigen, die ihre Büroaufgaben und ihr Videostreaming auf Innenräume beschränken, durchaus geeignet. Da wir bei unserem Testgerät auf WLAN-Probleme gestoßen sind, empfehlen wir, die Leistung der Drahtlosverbindung eigenständig zu prüfen.
Asus Vivobook 15 F512DA-SH31
- 20.04.2020 v7 (old)
Allen Ngo



























































































