Test MSI Alpha 15 Gaming Laptop: Ryzen 7 5800H und Radeon RX 6600M versprechen 1080p-Gaming für den Mainstream

Auf der Computex 2021 hat AMD die mobile GPU-Reihe Radeon RX 6000M und im gleichen Zug das AMD-Advantage-Designmodell vorgestellt. Das AMD-Advantage-Programm beinhaltet Laptops mit Ryzen-5000-APUs, Radeon-RX-6000M-Grafik, Smart Access Memory, SmartShift und FreeSync-Premium-Displays. Das Programm verspricht, dass die Laptops bestimmte Mindestanforderungen wie 1080p-Gaming mit 100 Fps, 144-Hz-Displays mit 300 cd/m² oder mehr, NVMe-Speicher und mindestens 10 Stunden Akkulaufzeit bei der Videowiedergabe erfüllen müssen.
Trotz des hohen Potenzials haben wir bisher nur eine Handvoll RX-6000M-/AMD-Advantage-Laptops gesehen. Dazu gehören das Asus ROG Strix G15 und ROG Strix G17, HP Omen 16, MSI Delta 15 und MSIs Alpha-15- and Alpha-17-Reihen. Das MSI Alpha 15 ist unser heutiges Testgerät.
Unser MSI Alpha 15 basiert auf dem AMD Ryzen 7 5800H mit Radeon RX Vega 8 und der dedizierten Radeon RX 6600M. Außerdem verfügt es über 16 GB DRR4-3200-RAM, eine 1-TB-PCIe-NVMe-SSD und einen 90-Wh-Akku. Eine ähnliche Konfiguration mit einer 512-GB-SSD ist derzeit für ca. 1.300 bei verschiedenen Online-Händlern verfügbar.
Das MSI Alpha 15 richtet sich hauptsächlich an Spieler, die 1080p und 100 Fps anvisieren. Im folgenden Artikel testen wir das MSI Alpha 15 auf Herz und Nieren, vergleichen die Leistung mit der der Intel-/Nvidia-Konkurrenz und sehen uns an, ob eine reine AMD-Konfiguration tatsächlich Vorteile mit sich bringt.
Mögliche Konkurrenten im Vergleich
Bew. | Datum | Modell | Gewicht | Dicke | Größe | Auflösung | Preis ab |
|---|---|---|---|---|---|---|---|
| 82.6 % v7 (old) | 01 / 2022 | MSI Alpha 15 B5EEK-008 R7 5800H, Radeon RX 6600M | 2.4 kg | 23.95 mm | 15.60" | 1920x1080 | |
| 79.2 % v7 (old) | 09 / 2021 | MSI Katana GF66 11UG-220 i7-11800H, GeForce RTX 3070 Laptop GPU | 2.3 kg | 25 mm | 15.60" | 1920x1080 | |
| 82.9 % v7 (old) | 10 / 2021 | MSI Delta 15 A5EFK R9 5900HX, Radeon RX 6700M | 2 kg | 19 mm | 15.60" | 1920x1080 | |
| 84.4 % v7 (old) | 11 / 2021 | Schenker XMG Apex 15 NH57E PS R7 5800H, GeForce RTX 3060 Laptop GPU | 2.1 kg | 29 mm | 15.60" | 1920x1080 | |
| 84.7 % v7 (old) | 07 / 2021 | Asus ROG Strix G15 G513QY R9 5900HX, Radeon RX 6800M | 2.4 kg | 27.9 mm | 15.60" | 1920x1080 | |
| 87.9 % v7 (old) | 11 / 2021 | Lenovo Legion S7 15ACH6 82K80030GE R9 5900HX, GeForce RTX 3060 Laptop GPU | 2 kg | 18.9 mm | 15.60" | 3840x2160 | |
| 85.4 % v7 (old) | 12 / 2021 | MSI GP66 Leopard 11UH-028 i7-11800H, GeForce RTX 3080 Laptop GPU | 2.3 kg | 23.4 mm | 15.60" | 1920x1080 | |
| 85.9 % v7 (old) | 06 / 2021 | Asus TUF Gaming F15 FX506HM i7-11800H, GeForce RTX 3060 Laptop GPU | 2.3 kg | 24.9 mm | 15.60" | 1920x1080 | |
| 82.8 % v7 (old) | 06 / 2021 | Asus TUF Gaming F17 FX706HM i9-11900H, GeForce RTX 3060 Laptop GPU | 2.7 kg | 26 mm | 17.30" | 1920x1080 | |
| 85.6 % v7 (old) | 07 / 2021 | Gigabyte Aero 15 OLED XD i7-11800H, GeForce RTX 3070 Laptop GPU | 2.2 kg | 20 mm | 15.60" | 3840x2160 |
Gehäuse: Plastik ist nicht unbedingt fantastisch
Vom Gehäuse her erinnert das Alpha 15 an das Katana GF66 11UG, es gibt also noch Luft nach oben. Bis auf die Deckelrückseite aus Aluminium besteht das gesamte Gehäuse aus Kunststoff. Die Optik ist mit der des Vorgängers, dem MSI Alpha 15 A3DDK, nahezu identisch. Die Idee dahinter ist offensichtlich: An der Konstruktion wird so viel gespart wie möglich, um die Leistungsfähigkeit der Komponenten zu maximieren.
Dank der Aluminiumverstärkung gibt der Deckel nur nach, wenn man ihn absichtlich verwindet. Der Laptop kann einhändig geöffnet werden, die Basiseinheit rutscht dabei jedoch ein Stück nach hinten. Die Scharniere wirken robust und der maximale Öffnungswinkel des Deckels liegt bei üppigen 180°. Beim Anpassen des Öffnungswinkels wippt das Display leicht hin und her. Unter Druck gibt die Tastaturfläche leicht nach.
Die Bodenplatte besteht ebenfalls aus Kunststoff, wirkt aber nochmals etwas schwächer als das übrige Chassis. Davon abgesehen ist der Abstand zu den Hauptkomponenten ausreichend groß und es verfügt über genügend Belüftungsschlitze. Das Gewicht ist mit 2,35 kg relativ hoch, vor allem wenn man bedenkt, dass das Delta 15 aus eigenem Hause nur ungefähr 1,96 kg wiegt.
Insgesamt macht die Konstuktion des MSI Alpha 15 B5EEK einen größtenteils stabilen Eindruck. Als besonders edel lässt es sich jedoch nicht bezeichnen.
Ausstattung: Die wichtigsten Anschlüsse sind vorhanden
Das MSI Alpha 15 ist nicht gerade von Anschlüssen übersät, deckt aber das Wichtigste ab. Links befindet sich zwei USB-A-Anschlüsse, von denen einer USB 3.2 Gen. 1 und der andere USB 2.0 untersützt. Auf der rechten Seite findet man einen USB-C-Anschluss (3.2 Gen. 1) mit DisplayPort-Ausgang, einen weiteren USB-A-Anschluss (3.2 Gen. 1), einen HDMI-2.0b-Anschluss mit 4K60-Unterstützung und einen kombinierten 3,5-mm-Audioanschluss. Außerdem ist ein RJ-45-Gigabit-LAN-Port an Bord.
Das simultane Anschließen von USB-Geräten an benchabarten Anschlüssen ist zwar prinzipiell kein Problem, allerdings können kabelgebundene Mausbewegungen durch die zentrale Position der USB-Anschlüsse möglicherweise behindert werden. Da es sich um eine AMD-basierte Plattform handelt, wird Thunderbolt 4 nicht unterstützt. Leider fehlen jedoch auch ein Kensington Lock und ein Kartenleser.
Kommunikation
Das Alpha 15 ist mit dem WLAN-6-Modul Intel AX200 ausgestattet und unterstützt dadurch auch Bluetooth 5.1. Während unserem standardisierten Test in einer Entfernung von 1 m von unserem Referenzrouter Netgear Nighthawk AX12 RAX120 konnten wir hohe Sende- und Empfangsgeschwindigkeiten von fast 1,5 Gbit/s beobachten.
In Bezug auf den Durchsatz und die Stabilität scheint das WLAN des Alpha 15 gegenüber dem des Delta 15 einen Vorsprung zu haben, da es nur ein einziges Mal (im 14. Durchlauf des Sendetests) zu nennenswertem drosseln kam. Daher sollten größeren Datentransfers oder das Spielen über WLAN keine großes Hindernis darstellen.
Webcam
Die Webcam ist 720p-Standardkost mit hohen Farbabweichungen und mangelhafter Schärfe auch in guten Lichtverhältnissen. Im Dunkeln werden die Bilder extrem körnig.
Eine IR-Kamera oder eine physische Webcam-Abdeckung gibt es zwar nicht, sie kann jedoch über die F6-Taste aktiviert oder deaktiviert werden.

Sicherheit
Der Laptop verfügt über keine zusätzlichen Sicherheitsfunktionen. Insbesondere gibt es keine Möglichkeit zur biometrischen Authentifizierung. Ein dediziertes TPM-2.0-Modul ermöglicht jedoch ein unkompliziertes Upgrade auf Windows 11.
Zubehör
Bis auf den üblichen Papierkram und das 180-W-Netzteil befinden sich keine Extras im Lieferumfang.
Wartung
Nach dem Lösen von 13 PH0-Schrauben auf der Unterseite kann die Bodenplatte des Laptops entfernt werden, um an die verschiedenen Komponenten zu gelangen. Achtung: Eine der Schrauben befindet sich unter einem Garantiesiegel.
Das WLAN-Modul, die M.2-SSD und der RAM können gewechselt werden. Außerdem kann der Speicher mithilfe des zusätzlichen M.2-SSD-Steckplatzes erweitert werden. Bei Bedarf lässt sich auch der Akku austauschen.
Garantie
MSI bietet Käufern des Alpha 15 standardmäßig ein Jahr Garantie, bei manchen Händlern bekommt man möglicherweise sogar zwei Jahre Garantie. Laut MSIs offiziellen Dokumenten ist die Garantie generell auf das Land, in dem der Laptop gekauft wurde, beschränkt, sofern man eine Versicherung für globales Reisen nicht separat beantragt hat.
Eingabegeräte: Gute Tastatur, zu kleines Touchpad
Tastatur
Die Tastatur des Alpha 15 hat Stärken und Schwächen. Zum einen bieten die ausreichend großen Tasten ein gutes Tippgefühl mit ordentlichem Tastenwiderstand. Über die normalgroßen Pfeiltasten wird sich vermutlich so manch einer freuen, sie gehen jedoch auf Kosten der Größe der rechten Umschalttaste.
Die Funktionstasten in der obersten Reihe sind schmaler als die restlichen Tasten. Der Ziffernblock ist für unseren Geschmack etwas zu kompakt gehalten, bis auf die gewöhnungsbedürftige Position der Fn-Taste sollte sich das jedoch im Wesentlichen nicht negativ auf die Bedienung auswirken.
MSI hat der Tastatur eine RGB-Beleuchtung spendiert, deren Profil über die F8-Taste gewechselt oder über die MSI-Center-Software angepasst werden kann. Auf individuelle RGB-Tastenbeleuchtung oder mehrere RGB-Zonen muss man hingegen verzichten. Die RGB-Beleuchtung funktioniert einwandfrei und die Effekte kommen dank der transparenten Tasten gut zur Geltung.
Insgesamt ist die Tastatur des Alpha 15 für den meisten Tipp- und Gaming-Szenarien gewachsen. Trotzdem wäre eine SteelSeries-Tastatur wie die des Vorgängers ein willkommene Verbesserung.
Touchpad
Das Touchpad erstreckt sich über einer Fläche von 10,5x6,5 cm und ist nach links versetzt. Da die Zielgruppe jedoch vermutlich eine externe Maus verwenden wird, kann man darüber hinwegsehen.
Die Touchpadoberfläche besitzt relativ gute Gleiteigenschaften und unterstützt alle Windows-Precision-Gesten. Die gesamte Oberfläche dient als linke Maustaste und ist beim auslösen recht laut, aber noch erträglich.
Display: FreeSync Premium mit guten Reaktionszeiten und kein PWM
Unsere Testkonfiguration des MSI Alpha 15 ist mit dem 15,6 Zoll großen 1080p-Panel "AU Optronics B156HAN08.0" ausgestattet und glänzt dementsprechend mit guten Reaktionszeiten und einer hohen Bildwiederholfrequenz von 144 Hz. Da das Panel AMD FreeSync Premium unterstützt, werden unerwünschte Bildrisseffekte verhindert.
Durch die matte Schicht wirken die Subpixel verschwommen. Lange Belichtungszeiten offenbaren deutlich sichtbares Backlight-Bleeding, das von den Ecken des Displays ausgeht. Obwohl die Helligkeitsverteilung ordentlich ist, wird die Mitte des Panels etwas weniger stark beleuchtet als die anderen Zonen.
| |||||||||||||||||||||||||
Ausleuchtung: 84 %
Helligkeit Akku: 306 cd/m²
Kontrast: 1414:1 (Schwarzwert: 0.22 cd/m²)
ΔE ColorChecker Calman: 5.06 | ∀{0.5-29.43 Ø4.76}
calibrated: 2.62
ΔE Greyscale Calman: 4.8 | ∀{0.09-98 Ø5}
67% AdobeRGB 1998 (Argyll 3D)
91.6% sRGB (Argyll 3D)
65.9% Display P3 (Argyll 3D)
Gamma: 2.12
CCT: 8002 K
| MSI Alpha 15 B5EEK-008 AU Optronics B156HAN08.0, IPS, 1920x1080, 15.6" | MSI Katana GF66 11UG-220 AU Optronics B156HAN08.0, IPS, 1920x1080, 15.6" | MSI Delta 15 A5EFK LQ156M1JW03 (SHP155D), IPS-Level, 1920x1080, 15.6" | Schenker XMG Apex 15 NH57E PS LG Philips LGD0625 (LP156WFG-SPB3), IPS, 1920x1080, 15.6" | Asus ROG Strix G15 G513QY Sharp SHP152C, IPS, 1920x1080, 15.6" | Lenovo Legion S7 15ACH6 82K80030GE CSOT T3 MNF601EA1-6, IPS, 3840x2160, 15.6" | MSI GP66 Leopard 11UH-028 LGD0625 (LP156WFG-SPB3), IPS, 1920x1080, 15.6" | Asus TUF Gaming F15 FX506HM Chi Mei N156HRA-EA1, IPS, 1920x1080, 15.6" | Asus TUF Gaming F17 FX706HM AU Optronics AUI8294 (B173HAN04.9), IPS, 1920x1080, 17.3" | Gigabyte Aero 15 OLED XD Samsung SDC4143, OLED, 3840x2160, 15.6" | |
|---|---|---|---|---|---|---|---|---|---|---|
| Display | -0% | 3% | 0% | 3% | 28% | 1% | -34% | -37% | 37% | |
| Display P3 Coverage (%) | 65.9 | 65.4 -1% | 66.5 1% | 64.5 -2% | 66.5 1% | 85.2 29% | 65.2 -1% | 41.9 -36% | 40.1 -39% | 99.9 52% |
| sRGB Coverage (%) | 91.6 | 91.3 0% | 97.8 7% | 95.9 5% | 97.7 7% | 98.8 8% | 95.8 5% | 62.9 -31% | 60 -34% | 100 9% |
| AdobeRGB 1998 Coverage (%) | 67 | 66.7 0% | 67.6 1% | 65.8 -2% | 67.6 1% | 98.2 47% | 66 -1% | 43.3 -35% | 41.4 -38% | 99.5 49% |
| Response Times | -49% | -97% | -126% | -46% | -320% | -111% | -326% | -371% | 59% | |
| Response Time Grey 50% / Grey 80% * (ms) | 5.06 ? | 7.4 ? -46% | 12.8 ? -153% | 15 -196% | 8 ? -58% | 31.6 ? -525% | 14 ? -177% | 28.4 ? -461% | 32.4 -540% | 2.8 ? 45% |
| Response Time Black / White * (ms) | 7.44 ? | 11.2 ? -51% | 10.4 ? -40% | 11.6 -56% | 10 ? -34% | 16 ? -115% | 10.8 ? -45% | 21.6 ? -190% | 22.4 -201% | 2 ? 73% |
| PWM Frequency (Hz) | 23580 ? | 240 ? | ||||||||
| Bildschirm | -2% | 0% | 4% | -4% | 45% | 1% | -28% | -9% | 109% | |
| Helligkeit Bildmitte (cd/m²) | 311 | 307 -1% | 291 -6% | 393 26% | 306 -2% | 607 95% | 390 25% | 268.3 -14% | 266 -14% | 440 41% |
| Brightness (cd/m²) | 325 | 321 -1% | 266 -18% | 353 9% | 283 -13% | 605 86% | 362 11% | 257 -21% | 264 -19% | 446 37% |
| Brightness Distribution (%) | 84 | 83 -1% | 88 5% | 83 -1% | 86 2% | 93 11% | 87 4% | 84 0% | 79 -6% | 92 10% |
| Schwarzwert * (cd/m²) | 0.22 | 0.27 -23% | 0.36 -64% | 0.47 -114% | 0.25 -14% | 0.41 -86% | 0.41 -86% | 0.34 -55% | 0.32 -45% | 0.04 82% |
| Kontrast (:1) | 1414 | 1137 -20% | 808 -43% | 836 -41% | 1224 -13% | 1480 5% | 951 -33% | 789 -44% | 831 -41% | 11000 678% |
| Delta E Colorchecker * | 5.06 | 4.67 8% | 2.98 41% | 2.84 44% | 4.97 2% | 0.84 83% | 2.66 47% | 5.05 -0% | 3.97 22% | 2.53 50% |
| Colorchecker dE 2000 max. * | 8.37 | 7.53 10% | 7.59 9% | 7.15 15% | 10.12 -21% | 3.02 64% | 7.14 15% | 15.43 -84% | 8.93 -7% | 7.82 7% |
| Colorchecker dE 2000 calibrated * | 2.62 | 2.41 8% | 0.91 65% | 0.67 74% | 0.7 73% | 0.69 74% | 2.56 2% | 3.21 -23% | 3.5 -34% | 2.57 2% |
| Delta E Graustufen * | 4.8 | 4.5 6% | 4.2 12% | 3.73 22% | 7.2 -50% | 1.1 77% | 3.63 24% | 5.5 -15% | 1.8 62% | 1.2 75% |
| Gamma | 2.12 104% | 2.276 97% | 2.293 96% | 2.53 87% | 2.23 99% | 2.131 103% | 2.57 86% | 2.35 94% | 2.31 95% | 2.206 100% |
| CCT | 8002 81% | 6824 95% | 7624 85% | 7312 89% | 7784 84% | 6648 98% | 6894 94% | 7392 88% | 6754 96% | 6371 102% |
| Farbraum (Prozent von AdobeRGB 1998) (%) | 67.6 | 41.4 | ||||||||
| Color Space (Percent of sRGB) (%) | 97.7 | 60 | ||||||||
| Durchschnitt gesamt (Programm / Settings) | -17% /
-8% | -31% /
-13% | -41% /
-16% | -16% /
-9% | -82% /
-11% | -36% /
-15% | -129% /
-72% | -139% /
-67% | 68% /
86% |
* ... kleinere Werte sind besser
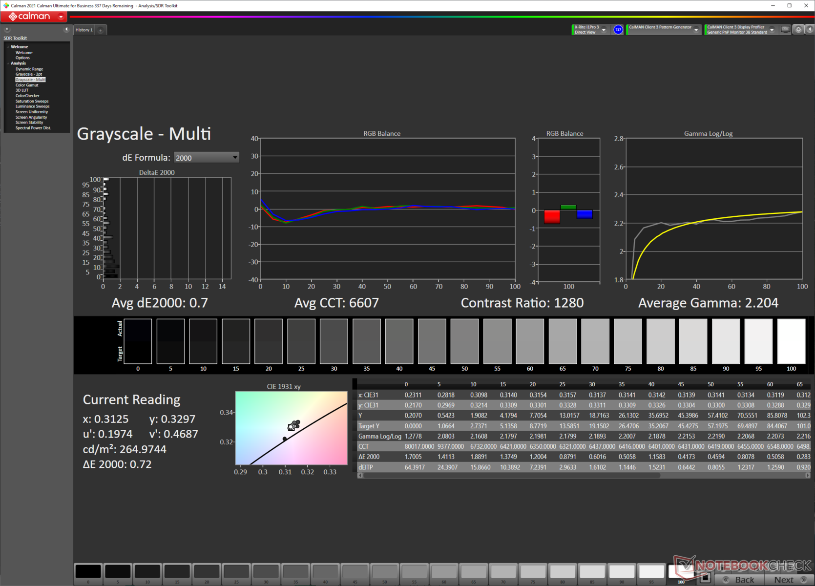
Da das AU-Optronics-Panel B156HAN08.0 längst nicht mehr zur jüngsten Generation zählt, hätte MSI durchaus ein neueres Panel mit einer besseren Farbdarstellung verbauen können. Das Alpha 15 deck knapp 92 % des sRGB-Farbraums ab. Die Farbraumabdeckung für AdobeRGB und DCI-P3 entspricht unseren Erwartungen für diese Displaykategorie.
Die werksseitige Farbgenauigkeit ist nicht besonders gut und die durchschnittlichen DeltaE-Werte der Graustufen und Farben liegen bei 4,8 bzw. 5,06 bei einer zu kühlen Farbtemperatur. Durch eine Kalibrierung konnten wir die Farbdarstellung deutlich verbessern und die durchschnittlichen Graustufen- und Farb-DeltaE-Werte auf 0,7 bzw. 2,62 senken. Die größte Abweichung zeigt sich bei der Darstellung vom vollständig blauen Teil des Spektrums.
Unser kalibriertes ICC-Profil kann über den obigen Link heruntergeladen werden.
Die Darstellungsqualität des Displays ist für Spiele in Ordnung, allerdings setzen Konkurrenten mittlerweile auf bessere Displays mit einem größeren Farbspektrum und einer höheren Farbgenauigkeit ab Werk.
Der Bildschirm bietet schnelle Reaktionszeiten, was wettbewerbsorientierte Spieler freuen dürfte. Die kombinierte Reaktionszeiten von Schwarz zu Weiß und 50 % Grau zu 80 % Grau liegen bei 7,44 ms bzw. 5,06 ms.
Wie der charakteristische Zacken im Oszilloskopdiagramm zeigt, nutzt das Panel des Alpha 15 möglicherweise die Übersteuerung, um derart niedrige 50-%-Grau-zu-80-%-Grau-Reaktionszeiten zu erreichen.
Da wir auf keiner Helligkeitsstufe PWM feststellen konnten, sollte das Display keine zusätzliche Beanspruchung für die Augen darstellen.
Weitere Informationen finden Sie in unserem Artikel "Warum wir von Pulsweitenmodulation (PWM) Kopfweh bekommen" und unserer PWM-Ranking-Tabelle mit PWM-Frequenzvergleichen für alle getesteten Geräte.
Reaktionszeiten (Response Times) des Displays
| ↔ Reaktionszeiten Schwarz zu Weiß | ||
|---|---|---|
| 7.44 ms ... steigend ↗ und fallend ↘ kombiniert | ↗ 3.76 ms steigend | |
| ↘ 3.68 ms fallend | ||
| Die gemessenen Reaktionszeiten sind sehr kurz, wodurch sich der Bildschirm auch für schnelle 3D Spiele eignen sollte. Im Vergleich rangierten die bei uns getesteten Geräte von 0.1 (Minimum) zu 240 (Maximum) ms. » 21 % aller Screens waren schneller als der getestete. Daher sind die gemessenen Reaktionszeiten besser als der Durchschnitt aller vermessenen Geräte (20.1 ms). | ||
| ↔ Reaktionszeiten 50% Grau zu 80% Grau | ||
| 5.06 ms ... steigend ↗ und fallend ↘ kombiniert | ↗ 2.5 ms steigend | |
| ↘ 2.56 ms fallend | ||
| Die gemessenen Reaktionszeiten sind sehr kurz, wodurch sich der Bildschirm auch für schnelle 3D Spiele eignen sollte. Im Vergleich rangierten die bei uns getesteten Geräte von 0.165 (Minimum) zu 636 (Maximum) ms. » 16 % aller Screens waren schneller als der getestete. Daher sind die gemessenen Reaktionszeiten besser als der Durchschnitt aller vermessenen Geräte (31.5 ms). | ||
Bildschirm-Flackern / PWM (Pulse-Width Modulation)
| Flackern / PWM nicht festgestellt | ≤ 100 % Helligkeit | ||
Im Vergleich: 53 % aller getesteten Geräte nutzten kein PWM um die Helligkeit zu reduzieren. Wenn PWM eingesetzt wurde, dann bei einer Frequenz von durchschnittlich 8036 (Minimum 5, Maximum 343500) Hz. | |||
Aufgrund der niedrigen Helligkeit ist die Lesbarkeit im Freien in direktem Sonnenlicht eingeschränkt. Die Blickwinkel sind groß, beim Betrachten von extrem steilen Winkeln sinkt jedoch die beobachtete Helligkeit und die Farben werden verfälscht.
Leistung: Entfesselter Ryzen 7 5800H gegen Core i7-11800H
Unser MSI Alpha 15 B5EEK ist mit dem AMD Ryzen 7 5800H und einer dedizierten Radeon RX 6600M ausgestattet. Alternativ gibt es ein ähnlich ausgestattetes Alpha 15 B5EE mit einer monochromen, roten Tastaturbeleuchtung.
Testbedingungen
In der MSI-Center-Software kann man zwischen vier Leistungsprofilen wählen - Hochleistung, Ausbalanciert und Super-Energiesparmodus. Wir haben alle Benchmarks und Messungen bis auf den Akkulaufzeittest, für den wir den Modus "Ausbalanciert" gewählt haben, im Hochleistungsmodus durchgeführt.
Da die Leistungsmodi die Punktzahlen und die Geräuschcharakteristik stark beeinflussen können, zeigen wir gegebenenfalls einen Vergleich zwischen dem Hochleistungsmodus, Ausbalanciert und dem leisen Modus. Über die MSI-Center-Software kann man die Lüfterkurven für die CPU und GPU individuell anpassen. Außerdem gibt es den Modus "Cooler Boost", in dem sich die Lüfter unabhängig von der Systemlast dauerhaft mit ihrer maximalen Drehzahl drehen.
Die folgende Tabelle zeigt, wie sich die verschiedenen Leistungsprofile auf die Energielimits auswirken. Sofern die Lüftergeräusche kein Problem darstellen, eignet sich der Hochleistungsmodus am besten für anspruchsvolle Berechnungen und Spiele.
| Leistungsmodus | PL0- / AMD-STAPM-Limit (W) | PL1-Limit (W) | PL2-Limit (W) |
|---|---|---|---|
| Hochleistung | 132 | 110 | 132 |
| Ausbalanciert | 78 | 90 | 108 |
| Leise | 55 | 60 | 72 |
| Super-Energiesparmodus | 50 | 45 | 54 |
Prozessor
Die Energieaufnahme des AMD Ryzen 7 5800H ist beim MSI Alpha 15 nicht eingeschränkt. Daher liegen die PL1- und PL2-Limits bei 110 W bzw. 132 W. Damit hat das Alpha 15 genügend Spielraum, um AMD SmartShift gut nutzen zu können.
Dank der effektiven Kühllösung drosselt die CPU in unserem Cinebench-R15-Schleifentest nicht. Die Multi-Thread-Punktzahlen unseres Ryzen 7 5800H werden nur von zwei weiteren, mit dem Ryzen 9 5900HX ausgestatteten AMD-Advantage-Laptops, dem MSI Delta 15 und dem Asus ROG Strix G15 geschlagen.
Obwohl Intels Tiger-Lake-H-Chips wie zum Beispiel der Core i7-11800H und der Core i9-11900H in den Single-Core-Benchmarks die Nase vorn haben, ist der Abstand zum Ryzen 7 5800H jeweils gering. Daher profitieren sowohl Single- als auch Multi-Thread-Berechnungen von der Leistungsfähigkeit der APU.
Der Wechsel zwischen den Modi Hochleistung, Ausbalanciert und Leise scheint sich nicht großartig auf die Single-Core-Punktzahlen auszuwirken. Dagegen ergeben sich große Unterschiede in der Multi-Core-Leistung der drei Modi.
Im Akkumodus fallen PL1 und PL2 auf 54 W bzw. 68 W und der Laptop wechselt in den Modus Ausbalanciert. Das resultiert in einem Leistungsdefizit von 26 % bzw. 11,5 % in den Cinebench-R20-Single-Core- bzw. Multi-Core-Punktzahlen.
Cinebench-R15-Multi-Schleifentest
Cinebench R23: Multi Core | Single Core
Cinebench R20: CPU (Multi Core) | CPU (Single Core)
Cinebench R15: CPU Multi 64Bit | CPU Single 64Bit
Blender: v2.79 BMW27 CPU
7-Zip 18.03: 7z b 4 | 7z b 4 -mmt1
Geekbench 5.5: Multi-Core | Single-Core
HWBOT x265 Benchmark v2.2: 4k Preset
LibreOffice : 20 Documents To PDF
R Benchmark 2.5: Overall mean
| CPU Performance Rating | |
| Durchschnitt der Klasse Gaming | |
| Asus ROG Strix G15 G513QY | |
| MSI Delta 15 A5EFK | |
| Asus TUF Gaming F17 FX706HM | |
| MSI GP66 Leopard 11UH-028 | |
| Schenker XMG Apex 15 NH57E PS | |
| Asus TUF Gaming F15 FX506HM -2! | |
| Lenovo Legion S7 15ACH6 82K80030GE | |
| MSI Alpha 15 B5EEK-008 | |
| MSI Alpha 15 B5EEK-008 | |
| Durchschnittliche AMD Ryzen 7 5800H | |
| Gigabyte Aero 15 OLED XD | |
| MSI Katana GF66 11UG-220 | |
| MSI Alpha 15 B5EEK-008 | |
| Cinebench R23 / Multi Core | |
| Durchschnitt der Klasse Gaming (5668 - 40970, n=136, der letzten 2 Jahre) | |
| Lenovo Legion S7 15ACH6 82K80030GE | |
| Asus TUF Gaming F15 FX506HM | |
| Asus ROG Strix G15 G513QY | |
| Schenker XMG Apex 15 NH57E PS | |
| MSI GP66 Leopard 11UH-028 | |
| MSI Alpha 15 B5EEK-008 | |
| Durchschnittliche AMD Ryzen 7 5800H (8812 - 13214, n=29) | |
| MSI Delta 15 A5EFK | |
| Asus TUF Gaming F17 FX706HM | |
| MSI Alpha 15 B5EEK-008 | |
| Gigabyte Aero 15 OLED XD | |
| MSI Alpha 15 B5EEK-008 | |
| MSI Katana GF66 11UG-220 | |
| Cinebench R23 / Single Core | |
| Durchschnitt der Klasse Gaming (1136 - 2267, n=136, der letzten 2 Jahre) | |
| Asus TUF Gaming F17 FX706HM | |
| MSI GP66 Leopard 11UH-028 | |
| MSI Katana GF66 11UG-220 | |
| Asus TUF Gaming F15 FX506HM | |
| Lenovo Legion S7 15ACH6 82K80030GE | |
| Asus ROG Strix G15 G513QY | |
| MSI Delta 15 A5EFK | |
| Schenker XMG Apex 15 NH57E PS | |
| MSI Alpha 15 B5EEK-008 | |
| MSI Alpha 15 B5EEK-008 | |
| MSI Alpha 15 B5EEK-008 | |
| Durchschnittliche AMD Ryzen 7 5800H (1294 - 1441, n=29) | |
| Gigabyte Aero 15 OLED XD | |
| Cinebench R20 / CPU (Multi Core) | |
| Durchschnitt der Klasse Gaming (2179 - 16108, n=135, der letzten 2 Jahre) | |
| Lenovo Legion S7 15ACH6 82K80030GE | |
| Asus TUF Gaming F15 FX506HM | |
| Asus ROG Strix G15 G513QY | |
| Schenker XMG Apex 15 NH57E PS | |
| MSI GP66 Leopard 11UH-028 | |
| MSI Alpha 15 B5EEK-008 | |
| Durchschnittliche AMD Ryzen 7 5800H (3430 - 5020, n=31) | |
| MSI Delta 15 A5EFK | |
| Asus TUF Gaming F17 FX706HM | |
| MSI Alpha 15 B5EEK-008 | |
| Gigabyte Aero 15 OLED XD | |
| MSI Alpha 15 B5EEK-008 | |
| MSI Katana GF66 11UG-220 | |
| Cinebench R20 / CPU (Single Core) | |
| Durchschnitt der Klasse Gaming (439 - 870, n=135, der letzten 2 Jahre) | |
| Asus TUF Gaming F17 FX706HM | |
| Asus ROG Strix G15 G513QY | |
| MSI Katana GF66 11UG-220 | |
| Asus TUF Gaming F15 FX506HM | |
| MSI GP66 Leopard 11UH-028 | |
| Lenovo Legion S7 15ACH6 82K80030GE | |
| MSI Delta 15 A5EFK | |
| Schenker XMG Apex 15 NH57E PS | |
| MSI Alpha 15 B5EEK-008 | |
| MSI Alpha 15 B5EEK-008 | |
| MSI Alpha 15 B5EEK-008 | |
| Durchschnittliche AMD Ryzen 7 5800H (502 - 560, n=30) | |
| Gigabyte Aero 15 OLED XD | |
| Cinebench R15 / CPU Multi 64Bit | |
| Durchschnitt der Klasse Gaming (1537 - 6271, n=135, der letzten 2 Jahre) | |
| Lenovo Legion S7 15ACH6 82K80030GE | |
| Asus ROG Strix G15 G513QY | |
| MSI Katana GF66 11UG-220 | |
| MSI Katana GF66 11UG-220 | |
| Asus TUF Gaming F15 FX506HM | |
| MSI Delta 15 A5EFK | |
| Schenker XMG Apex 15 NH57E PS | |
| Asus TUF Gaming F17 FX706HM | |
| MSI GP66 Leopard 11UH-028 | |
| MSI Alpha 15 B5EEK-008 | |
| Durchschnittliche AMD Ryzen 7 5800H (1487 - 2119, n=28) | |
| MSI Alpha 15 B5EEK-008 | |
| Gigabyte Aero 15 OLED XD | |
| MSI Alpha 15 B5EEK-008 | |
| Cinebench R15 / CPU Single 64Bit | |
| Durchschnitt der Klasse Gaming (188.8 - 343, n=134, der letzten 2 Jahre) | |
| Asus TUF Gaming F17 FX706HM | |
| Asus ROG Strix G15 G513QY | |
| MSI Delta 15 A5EFK | |
| Lenovo Legion S7 15ACH6 82K80030GE | |
| Schenker XMG Apex 15 NH57E PS | |
| Asus TUF Gaming F15 FX506HM | |
| MSI Katana GF66 11UG-220 | |
| MSI Katana GF66 11UG-220 | |
| MSI Alpha 15 B5EEK-008 | |
| MSI GP66 Leopard 11UH-028 | |
| MSI Alpha 15 B5EEK-008 | |
| Durchschnittliche AMD Ryzen 7 5800H (209 - 234, n=29) | |
| MSI Alpha 15 B5EEK-008 | |
| Gigabyte Aero 15 OLED XD | |
| Blender / v2.79 BMW27 CPU | |
| MSI Katana GF66 11UG-220 | |
| MSI Alpha 15 B5EEK-008 | |
| Gigabyte Aero 15 OLED XD | |
| MSI Alpha 15 B5EEK-008 | |
| Durchschnittliche AMD Ryzen 7 5800H (237 - 340, n=29) | |
| MSI Alpha 15 B5EEK-008 | |
| Schenker XMG Apex 15 NH57E PS | |
| MSI GP66 Leopard 11UH-028 | |
| Asus TUF Gaming F17 FX706HM | |
| MSI Delta 15 A5EFK | |
| Asus TUF Gaming F15 FX506HM | |
| Asus ROG Strix G15 G513QY | |
| Lenovo Legion S7 15ACH6 82K80030GE | |
| Durchschnitt der Klasse Gaming (80 - 517, n=131, der letzten 2 Jahre) | |
| 7-Zip 18.03 / 7z b 4 | |
| Durchschnitt der Klasse Gaming (23795 - 148086, n=133, der letzten 2 Jahre) | |
| Lenovo Legion S7 15ACH6 82K80030GE | |
| MSI Delta 15 A5EFK | |
| Schenker XMG Apex 15 NH57E PS | |
| MSI Alpha 15 B5EEK-008 | |
| Asus ROG Strix G15 G513QY | |
| MSI Alpha 15 B5EEK-008 | |
| Durchschnittliche AMD Ryzen 7 5800H (45773 - 59986, n=28) | |
| MSI GP66 Leopard 11UH-028 | |
| Asus TUF Gaming F15 FX506HM | |
| Asus TUF Gaming F17 FX706HM | |
| MSI Alpha 15 B5EEK-008 | |
| Gigabyte Aero 15 OLED XD | |
| MSI Katana GF66 11UG-220 | |
| 7-Zip 18.03 / 7z b 4 -mmt1 | |
| Durchschnitt der Klasse Gaming (4199 - 7508, n=133, der letzten 2 Jahre) | |
| Asus TUF Gaming F17 FX706HM | |
| Lenovo Legion S7 15ACH6 82K80030GE | |
| MSI Delta 15 A5EFK | |
| Asus ROG Strix G15 G513QY | |
| Asus TUF Gaming F15 FX506HM | |
| Schenker XMG Apex 15 NH57E PS | |
| MSI GP66 Leopard 11UH-028 | |
| MSI Katana GF66 11UG-220 | |
| MSI Alpha 15 B5EEK-008 | |
| MSI Alpha 15 B5EEK-008 | |
| MSI Alpha 15 B5EEK-008 | |
| Durchschnittliche AMD Ryzen 7 5800H (5038 - 5632, n=29) | |
| Gigabyte Aero 15 OLED XD | |
| Geekbench 5.5 / Multi-Core | |
| Durchschnitt der Klasse Gaming (4557 - 27010, n=133, der letzten 2 Jahre) | |
| MSI GP66 Leopard 11UH-028 | |
| Gigabyte Aero 15 OLED XD | |
| MSI Delta 15 A5EFK | |
| Lenovo Legion S7 15ACH6 82K80030GE | |
| MSI Alpha 15 B5EEK-008 | |
| Schenker XMG Apex 15 NH57E PS | |
| MSI Alpha 15 B5EEK-008 | |
| Durchschnittliche AMD Ryzen 7 5800H (6551 - 9062, n=28) | |
| MSI Alpha 15 B5EEK-008 | |
| Asus TUF Gaming F17 FX706HM | |
| Asus ROG Strix G15 G513QY | |
| MSI Katana GF66 11UG-220 | |
| Geekbench 5.5 / Single-Core | |
| Durchschnitt der Klasse Gaming (986 - 2474, n=133, der letzten 2 Jahre) | |
| MSI Katana GF66 11UG-220 | |
| MSI GP66 Leopard 11UH-028 | |
| Asus TUF Gaming F17 FX706HM | |
| MSI Delta 15 A5EFK | |
| Lenovo Legion S7 15ACH6 82K80030GE | |
| Gigabyte Aero 15 OLED XD | |
| Schenker XMG Apex 15 NH57E PS | |
| Asus ROG Strix G15 G513QY | |
| MSI Alpha 15 B5EEK-008 | |
| MSI Alpha 15 B5EEK-008 | |
| MSI Alpha 15 B5EEK-008 | |
| Durchschnittliche AMD Ryzen 7 5800H (1336 - 1505, n=28) | |
| HWBOT x265 Benchmark v2.2 / 4k Preset | |
| Durchschnitt der Klasse Gaming (7.7 - 44.3, n=133, der letzten 2 Jahre) | |
| Lenovo Legion S7 15ACH6 82K80030GE | |
| Asus TUF Gaming F15 FX506HM | |
| MSI Delta 15 A5EFK | |
| Schenker XMG Apex 15 NH57E PS | |
| MSI GP66 Leopard 11UH-028 | |
| Asus ROG Strix G15 G513QY | |
| MSI Alpha 15 B5EEK-008 | |
| Asus TUF Gaming F17 FX706HM | |
| Durchschnittliche AMD Ryzen 7 5800H (11.6 - 16.1, n=29) | |
| MSI Alpha 15 B5EEK-008 | |
| Gigabyte Aero 15 OLED XD | |
| MSI Alpha 15 B5EEK-008 | |
| MSI Katana GF66 11UG-220 | |
| LibreOffice / 20 Documents To PDF | |
| Lenovo Legion S7 15ACH6 82K80030GE | |
| Durchschnittliche AMD Ryzen 7 5800H (47.4 - 113, n=29) | |
| MSI Alpha 15 B5EEK-008 | |
| Schenker XMG Apex 15 NH57E PS | |
| MSI Delta 15 A5EFK | |
| Asus ROG Strix G15 G513QY | |
| MSI Alpha 15 B5EEK-008 | |
| MSI Alpha 15 B5EEK-008 | |
| MSI Katana GF66 11UG-220 | |
| MSI GP66 Leopard 11UH-028 | |
| Durchschnitt der Klasse Gaming (19 - 88.8, n=133, der letzten 2 Jahre) | |
| Gigabyte Aero 15 OLED XD | |
| Asus TUF Gaming F17 FX706HM | |
| Asus TUF Gaming F15 FX506HM | |
| R Benchmark 2.5 / Overall mean | |
| Gigabyte Aero 15 OLED XD | |
| MSI GP66 Leopard 11UH-028 | |
| Asus TUF Gaming F15 FX506HM | |
| MSI Katana GF66 11UG-220 | |
| Asus TUF Gaming F17 FX706HM | |
| Durchschnittliche AMD Ryzen 7 5800H (0.511 - 0.559, n=28) | |
| MSI Alpha 15 B5EEK-008 | |
| MSI Alpha 15 B5EEK-008 | |
| MSI Alpha 15 B5EEK-008 | |
| Asus ROG Strix G15 G513QY | |
| Schenker XMG Apex 15 NH57E PS | |
| MSI Delta 15 A5EFK | |
| Lenovo Legion S7 15ACH6 82K80030GE | |
| Durchschnitt der Klasse Gaming (0.3439 - 0.759, n=134, der letzten 2 Jahre) | |
Cinebench R23: Multi Core | Single Core
Cinebench R20: CPU (Multi Core) | CPU (Single Core)
Cinebench R15: CPU Multi 64Bit | CPU Single 64Bit
Blender: v2.79 BMW27 CPU
7-Zip 18.03: 7z b 4 | 7z b 4 -mmt1
Geekbench 5.5: Multi-Core | Single-Core
HWBOT x265 Benchmark v2.2: 4k Preset
LibreOffice : 20 Documents To PDF
R Benchmark 2.5: Overall mean
* ... kleinere Werte sind besser
Die folgenden Diagramme zeigen, wie sich die Taktfrequenz, Kerntemperaturen und der Verbrauch des CPU-Clusters (CPU Package Power) in den verschiedenen Profilen während eines Cinebench-R15-Schleifentests verhalten. Obwohl die Taktfrequenzen und Temperaturen im Modus "Ausbalanciert" zu Beginn niedriger sind, erreichen sie durch die Energiezuteilung schließlich die gleichen Werte wie im Hochleistungsmodus.
Im Modus "Leise" verbleibt der Verbrauch des CPU-Clusters bei ca. 40 W. Dadurch schwankt die Temperatur zwar nur zwischen 60 und 70 °C, der Prozessor ist dann aber auf 3,8 GHz mit gelegentlichen Leistungsspitzen von 4,2 GHz beschränkt.
Es lohnt sich, den Leistungsmodus an das Anwendungsszenario anzupassen. Im Emissionen-Abschnitt finden Sie einen Vergleich zwischen den Lüftercharakteristika der verschiedenen Leistungsmodi.
AIDA64: FP32 Ray-Trace | FPU Julia | CPU SHA3 | CPU Queen | FPU SinJulia | FPU Mandel | CPU AES | CPU ZLib | FP64 Ray-Trace | CPU PhotoWorxx
| Performance Rating | |
| Durchschnitt der Klasse Gaming | |
| Lenovo Legion S7 15ACH6 82K80030GE | |
| MSI Delta 15 A5EFK | |
| Asus ROG Strix G15 G513QY | |
| Schenker XMG Apex 15 NH57E PS | |
| MSI Alpha 15 B5EEK-008 | |
| MSI GP66 Leopard 11UH-028 | |
| MSI Alpha 15 B5EEK-008 | |
| Durchschnittliche AMD Ryzen 7 5800H | |
| MSI Alpha 15 B5EEK-008 | |
| AIDA64 / FP32 Ray-Trace | |
| Durchschnitt der Klasse Gaming (7192 - 85542, n=133, der letzten 2 Jahre) | |
| Lenovo Legion S7 15ACH6 82K80030GE | |
| Asus ROG Strix G15 G513QY | |
| MSI Delta 15 A5EFK | |
| Schenker XMG Apex 15 NH57E PS | |
| MSI GP66 Leopard 11UH-028 | |
| MSI Alpha 15 B5EEK-008 | |
| Durchschnittliche AMD Ryzen 7 5800H (10349 - 15169, n=29) | |
| MSI Alpha 15 B5EEK-008 | |
| MSI Alpha 15 B5EEK-008 | |
| AIDA64 / FPU Julia | |
| Durchschnitt der Klasse Gaming (35040 - 238426, n=133, der letzten 2 Jahre) | |
| Lenovo Legion S7 15ACH6 82K80030GE | |
| Asus ROG Strix G15 G513QY | |
| MSI Delta 15 A5EFK | |
| Schenker XMG Apex 15 NH57E PS | |
| MSI Alpha 15 B5EEK-008 | |
| Durchschnittliche AMD Ryzen 7 5800H (63663 - 95954, n=29) | |
| MSI Alpha 15 B5EEK-008 | |
| MSI Alpha 15 B5EEK-008 | |
| MSI GP66 Leopard 11UH-028 | |
| AIDA64 / CPU SHA3 | |
| Durchschnitt der Klasse Gaming (1728 - 9817, n=133, der letzten 2 Jahre) | |
| MSI GP66 Leopard 11UH-028 | |
| Lenovo Legion S7 15ACH6 82K80030GE | |
| Asus ROG Strix G15 G513QY | |
| MSI Delta 15 A5EFK | |
| Schenker XMG Apex 15 NH57E PS | |
| MSI Alpha 15 B5EEK-008 | |
| Durchschnittliche AMD Ryzen 7 5800H (2096 - 3287, n=29) | |
| MSI Alpha 15 B5EEK-008 | |
| MSI Alpha 15 B5EEK-008 | |
| AIDA64 / CPU Queen | |
| Durchschnitt der Klasse Gaming (49785 - 173351, n=133, der letzten 2 Jahre) | |
| MSI Delta 15 A5EFK | |
| Asus ROG Strix G15 G513QY | |
| Lenovo Legion S7 15ACH6 82K80030GE | |
| Schenker XMG Apex 15 NH57E PS | |
| MSI Alpha 15 B5EEK-008 | |
| MSI Alpha 15 B5EEK-008 | |
| MSI Alpha 15 B5EEK-008 | |
| Durchschnittliche AMD Ryzen 7 5800H (91846 - 99215, n=29) | |
| MSI GP66 Leopard 11UH-028 | |
| AIDA64 / FPU SinJulia | |
| Durchschnitt der Klasse Gaming (4424 - 33636, n=133, der letzten 2 Jahre) | |
| MSI Delta 15 A5EFK | |
| Asus ROG Strix G15 G513QY | |
| Lenovo Legion S7 15ACH6 82K80030GE | |
| Schenker XMG Apex 15 NH57E PS | |
| MSI Alpha 15 B5EEK-008 | |
| MSI Alpha 15 B5EEK-008 | |
| Durchschnittliche AMD Ryzen 7 5800H (9962 - 11871, n=29) | |
| MSI Alpha 15 B5EEK-008 | |
| MSI GP66 Leopard 11UH-028 | |
| AIDA64 / FPU Mandel | |
| Durchschnitt der Klasse Gaming (17585 - 128721, n=133, der letzten 2 Jahre) | |
| Lenovo Legion S7 15ACH6 82K80030GE | |
| Asus ROG Strix G15 G513QY | |
| MSI Delta 15 A5EFK | |
| Schenker XMG Apex 15 NH57E PS | |
| MSI Alpha 15 B5EEK-008 | |
| Durchschnittliche AMD Ryzen 7 5800H (36083 - 52732, n=29) | |
| MSI Alpha 15 B5EEK-008 | |
| MSI GP66 Leopard 11UH-028 | |
| MSI Alpha 15 B5EEK-008 | |
| AIDA64 / CPU AES | |
| MSI GP66 Leopard 11UH-028 | |
| Lenovo Legion S7 15ACH6 82K80030GE | |
| Asus ROG Strix G15 G513QY | |
| MSI Delta 15 A5EFK | |
| Schenker XMG Apex 15 NH57E PS | |
| MSI Alpha 15 B5EEK-008 | |
| MSI Alpha 15 B5EEK-008 | |
| Durchschnittliche AMD Ryzen 7 5800H (50226 - 127832, n=29) | |
| Durchschnitt der Klasse Gaming (19065 - 247074, n=133, der letzten 2 Jahre) | |
| MSI Alpha 15 B5EEK-008 | |
| AIDA64 / CPU ZLib | |
| Durchschnitt der Klasse Gaming (373 - 2531, n=133, der letzten 2 Jahre) | |
| Lenovo Legion S7 15ACH6 82K80030GE | |
| Asus ROG Strix G15 G513QY | |
| MSI Delta 15 A5EFK | |
| Schenker XMG Apex 15 NH57E PS | |
| MSI Alpha 15 B5EEK-008 | |
| MSI GP66 Leopard 11UH-028 | |
| Durchschnittliche AMD Ryzen 7 5800H (591 - 828, n=29) | |
| MSI Alpha 15 B5EEK-008 | |
| MSI Alpha 15 B5EEK-008 | |
| AIDA64 / FP64 Ray-Trace | |
| Durchschnitt der Klasse Gaming (3856 - 45446, n=133, der letzten 2 Jahre) | |
| Lenovo Legion S7 15ACH6 82K80030GE | |
| Asus ROG Strix G15 G513QY | |
| MSI GP66 Leopard 11UH-028 | |
| MSI Delta 15 A5EFK | |
| Schenker XMG Apex 15 NH57E PS | |
| MSI Alpha 15 B5EEK-008 | |
| Durchschnittliche AMD Ryzen 7 5800H (5457 - 7884, n=29) | |
| MSI Alpha 15 B5EEK-008 | |
| MSI Alpha 15 B5EEK-008 | |
| AIDA64 / CPU PhotoWorxx | |
| Durchschnitt der Klasse Gaming (10805 - 62916, n=133, der letzten 2 Jahre) | |
| MSI GP66 Leopard 11UH-028 | |
| MSI Alpha 15 B5EEK-008 | |
| MSI Alpha 15 B5EEK-008 | |
| MSI Delta 15 A5EFK | |
| MSI Alpha 15 B5EEK-008 | |
| Schenker XMG Apex 15 NH57E PS | |
| Lenovo Legion S7 15ACH6 82K80030GE | |
| Durchschnittliche AMD Ryzen 7 5800H (14445 - 25421, n=29) | |
| Asus ROG Strix G15 G513QY | |
Weitere Informationen und Benchmarks finden Sie auf unserer Seite zum AMD Ryzen 7 5800H.
Check out our dedicated AMD Ryzen 7 5800H page for more information and performance benchmarks.
Systemleistung
Die Systemleistung des MSI Alpha 15 ist ausgezeichnet. Die meisten Produktivitätsanwendungen lassen sich fast verzögerungsfrei starten und reagieren blitzschnell. Auch das Hochfahren und Erwachen aus dem Standbymodus geht überraschend schnell.
In PCMark 10 haftet sich das Alpha 15 direkt an die Fersen von Tiger-Lake-H-Gaming-Laptops wie dem Gigabyte Aero 15 OLED, Asus TUF Gaming F17 und MSIs eigenem GP66 Leopard 11UH.
In den AIDA64-Speicherbenchmarks zeigen sich keine erkennbaren Unterschiede zwischen den drei Leistungsprofilen.
| PCMark 10 / Score | |
| Durchschnitt der Klasse Gaming (5776 - 10060, n=112, der letzten 2 Jahre) | |
| MSI Delta 15 A5EFK | |
| Asus ROG Strix G15 G513QY | |
| MSI GP66 Leopard 11UH-028 | |
| Gigabyte Aero 15 OLED XD | |
| Durchschnittliche AMD Ryzen 7 5800H, AMD Radeon RX 6600M (6875 - 7150, n=2) | |
| Asus TUF Gaming F17 FX706HM | |
| MSI Alpha 15 B5EEK-008 | |
| Asus TUF Gaming F15 FX506HM | |
| Schenker XMG Apex 15 NH57E PS | |
| MSI Katana GF66 11UG-220 | |
| Lenovo Legion S7 15ACH6 82K80030GE | |
| PCMark 10 / Essentials | |
| Durchschnitt der Klasse Gaming (8810 - 12600, n=116, der letzten 2 Jahre) | |
| Asus TUF Gaming F17 FX706HM | |
| Asus TUF Gaming F15 FX506HM | |
| MSI Delta 15 A5EFK | |
| MSI GP66 Leopard 11UH-028 | |
| Asus ROG Strix G15 G513QY | |
| Durchschnittliche AMD Ryzen 7 5800H, AMD Radeon RX 6600M (9907 - 10479, n=2) | |
| Gigabyte Aero 15 OLED XD | |
| MSI Alpha 15 B5EEK-008 | |
| Schenker XMG Apex 15 NH57E PS | |
| Lenovo Legion S7 15ACH6 82K80030GE | |
| MSI Katana GF66 11UG-220 | |
| PCMark 10 / Productivity | |
| Durchschnitt der Klasse Gaming (6662 - 16716, n=114, der letzten 2 Jahre) | |
| Gigabyte Aero 15 OLED XD | |
| MSI Delta 15 A5EFK | |
| MSI Katana GF66 11UG-220 | |
| Durchschnittliche AMD Ryzen 7 5800H, AMD Radeon RX 6600M (8922 - 9231, n=2) | |
| Asus TUF Gaming F17 FX706HM | |
| Asus ROG Strix G15 G513QY | |
| MSI Alpha 15 B5EEK-008 | |
| Asus TUF Gaming F15 FX506HM | |
| Lenovo Legion S7 15ACH6 82K80030GE | |
| Schenker XMG Apex 15 NH57E PS | |
| MSI GP66 Leopard 11UH-028 | |
| PCMark 10 / Digital Content Creation | |
| Durchschnitt der Klasse Gaming (7440 - 19351, n=114, der letzten 2 Jahre) | |
| Asus ROG Strix G15 G513QY | |
| MSI Delta 15 A5EFK | |
| MSI GP66 Leopard 11UH-028 | |
| Durchschnittliche AMD Ryzen 7 5800H, AMD Radeon RX 6600M (9977 - 10257, n=2) | |
| MSI Alpha 15 B5EEK-008 | |
| Gigabyte Aero 15 OLED XD | |
| MSI Katana GF66 11UG-220 | |
| Asus TUF Gaming F15 FX506HM | |
| Schenker XMG Apex 15 NH57E PS | |
| Asus TUF Gaming F17 FX706HM | |
| Lenovo Legion S7 15ACH6 82K80030GE | |
| PCMark 8 Home Score Accelerated v2 | 5722 Punkte | |
| PCMark 8 Work Score Accelerated v2 | 5804 Punkte | |
| PCMark 10 Score | 6875 Punkte | |
Hilfe | ||
| AIDA64 / Memory Copy | |
| Durchschnitt der Klasse Gaming (21750 - 108104, n=133, der letzten 2 Jahre) | |
| MSI GP66 Leopard 11UH-028 | |
| MSI Alpha 15 B5EEK-008 | |
| Schenker XMG Apex 15 NH57E PS | |
| MSI Alpha 15 B5EEK-008 | |
| MSI Alpha 15 B5EEK-008 | |
| MSI Delta 15 A5EFK | |
| Lenovo Legion S7 15ACH6 82K80030GE | |
| Durchschnittliche AMD Ryzen 7 5800H (34964 - 44180, n=29) | |
| Asus ROG Strix G15 G513QY | |
| AIDA64 / Memory Read | |
| Durchschnitt der Klasse Gaming (22956 - 104349, n=133, der letzten 2 Jahre) | |
| MSI GP66 Leopard 11UH-028 | |
| Schenker XMG Apex 15 NH57E PS | |
| MSI Alpha 15 B5EEK-008 | |
| MSI Alpha 15 B5EEK-008 | |
| MSI Alpha 15 B5EEK-008 | |
| MSI Delta 15 A5EFK | |
| Lenovo Legion S7 15ACH6 82K80030GE | |
| Durchschnittliche AMD Ryzen 7 5800H (39548 - 47260, n=29) | |
| Asus ROG Strix G15 G513QY | |
| AIDA64 / Memory Write | |
| Durchschnitt der Klasse Gaming (22297 - 133486, n=133, der letzten 2 Jahre) | |
| MSI GP66 Leopard 11UH-028 | |
| MSI Alpha 15 B5EEK-008 | |
| MSI Alpha 15 B5EEK-008 | |
| Schenker XMG Apex 15 NH57E PS | |
| MSI Alpha 15 B5EEK-008 | |
| MSI Delta 15 A5EFK | |
| Lenovo Legion S7 15ACH6 82K80030GE | |
| Durchschnittliche AMD Ryzen 7 5800H (28456 - 47022, n=29) | |
| Asus ROG Strix G15 G513QY | |
| AIDA64 / Memory Latency | |
| Durchschnitt der Klasse Gaming (59.5 - 259, n=133, der letzten 2 Jahre) | |
| MSI GP66 Leopard 11UH-028 | |
| Durchschnittliche AMD Ryzen 7 5800H (76.3 - 105.1, n=29) | |
| Asus ROG Strix G15 G513QY | |
| MSI Alpha 15 B5EEK-008 | |
| MSI Alpha 15 B5EEK-008 | |
| MSI Alpha 15 B5EEK-008 | |
| Lenovo Legion S7 15ACH6 82K80030GE | |
| Schenker XMG Apex 15 NH57E PS | |
| MSI Delta 15 A5EFK | |
* ... kleinere Werte sind besser
DPC-Latenzen
Die maximale Unterbrechung-zu-Prozess-Verzögerung lag in unserem standardisierten DPC-Latenztest, der das Öffnen von mehreren Browsertabs, die Wiedergabe eines 4K60-Videos auf YouTube und einen zehnsekündigen Stresstest mit Prime95 beinhaltet, bei ca. 1010,4 µs.
Die Latenz ist zwar niedriger als bei manchen Konkurrenten des Alpha 15, bei der Bearbeitung von Video- und Audiodateien in Echtzeit können allerdings trotzdem Probleme auftreten. Der TCP-/IP-Treiber besaß die höchste Ausführungsdauer aller Systemtreiber.
Weitere Latenzwerte getesteter Geräte finden Sie auf unserer DPC-Latency-Ranking-Seite.
| DPC Latencies / LatencyMon - interrupt to process latency (max), Web, Youtube, Prime95 | |
| Asus ROG Strix G15 G513QY | |
| MSI Delta 15 A5EFK | |
| Asus TUF Gaming F15 FX506HM | |
| Asus TUF Gaming F17 FX706HM | |
| Schenker XMG Apex 15 NH57E PS | |
| MSI Alpha 15 B5EEK-008 | |
| MSI Katana GF66 11UG-220 | |
| MSI GP66 Leopard 11UH-028 | |
| Gigabyte Aero 15 OLED XD | |
| Lenovo Legion S7 15ACH6 82K80030GE | |
* ... kleinere Werte sind besser
Massenspeicher
Die Leistung der Micron-NVMe-SSD ist für die meisten Anwendungsszenarien ausreichend. Trotzdem hinkt sie Konkurrenten mit der Samsung PM991, PM981a und PM9A1 in Benchmarks deutlich hinterher.
Obwohl die SSD im Alpha 15 ihre Leistung größtenteils gut aufrechterhält, konnten wir im DiskSpd-Leseschleifentest mit einer Warteschlangentiefe von 8 zu zwei Zeitpunkten starkes Drosseln beobachten. Ein Kühlpad oder ähnliches für die SSD im Chassis oder der Bodenplatte ist nicht vorhanden.
Einen Einbaurahmen für die 2,5-Zoll-SATA-SSD oder HDD ist nicht inbegriffen. Der Speicherplatz kann jedoch über den freien M.2-2280-Slot erweitert werden.
Weitere Speicherbenchmarks finden Sie in unserer Festplatten- und SSD-Tabelle.
| MSI Alpha 15 B5EEK-008 Micron 2210 MTFDHBA1T0QFD | MSI Katana GF66 11UG-220 Kingston OM8PDP3512B-AI1 | MSI Delta 15 A5EFK Micron 2210 MTFDHBA1T0QFD | Asus ROG Strix G15 G513QY Samsung PM991 MZVLQ512HALU | Lenovo Legion S7 15ACH6 82K80030GE Samsung PM981a MZVLB1T0HBLR | MSI GP66 Leopard 11UH-028 Samsung PM9A1 MZVL21T0HCLR | Durchschnittliche Micron 2210 MTFDHBA1T0QFD | Durchschnitt der Klasse Gaming | |
|---|---|---|---|---|---|---|---|---|
| Drive Performance Rating | ||||||||
| Percent (pt) | 44.1 | 21.2 -52% | 44.9 2% | 46 4% | 59.8 36% | 97.2 120% | 44.5 1% | 82.5 87% |
| DiskSpd | -18% | 12% | 18% | 60% | 193% | 1% | 139% | |
| seq read (MB/s) | 1049 | 1389 32% 1389 32% | 1725 64% | 2025 93% | 2466 135% | 4608 339% | 1377 ? 31% | 3444 ? 228% |
| seq write (MB/s) | 1891 | 1157 -39% | 1923 2% | 1588 -16% | 2788 47% | 4304 128% | 1693 ? -10% | 3942 ? 108% |
| seq q8 t1 read (MB/s) | 1665 | 2008 21% 2008 21% | 2138 28% | 2876 73% | 3529 112% | 6670 301% | 1767 ? 6% | 7053 ? 324% |
| seq q8 t1 write (MB/s) | 1960 | 1194 -39% 1194 -39% | 1995 2% | 1607 -18% | 2801 43% | 4933 152% | 1763 ? -10% | 5679 ? 190% |
| 4k q1 t1 read (MB/s) | 60.7 | 29.9 -51% 29.9 -51% | 61.6 1% | 48 -21% | 49.8 -18% | 93 53% | 64.4 ? 6% | 69.5 ? 14% |
| 4k q1 t1 write (MB/s) | 145 | 114 -21% | 146 1% | 143 -1% | 144 -1% | 237 63% | 168.5 ? 16% | 203 ? 40% |
| 4k q32 t16 read (MB/s) | 961 | 493 -49% | 968 1% | 1443 50% | 1851 93% | 4183 335% | 848 ? -12% | 2452 ? 155% |
| 4k q32 t16 write (MB/s) | 1289 | 891 -31% | 1253 -3% | 1125 -13% | 2131 65% | 3549 175% | 1084 ? -16% | 2004 ? 55% |
| AS SSD | -144% | -1% | 8% | 41% | 122% | -1% | 86% | |
| Score Total (Points) | 3300 | 1033 -69% | 3233 -2% | 3818 16% | 5318 61% | 8764 166% | 3136 ? -5% | 6924 ? 110% |
| Score Read (Points) | 1157 | 478 -59% | 1158 0% | 1658 43% | 1959 69% | 3353 190% | 1164 ? 1% | 2325 ? 101% |
| Score Write (Points) | 1546 | 387 -75% | 1478 -4% | 1360 -12% | 2355 52% | 3755 143% | 1368 ? -12% | 3474 ? 125% |
| Seq Read (MB/s) | 2016 | 1978 -2% | 2023 0% | 2706 34% | 2790 38% | 5189 157% | 2012 ? 0% | 5350 ? 165% |
| Seq Write (MB/s) | 1830 | 308.3 -83% | 1836 0% | 1652 -10% | 2768 51% | 3941 115% | 1826 ? 0% | 3926 ? 115% |
| 4K Read (MB/s) | 55.2 | 24.04 -56% | 56.4 2% | 45.46 -18% | 50.4 -9% | 84.8 54% | 62.5 ? 13% | 69.3 ? 26% |
| 4K Write (MB/s) | 127.7 | 113.7 -11% | 130.2 2% | 128.5 1% | 134.5 5% | 208.8 64% | 146.4 ? 15% | 216 ? 69% |
| 4K-64 Read (MB/s) | 901 | 256.5 -72% | 899 0% | 1342 49% | 1630 81% | 2749 205% | 900 ? 0% | 1722 ? 91% |
| 4K-64 Write (MB/s) | 1235 | 242.8 -80% | 1164 -6% | 1066 -14% | 1944 57% | 3152 155% | 1039 ? -16% | 2866 ? 132% |
| Access Time Read * (ms) | 0.087 | 0.15 -72% | 0.096 -10% | 0.095 -9% | 0.059 32% | 0.035 60% | 0.09075 ? -4% | 0.05956 ? 32% |
| Access Time Write * (ms) | 0.032 | 0.353 -1003% | 0.031 3% | 0.03 6% | 0.028 12% | 0.02 37% | 0.0312 ? 2% | 0.03718 ? -16% |
| Durchschnitt gesamt (Programm / Settings) | -71% /
-77% | 4% /
4% | 10% /
12% | 46% /
48% | 145% /
151% | 0% /
0% | 104% /
108% |
* ... kleinere Werte sind besser
Laufwerksdrosseln: DiskSpd-Leseschleife, Warteschlangentiefe 8
Grafikkarte
Das MSI Alpha 15 ist - zusammen mit dem Lenovo Legion 5 und dem HP Omen 16 - einer der wenigen Laptops, die in den Genuss einer dedizierten, RDNA-2-basierten mobilen AMD-Radeon-RX-6600M-Grafikkarte kommen. Die 100-W-dGPU kommt in anspruchsvollen Situationen zum Einsatz, während die integrierte Radeon RX Vega 8 im Desktopbetrieb alle grundlegenden Aufgaben erledigt. Wie die Stresstests unten zeigen, scheint die RX 6600M im Alpha 15 ein Energiebudget von 80 W zu haben.
Obwohl die RX 6600M in den 3DMark-Benchmarks um ca. 5 % hinter der RX 6700M zurückliegt, werden in den individuellen Tests größere Unterschiede deutlich. In 3DMarks Fire-Strike-Grafiktest hinkt das Alpha 15 mit der RX 6600M dem MSI Delta 15, das mit der RX 6700M ausgestattet ist, um 23 % und der RX 6800M im ROG Strix G15 um 37 % hinterher. Unser Alpha 15 liegt mit dem Gigabyte Aero 15 mit der mobilen GeForce RTX 3070 in diesem Test gleichauf.
In 3DMarks Time-Spy-Grafiktest belegt das Alpha 15 den letzten Platz. Das Leistungsabweichung gegenüber einer mobilen RTX 3060 liegt je nach TGP der RTX 3060 zwischen 5 % und 19 %.
Im Akkumodus sinken die 3DMark-Time-Spy-Punktzahlen um 66 % und 69 % in der Kategorie Gesamtleistung bzw. Grafikkomponente.
| 3DMark 11 Performance | 22934 Punkte | |
| 3DMark Ice Storm Standard Score | 147334 Punkte | |
| 3DMark Cloud Gate Standard Score | 54719 Punkte | |
| 3DMark Fire Strike Score | 19451 Punkte | |
| 3DMark Fire Strike Extreme Score | 9466 Punkte | |
| 3DMark Time Spy Score | 7476 Punkte | |
Hilfe | ||
Mit den Punktzahlen im Modus Ausbalanciert als Referenz zeigt die folgende Tabelle, wie sich die verschiedenen Leistungsprofile auf bestimmte 3DMark-Punktzahlen auswirken.
| 3DMark-Test | Hochleistung | Ausbalanciert | Leise |
|---|---|---|---|
| Time Spy Punktzahl | 7476 (+9.04%) | 6856 | 5759 (-16%) |
| Time Spy Grafik | 7200 (+8.9%) | 6611 | 5515 (-16.57%) |
| Time Spy CPU | 9558 (+10%) | 8685 | 7693 (-16%) |
| Fire Strike Punktzahl | 19451 (+26.37%) | 15391 | 14683 (-4.6%) |
| Fire Strike Grafik | 21876 (+18.11%) | 18521 | 17172 (-7.28%) |
| Fire Strike Physik | 24357 (+4.41%) | 23327 | 19552 (-16.18%) |
| Fire Strike Extreme Punktzahl | 9466 (+14%) | 8299 | 7659 (-7.71%) |
| Fire Strike Extreme Grafik | 10016 (+12%) | 8934 | 8149 (-8.78%) |
| Fire Strike Extreme Phyisk | 24245 (+2.94%) | 23552 | 19465 (-17.35%) |
Gaming-Leistung
Laut MSI soll das Alpha 15 moderne Titel in 1080p mit 100 Fps darstellen können, was sich auf hohen Grafikeinstellungen meistens bewahrheitet. Auch in 1080p/Ultra kann sich die Leistung sehen lassen und man erreicht in den meisten Titeln über 60 Fps.
Insgesamt entspricht die Radeon RX 6600M etwa einer mobilen RTX 3060 Laptop mit 95 W und fällt je nach Spiel um ca. 25 % hinter einer RTX 3060 mit 130 W zurück. Die RX 6700M im Delta 15 sichert sich zwar einen komfortablen Vorsprung, allerdings ist die RX 6600M in Far Cry 6 und F1 2021 teils genauso schnell oder sogar etwas schneller.
Der Ryzen 7 5800H und die RX 6600M sind einem Gespann aus Core i7-11800H und einer RTX 3060 mit 95 W in den meisten Spielen also durchaus gewachsen.
| Cyberpunk 2077 1.0 | |
| 1920x1080 Medium Preset | |
| MSI Delta 15 A5EFK | |
| Gigabyte Aero 15 OLED XD | |
| MSI Katana GF66 11UG-220 | |
| MSI Alpha 15 B5EEK-008 | |
| Durchschnittliche AMD Radeon RX 6600M (n=1) | |
| 1920x1080 High Preset | |
| MSI Delta 15 A5EFK | |
| Gigabyte Aero 15 OLED XD | |
| MSI Katana GF66 11UG-220 | |
| MSI Alpha 15 B5EEK-008 | |
| Durchschnittliche AMD Radeon RX 6600M (n=1) | |
| 1920x1080 Ultra Preset | |
| Gigabyte Aero 15 OLED XD | |
| MSI Delta 15 A5EFK | |
| MSI Katana GF66 11UG-220 | |
| MSI Alpha 15 B5EEK-008 | |
| Durchschnittliche AMD Radeon RX 6600M (n=1) | |
| 1920x1080 Ray Tracing Ultra Preset (DLSS off) | |
| MSI Katana GF66 11UG-220 | |
| Gigabyte Aero 15 OLED XD | |
| MSI Delta 15 A5EFK | |
| MSI Alpha 15 B5EEK-008 | |
| Durchschnittliche AMD Radeon RX 6600M (n=1) | |
| Assassin´s Creed Valhalla | |
| 1920x1080 Medium Preset | |
| MSI Delta 15 A5EFK | |
| Durchschnittliche AMD Radeon RX 6600M (82 - 108, n=2) | |
| MSI Alpha 15 B5EEK-008 | |
| 1920x1080 High Preset | |
| MSI Delta 15 A5EFK | |
| Durchschnittliche AMD Radeon RX 6600M (69 - 88, n=2) | |
| MSI Alpha 15 B5EEK-008 | |
| 1920x1080 Ultra High Preset | |
| MSI Delta 15 A5EFK | |
| Durchschnittliche AMD Radeon RX 6600M (61 - 76, n=2) | |
| MSI Alpha 15 B5EEK-008 | |
| Forza Horizon 5 | |
| 1920x1080 Medium Preset | |
| Durchschnittliche AMD Radeon RX 6600M (107 - 159, n=5) | |
| MSI Alpha 15 B5EEK-008 | |
| Asus ROG Strix G15 G513QY | |
| 1920x1080 High Preset | |
| Durchschnittliche AMD Radeon RX 6600M (96 - 149, n=5) | |
| MSI Alpha 15 B5EEK-008 | |
| Asus ROG Strix G15 G513QY | |
| 1920x1080 Extreme Preset | |
| Durchschnittliche AMD Radeon RX 6600M (56 - 89, n=5) | |
| Asus ROG Strix G15 G513QY | |
| MSI Alpha 15 B5EEK-008 | |
| F1 2021 | |
| 1920x1080 Medium Preset AA:T AF:16x | |
| Durchschnittliche AMD Radeon RX 6600M (194.2 - 283, n=5) | |
| Asus ROG Strix G15 G513QY | |
| MSI Delta 15 A5EFK | |
| MSI Alpha 15 B5EEK-008 | |
| Lenovo Legion S7 15ACH6 82K80030GE | |
| MSI Katana GF66 11UG-220 | |
| 1920x1080 High Preset AA:T AF:16x | |
| Durchschnittliche AMD Radeon RX 6600M (174.4 - 217, n=5) | |
| Asus ROG Strix G15 G513QY | |
| MSI Delta 15 A5EFK | |
| MSI Alpha 15 B5EEK-008 | |
| MSI Katana GF66 11UG-220 | |
| Lenovo Legion S7 15ACH6 82K80030GE | |
| 1920x1080 Ultra High Preset + Raytracing AA:T AF:16x | |
| Asus ROG Strix G15 G513QY | |
| MSI Delta 15 A5EFK | |
| Lenovo Legion S7 15ACH6 82K80030GE | |
| Durchschnittliche AMD Radeon RX 6600M (80.9 - 95.9, n=5) | |
| MSI Katana GF66 11UG-220 | |
| MSI Alpha 15 B5EEK-008 | |
The Witcher 3: FPS-Diagramm
Die Leistung bleibt weitestgehend konstant um die 77-Fps-Marke während The-Witcher-3-Stress in 1080p/Ultra. Gegen Ende des Tests verzeichnen wir einen kurzzeitigen Leistungsabfall auf 40 Fps, von dem sich der Laptop aber schnell wieder erholt und sich dann bei ca. 72 Fps stabilisiert.
| min. | mittel | hoch | max. | |
|---|---|---|---|---|
| BioShock Infinite (2013) | 379.8 | 316.8 | 291 | 162.9 |
| GTA V (2015) | 154 | 130 | 111 | 65.9 |
| The Witcher 3 (2015) | 292 | 217 | 133 | 75.4 |
| Dota 2 Reborn (2015) | 147.5 | 132.4 | 126.9 | 110.1 |
| Final Fantasy XV Benchmark (2018) | 157 | 95.8 | 72.1 | |
| X-Plane 11.11 (2018) | 67.8 | 51.3 | 45.6 | |
| Far Cry 5 (2018) | 125 | 106 | 102 | 95 |
| Strange Brigade (2018) | 290 | 185 | 157 | 138 |
| Borderlands 3 (2019) | 110 | 95.3 | 76.3 | 59.9 |
| Doom Eternal (2020) | 309 | 160 | 148 | 144 |
| Assassin´s Creed Valhalla (2020) | 131 | 82 | 69 | 61 |
| Cyberpunk 2077 1.0 (2020) | 125 | 68.6 | 56.1 | 46.4 |
| F1 2021 (2021) | 297 | 207 | 175 | 80.9 |
| Far Cry 6 (2021) | 113 | 98.5 | 86.6 | 75.2 |
| Forza Horizon 5 (2021) | 176 | 107 | 96 | 56 |
Emissionen: Eine kleine Jet-Turbine unter Last
Geräuschemissionen
Das MSI Alpha 15 setzt auf ein Zwillingslüftersystem, das einen höheren Geräuschpegel produziert. Das ist jedoch unter Gaming-Laptops keine Seltenheit. Wir haben die Lüftergeräusche in den drei Leistungsprofilen "Leise", "Ausbalanciert" und "Hochleistung" aufgezeichnet.
MSI scheint die Lüfter im Profil "Leise" unabhängig von der Last auf 40 dB(A) beschränkt zu haben. In den Profilen "Ausbalanciert" und "Hochleistung" verhalten sich die Lüfter ähnlich.
Im Profil "Ausbalanciert" sind die Lüfter bei maximaler Systemlast (Prime95 + FurMark) kurioserweise leiser als unter mittlerer Last (3DMark 06 - Return to Proxycon). Auch in wiederholten Durchläufen hat sich an dieser Begebenheit nichts geändert.
Möglicherweise kommt hier AMDs SmartShift zum Einsatz und stellt sicher, dass sich die CPU und GPU das Energiebudget fair teilen, was durch das niedrigere PL2-Limit im ausbalancierten Modus gegenüber dem Hochleistungmodus in einem niedrigeren Geräuschpegel resultiert.
Uns sind während des Tests keine ungewöhnlichen Störgeräusche aufgefallen.
Lautstärkediagramm
| Idle |
| 29.57 / 29.57 / 29.57 dB(A) |
| Last |
| 48.61 / 57.66 dB(A) |
![]() | ||
30 dB leise 40 dB(A) deutlich hörbar 50 dB(A) störend |
||
min: | ||
| MSI Alpha 15 B5EEK-008 AMD Radeon RX 6600M, AMD Ryzen 7 5800H, Alpha 15 B5EEK | MSI Alpha 15 B5EEK-008 AMD Radeon RX 6600M, AMD Ryzen 7 5800H, Alpha 15 B5EEK (Balanced) | MSI Alpha 15 B5EEK-008 AMD Radeon RX 6600M, AMD Ryzen 7 5800H, Alpha 15 B5EEK (Silent) | MSI Katana GF66 11UG-220 NVIDIA GeForce RTX 3070 Laptop GPU, Intel Core i7-11800H, | MSI Delta 15 A5EFK AMD Radeon RX 6700M, AMD Ryzen 9 5900HX, | Asus ROG Strix G15 G513QY AMD Radeon RX 6800M, AMD Ryzen 9 5900HX, | Lenovo Legion S7 15ACH6 82K80030GE NVIDIA GeForce RTX 3060 Laptop GPU, AMD Ryzen 9 5900HX, | |
|---|---|---|---|---|---|---|---|
| Geräuschentwicklung | 3% | 13% | -2% | 2% | 5% | 3% | |
| aus / Umgebung * (dB) | 25.49 | 25.49 -0% | 25.49 -0% | 25 2% | 25 2% | 26 -2% | 25 2% |
| Idle min * (dB) | 29.57 | 29.72 -1% | 29.44 -0% | 34 -15% | 25 15% | 26 12% | 25 15% |
| Idle avg * (dB) | 29.57 | 29.72 -1% | 29.44 -0% | 35 -18% | 30 -1% | 31 -5% | 30 -1% |
| Idle max * (dB) | 29.57 | 29.72 -1% | 29.44 -0% | 36 -22% | 40 -35% | 34 -15% | 36 -22% |
| Last avg * (dB) | 48.61 | 48.78 -0% | 40.04 18% | 48 1% | 47 3% | 44 9% | 42 14% |
| Witcher 3 ultra * (dB) | 59 | 58.6 1% | 35.26 40% | 46 22% | 48 19% | 48.5 18% | 53 10% |
| Last max * (dB) | 57.66 | 45.57 21% | 40 31% | 49 15% | 51 12% | 49 15% | 54 6% |
* ... kleinere Werte sind besser
Temperatur
MSIs Cooler Boost 5 sorgt mit zwei Lüftern und sechs Heatpipes dafür, dass die Temperaturen in verschiedenen Lastszenarien im grünen Bereich bleiben. Die Oberflächentemperaturen erfüllen in diesen Fällen unsere Erwartungen an Gaming-Laptops. Da durch das Scharnier keine Belüftungsschlitze blockiert werden, kommt es hier zu keinem Hitzestau.
Der Laptop kann im oberen Bereich recht warm werden, während die Handballenauflagen und das Touchpad meist relativ kühl bleiben. Obwohl das System unter Last ziemlich warm werden kann, sorgt der große Abstand zwischen der Bodenplatte und den Komponenten dafür, dass die Temperaturen relativ erträglich bleiben. Wenn das Alpha 15 unter hoher Last steht, würden wir dennoch vom Betrieb auf den Oberschenkeln abraten.
(±) Die maximale Temperatur auf der Oberseite ist 44.4 °C. Im Vergleich liegt der Klassendurchschnitt bei 40.4 °C (von 21.2 bis 68.8 °C für die Klasse Gaming).
(-) Auf der Unterseite messen wir eine maximalen Wert von 48.6 °C (im Vergleich zum Durchschnitt von 43.3 °C).
(+) Ohne Last messen wir eine durchschnittliche Temperatur von 29.2 °C auf der Oberseite. Der Klassendurchschnitt erreicht 33.9 °C.
(±) Beim längeren Spielen von The Witcher 3 erhitzt sich das Gerät durchschnittlich auf 36.7 °C. Der Durchschnitt der Klasse ist derzeit 33.9 °C.
(+) Die Handballen und der Touchpad-Bereich sind mit gemessenen 27 °C kühler als die typische Hauttemperatur und fühlen sich dadurch kühl an.
(±) Die durchschnittliche Handballen-Temperatur anderer getesteter Geräte war 28.8 °C (+1.8 °C).
| MSI Alpha 15 B5EEK-008 AMD Ryzen 7 5800H, AMD Radeon RX 6600M | MSI Katana GF66 11UG-220 Intel Core i7-11800H, NVIDIA GeForce RTX 3070 Laptop GPU | MSI Delta 15 A5EFK AMD Ryzen 9 5900HX, AMD Radeon RX 6700M | Asus ROG Strix G15 G513QY AMD Ryzen 9 5900HX, AMD Radeon RX 6800M | Lenovo Legion S7 15ACH6 82K80030GE AMD Ryzen 9 5900HX, NVIDIA GeForce RTX 3060 Laptop GPU | MSI GP66 Leopard 11UH-028 Intel Core i7-11800H, NVIDIA GeForce RTX 3080 Laptop GPU | Gigabyte Aero 15 OLED XD Intel Core i7-11800H, NVIDIA GeForce RTX 3070 Laptop GPU | |
|---|---|---|---|---|---|---|---|
| Hitze | -7% | -5% | 6% | 0% | -2% | -8% | |
| Last oben max * (°C) | 44.4 | 56 -26% | 50 -13% | 38.9 12% | 49 -10% | 49 -10% | 45 -1% |
| Last unten max * (°C) | 48.6 | 49 -1% | 55 -13% | 34.6 29% | 50 -3% | 47 3% | 54 -11% |
| Idle oben max * (°C) | 31.2 | 36 -15% | 31 1% | 34.4 -10% | 29 7% | 31 1% | 34 -9% |
| Idle unten max * (°C) | 32.2 | 28 13% | 30 7% | 34.4 -7% | 30 7% | 33 -2% | 36 -12% |
* ... kleinere Werte sind besser
Stresstest
Durch das Auslasten des Alpha 15 erhalten wir wertvolle Einblicke in die Leistung der CPU, GPU und die Effektivität der Kühllösung.
Im Leerlauf wird von der dedizierten RX 6600M keine Taktfrequenz ausgelesen, die durchschnittliche GPU-Temperatur ist mit 41,3 °C jedoch immer noch relativ hoch. Da wir im Hochleistungsprofil testen, liegt die Taktfrequenz im Leerlauf bei 3,2 GHz und die durchschnittliche CPU-Kerntemperature bei 35,8 °C.
Prime95-Stress
Im Prime95-Stresstest liegt die durchschnittliche Taktfrequenz zwischen 3,5 GHz und 4 GHz. Steigende CPU-Kerntemperaturen wirken sich umgekehrt-proportional auf den CPU-Takt aus.
Die "CPU Package Power" erreicht in diesem Durchlauf einen Spitzenwert von knapp 70 W bei einer Maximaltemperatur von 90 °C. Die TGP (total graphics power) der RX 6600M verbleibt bei unter 10 W, was in einer Temperatur von rund 55 °C resultiert.
Prime95-+FurMark-Stress
Im kombinierten Prime95-FurMark-Stresstest zeigt sich, dass die RX 6600M eigenartigerweise nicht an ihre Grenzen gelangt. Während sich der CPU-Takt bei gut 3,5 GHz stabilisiert, erreicht die GPU nur ungefähr 1.000 MHz und eine TGP von 30 W.
Dadurch liegen die Temperaturen des Ryzen 7 5800H zwischen 85 °C und 90 °C und die Temperatur der RX 6600M bei relativ konstanten 70 °C. Möglicherweise beschränkt der Radeon-Adrenalin-Treiber die Leistung der GPU beim Erkennen von FurMark. Dieses Verhalten ist seit vielen Jahren üblich und sogar bei den Catalyst-Treibern von vor über einem Jahrzehnt zu beobachten.
The-Witcher-3-Stress
The Witcher 3 in 1080p/Ultra ist ein realistischeres Szenario, das uns zeigt, wie sich die Grafikkarte unter Last verhält. Hier sieht man, dass die RX 6600M maximal 2.057 MHz bei einer TGP von knapp 80 W erreicht.
Die RX 6600M ist zwar eigentlich eine 100-W-TGP-Grafikkarte, die wärmste Stelle erreicht jedoch bereits bei 80 W 90°C. Da die RX 6600M an diesem Punkt ihr maximales Boost-Potenzial schon fast ausgeschöpft hat, liegt die Vermutung nahe, dass MSI die TGP der RX 6600M beschränkt hat, um die Temperaturen unter Kontrolle zu halten.
| Stresstest | CPU-Takt (GHz) | GPU-Takt (MHz) | Durchschnittliche CPU-Temperatur (°C) | Durchschnittliche CPU-Temperatur (°C) |
| Leerlauf | 3.2 | 400 (RX Vega 8) 0 (RX 6600M) |
37.2 | 37.5 (RX Vega 8) 41.3 (RX 6600M) |
| Prime95 | 3.07 | 200 (RX Vega 8) 20 (RX 6600M) |
62 | 59.2 (RX Vega 8) 48.3 (RX 6600M) |
| Prime95 + FurMark | 3.62 | 200 (RX Vega 8) 868 (RX 6600M) |
77.6 | 72.9 (RX Vega 8) 66 (RX 6600M) |
| The Witcher 3 | 3.17 | 400 (RX Vega 8) 2,059 (RX 6600M) |
68.3 | 64.5 (RX Vega 8) 69.7 (RX 6600M) |
Lautsprecher
Das MSI Alpha 15 ist mit zwei nach unten gerichteten Stereolautsprechern ausgerüstet. Die Lautsprecher wirken relativ zum Chassis relativ klein und ihre maximale Lautstärke von 78 dB(A) ist gerade noch ausreichend.
Aufgrund ihrer geringen Größe können die passiven Membranen tiefe Frequenzen nicht originalgetreu reproduzieren. Dadurch fehlt von Bässen fast jede Spur. Die Mitten und Höhen klingen jedoch relativ solide. Auch auf höheren Lautstärkestufen gibt es keine hörbaren Verzerrungen.
Wie für MSI-Lapotps üblich bietet auch das Alpha 15 zusätzliche Audioanpassungseinstellungen in der Nahimic-Software. Für ein besseres akustisches Erlebnis empfehlen wir den Gebrauch von guten Kopfhörern.
MSI Alpha 15 B5EEK-008 Audio Analyse
(±) | Mittelmäßig laut spielende Lautsprecher (78 dB)
Bass 100 - 315 Hz
(-) | kaum Bass - 21.8% niedriger als der Median
(+) | lineare Bass-Wiedergabe (6.8% Delta zum Vorgänger)
Mitteltöne 400 - 2000 Hz
(±) | zu hohe Mitten, vom Median 5.8% abweichend
(±) | Linearität der Mitten ist durchschnittlich (10.1% Delta zum Vorgänger)
Hochtöne 2 - 16 kHz
(+) | ausgeglichene Hochtöne, vom Median nur 1.8% abweichend
(+) | sehr lineare Hochtöne (3.9% Delta zum Vorgänger)
Gesamt im hörbaren Bereich 100 - 16.000 Hz
(±) | hörbarer Bereich ist durchschnittlich linear (19.2% Abstand zum Median)
Im Vergleich zu allen Geräten derselben Klasse
» 65% aller getesteten Geräte dieser Klasse waren besser, 7% vergleichbar, 28% schlechter
» Das beste Gerät hat einen Delta-Wert von 6%, durchschnittlich ist 18%, das schlechteste Gerät hat 132%
Im Vergleich zu allen Geräten im Test
» 46% aller getesteten Geräte waren besser, 7% vergleichbar, 47% schlechter
» Das beste Gerät hat einen Delta-Wert von 4%, durchschnittlich ist 24%, das schlechteste Gerät hat 134%
Apple MacBook 12 (Early 2016) 1.1 GHz Audio Analyse
(+) | Die Lautsprecher können relativ laut spielen (83.6 dB)
Bass 100 - 315 Hz
(±) | abgesenkter Bass - 11.3% geringer als der Median
(±) | durchschnittlich lineare Bass-Wiedergabe (14.2% Delta zum Vorgänger)
Mitteltöne 400 - 2000 Hz
(+) | ausgeglichene Mitten, vom Median nur 2.4% abweichend
(+) | lineare Mitten (5.5% Delta zum Vorgänger)
Hochtöne 2 - 16 kHz
(+) | ausgeglichene Hochtöne, vom Median nur 2% abweichend
(+) | sehr lineare Hochtöne (4.5% Delta zum Vorgänger)
Gesamt im hörbaren Bereich 100 - 16.000 Hz
(+) | hörbarer Bereich ist sehr linear (10.2% Abstand zum Median
Im Vergleich zu allen Geräten derselben Klasse
» 7% aller getesteten Geräte dieser Klasse waren besser, 2% vergleichbar, 91% schlechter
» Das beste Gerät hat einen Delta-Wert von 5%, durchschnittlich ist 18%, das schlechteste Gerät hat 53%
Im Vergleich zu allen Geräten im Test
» 4% aller getesteten Geräte waren besser, 1% vergleichbar, 94% schlechter
» Das beste Gerät hat einen Delta-Wert von 4%, durchschnittlich ist 24%, das schlechteste Gerät hat 134%
Energieverwaltung: Ryzen 7 5800H und RX 6600M sind sehr genügsam
Energieaufnahme
Der Verbrauch des Alpha 15 ist relativ zu anderen Laptops seiner Klasse insgesamt recht niedrig. Das Schenker XMG Apex 15 mit dem Ryzen 7 5800H und einer 130-W-RTX-3060 besitzt einen um 29 % höheren Verbrauch, beim Asus TUF Gaming F15 mit dem Core i7-11800H und einer 95-W-RTX-3060 sind es 23 %. Der engste Verwandte des Alpha 15, MSIs Delta 15, besitzt einen deutlich höheren Verbrauch, der sogar den des Asus ROG Strix G15 übersteigt, obwohl letzteres über einen Ryzen 9 5900HX und eine Radeon RX 6800M verfügt.
| Aus / Standby | |
| Idle | |
| Last |
|
Legende:
min: | |
| MSI Alpha 15 B5EEK-008 R7 5800H, Radeon RX 6600M, IPS, 1920x1080, 15.6" | MSI Katana GF66 11UG-220 i7-11800H, GeForce RTX 3070 Laptop GPU, IPS, 1920x1080, 15.6" | MSI Delta 15 A5EFK R9 5900HX, Radeon RX 6700M, IPS-Level, 1920x1080, 15.6" | Schenker XMG Apex 15 NH57E PS R7 5800H, GeForce RTX 3060 Laptop GPU, IPS, 1920x1080, 15.6" | Asus ROG Strix G15 G513QY R9 5900HX, Radeon RX 6800M, IPS, 1920x1080, 15.6" | MSI GP66 Leopard 11UH-028 i7-11800H, GeForce RTX 3080 Laptop GPU, IPS, 1920x1080, 15.6" | Asus TUF Gaming F15 FX506HM i7-11800H, GeForce RTX 3060 Laptop GPU, IPS, 1920x1080, 15.6" | Durchschnittliche AMD Radeon RX 6600M | Durchschnitt der Klasse Gaming | |
|---|---|---|---|---|---|---|---|---|---|
| Stromverbrauch | -17% | -44% | -29% | -37% | -43% | -23% | -42% | -65% | |
| Idle min * (Watt) | 9.1 | 8 12% | 10 -10% | 10.5 -15% | 12.1 -33% | 13 -43% | 9.5 -4% | 13.7 ? -51% | 13.8 ? -52% |
| Idle avg * (Watt) | 14.61 | 12 18% | 18 -23% | 15 -3% | 13 11% | 17 -16% | 12.1 17% | 16.6 ? -14% | 19.6 ? -34% |
| Idle max * (Watt) | 15.05 | 22 -46% | 25 -66% | 17 -13% | 14.7 2% | 18 -20% | 22.5 -50% | 19.1 ? -27% | 25.8 ? -71% |
| Last avg * (Watt) | 77.8 | 98 -26% | 101 -30% | 109 -40% | 90.3 -16% | 96 -23% | 99.5 -28% | 114.4 ? -47% | 110.5 ? -42% |
| Witcher 3 ultra * (Watt) | 131 | 152 -16% | 187 -43% | 186 -42% | 200 -53% | 207 -58% | 157 -20% | ||
| Last max * (Watt) | 114.42 | 162 -42% | 217 -90% | 186 -63% | 263.4 -130% | 223 -95% | 173.5 -52% | 197.8 ? -73% | 258 ? -125% |
* ... kleinere Werte sind besser
Interessant ist auch, dass der Verbrauch im Laufe des Prime95-Tests stetig abfällt. Wird das System nur mit Prime95 ausgelastet, dauert es 2,5 Minuten, bevor dieses Verhalten einsetzt. Beim gleichzeitigen Ausführen von FurMark verkleinert sich das Zeitfenster auf ca. 1,5 Minuten.
Die Ursache dafür kennen wir nicht genau, wir vermuten jedoch, dass sie etwas mit der höheren GPU-Priorisierung von AMDs SmartShift zu tun hat, die wir auch im Stresstest oben beobachten konnten.
Verbrauch - The Witcher 3 / Stresstest
Verbrauch - External Monitor
Akkulaufzeit
In der Kategorie "Akkulaufzeit" zeigen die meisten Gaming-Laptops keine Glanzleistungen und das MSI Alpha 15 bildet hier keine Ausnahme. Wir haben das Profile "Ausbalanciert" gewählt, um die Akkulaufzeiten bewerten. In unserem standardisierten WLAN-Test bei einer Helligkeit von 150 cd/m² hält der 90-Wh-Akku des Alpha 15 knapp 8 Stunden und 45 Minuten lang durch. Auch wenn das nicht nach viel aussieht, ist es im Vergleichsfeld ein überdurchschnittliches Ergebnis.
Im Akkumodus Spiele zu spielen scheint keine sonderlich gute Idee zu sein, denn beim Spielen von The Witcher 3 in 1080p/Ultra bei einer Helligkeit von 150 cd/m² macht der Akku schon nach knapp 2 Stunden schlapp. Die Videowiedergabezeit liegt zwar nahe bei 10 Studen und erfüllt damit die Anforderungen für das AMD-Advantage-Programm, gleichzeitig allerdings auch unter den von MSI angegebenen 13 Stunden.
Für unterwegs empfehlen wir die Nutzung des Profils "Leise" oder "Super-Energiesparmodus", um die Akkulaufzeit zu maximieren.
| MSI Alpha 15 B5EEK-008 R7 5800H, Radeon RX 6600M, 90 Wh | MSI Katana GF66 11UG-220 i7-11800H, GeForce RTX 3070 Laptop GPU, 90 Wh | MSI Delta 15 A5EFK R9 5900HX, Radeon RX 6700M, 82 Wh | Schenker XMG Apex 15 NH57E PS R7 5800H, GeForce RTX 3060 Laptop GPU, 49 Wh | Asus ROG Strix G15 G513QY R9 5900HX, Radeon RX 6800M, 90 Wh | MSI GP66 Leopard 11UH-028 i7-11800H, GeForce RTX 3080 Laptop GPU, 65 Wh | Asus TUF Gaming F15 FX506HM i7-11800H, GeForce RTX 3060 Laptop GPU, 90 Wh | Durchschnitt der Klasse Gaming | |
|---|---|---|---|---|---|---|---|---|
| Akkulaufzeit | -28% | -4% | -28% | 30% | -50% | 4% | -24% | |
| Idle (h) | 12.3 | 9.1 -26% | 11.1 -10% | 16.1 31% | 11 -11% | 9.23 ? -25% | ||
| H.264 (h) | 9.8 | 4.6 -53% | 3.5 -64% | 7.93 ? -19% | ||||
| WLAN (h) | 8.7 | 5.3 -39% | 7.9 -9% | 6.5 -25% | 9.2 6% | 3.6 -59% | 7.9 -9% | 6.71 ? -23% |
| Witcher 3 ultra (h) | 1.9 | 0.8 -58% | 0.958 ? -50% | |||||
| Last (h) | 1.5 | 1.2 -20% | 1.6 7% | 1.4 -7% | 2.3 53% | 1.2 -20% | 2 33% | 1.472 ? -2% |
Pro
Contra
Fazit: AMD und die Käufer profitieren vom Advantage-Programm
Der Anspruch des MSI Alpha 15 ist es, ein gutes Gesamtsystem für die meisten 1080p-Spieler zu sein und das gelingt ihm ziemlich gut. Obwohl das Gehäuse nicht an das von höherwertigen Laptops herankommt, ist es für den Alltag robust genug, vor allem da der Laptop im Gegensatz zu Thin-and-Light-Gaming-Laptops besser für den Betrieb auf dem Schreibtisch gemacht ist. MSI hat dafür gesorgt, dass alle wichtigen Anschlüsse einschließlich des Ethernet-Ports vorhanden sind. Außerdem kann der Laptop leicht gewartet und aufgerüstet werden.
Über die Kunststoffkonstruktion können wir zwar hinwegsehen, MSI ist jedoch auch beim Display Kompromisse eingegangen. Einerseits bietet es ausgezeichnete Reaktionszeiten und verzichtet auf den Einsatz von PWM. Andererseits ist es bereits relativ alt und das Helligkeitsniveau und die Farben lassen zu wünschen übrig. Konkurrierende Laptops wie das MSI Delta 15, Schenker XMG Apex 15 und das Asus ROG Strix G15 sind mit besseren Panels ausgestattet und somit besser für diejenigen geeignet, die ein breiteres Farbspektrum benötigen. Das Lenovo Legion S7 bietet sogar ein 4K-Panel, dafür verlangt der Hersteller jedoch auch einen ordentlichen Aufpreis.
Das MSI Alpha 15 ist ein tolles Aushängeschild für AMDs Advantage-Programm und die Radeon RX 6600 und muss nur kleine Kompromisse eingehen. Es lohnt sich definitiv, einen Blick auf das Alpha 15 zu werfen, wenn man auf der Suche nach einer Leistungsfähigen Intel-/Nvidia-Alternative für wettbewerbsorientiertes 1080p-Gaming ist.
MSI schränkt die Leistung des Ryzen 7 5800H in keiner Weise ein. Je nach Einsatzszenario und Geräuschempfindlichkeit lassen sich verschiedene Leistungsprofile auswählen. In den Spielen aus unserem Testfeld sind wir zwar auf keine Probleme gestoßen, uns ist allerdings aufgefallen, dass die RX 6600M das 100-W-TGP-Limit möglicherweise nicht immer erreicht. Auf die Taktfrequenzen oder die Leistung hat das jedoch keinen nennenswerten Einfluss.
Obwohl die RX 6600M ein würdiger Gegner für die RTX 3060 ist, erreicht letztere in Versionen mit höherem Energiebudget ein höheres Leistungsniveau. Außerdem hat Nvidia mit Technologien wie DLSS und Raytracing die Oberhand, da die Spieleentwicklung für AMD FSR noch in den Kinderschuhen steckt. Der Verbrauch und die Akkulaufzeiten sind dagegen besser als bei der Konkurrenz, allerdings laufen Spiele im Akkumodus nicht ganz so schnell, wie wir es uns wünschen würden.
Insgesamt macht das Alpha 15 seinem Preis von ~1.300 Euro alle Ehre. AMD hat auf der CES 2022 angekündigt, dass das AMD-Advantage-Programm um neue Funktionen und Herstellerkooperationen erweitert werden soll und wir freuen uns auf weitere Laptops, die in bestimmten Konfigurationen ein gewisses Leistungsniveau garantieren.
Preis und Verfügbarkeit
MSI Alpha 15 B5EEK-008
- 08.01.2022 v7 (old)
Vaidyanathan Subramaniam


































































































