Aorus 17X AZF im Test: High-End-Gaming-Laptop mit i9-13900HX und RTX 4090 kombiniert mit einem flachen Gehäuse

Auf Basis eines Intel Raptor-Lake H Prozessors und dem aktuellen mobilen GPU-Flaggschiff aus dem Hause Nvidia präsentiert sich das neue Aorus 17X AZF. Im Detail werkelt ein Intel Core i9-13900HX zusammen mit einer Nvidia GeForce RTX 4090 Laptop GPU unter der Haube. Allein die beiden genannten Komponenten lassen schon erahnen, in welche Richtung es geht. Doch wie gut performt die Hardware in dem schlanken Gehäuse? Wir sind dem nachgegangen und gehen später genauer darauf ein. Doch CPU und GPU allein machen noch keinen guten Gaming-Laptop aus und somit sehen wir im Aorus 17X AZF einen 17-Zoll-Bildschirm mit 240-HZ sowie insgesamt 2-TB-SSD-Speicher, womit viele Spiele und andere Programme problemlos gespeichert werden können. In dieser Ausstattung kostet das gute Stück 3.800 Euro.
Alternativ ist das Aorus 17X auch mit einem Intel Core i7-13700HX verfügbar. Gleichwohl gibt es keine weiteren Auswahlmöglichkeiten hinsichtlich der verbauten Grafikkarte. Unterschiede gibt es unterdessen nur bei der Geschwindigkeit des DDR5-RAMs. Der Core i7 ist technisch auf maximal 4800 MT/s begrenzt, wohingegen beim Core i9-Modell 5600 MT/s das Maximum ist.
Ähnlich viel Leistung bietet auch die Konkurrenz, wenn man sich rein die technischen Daten anschaut, denn in der Basis sind diese ebenfalls mit Intel Raptor-Lake H Prozessoren und den mobilen Ada-Lovelace-GPUs bestückt. Eine genaue Übersicht der Vergleichsgeräte finden Sie in der nachfolgenden Tabelle.
mögliche Konkurrenten im Vergleich
Bew. | Datum | Modell | Gewicht | Dicke | Größe | Auflösung | Preis ab |
|---|---|---|---|---|---|---|---|
| 86 % v7 (old) | 04 / 2023 | Aorus 17X AZF i9-13900HX, GeForce RTX 4090 Laptop GPU | 2.9 kg | 21.8 mm | 17.30" | 2560x1440 | |
| 88.4 % v7 (old) | 03 / 2023 | Medion Erazer Beast X40 i9-13900HX, GeForce RTX 4090 Laptop GPU | 2.9 kg | 33 mm | 17.00" | 2560x1600 | |
| 88.3 % v7 (old) | 04 / 2023 | MSI GE78HX 13VH-070US i9-13950HX, GeForce RTX 4080 Laptop GPU | 3 kg | 23 mm | 17.00" | 2560x1600 | |
| 85.4 % v7 (old) | 03 / 2023 | HP Omen 17-ck2097ng i9-13900HX, GeForce RTX 4080 Laptop GPU | 2.8 kg | 27 mm | 17.30" | 2560x1440 | |
| 90.7 % v7 (old) | 04 / 2023 | Alienware m18 R1 i9-13980HX, GeForce RTX 4090 Laptop GPU | 3.9 kg | 26.7 mm | 18.00" | 1920x1200 | |
| 89 % v7 (old) | 02 / 2023 | MSI Titan GT77 HX 13VI i9-13950HX, GeForce RTX 4090 Laptop GPU | 3.5 kg | 23 mm | 17.30" | 3840x2160 |
Gehäuse - Aluminium und Kunststoff am Aorus 17X
Beim Aorus 17X kommen überwiegend Aluminium und Kunststoff zum Einsatz. Das hat den Vorteil eines geringen Gewichts, denn mit unter 3 Kilogramm gehört das Gerät hier im Vergleich zu den leichteren Vertretern. Nur das HP Omen 17 ist etwas leichter. Bei der Stabilität erweist sich die Materialauswahl etwas nachteilig, was aber beim Drucktest noch als gut zu bewerten ist. Bei großen 17-Zoll-Laptops muss der Hersteller immer einen guten Spagat zwischen Stabilität und Mobilität finden, was unserer Ansicht nach bei dem Aorus 17X AZF gelungen ist. Der Displaydeckel, welcher auf der Oberseite aus Aluminium besteht, ist relativ stabil, wenngleich sich dieser aber mit etwas Kraftaufwand dennoch verdrehen lässt. Stabil sind auch die verbauten Scharniere, welche einen guten Eindruck hinterlassen und ein Nachwippen auf ein Minimum reduzieren. Zudem lässt sich das Display trotzdem noch einhändig öffnen, ohne das ganze Gerät anzuheben. Farbliche Akzente gibt es nur auf der Rückseite in Form eines beleuchteten Aorus-Schriftzuges. Weiterhin gibt es noch auf dem Displaydeckel ein silbernes Aorus-Logo, womit das sonst in komplett schwarz gekleidete Gerät etwas aufgelockert wird.
Ausstattung
Übermäßig viele Anschlüsse finden wir beim Aorus 17X AZF leider nicht. Dennoch sollten die vorhandenen Schnittstellen die meisten Anwender zufrieden stimmen. Immerhin gibt es einen modernen Thunderbolt-4-Anschluss mit Power-Delivery (PD) und drei herkömmliche USB-Buchsen. Externe Bildschirme lassen sich unterdessen via HDMI oder DisplayPort betreiben. Die Verteilung der Schnittstellen ist ordentlich, wenngleich der Hersteller aufgrund der ausladenden Heatpipe-Konstruktion im Inneren kaum andere Möglichkeiten hatte.
Kommunikation
Das verbaute WLAN-Modul liefert eine gute Leistung. Gegenüber der Konkurrenz braucht sich das Aorus 17X AZF also nicht zu verstecken. Als Testrouter kam unser Asus ROG Rapture GT-AXE11000 zum Einsatz. Alternativ bietet das Aorus 17X AZF auch noch einen Ethernet-Anschluss. Hier sind dann bis zu 2.5 GBit/s möglich.
Webcam
Die verbaute Webcam des Aorus 17X AZF löst in FHD auf. Damit eignet sich diese für einfache Videotelefonie. Zudem gibt es aufgrund der fehlenden Farbtreue etwas Punktabzug. Das Dual-Array-Mikrofon verrichtet hingegen gute Arbeit, denn Aufnahmen aus verschiedenen Richtungen werden in ähnlich gleicher Lautstärke wiedergegeben.

Wartung
Wartungsarbeiten sind an dem Aorus 17X AZF grundsätzlich möglich. Dazu muss allerdings die Bodenplatte demontiert werden, welche mit zahlreichen Schrauben befestigt ist. Unter der Bodenplatte verbirgt sich alles Wichtige, wie die vier Lüfter, die Massenspeicher sowie der Arbeitsspeicher. In unserem Fall ist das Gerät voll bestückt und freie Plätze für RAM oder SSD sind nicht vorhanden.
Garantie
Beim Kauf des Aorus 17X AZF ist es eine 24-monatige Garantie mit Pickup and Return Service inkludiert.
Software
Zur Steuerung und Überwachung der Komponenten des Aorus 17X AZF gibt es das Gigabyte Control Center (GCC). Im Test gab es keine Probleme bei der Nutzung der Software. Über diese lässt sich die Leistung des Laptops regulieren, was auch einen erheblichen Einfluss auf die Geräuschkulisse hat. Über den Reiter FAN Control kann man hingegen die Lüfterkurve noch etwas anpassen. Zudem lassen sich viele verschiedene Beleuchtungseffekte für die Tastatur auswählen.
Eingabegeräte
Tastatur
Das Aorus 17X AZF bringt eine beleuchtete 6-Zeilen-Chiclet-Tastatur inklusive Nummernblock mit. Die glatten Tasten bieten einen mittleren Hub und einen gut spürbaren Druckpunkt. Beim Tippen gibt das Eingabegerät leicht nach, was aber nicht übermäßig ausgeprägt ist. Die Hintergrundbeleuchtung lässt sich per Tastenkombination in drei Helligkeitsstufen einstellen und über das GCC (Gigabyte Control Center) gibt es noch viele weitere Optionen für die Beleuchtungseffekte.
Touchpad
Der Mausersatz in Form eines multitouchfähigen Clickpads (ca. 12,1 x 7,6 cm) bietet eine angenehme Größe. Auch optisch hat Aorus hier mit dem eigenen Logo etwas gespielt, was als dezenter Hingucker gefällt. Das Clickpad bietet eine glatte Oberfläche, was den Finger einfach darüber gleiten lässt. Die Eingabefläche kann in Gänze genutzt werden und reagiert auch in den Ecken. Das Pad bietet einen kurzen Hub für die Eingaben und gibt dem Nutzer durch den deutlichen Druckpunkt ein klares Feedback.
Display
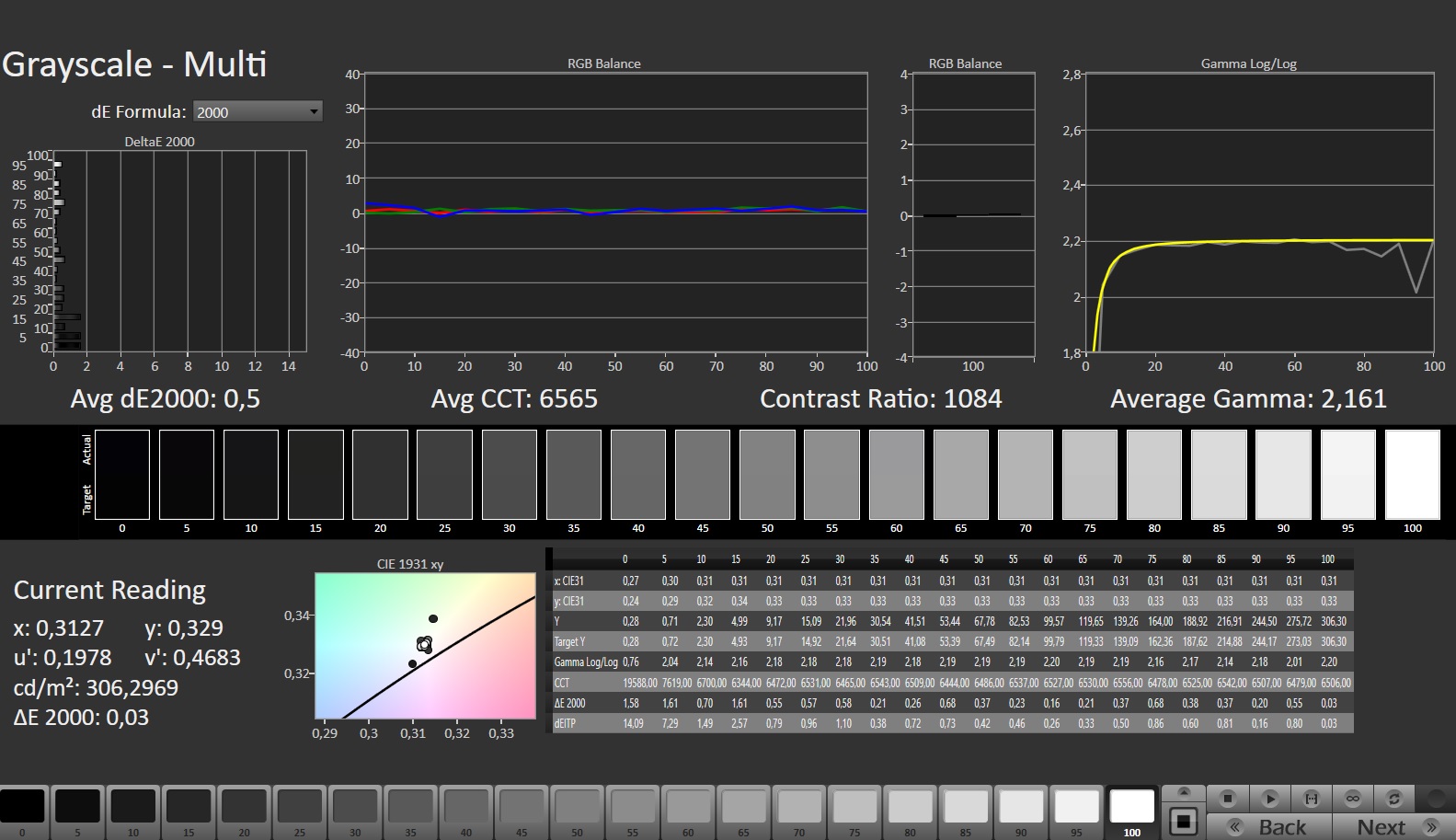
Das Aorus 17X AZF kommt mit einem guten QHD-Panel daher, welches mit der Bildwiederholrate von 240 Hz die Bedürfnisse der meisten Gamer erfüllen dürfte. Bei der durchschnittlichen Helligkeit schwächelt unser Testsample allerdings deutlich im Vergleich zu Konkurrenz. Nur 276 cd/m² im Durchschnitt sind zu wenig und somit reicht es hierbei nur für den letzten Platz. Mit leichten Lichthöfen verliert das Aorus 17X AZF ebenfalls wichtige Wertungspunkte in der Display-Note. Dafür konnten wir aber kein PWM feststellen, womit Ermüdungserscheinungen bei längerer Nutzung vorgebeugt werden kann.
Alternative Display-Optionen, wie ein 4K-Panel sind für das Aorus 17X AZF nicht vorgesehen.
| |||||||||||||||||||||||||
Ausleuchtung: 90 %
Helligkeit Akku: 294 cd/m²
Kontrast: 1050:1 (Schwarzwert: 0.28 cd/m²)
ΔE ColorChecker Calman: 2.81 | ∀{0.5-29.43 Ø4.77}
calibrated: 0.86
ΔE Greyscale Calman: 3.4 | ∀{0.09-98 Ø5}
84.5% AdobeRGB 1998 (Argyll 3D)
99.9% sRGB (Argyll 3D)
96.7% Display P3 (Argyll 3D)
Gamma: 2.301
CCT: 7389 K
| Aorus 17X AZF BOE09F9, IPS, 2560x1440, 17.3" | Medion Erazer Beast X40 BOE NE170QDM-NZ1, IPS, 2560x1600, 17" | MSI GE78HX 13VH-070US AU Optronics B170QAN01.2, IPS, 2560x1600, 17" | HP Omen 17-ck2097ng BOE BOE09BF, IPS, 2560x1440, 17.3" | MSI Titan GT77 HX 13VI B173ZAN06.C, Mini-LED, 3840x2160, 17.3" | Alienware m18 R1 Chi Mei 180JME, IPS, 1920x1200, 18" | |
|---|---|---|---|---|---|---|
| Display | -16% | 1% | -17% | 2% | 2% | |
| Display P3 Coverage (%) | 96.7 | 68.6 -29% | 97.6 1% | 67.4 -30% | 94.9 -2% | 97.7 1% |
| sRGB Coverage (%) | 99.9 | 99.8 0% | 99.9 0% | 97.6 -2% | 99.9 0% | 100 0% |
| AdobeRGB 1998 Coverage (%) | 84.5 | 69.4 -18% | 86.5 2% | 69.6 -18% | 92.4 9% | 89.8 6% |
| Response Times | 23% | 54% | 1% | -169% | 41% | |
| Response Time Grey 50% / Grey 80% * (ms) | 14 ? | 11.3 ? 19% | 4.2 ? 70% | 15.6 ? -11% | 38.4 ? -174% | 3 ? 79% |
| Response Time Black / White * (ms) | 10.1 ? | 7.5 ? 26% | 6.4 ? 37% | 8.9 ? 12% | 26.6 ? -163% | 9.9 ? 2% |
| PWM Frequency (Hz) | 2380 ? | |||||
| Bildschirm | 11% | -24% | 14% | 64117% | 26% | |
| Helligkeit Bildmitte (cd/m²) | 294 | 384 31% | 398.6 36% | 371 26% | 606 106% | 372.8 27% |
| Brightness (cd/m²) | 276 | 377 37% | 384 39% | 350 27% | 602 118% | 367 33% |
| Brightness Distribution (%) | 90 | 90 0% | 89 -1% | 90 0% | 93 3% | 97 8% |
| Schwarzwert * (cd/m²) | 0.28 | 0.45 -61% | 0.46 -64% | 0.32 -14% | 0.0001 100% | 0.32 -14% |
| Kontrast (:1) | 1050 | 853 -19% | 867 -17% | 1159 10% | 6060000 577043% | 1165 11% |
| Delta E Colorchecker * | 2.81 | 2.05 27% | 4.05 -44% | 1.74 38% | 4.8 -71% | 1.92 32% |
| Colorchecker dE 2000 max. * | 5.7 | 3.64 36% | 8.68 -52% | 3.59 37% | 8.2 -44% | 3.65 36% |
| Colorchecker dE 2000 calibrated * | 0.86 | 0.74 14% | 1.02 -19% | 1.01 -17% | 1.8 -109% | 0.51 41% |
| Delta E Graustufen * | 3.4 | 2.3 32% | 6.5 -91% | 2.8 18% | 6.5 -91% | 1.5 56% |
| Gamma | 2.301 96% | 2.017 109% | 2.11 104% | 2.19 100% | 2.63 84% | 2.34 94% |
| CCT | 7389 88% | 6546 99% | 7518 86% | 6474 100% | 6596 99% | 6607 98% |
| Durchschnitt gesamt (Programm / Settings) | 6% /
7% | 10% /
-7% | -1% /
5% | 21317% /
41195% | 23% /
23% |
* ... kleinere Werte sind besser
Die Darstellungsqualität des verbauten Displays ist subjektiv betrachtet einwandfrei und trotz der matten Oberfläche gibt es keine sichtbare Körnung. Zusammengefasst sind die gemessenen DeltaE-2000-Werte der Farben im Auslieferungszustand relativ nah an dem Zielwert von 3. Die Konkurrenz beweist zum Teil aber, dass es noch besser gehen kann. Durch unsere manuelle Kalibrierung konnten wir die Werte deutlich verbessern. Zudem konnte der Blaustich etwas minimiert werden. Wer also das Gerät zur Bildbearbeitung verwenden möchte, sollte unserer Empfehlung nach das oben verlinkte ICC-Profil nutzen.
Reaktionszeiten (Response Times) des Displays
| ↔ Reaktionszeiten Schwarz zu Weiß | ||
|---|---|---|
| 10.1 ms ... steigend ↗ und fallend ↘ kombiniert | ↗ 5.3 ms steigend | |
| ↘ 4.8 ms fallend | ||
| Die gemessenen Reaktionszeiten sind gut, für anspruchsvolle Spieler könnten der Bildschirm jedoch zu langsam sein. Im Vergleich rangierten die bei uns getesteten Geräte von 0.1 (Minimum) zu 240 (Maximum) ms. » 27 % aller Screens waren schneller als der getestete. Daher sind die gemessenen Reaktionszeiten besser als der Durchschnitt aller vermessenen Geräte (20.2 ms). | ||
| ↔ Reaktionszeiten 50% Grau zu 80% Grau | ||
| 14 ms ... steigend ↗ und fallend ↘ kombiniert | ↗ 6.9 ms steigend | |
| ↘ 7.1 ms fallend | ||
| Die gemessenen Reaktionszeiten sind gut, für anspruchsvolle Spieler könnten der Bildschirm jedoch zu langsam sein. Im Vergleich rangierten die bei uns getesteten Geräte von 0.165 (Minimum) zu 636 (Maximum) ms. » 27 % aller Screens waren schneller als der getestete. Daher sind die gemessenen Reaktionszeiten besser als der Durchschnitt aller vermessenen Geräte (31.6 ms). | ||
Bildschirm-Flackern / PWM (Pulse-Width Modulation)
| Flackern / PWM nicht festgestellt | |||
Im Vergleich: 53 % aller getesteten Geräte nutzten kein PWM um die Helligkeit zu reduzieren. Wenn PWM eingesetzt wurde, dann bei einer Frequenz von durchschnittlich 8083 (Minimum 5, Maximum 343500) Hz. | |||
Leistung - Raptor Lake mit Ada Lovelace kombiniert
Das Aorus 17X AZF zählt aktuell zu den leistungsstärksten Gaming-Notebooks und bietet auf Basis von Raptor Lake und Ada Lovelace eine hervorragende Leistung. Das hier vorliegende Testgerät ist für etwa 3.800 Euro zu haben.
Testbedingungen
Das Kontrollzentrum des Aorus 17X AZF (Gigabyte Control Center) stellt neben den typischen Leistungsmodi (siehe Tabelle) eine von uns genutzte, übergeordnete AI-Boost-Funktion bereit. In der Folge wählt also das Control Center das passende Profil - "Gaming Modus" und "Creator Modus" für die Benchmarks, "Energiespar Ruhemodus" für die Akkutests.
Der "Turbo Modus" dient in einzelnen Fällen für einen geringen Leistungszuwachs, was aber seinen Preis hat: Die Lüfter arbeiten dauerhaft mit voller Kraft. Im "Meeting Modus" arbeitet das Gerät sehr leise, bis hin zur Lautlosigkeit. Die Leistung nimmt dadurch spürbar ab, wenngleich hier die Multi-Thread-Leistung mehr in Mitleidenschaft gezogen wird als die Single-Thread-Leistung.
| Creator Modus | Turbo Modus | Gaming Modus | Meeting Modus | Energiespar Ruhemodus | |
|---|---|---|---|---|---|
| Power Limit 1 | 86 Watt | 86 Watt | 86 Watt | 15 Watt | 15 Watt |
| Power Limit 2 | 157 Watt | 157 Watt | 157 Watt | 30 Watt | 30 Watt |
Prozessor
Der Intel Core-i9-13900HX-Prozessor (Raptor Lake) setzt sich aus 16 Effizienzkernen (kein Hyperthreading, 1,6 bis 3,9 GHz) und 8 Performancekernen (Hyperthreading, 2,2 bis 5,4 GHz) zusammen. In der Summe ergeben sich 32 logische CPU-Kerne, was im Test mit einer enormen Multi-Thread-Leistung einhergeht. Bei den Benchmarks liefern sich alle Kontrahenten ein enges Kopf-an-Kopf-Rennen. Beim CPU Performance Rating, was den Mittelwert aus den dargestellten Benchmarks abbildet, findet sich unser Testsample jedoch nur auf dem vorletzten Platz wieder. Nur das HP Omen 17 auf Basis des gleichen SoC kann hier übertroffen werden. Eine etwas bessere Leistung als unser Testsample kann das Medion Erazer Beast liefern. Die restlichen Kontrahenten können aufgrund ihrer etwas schnelleren SoCs besser abschneiden. Gleichwohl ist der Rückstand auf das MSI GE78HX mit nur 12 Prozent recht überschaubar.
Der CB15-Schleifentest zeigt, dass der CPU-Boost nur zu Beginn zum Einsatz kommt. Die simulierte dauerhafte Multi-Thread-Last lässt den Takt schon nach dem ersten Durchlauf leicht absinken, wenngleich ab dem dritten Durchlauf die Leistung stabil bleibt.
Cinebench R15 Multi Dauertest
Cinebench R23: Multi Core | Single Core
Cinebench R20: CPU (Multi Core) | CPU (Single Core)
Cinebench R15: CPU Multi 64Bit | CPU Single 64Bit
Blender: v2.79 BMW27 CPU
7-Zip 18.03: 7z b 4 | 7z b 4 -mmt1
Geekbench 5.5: Multi-Core | Single-Core
HWBOT x265 Benchmark v2.2: 4k Preset
LibreOffice : 20 Documents To PDF
R Benchmark 2.5: Overall mean
| CPU Performance Rating | |
| MSI GE78HX 13VH-070US | |
| Alienware m18 R1 | |
| MSI Titan GT77 HX 13VI | |
| Medion Erazer Beast X40 | |
| Durchschnittliche Intel Core i9-13900HX | |
| Aorus 17X AZF | |
| HP Omen 17-ck2097ng | |
| Durchschnitt der Klasse Gaming | |
| Cinebench R23 / Multi Core | |
| MSI Titan GT77 HX 13VI | |
| MSI GE78HX 13VH-070US | |
| Alienware m18 R1 | |
| Medion Erazer Beast X40 | |
| Durchschnittliche Intel Core i9-13900HX (24270 - 32623, n=23) | |
| Aorus 17X AZF | |
| HP Omen 17-ck2097ng | |
| Durchschnitt der Klasse Gaming (5668 - 40970, n=145, der letzten 2 Jahre) | |
| Cinebench R23 / Single Core | |
| MSI GE78HX 13VH-070US | |
| Alienware m18 R1 | |
| MSI Titan GT77 HX 13VI | |
| Aorus 17X AZF | |
| HP Omen 17-ck2097ng | |
| Durchschnittliche Intel Core i9-13900HX (1867 - 2105, n=20) | |
| Medion Erazer Beast X40 | |
| Durchschnitt der Klasse Gaming (1136 - 2267, n=145, der letzten 2 Jahre) | |
| Cinebench R20 / CPU (Multi Core) | |
| MSI Titan GT77 HX 13VI | |
| MSI GE78HX 13VH-070US | |
| Alienware m18 R1 | |
| Medion Erazer Beast X40 | |
| Durchschnittliche Intel Core i9-13900HX (9152 - 12541, n=21) | |
| Aorus 17X AZF | |
| HP Omen 17-ck2097ng | |
| Durchschnitt der Klasse Gaming (2179 - 16108, n=144, der letzten 2 Jahre) | |
| Cinebench R20 / CPU (Single Core) | |
| Aorus 17X AZF | |
| Alienware m18 R1 | |
| HP Omen 17-ck2097ng | |
| MSI Titan GT77 HX 13VI | |
| MSI GE78HX 13VH-070US | |
| Durchschnittliche Intel Core i9-13900HX (722 - 810, n=21) | |
| Medion Erazer Beast X40 | |
| Durchschnitt der Klasse Gaming (439 - 870, n=144, der letzten 2 Jahre) | |
| Cinebench R15 / CPU Multi 64Bit | |
| MSI Titan GT77 HX 13VI | |
| MSI GE78HX 13VH-070US | |
| Alienware m18 R1 | |
| Medion Erazer Beast X40 | |
| Durchschnittliche Intel Core i9-13900HX (3913 - 4970, n=22) | |
| Aorus 17X AZF | |
| HP Omen 17-ck2097ng | |
| Durchschnitt der Klasse Gaming (1537 - 6271, n=144, der letzten 2 Jahre) | |
| Cinebench R15 / CPU Single 64Bit | |
| Aorus 17X AZF | |
| MSI GE78HX 13VH-070US | |
| Alienware m18 R1 | |
| HP Omen 17-ck2097ng | |
| MSI Titan GT77 HX 13VI | |
| Medion Erazer Beast X40 | |
| Durchschnitt der Klasse Gaming (188.8 - 343, n=143, der letzten 2 Jahre) | |
| Durchschnittliche Intel Core i9-13900HX (247 - 304, n=22) | |
| Blender / v2.79 BMW27 CPU | |
| Durchschnitt der Klasse Gaming (80 - 517, n=140, der letzten 2 Jahre) | |
| HP Omen 17-ck2097ng | |
| Aorus 17X AZF | |
| Durchschnittliche Intel Core i9-13900HX (101 - 153, n=22) | |
| Medion Erazer Beast X40 | |
| MSI GE78HX 13VH-070US | |
| MSI Titan GT77 HX 13VI | |
| Alienware m18 R1 | |
| 7-Zip 18.03 / 7z b 4 | |
| Alienware m18 R1 | |
| MSI Titan GT77 HX 13VI | |
| MSI GE78HX 13VH-070US | |
| Medion Erazer Beast X40 | |
| Durchschnittliche Intel Core i9-13900HX (90675 - 127283, n=21) | |
| HP Omen 17-ck2097ng | |
| Aorus 17X AZF | |
| Durchschnitt der Klasse Gaming (23795 - 148086, n=142, der letzten 2 Jahre) | |
| 7-Zip 18.03 / 7z b 4 -mmt1 | |
| Aorus 17X AZF | |
| MSI GE78HX 13VH-070US | |
| HP Omen 17-ck2097ng | |
| MSI Titan GT77 HX 13VI | |
| Medion Erazer Beast X40 | |
| Alienware m18 R1 | |
| Durchschnittliche Intel Core i9-13900HX (6340 - 7177, n=21) | |
| Durchschnitt der Klasse Gaming (4199 - 7508, n=142, der letzten 2 Jahre) | |
| Geekbench 5.5 / Multi-Core | |
| Alienware m18 R1 | |
| MSI GE78HX 13VH-070US | |
| MSI Titan GT77 HX 13VI | |
| HP Omen 17-ck2097ng | |
| Medion Erazer Beast X40 | |
| Durchschnittliche Intel Core i9-13900HX (17614 - 21075, n=22) | |
| Aorus 17X AZF | |
| Durchschnitt der Klasse Gaming (4557 - 27010, n=141, der letzten 2 Jahre) | |
| Geekbench 5.5 / Single-Core | |
| MSI GE78HX 13VH-070US | |
| HP Omen 17-ck2097ng | |
| Aorus 17X AZF | |
| Alienware m18 R1 | |
| MSI Titan GT77 HX 13VI | |
| Medion Erazer Beast X40 | |
| Durchschnitt der Klasse Gaming (986 - 2474, n=141, der letzten 2 Jahre) | |
| Durchschnittliche Intel Core i9-13900HX (1345 - 2093, n=22) | |
| HWBOT x265 Benchmark v2.2 / 4k Preset | |
| MSI GE78HX 13VH-070US | |
| Alienware m18 R1 | |
| MSI Titan GT77 HX 13VI | |
| Medion Erazer Beast X40 | |
| Durchschnittliche Intel Core i9-13900HX (23.5 - 34.4, n=22) | |
| Durchschnitt der Klasse Gaming (7.7 - 44.3, n=142, der letzten 2 Jahre) | |
| HP Omen 17-ck2097ng | |
| Aorus 17X AZF | |
| LibreOffice / 20 Documents To PDF | |
| Durchschnitt der Klasse Gaming (19 - 88.8, n=141, der letzten 2 Jahre) | |
| MSI GE78HX 13VH-070US | |
| Alienware m18 R1 | |
| MSI Titan GT77 HX 13VI | |
| Aorus 17X AZF | |
| HP Omen 17-ck2097ng | |
| Medion Erazer Beast X40 | |
| Durchschnittliche Intel Core i9-13900HX (32.8 - 51.1, n=21) | |
| R Benchmark 2.5 / Overall mean | |
| Durchschnitt der Klasse Gaming (0.3439 - 0.759, n=142, der letzten 2 Jahre) | |
| MSI Titan GT77 HX 13VI | |
| Durchschnittliche Intel Core i9-13900HX (0.375 - 0.4564, n=22) | |
| Medion Erazer Beast X40 | |
| Aorus 17X AZF | |
| Alienware m18 R1 | |
| HP Omen 17-ck2097ng | |
| MSI GE78HX 13VH-070US | |
* ... kleinere Werte sind besser
AIDA64: FP32 Ray-Trace | FPU Julia | CPU SHA3 | CPU Queen | FPU SinJulia | FPU Mandel | CPU AES | CPU ZLib | FP64 Ray-Trace | CPU PhotoWorxx
| Performance Rating | |
| Alienware m18 R1 | |
| MSI GE78HX 13VH-070US | |
| MSI Titan GT77 HX 13VI | |
| Medion Erazer Beast X40 | |
| Durchschnittliche Intel Core i9-13900HX | |
| Durchschnitt der Klasse Gaming | |
| Aorus 17X AZF | |
| HP Omen 17-ck2097ng | |
| AIDA64 / FP32 Ray-Trace | |
| Alienware m18 R1 | |
| MSI Titan GT77 HX 13VI | |
| Durchschnitt der Klasse Gaming (7192 - 85542, n=141, der letzten 2 Jahre) | |
| MSI GE78HX 13VH-070US | |
| Medion Erazer Beast X40 | |
| Durchschnittliche Intel Core i9-13900HX (17589 - 27615, n=22) | |
| Aorus 17X AZF | |
| HP Omen 17-ck2097ng | |
| AIDA64 / FPU Julia | |
| Alienware m18 R1 | |
| MSI Titan GT77 HX 13VI | |
| MSI GE78HX 13VH-070US | |
| Medion Erazer Beast X40 | |
| Durchschnitt der Klasse Gaming (35040 - 238426, n=141, der letzten 2 Jahre) | |
| Durchschnittliche Intel Core i9-13900HX (88686 - 137015, n=22) | |
| Aorus 17X AZF | |
| HP Omen 17-ck2097ng | |
| AIDA64 / CPU SHA3 | |
| Alienware m18 R1 | |
| MSI Titan GT77 HX 13VI | |
| MSI GE78HX 13VH-070US | |
| Medion Erazer Beast X40 | |
| Durchschnittliche Intel Core i9-13900HX (4362 - 7029, n=22) | |
| Durchschnitt der Klasse Gaming (1728 - 9817, n=141, der letzten 2 Jahre) | |
| Aorus 17X AZF | |
| HP Omen 17-ck2097ng | |
| AIDA64 / CPU Queen | |
| Alienware m18 R1 | |
| MSI GE78HX 13VH-070US | |
| MSI Titan GT77 HX 13VI | |
| HP Omen 17-ck2097ng | |
| Durchschnittliche Intel Core i9-13900HX (125644 - 141385, n=22) | |
| Medion Erazer Beast X40 | |
| Aorus 17X AZF | |
| Durchschnitt der Klasse Gaming (49785 - 173351, n=141, der letzten 2 Jahre) | |
| AIDA64 / FPU SinJulia | |
| MSI Titan GT77 HX 13VI | |
| MSI GE78HX 13VH-070US | |
| Alienware m18 R1 | |
| Medion Erazer Beast X40 | |
| Durchschnittliche Intel Core i9-13900HX (12334 - 17179, n=22) | |
| Durchschnitt der Klasse Gaming (4424 - 33636, n=141, der letzten 2 Jahre) | |
| Aorus 17X AZF | |
| HP Omen 17-ck2097ng | |
| AIDA64 / FPU Mandel | |
| Alienware m18 R1 | |
| MSI Titan GT77 HX 13VI | |
| MSI GE78HX 13VH-070US | |
| Medion Erazer Beast X40 | |
| Durchschnitt der Klasse Gaming (17585 - 128721, n=141, der letzten 2 Jahre) | |
| Durchschnittliche Intel Core i9-13900HX (43850 - 69202, n=22) | |
| Aorus 17X AZF | |
| HP Omen 17-ck2097ng | |
| AIDA64 / CPU AES | |
| Aorus 17X AZF | |
| Durchschnittliche Intel Core i9-13900HX (89413 - 237881, n=22) | |
| MSI Titan GT77 HX 13VI | |
| Alienware m18 R1 | |
| MSI GE78HX 13VH-070US | |
| Medion Erazer Beast X40 | |
| Durchschnitt der Klasse Gaming (19065 - 247074, n=141, der letzten 2 Jahre) | |
| HP Omen 17-ck2097ng | |
| AIDA64 / CPU ZLib | |
| MSI GE78HX 13VH-070US | |
| MSI Titan GT77 HX 13VI | |
| Alienware m18 R1 | |
| Medion Erazer Beast X40 | |
| Durchschnittliche Intel Core i9-13900HX (1284 - 1958, n=22) | |
| Durchschnitt der Klasse Gaming (373 - 2531, n=141, der letzten 2 Jahre) | |
| Aorus 17X AZF | |
| HP Omen 17-ck2097ng | |
| AIDA64 / FP64 Ray-Trace | |
| Alienware m18 R1 | |
| MSI Titan GT77 HX 13VI | |
| Durchschnitt der Klasse Gaming (3856 - 45446, n=141, der letzten 2 Jahre) | |
| MSI GE78HX 13VH-070US | |
| Medion Erazer Beast X40 | |
| Durchschnittliche Intel Core i9-13900HX (9481 - 15279, n=22) | |
| Aorus 17X AZF | |
| HP Omen 17-ck2097ng | |
| AIDA64 / CPU PhotoWorxx | |
| Alienware m18 R1 | |
| HP Omen 17-ck2097ng | |
| Aorus 17X AZF | |
| MSI GE78HX 13VH-070US | |
| Durchschnittliche Intel Core i9-13900HX (42994 - 51994, n=22) | |
| Durchschnitt der Klasse Gaming (10805 - 62916, n=141, der letzten 2 Jahre) | |
| Medion Erazer Beast X40 | |
| MSI Titan GT77 HX 13VI | |
System Performance
Bei den durchgeführten Benchmarks bezüglich der Systemleistung reiht sich das Aorus 17X AZF ähnlich ein, wo wir es auch schon bei den CPU-Tests gesehen haben. Dennoch ist die Systemleistung ausgezeichnet und deutlich über dem Klassendurchschnitt der Gaming-Laptops der letzten zwei Jahre. Bei den AIDA64-Benchmarks liefert das Aorus 17X AZF aufgrund des schnellen DDR5-RAMs einwandfreie Ergebnisse, womit sich unser Testgerät hier sogar auf dem zweiten Platz hinter dem Alienware m18 R1 einsortiert.
CrossMark: Overall | Productivity | Creativity | Responsiveness
| PCMark 10 / Score | |
| MSI Titan GT77 HX 13VI | |
| MSI GE78HX 13VH-070US | |
| Alienware m18 R1 | |
| Durchschnittliche Intel Core i9-13900HX, NVIDIA GeForce RTX 4090 Laptop GPU (7690 - 9331, n=8) | |
| Durchschnitt der Klasse Gaming (5776 - 10060, n=121, der letzten 2 Jahre) | |
| Medion Erazer Beast X40 | |
| Aorus 17X AZF | |
| HP Omen 17-ck2097ng | |
| PCMark 10 / Essentials | |
| HP Omen 17-ck2097ng | |
| MSI Titan GT77 HX 13VI | |
| MSI GE78HX 13VH-070US | |
| Durchschnittliche Intel Core i9-13900HX, NVIDIA GeForce RTX 4090 Laptop GPU (10972 - 11983, n=8) | |
| Medion Erazer Beast X40 | |
| Alienware m18 R1 | |
| Aorus 17X AZF | |
| Durchschnitt der Klasse Gaming (8810 - 12600, n=125, der letzten 2 Jahre) | |
| PCMark 10 / Productivity | |
| Medion Erazer Beast X40 | |
| MSI GE78HX 13VH-070US | |
| Durchschnittliche Intel Core i9-13900HX, NVIDIA GeForce RTX 4090 Laptop GPU (9038 - 11680, n=8) | |
| Aorus 17X AZF | |
| Alienware m18 R1 | |
| Durchschnitt der Klasse Gaming (6662 - 16716, n=121, der letzten 2 Jahre) | |
| HP Omen 17-ck2097ng | |
| MSI Titan GT77 HX 13VI | |
| PCMark 10 / Digital Content Creation | |
| MSI Titan GT77 HX 13VI | |
| Alienware m18 R1 | |
| MSI GE78HX 13VH-070US | |
| Durchschnittliche Intel Core i9-13900HX, NVIDIA GeForce RTX 4090 Laptop GPU (10605 - 16395, n=8) | |
| Durchschnitt der Klasse Gaming (7440 - 19351, n=121, der letzten 2 Jahre) | |
| Medion Erazer Beast X40 | |
| Aorus 17X AZF | |
| HP Omen 17-ck2097ng | |
| CrossMark / Overall | |
| Alienware m18 R1 | |
| Aorus 17X AZF | |
| MSI Titan GT77 HX 13VI | |
| Medion Erazer Beast X40 | |
| Durchschnittliche Intel Core i9-13900HX, NVIDIA GeForce RTX 4090 Laptop GPU (1825 - 2295, n=8) | |
| HP Omen 17-ck2097ng | |
| Durchschnitt der Klasse Gaming (1247 - 2344, n=117, der letzten 2 Jahre) | |
| MSI GE78HX 13VH-070US | |
| CrossMark / Productivity | |
| Aorus 17X AZF | |
| Alienware m18 R1 | |
| Medion Erazer Beast X40 | |
| MSI Titan GT77 HX 13VI | |
| Durchschnittliche Intel Core i9-13900HX, NVIDIA GeForce RTX 4090 Laptop GPU (1666 - 2166, n=8) | |
| Durchschnitt der Klasse Gaming (1299 - 2211, n=117, der letzten 2 Jahre) | |
| MSI GE78HX 13VH-070US | |
| HP Omen 17-ck2097ng | |
| CrossMark / Creativity | |
| Alienware m18 R1 | |
| MSI Titan GT77 HX 13VI | |
| Medion Erazer Beast X40 | |
| Durchschnittliche Intel Core i9-13900HX, NVIDIA GeForce RTX 4090 Laptop GPU (2162 - 2514, n=8) | |
| Aorus 17X AZF | |
| HP Omen 17-ck2097ng | |
| Durchschnitt der Klasse Gaming (1275 - 2729, n=117, der letzten 2 Jahre) | |
| MSI GE78HX 13VH-070US | |
| CrossMark / Responsiveness | |
| Aorus 17X AZF | |
| Alienware m18 R1 | |
| MSI Titan GT77 HX 13VI | |
| Medion Erazer Beast X40 | |
| Durchschnittliche Intel Core i9-13900HX, NVIDIA GeForce RTX 4090 Laptop GPU (1441 - 2275, n=8) | |
| HP Omen 17-ck2097ng | |
| Durchschnitt der Klasse Gaming (1030 - 2330, n=117, der letzten 2 Jahre) | |
| MSI GE78HX 13VH-070US | |
| PCMark 10 Score | 7690 Punkte | |
Hilfe | ||
| AIDA64 / Memory Copy | |
| Alienware m18 R1 | |
| Aorus 17X AZF | |
| HP Omen 17-ck2097ng | |
| MSI GE78HX 13VH-070US | |
| Durchschnittliche Intel Core i9-13900HX (67716 - 79193, n=22) | |
| Durchschnitt der Klasse Gaming (21750 - 108104, n=141, der letzten 2 Jahre) | |
| Medion Erazer Beast X40 | |
| MSI Titan GT77 HX 13VI | |
| AIDA64 / Memory Read | |
| Alienware m18 R1 | |
| Aorus 17X AZF | |
| HP Omen 17-ck2097ng | |
| MSI GE78HX 13VH-070US | |
| Durchschnittliche Intel Core i9-13900HX (73998 - 88462, n=22) | |
| Durchschnitt der Klasse Gaming (22956 - 104349, n=141, der letzten 2 Jahre) | |
| Medion Erazer Beast X40 | |
| MSI Titan GT77 HX 13VI | |
| AIDA64 / Memory Write | |
| Alienware m18 R1 | |
| HP Omen 17-ck2097ng | |
| Aorus 17X AZF | |
| MSI GE78HX 13VH-070US | |
| Durchschnitt der Klasse Gaming (22297 - 133486, n=141, der letzten 2 Jahre) | |
| Durchschnittliche Intel Core i9-13900HX (65472 - 77045, n=22) | |
| Medion Erazer Beast X40 | |
| MSI Titan GT77 HX 13VI | |
| AIDA64 / Memory Latency | |
| Durchschnitt der Klasse Gaming (59.5 - 259, n=141, der letzten 2 Jahre) | |
| MSI Titan GT77 HX 13VI | |
| Medion Erazer Beast X40 | |
| Durchschnittliche Intel Core i9-13900HX (75.3 - 91.1, n=22) | |
| HP Omen 17-ck2097ng | |
| MSI GE78HX 13VH-070US | |
| Aorus 17X AZF | |
| Alienware m18 R1 | |
* ... kleinere Werte sind besser
DPC-Latenzen
Der standardisierte Latency-Monitor-Test (Websurfen, 4k-Videowiedergabe, Prime95 High-Load) zeigt uns extreme Werte beim Aorus 17X AZF. Hier sollten zukünftige Software-Updates für Verbesserungen sorgen, damit das System auch uneingeschränkt für Video- und Audiobearbeitung in Echtzeit geeignet ist.
| DPC Latencies / LatencyMon - interrupt to process latency (max), Web, Youtube, Prime95 | |
| Aorus 17X AZF | |
| MSI Titan GT77 HX 13VI | |
| MSI GE78HX 13VH-070US | |
| Alienware m18 R1 | |
| Medion Erazer Beast X40 | |
| HP Omen 17-ck2097ng | |
* ... kleinere Werte sind besser
Massenspeicher
Als SSD kommt im Aorus 17X AZF ein Modell aus dem eigenen Hause zum Einsatz. Genauer gesagt bietet unser Testsample gleich zwei NVMe-SSDs mit jeweils 1 TB Speicherplatz. Das ist gut und dem Einsatzzweck entsprechend. So lassen sich eine Menge Daten auf den beiden Massenspeichern unterbringen. Die beiden Laufwerke unterstützten PCIe 4.0 und sind auch über die volle Bandbreite mit vier Lanes angebunden. Die Leistung ist gut, auch wenn einige Vergleichsgeräte hier wieder teilweise eine bessere Leistung zeigen. Mit zwei SSDs ist das Aorus 17X AZF jedoch schon voll bestückt. Alternativ lassen sich natürlich auch 2-TB-Modelle im Gerät verstauen. Für eine effektive Kühlung wird unterdessen die Gehäuseunterseite benutzt. Den Belastungstest hat das Gerät mit Bravour bestanden.
Für weitere Vergleiche und Benchmarks verweisen wir hier auf unsere Vergleichstabelle.
* ... kleinere Werte sind besser
Dauerleistung Lesen: DiskSpd Read Loop, Queue Depth 8
Grafikkarte
Das Aorus 17X AZF setzt auf eine Nvidia GeForce RTX 4090 Laptop GPU, welcher die maximal mögliche TGP von bis zu 175 Watt (150 Watt + 25 Watt Dynamic Boost) zur Verfügung steht. Die 3D-Leistung ist dementsprechend gut, wenngleich die Kontrahenten mit gleicher Grafikkarte etwas mehr Leistung generieren können. Der Abstand zur Nvidia GeForce RTX 4080 Laptop GPU ist mit 9- respektive 18 Prozent schon deutlich größer. Gegenüber dem Medion Erazer Beast sehen wir bei unserem Aorus 17X AZF praktisch die gleiche Leistung.
Weitere Benchmarks zu der Nvidia GeForce RTX 4090 Laptop GPU finden Sie hier.
| 3DMark 05 Standard | 61850 Punkte | |
| 3DMark 06 Standard Score | 61681 Punkte | |
| 3DMark 11 Performance | 43896 Punkte | |
| 3DMark Ice Storm Standard Score | 247981 Punkte | |
| 3DMark Cloud Gate Standard Score | 58934 Punkte | |
| 3DMark Fire Strike Score | 35428 Punkte | |
| 3DMark Fire Strike Extreme Score | 24235 Punkte | |
| 3DMark Time Spy Score | 20085 Punkte | |
Hilfe | ||
* ... kleinere Werte sind besser
Gaming Performance
Das Notebook ist mit einem QHD-Display ausgestattet, womit das Spielen aller aktuellen Titel mit maximalen Details kein Problem ist. Mitunter reicht die Leistung der Nvidia GeForce RTX 4090 Laptop GPU aber auch locker aus, um externe 4K-Displays in der nativen Auflösung zu befeuern. Die 16-GB-VRAM sind gut, zukunftssicher und selbst in QHD noch kein Flaschenhals. Im Test kann sich das Aorus 17X AZF einen guten dritten Platz bei den Spieletests sichern. Alle Vertreter auf Basis der Nvidia GeForce RTX 4090 Laptop GPU bieten eine ähnliche Leistung.
| Performance Rating - Percent | |
| Alienware m18 R1 | |
| MSI Titan GT77 HX 13VI | |
| Aorus 17X AZF | |
| Medion Erazer Beast X40 | |
| MSI GE78HX 13VH-070US | |
| HP Omen 17-ck2097ng | |
| Durchschnitt der Klasse Gaming | |
| The Witcher 3 - 1920x1080 Ultra Graphics & Postprocessing (HBAO+) | |
| Alienware m18 R1 | |
| Aorus 17X AZF | |
| MSI Titan GT77 HX 13VI | |
| Medion Erazer Beast X40 | |
| MSI GE78HX 13VH-070US | |
| HP Omen 17-ck2097ng | |
| Durchschnitt der Klasse Gaming (18.4 - 240, n=50, der letzten 2 Jahre) | |
| GTA V - 1920x1080 Highest AA:4xMSAA + FX AF:16x | |
| Medion Erazer Beast X40 | |
| Alienware m18 R1 | |
| MSI Titan GT77 HX 13VI | |
| Aorus 17X AZF | |
| Durchschnitt der Klasse Gaming (12.1 - 186.9, n=129, der letzten 2 Jahre) | |
| HP Omen 17-ck2097ng | |
| MSI GE78HX 13VH-070US | |
| Final Fantasy XV Benchmark - 1920x1080 High Quality | |
| Alienware m18 R1 | |
| MSI Titan GT77 HX 13VI | |
| Aorus 17X AZF | |
| Medion Erazer Beast X40 | |
| MSI GE78HX 13VH-070US | |
| HP Omen 17-ck2097ng | |
| Durchschnitt der Klasse Gaming (19.2 - 215, n=139, der letzten 2 Jahre) | |
| Strange Brigade - 1920x1080 ultra AA:ultra AF:16 | |
| Aorus 17X AZF | |
| MSI Titan GT77 HX 13VI | |
| Alienware m18 R1 | |
| Medion Erazer Beast X40 | |
| HP Omen 17-ck2097ng | |
| Durchschnitt der Klasse Gaming (38.9 - 456, n=127, der letzten 2 Jahre) | |
| MSI GE78HX 13VH-070US | |
| Dota 2 Reborn - 1920x1080 ultra (3/3) best looking | |
| Alienware m18 R1 | |
| MSI Titan GT77 HX 13VI | |
| Aorus 17X AZF | |
| Medion Erazer Beast X40 | |
| HP Omen 17-ck2097ng | |
| Durchschnitt der Klasse Gaming (65.1 - 248, n=143, der letzten 2 Jahre) | |
| MSI GE78HX 13VH-070US | |
| F1 22 - 1920x1080 Ultra High Preset AA:T AF:16x | |
| Alienware m18 R1 | |
| MSI Titan GT77 HX 13VI | |
| Aorus 17X AZF | |
| Medion Erazer Beast X40 | |
| MSI GE78HX 13VH-070US | |
| HP Omen 17-ck2097ng | |
| Durchschnitt der Klasse Gaming (40.1 - 135.1, n=19, der letzten 2 Jahre) | |
| The Callisto Protocol - 1920x1080 Ultra Preset (without FSR Upscaling) | |
| MSI Titan GT77 HX 13VI | |
| Aorus 17X AZF | |
| Durchschnittliche NVIDIA GeForce RTX 4090 Laptop GPU (102.6 - 150.7, n=6) | |
| Durchschnittliche NVIDIA GeForce RTX 4080 Laptop GPU (111.5 - 120.4, n=2) | |
| HP Omen 17-ck2097ng | |
| Durchschnitt der Klasse Gaming (n=1der letzten 2 Jahre) | |
| Dead Space Remake - 1920x1080 Ultra Preset AA:T | |
| Aorus 17X AZF | |
| Durchschnittliche NVIDIA GeForce RTX 4090 Laptop GPU (129 - 140.8, n=2) | |
| MSI Titan GT77 HX 13VI | |
| Durchschnittliche NVIDIA GeForce RTX 4080 Laptop GPU (n=1) | |
| Durchschnitt der Klasse Gaming (16.1 - 39.8, n=2, der letzten 2 Jahre) | |
| Tiny Tina's Wonderlands - 1920x1080 Badass Preset (DX12) | |
| Alienware m18 R1 | |
| MSI Titan GT77 HX 13VI | |
| Durchschnittliche NVIDIA GeForce RTX 4090 Laptop GPU (141.1 - 189.4, n=14) | |
| Aorus 17X AZF | |
| Durchschnittliche NVIDIA GeForce RTX 4080 Laptop GPU (112.9 - 167.1, n=9) | |
| Durchschnitt der Klasse Gaming (55 - 187.5, n=14, der letzten 2 Jahre) | |
| High On Life - 1920x1080 Very High Preset | |
| Aorus 17X AZF | |
| Durchschnittliche NVIDIA GeForce RTX 4090 Laptop GPU (180.3 - 185.2, n=2) | |
| Durchschnittliche NVIDIA GeForce RTX 4080 Laptop GPU (n=1) | |
| Durchschnitt der Klasse Gaming (n=1der letzten 2 Jahre) | |
| The Witcher 3 / High Graphics & Postprocessing (Nvidia HairWorks Off) | |
| Alienware m18 R1 | |
| MSI Titan GT77 HX 13VI | |
| Aorus 17X AZF | |
| MSI GE78HX 13VH-070US | |
| Durchschnittliche NVIDIA GeForce RTX 4090 Laptop GPU (290 - 449, n=23) | |
| Medion Erazer Beast X40 | |
| HP Omen 17-ck2097ng | |
| Durchschnitt der Klasse Gaming (138 - 424, n=32, der letzten 2 Jahre) | |
| The Witcher 3 / Ultra Graphics & Postprocessing (HBAO+) | |
| Alienware m18 R1 | |
| Aorus 17X AZF | |
| MSI Titan GT77 HX 13VI | |
| Durchschnittliche NVIDIA GeForce RTX 4090 Laptop GPU (139.2 - 216, n=35) | |
| Medion Erazer Beast X40 | |
| MSI GE78HX 13VH-070US | |
| HP Omen 17-ck2097ng | |
| Durchschnitt der Klasse Gaming (18.4 - 240, n=50, der letzten 2 Jahre) | |
Um zu überprüfen, ob die Bildwiederholraten über einen längeren Zeitraum stabil und konstant bleiben, lassen wir das Spiel "The Witcher 3" für etwa 60 Minuten mit Full-HD-Auflösung und dem maximalen Preset laufen. Die Spielfigur wird dabei nicht bewegt. Das Diagramm zeigt uns hier eine konstante Leistung der Bildwiederholraten.
Witcher 3 FPS-Diagramm
| min. | mittel | hoch | max. | QHD | 4K | |
|---|---|---|---|---|---|---|
| GTA V (2015) | 187 | 186.1 | 182.2 | 135.3 | 132.9 | 174.3 |
| The Witcher 3 (2015) | 554.3 | 506.7 | 395.8 | 200 | 145.9 | |
| Dota 2 Reborn (2015) | 235.6 | 199.8 | 191.6 | 176.1 | 175.75 | |
| Final Fantasy XV Benchmark (2018) | 222 | 205 | 177.6 | 152.4 | 89.9 | |
| X-Plane 11.11 (2018) | 195.9 | 173.5 | 138.5 | 118.5 | ||
| Far Cry 5 (2018) | 186 | 170 | 161 | 162 | 152 | 98 |
| Strange Brigade (2018) | 527 | 441 | 414 | 386 | 300 | 154.6 |
| Shadow of the Tomb Raider (2018) | 247 | 219 | 210 | 198.6 | 162.5 | 95.2 |
| Far Cry New Dawn (2019) | 170 | 148 | 145 | 131 | 128 | 102 |
| Metro Exodus (2019) | 187.7 | 160.6 | 134.5 | 112.9 | 98 | 68.6 |
| Borderlands 3 (2019) | 208 | 182.1 | 163.6 | 146.5 | 115.8 | 67.9 |
| F1 2020 (2020) | 413 | 354 | 344 | 305 | 253 | 148.7 |
| F1 2021 (2021) | 466 | 421 | 356 | 204 | 182.7 | 107.8 |
| Far Cry 6 (2021) | 175.7 | 154.3 | 136.3 | 128.9 | 115.1 | 73.1 |
| God of War (2022) | 176.8 | 176.7 | 166.8 | 123.6 | 101.5 | 72.7 |
| GRID Legends (2022) | 227 | 209 | 190.1 | 183.2 | 178.9 | 128.6 |
| Tiny Tina's Wonderlands (2022) | 320 | 263 | 194 | 158.3 | 112.5 | 65.7 |
| F1 22 (2022) | 315 | 299 | 283 | 128.9 | 83.5 | 43 |
| The Callisto Protocol (2022) | 193.3 | 168.2 | 166.4 | 131.1 | 101.3 | 61.6 |
| High On Life (2023) | 277 | 246 | 211 | 185.2 | 126.1 | 56.9 |
| Dead Space Remake (2023) | 153.4 | 150.7 | 142.3 | 140.8 | 105.6 | 56.2 |
| Hogwarts Legacy (2023) | 116 | 100.7 | 93.7 | 89.7 | 80.9 | 50.5 |
| Returnal (2023) | 195 | 191 | 176 | 155 | 119 | 70 |
| Atomic Heart (2023) | 217 | 187.1 | 166.6 | 138.5 | 107.8 | 62.7 |
| Company of Heroes 3 (2023) | 308.5 | 280.4 | 239.6 | 235.2 | 194.8 | 117.4 |
| Resident Evil 4 Remake (2023) | 232 | 189.7 | 187.3 | 136.3 | 109.2 | 63.4 |
| The Last of Us (2023) | 113.7 | 110.8 | 109 | 105 | 81.8 | 43.8 |
Emissionen - Das Aorus 17X AZF kann auch leise sein
Geräuschemissionen
Im Leerlauf und im Alltagsbetrieb (Office und Internet) drehen die vier Lüfter oftmals mit niedriger Geschwindigkeit. Mit bis zu 34 dB(A) ist das Aorus 17X AZF dabei sehr erträglich. Unter Last kann es mit maximalen Werten von 54 dB(A) beim Stresstest mitunter sehr laut werden. Zudem erzeugen die Lüfter einen hochfrequenten Ton, welcher die Lautstärke subjektiv noch einmal lauter darstellt.
Das Aorus 17X AZF lässt grundsätzlich auch einen nahezu lautlosen Betrieb zu. Dazu bedarf es der Nutzung der Energieprofile "Meeting Modus" bzw. "Energiespar Ruhemodus", welche über das GCC (Gigabyte Control Center) eingestellt werden können. Die dadurch einhergehende Verringerung der CPU-Leistungsausfnahme reicht für den Alltag aber dennoch.
Über das GCC kann an der Lüftersteuerung auch selbst Hand angelegt werden. Neben den vordefinierten Profilen lassen sich eigene Lüfterkurven nutzen.
Lautstärkediagramm
| Idle |
| 28 / 29 / 34 dB(A) |
| Last |
| 51 / 54 dB(A) |
![]() | ||
30 dB leise 40 dB(A) deutlich hörbar 50 dB(A) störend |
||
min: | ||
| Aorus 17X AZF i9-13900HX, GeForce RTX 4090 Laptop GPU | Medion Erazer Beast X40 i9-13900HX, GeForce RTX 4090 Laptop GPU | MSI GE78HX 13VH-070US i9-13950HX, GeForce RTX 4080 Laptop GPU | HP Omen 17-ck2097ng i9-13900HX, GeForce RTX 4080 Laptop GPU | MSI Titan GT77 HX 13VI i9-13950HX, GeForce RTX 4090 Laptop GPU | Alienware m18 R1 i9-13980HX, GeForce RTX 4090 Laptop GPU | |
|---|---|---|---|---|---|---|
| Geräuschentwicklung | 4% | 7% | 4% | 1% | 16% | |
| aus / Umgebung * (dB) | 25 | 24 4% | 23.4 6% | 24 4% | 24.6 2% | 22.8 9% |
| Idle min * (dB) | 28 | 25 11% | 24.2 14% | 31 -11% | 29.2 -4% | 23 18% |
| Idle avg * (dB) | 29 | 29 -0% | 25.6 12% | 32 -10% | 29.2 -1% | 23 21% |
| Idle max * (dB) | 34 | 35 -3% | 31 9% | 33 3% | 29.2 14% | 23 32% |
| Last avg * (dB) | 51 | 51 -0% | 43.3 15% | 45 12% | 50.7 1% | 35.6 30% |
| Witcher 3 ultra * (dB) | 57 | 51 11% | 56.3 1% | 45 21% | 53.3 6% | 51.3 10% |
| Last max * (dB) | 54 | 53 2% | 59.1 -9% | 50 7% | 61 -13% | 56.7 -5% |
* ... kleinere Werte sind besser
Temperatur
Im einfachen Alltagsbetrieb bei Office- und Internet-Nutzung sehen wir keine hohen Gehäuse-Temperaturen. Erst unter Last, wie beim Stresstest oder beim Spielen erwärmt sich das Notebook deutlich. Auf der Unterseite und im Bereich der Lüfterauslässe notieren wir die höchsten Werte.
(-) Die maximale Temperatur auf der Oberseite ist 47 °C. Im Vergleich liegt der Klassendurchschnitt bei 40.4 °C (von 21.2 bis 68.8 °C für die Klasse Gaming).
(-) Auf der Unterseite messen wir eine maximalen Wert von 51 °C (im Vergleich zum Durchschnitt von 43.3 °C).
(+) Ohne Last messen wir eine durchschnittliche Temperatur von 28.1 °C auf der Oberseite. Der Klassendurchschnitt erreicht 33.9 °C.
(±) Beim längeren Spielen von The Witcher 3 erhitzt sich das Gerät durchschnittlich auf 38 °C. Der Durchschnitt der Klasse ist derzeit 33.9 °C.
(+) Die Handballen und der Touchpad-Bereich erreichen maximal 34 °C und damit die typische Hauttemperatur und fühlen sich daher nicht heiß an.
(-) Die durchschnittliche Handballen-Temperatur anderer getesteter Geräte war 28.8 °C (-5.2 °C).
| Aorus 17X AZF Intel Core i9-13900HX, NVIDIA GeForce RTX 4090 Laptop GPU | Medion Erazer Beast X40 Intel Core i9-13900HX, NVIDIA GeForce RTX 4090 Laptop GPU | MSI GE78HX 13VH-070US Intel Core i9-13950HX, NVIDIA GeForce RTX 4080 Laptop GPU | HP Omen 17-ck2097ng Intel Core i9-13900HX, NVIDIA GeForce RTX 4080 Laptop GPU | MSI Titan GT77 HX 13VI Intel Core i9-13950HX, NVIDIA GeForce RTX 4090 Laptop GPU | Alienware m18 R1 Intel Core i9-13980HX, NVIDIA GeForce RTX 4090 Laptop GPU | |
|---|---|---|---|---|---|---|
| Hitze | -1% | 7% | 13% | 12% | 15% | |
| Last oben max * (°C) | 47 | 48 -2% | 37.4 20% | 41 13% | 40.6 14% | 39 17% |
| Last unten max * (°C) | 51 | 52 -2% | 45 12% | 51 -0% | 41.1 19% | 36.4 29% |
| Idle oben max * (°C) | 30 | 30 -0% | 29.8 1% | 24 20% | 26.2 13% | 29.2 3% |
| Idle unten max * (°C) | 31 | 31 -0% | 32.4 -5% | 25 19% | 30.3 2% | 27.8 10% |
* ... kleinere Werte sind besser
Stresstest
Der Stresstest, den wir mit Prime95 und Furmark im Dauerbetrieb simulieren, stellt ein Extremszenario zur Überprüfung der Systemstabilität unter Volllast dar. Die CPU beginnt mit hohen Taktraten, welche aber schon nach kurzer Zeit gedrosselt werden, da das PL2 nicht dauerhaft gehalten werden kann. Knapp 2 GHz liegen auf Dauer bei den P- und E-Kernen des Intel Core-i7-13900HX an.
Lautsprecher
Aorus 17X AZF Audio Analyse
(+) | Die Lautsprecher können relativ laut spielen (83 dB)
Bass 100 - 315 Hz
(-) | kaum Bass - 27.1% niedriger als der Median
(±) | durchschnittlich lineare Bass-Wiedergabe (13% Delta zum Vorgänger)
Mitteltöne 400 - 2000 Hz
(+) | ausgeglichene Mitten, vom Median nur 4.5% abweichend
(+) | lineare Mitten (5% Delta zum Vorgänger)
Hochtöne 2 - 16 kHz
(+) | ausgeglichene Hochtöne, vom Median nur 1.4% abweichend
(+) | sehr lineare Hochtöne (4.3% Delta zum Vorgänger)
Gesamt im hörbaren Bereich 100 - 16.000 Hz
(±) | hörbarer Bereich ist durchschnittlich linear (17.9% Abstand zum Median)
Im Vergleich zu allen Geräten derselben Klasse
» 54% aller getesteten Geräte dieser Klasse waren besser, 9% vergleichbar, 37% schlechter
» Das beste Gerät hat einen Delta-Wert von 6%, durchschnittlich ist 18%, das schlechteste Gerät hat 132%
Im Vergleich zu allen Geräten im Test
» 36% aller getesteten Geräte waren besser, 8% vergleichbar, 56% schlechter
» Das beste Gerät hat einen Delta-Wert von 4%, durchschnittlich ist 24%, das schlechteste Gerät hat 134%
Medion Erazer Beast X40 Audio Analyse
(+) | Die Lautsprecher können relativ laut spielen (88 dB)
Bass 100 - 315 Hz
(-) | kaum Bass - 20.2% niedriger als der Median
(±) | durchschnittlich lineare Bass-Wiedergabe (8.4% Delta zum Vorgänger)
Mitteltöne 400 - 2000 Hz
(±) | zu hohe Mitten, vom Median 5.5% abweichend
(+) | lineare Mitten (6.5% Delta zum Vorgänger)
Hochtöne 2 - 16 kHz
(+) | ausgeglichene Hochtöne, vom Median nur 3.1% abweichend
(+) | sehr lineare Hochtöne (5.8% Delta zum Vorgänger)
Gesamt im hörbaren Bereich 100 - 16.000 Hz
(±) | hörbarer Bereich ist durchschnittlich linear (16.1% Abstand zum Median)
Im Vergleich zu allen Geräten derselben Klasse
» 39% aller getesteten Geräte dieser Klasse waren besser, 7% vergleichbar, 55% schlechter
» Das beste Gerät hat einen Delta-Wert von 6%, durchschnittlich ist 18%, das schlechteste Gerät hat 132%
Im Vergleich zu allen Geräten im Test
» 25% aller getesteten Geräte waren besser, 5% vergleichbar, 70% schlechter
» Das beste Gerät hat einen Delta-Wert von 4%, durchschnittlich ist 24%, das schlechteste Gerät hat 134%
Energieverwaltung
Energieaufnahme
Auffälligkeiten bezüglich des Energiebedarfs zeigt das Aorus 17X AZF nicht. Die ermittelten Werte im Leerlauf sehen sogar recht gut aus und sind teilweise deutlich besser als bei der Konkurrenz hier im Vergleich. Unter Last sehen wir normale Werte für die verbaute Hardware. Das Netzteil ist mit seinen 330 Watt ausreichend dimensioniert, auch wenn kurzfristig mal 334 Watt anliegen.
| Aus / Standby | |
| Idle | |
| Last |
|
Legende:
min: | |
| Aorus 17X AZF i9-13900HX, GeForce RTX 4090 Laptop GPU | Medion Erazer Beast X40 i9-13900HX, GeForce RTX 4090 Laptop GPU | MSI GE78HX 13VH-070US i9-13950HX, GeForce RTX 4080 Laptop GPU | HP Omen 17-ck2097ng i9-13900HX, GeForce RTX 4080 Laptop GPU | MSI Titan GT77 HX 13VI i9-13950HX, GeForce RTX 4090 Laptop GPU | Alienware m18 R1 i9-13980HX, GeForce RTX 4090 Laptop GPU | Durchschnittliche NVIDIA GeForce RTX 4090 Laptop GPU | Durchschnitt der Klasse Gaming | |
|---|---|---|---|---|---|---|---|---|
| Stromverbrauch | -3% | -14% | -4% | -9% | -46% | -19% | 2% | |
| Idle min * (Watt) | 11 | 11 -0% | 16.1 -46% | 16 -45% | 14 -27% | 21.6 -96% | 16.2 ? -47% | 13.6 ? -24% |
| Idle avg * (Watt) | 17 | 18 -6% | 24 -41% | 20 -18% | 21.6 -27% | 25.2 -48% | 23.1 ? -36% | 19.5 ? -15% |
| Idle max * (Watt) | 29 | 30 -3% | 34 -17% | 26 10% | 24.8 14% | 56.7 -96% | 34.2 ? -18% | 26.1 ? 10% |
| Last avg * (Watt) | 134 | 136 -1% | 123.6 8% | 135 -1% | 122.5 9% | 164.1 -22% | 130.5 ? 3% | 111.3 ? 17% |
| Witcher 3 ultra * (Watt) | 278 | 280 -1% | 286 -3% | 215 23% | 265 5% | 311 -12% | ||
| Last max * (Watt) | 334 | 363 -9% | 285.7 14% | 299 10% | 418 -25% | 338.9 -1% | 324 ? 3% | 262 ? 22% |
* ... kleinere Werte sind besser
Energieaufnahme Witcher 3 / Stresstest
Energieaufnahme mit externem Monitor
Akkulaufzeit
Das Aorus 17X AZF erreicht bei unserem WLAN-Test (Aufruf von Webseiten mittels eines Skripts) bzw. Videotest (Kurzfilm Big Buck Bunny (H.264-Kodierung, FHD) in einer Schleife) Laufzeiten von 6:29 h bzw. 6:43 h. Das sind passable Werte und spiegeln den Durchschnitt der Klasse der Gaming-Laptops wider. Während der beiden Tests sind die Energiesparfunktionen des Laptops deaktiviert und die Displayhelligkeit wird auf etwa 150 cd/m² geregelt. In unserem Fall bedeutet dies eine Reduzierung der Helligkeit um 50 Prozent.
Ausgestattet ist das Aorus 17X AZF mit einem großen 99-Wh-Akku, was auch das Maximum in einem Laptop ist. Fast alle Vergleichsgeräte bieten einen Akku mit gleicher Kapazität. Nur das HP Omen 17 muss mit einem kleineren 83-Wh-Akku vorliebnehmen und fällt deshalb spürbar zurück.
| Aorus 17X AZF i9-13900HX, GeForce RTX 4090 Laptop GPU, 99 Wh | Medion Erazer Beast X40 i9-13900HX, GeForce RTX 4090 Laptop GPU, 99.8 Wh | MSI GE78HX 13VH-070US i9-13950HX, GeForce RTX 4080 Laptop GPU, 99 Wh | HP Omen 17-ck2097ng i9-13900HX, GeForce RTX 4080 Laptop GPU, 83 Wh | MSI Titan GT77 HX 13VI i9-13950HX, GeForce RTX 4090 Laptop GPU, 99.9 Wh | Alienware m18 R1 i9-13980HX, GeForce RTX 4090 Laptop GPU, 97 Wh | Durchschnitt der Klasse Gaming | |
|---|---|---|---|---|---|---|---|
| Akkulaufzeit | -1% | -18% | -44% | -20% | -46% | -1% | |
| Idle (h) | 9 | 9.4 4% | 7.3 -19% | 4.2 -53% | 5.6 -38% | 9.1 ? 1% | |
| H.264 (h) | 6.7 | 6.9 3% | 3.7 -45% | 6 -10% | 8.13 ? 21% | ||
| WLAN (h) | 6.5 | 6.4 -2% | 6.1 -6% | 3.6 -45% | 5.3 -18% | 4.3 -34% | 6.73 ? 4% |
| Last (h) | 2.1 | 1.9 -10% | 1.5 -29% | 1.4 -33% | 1.4 -33% | 0.7 -67% | 1.444 ? -31% |
Pro
Contra
Fazit - Mobiles Kraftpaket für kompromissloses Gaming
Das Aorus 17X AZF ist ein Gaming-Notebook, welches für extreme Anforderungen konzipiert ist. Jegliche Spiele, die wir uns in diesem Test angeschaut haben, konnte der 17-Zöller problemlos in der nativen Displayauflösung und ohne Qualitätseinbußen darstellen. Dabei ist man allerdings auf 1.440p-Gaming beschränkt, was aber in Ordnung ist. Leistungsreserven sind vorhanden und können über externe 4K-Displays abgerufen werden. Die Nvidia GeForce RTX 4090 Laptop GPU bietet hier enorm viel Leistung und kann diese auch dauerhaft bereitstellen. Auch beim Prozessor sehen wir mit dem Intel Core-i7-13900HX ein sehr leistungsstarkes Modell. Im direkten Vergleich mit den Kontrahenten reicht es jedoch nicht immer, um sich durchzusetzen. Gleichwohl ist der Rückstand aber nur als messbar zu bezeichnen. Im Alltag wird man davon nicht viel merken.
Gut gefällt uns die restliche Ausstattung, denn mit 32-GB-DDR5-RAM und insgesamt 2-TB-SSD-Speicher bekommt man eine hervorragende Grundlage, um fürs Erste nicht aufrüsten zu müssen. Das Display mit seiner QHD-Auflösung steht dem Gerät ebenfalls gut und eignet sich auch für Foto- und Videobearbeitung.
Einschränkungen zeigen sich hingegen bei der Lautstärke, die unter Last nicht zu vernachlässigen ist. Das Problem gibt es jedoch auch bei anderen Gaming-Laptops und ist nicht einzig nur auf das Aorus 17X AZF zu beziehen. Verbesserungswürdig ist auch die Anschlussausstattung, die für ein 17-Zoll-Gerät noch umfangreicher sein könnte. Immerhin wartet das Aorus 17X AZF mit einem modernen Thunderbolt-Anschluss auf.
Bei der Mobilität steht das Aorus 17X AZF gut da, denn die dokumentierten Akkulaufzeiten spiegeln einen guten Klassendurchschnitt wider. Über das Gigabyte Control Center, welches viele Einstellungsmöglichkeiten bietet, kann das Gerät sogar fast lautlos betrieben werden.
Als preiswertere Alternative lohnt sich der Blick zum HP Omen 17, welches mit der Nvidia GeForce RTX 4080 Laptop GPU ebenfalls eine ausgezeichnete Leistung in 1.440p liefert.
Preis und Verfügbarkeit
Aorus 17X AZF
- 14.04.2023 v7 (old)
Sebastian Bade
Transparenz
Die Auswahl der zu testenden Geräte erfolgt innerhalb der Redaktion. Das vorliegende Testmuster wurde dem Autor vom Hersteller oder einem Shop zu Testzwecken leihweise zur Verfügung gestellt. Eine Einflussnahme des Leihstellers auf den Testbericht gab es nicht, der Hersteller erhielt keine Version des Reviews vor der Veröffentlichung. Es bestand keine Verpflichtung zur Publikation. Als eigenständiges, unabhängiges Unternehmen unterliegt Notebookcheck keiner Diktion von Herstellern, Shops und Verlagen.
So testet Notebookcheck
Pro Jahr werden von Notebookcheck hunderte Laptops und Smartphones unabhängig in von uns standardisierten technischen Verfahren getestet, um eine Vergleichbarkeit aller Testergebnisse zu gewährleisten. Seit rund 20 Jahren entwickeln wir diese Testmethoden kontinuierlich weiter und setzen damit Branchenstandards. In unseren Testlaboren kommt ausschließlich hochwertiges Messequipment in die Hände erfahrener Techniker und Redakteure. Die Tests unterliegen einer mehrstufigen Kontrolle. Unsere komplexe Gesamtbewertung basiert auf hunderten fundierten Messergebnissen und Benchmarks, womit Ihnen Objektivität garantiert ist. Weitere Informationen zu unseren Testmethoden gibt es hier.



























































































