Honor MagicBook Pro im Test: Kompakter 16,1-Zoll-Allrounder mit guten Akkulaufzeiten

Honor hat mit dem MagicBook Pro einen kompakten 16,1-Zoll-Allrounder im Sortiment, der von einem Core-i5-10210U-Prozessor und einem GeForce-MX350-Grafikkern angetrieben wird. Zu den Konkurrenten zählen Geräte wie das Xiaomi RedmiBook 16 R5, das Asus VivoBook S15 S533EQ, das Schenker Vision 15, das Acer Aspire 5 A515-56 und das Lenovo IdeaPad 5 15IIL05.
Da wir bereits ein baugleiches Schwestermodell getestet haben, gehen wir nicht weiter auf das Gehäuse, die Ausstattung, die Eingabegeräte, die Lautsprecher und das Display ein. Die entsprechenden Informationen können dem Testbericht zur AMD-Variante des MagicBook Pro entnommen werden.
mögliche Konkurrenten im Vergleich
Bew. | Datum | Modell | Gewicht | Dicke | Größe | Auflösung | Preis ab |
|---|---|---|---|---|---|---|---|
| 84.1 % v7 (old) | 03 / 2021 | Honor MagicBook Pro 10210U i5-10210U, GeForce MX350 | 1.7 kg | 16.9 mm | 16.10" | 1920x1080 | |
| 82.9 % v7 (old) | 07 / 2020 | Xiaomi RedmiBook 16 R5 R5 4500U, Vega 6 | 1.8 kg | 21.7 mm | 16.00" | 1920x1080 | |
| 83.4 % v7 (old) | 12 / 2020 | Asus VivoBook S15 S533EQ-BQ002T i7-1165G7, GeForce MX350 | 1.8 kg | 16.1 mm | 15.60" | 1920x1080 | |
| 87.7 % v7 (old) | 12 / 2020 | Schenker Vision 15 i7-1165G7, Iris Xe G7 96EUs | 1.7 kg | 15 mm | 15.60" | 1920x1080 | |
| 81.4 % v7 (old) | 02 / 2021 | Acer Aspire 5 A515-56-511A i5-1135G7, Iris Xe G7 80EUs | 1.9 kg | 18 mm | 15.60" | 1920x1080 | |
| 83 % v7 (old) | 07 / 2020 | Lenovo IdeaPad 5 15IIL05 i5-1035G1, GeForce MX350 | 1.7 kg | 17.9 mm | 15.60" | 1920x1080 |






Display - IPS an Bord
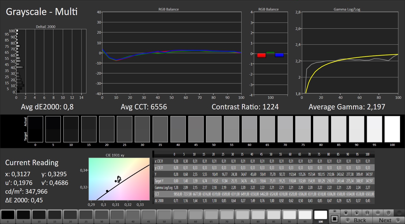
Helligkeit (317,2 cd/m²) und Kontrast (1.356:1) des matten, blickwinkelstabilen 16,1-Zoll-Bildschirms (FHD, IPS) fallen gut aus. Schon im Auslieferungszustand bietet er eine tolle Farbdarstellung. Das Display zeigt bei Helligkeitsstufen von 32 Prozent und darunter ein Flackern mit einer Frequenz von 25.000 Hz.
Es handelt sich hier um das gleiche Panel, welches auch im AMD-MagicBook-Pro steckt. Nichtsdestotrotz unterscheiden sich die Messwerte etwas - ein normaler Zustand. Zwei baugleiche Bildschirme stimmen nie komplett überein.
| |||||||||||||||||||||||||
Ausleuchtung: 86 %
Helligkeit Akku: 339 cd/m²
Kontrast: 1356:1 (Schwarzwert: 0.25 cd/m²)
ΔE ColorChecker Calman: 0.9 | ∀{0.5-29.43 Ø4.73}
calibrated: 0.74
ΔE Greyscale Calman: 2 | ∀{0.09-98 Ø4.98}
92% sRGB (Argyll 1.6.3 3D)
69% AdobeRGB 1998 (Argyll 1.6.3 3D)
69.2% AdobeRGB 1998 (Argyll 3D)
99.3% sRGB (Argyll 3D)
67% Display P3 (Argyll 3D)
Gamma: 2.238
CCT: 6631 K
| Honor MagicBook Pro 10210U Chi Mei N161HCA-EA3, IPS, 1920x1080, 16.1" | Xiaomi RedmiBook 16 R5 CMN1608, IPS, 1920x1080, 16" | Asus VivoBook S15 S533EQ-BQ002T Panda LM156LF-5L04, IPS, 1920x1080, 15.6" | Schenker Vision 15 BOE08F5, IPS, 1920x1080, 15.6" | Acer Aspire 5 A515-56-511A LG Philips LGD065A, IPS, 1920x1080, 15.6" | Lenovo IdeaPad 5 15IIL05 AU Optronics B156HAN02.1, IPS, 1920x1080, 15.6" | Honor MagicBook Pro (AMD) N161HCA-EA3, IPS, 1920x1080, 16.1" | |
|---|---|---|---|---|---|---|---|
| Display | -5% | -42% | 0% | -43% | -44% | -9% | |
| Display P3 Coverage (%) | 67 | 64.2 -4% | 39.01 -42% | 69.3 3% | 38.32 -43% | 37.63 -44% | 67.5 1% |
| sRGB Coverage (%) | 99.3 | 93.8 -6% | 58.5 -41% | 94 -5% | 57.5 -42% | 56.5 -43% | 69.7 -30% |
| AdobeRGB 1998 Coverage (%) | 69.2 | 66.2 -4% | 40.33 -42% | 70.8 2% | 39.6 -43% | 38.88 -44% | 69.7 1% |
| Response Times | -1% | -16% | -74% | -16% | -21% | -12% | |
| Response Time Grey 50% / Grey 80% * (ms) | 35.2 ? | 32.2 ? 9% | 38 ? -8% | 60 ? -70% | 37 ? -5% | 42 ? -19% | 37.6 ? -7% |
| Response Time Black / White * (ms) | 22 ? | 24.5 ? -11% | 27 ? -23% | 39 ? -77% | 28 ? -27% | 27 ? -23% | 25.6 ? -16% |
| PWM Frequency (Hz) | 25000 ? | 25250 ? | |||||
| Bildschirm | -38% | -148% | -57% | -106% | -184% | 16% | |
| Helligkeit Bildmitte (cd/m²) | 339 | 283 -17% | 287 -15% | 478 41% | 285 -16% | 340 0% | 337 -1% |
| Brightness (cd/m²) | 317 | 260 -18% | 261 -18% | 462 46% | 255 -20% | 325 3% | 312 -2% |
| Brightness Distribution (%) | 86 | 78 -9% | 84 -2% | 94 9% | 84 -2% | 88 2% | 89 3% |
| Schwarzwert * (cd/m²) | 0.25 | 0.18 28% | 0.51 -104% | 0.27 -8% | 0.325 -30% | 0.27 -8% | 0.2 20% |
| Kontrast (:1) | 1356 | 1572 16% | 563 -58% | 1770 31% | 877 -35% | 1259 -7% | 1685 24% |
| Delta E Colorchecker * | 0.9 | 2.58 -187% | 4.72 -424% | 3.2 -256% | 4.23 -370% | 6.62 -636% | 0.8 11% |
| Colorchecker dE 2000 max. * | 2.92 | 6.25 -114% | 17.94 -514% | 8.4 -188% | 7.94 -172% | 21.05 -621% | 1.1 62% |
| Colorchecker dE 2000 calibrated * | 0.74 | 0.94 -27% | 3.74 -405% | 2 -170% | 3.75 -407% | 4.71 -536% | 0.7 5% |
| Delta E Graustufen * | 2 | 3.5 -75% | 2.2 -10% | 4.5 -125% | 2.51 -25% | 4.61 -131% | 1 50% |
| Gamma | 2.238 98% | 2.09 105% | 2.51 88% | 2.16 102% | 2.57 86% | 2.74 80% | 2.2 100% |
| CCT | 6631 98% | 7317 89% | 6758 96% | 6788 96% | 6626 98% | 6262 104% | 6538 99% |
| Farbraum (Prozent von AdobeRGB 1998) (%) | 69 | 60.9 -12% | 37 -46% | 63.1 -9% | 36 -48% | 36 -48% | 63.8 -8% |
| Color Space (Percent of sRGB) (%) | 92 | 93.9 2% | 58 -37% | 93.6 2% | 57 -38% | 56 -39% | 99.5 8% |
| Durchschnitt gesamt (Programm / Settings) | -15% /
-27% | -69% /
-112% | -44% /
-48% | -55% /
-83% | -83% /
-137% | -2% /
8% |
* ... kleinere Werte sind besser
Reaktionszeiten (Response Times) des Displays
| ↔ Reaktionszeiten Schwarz zu Weiß | ||
|---|---|---|
| 22 ms ... steigend ↗ und fallend ↘ kombiniert | ↗ 12.4 ms steigend | |
| ↘ 9.6 ms fallend | ||
| Die gemessenen Reaktionszeiten sind gut, für anspruchsvolle Spieler könnten der Bildschirm jedoch zu langsam sein. Im Vergleich rangierten die bei uns getesteten Geräte von 0.1 (Minimum) zu 240 (Maximum) ms. » 48 % aller Screens waren schneller als der getestete. Daher sind die gemessenen Reaktionszeiten schlechter als der Durchschnitt aller vermessenen Geräte (19.9 ms). | ||
| ↔ Reaktionszeiten 50% Grau zu 80% Grau | ||
| 35.2 ms ... steigend ↗ und fallend ↘ kombiniert | ↗ 17.2 ms steigend | |
| ↘ 18 ms fallend | ||
| Die gemessenen Reaktionszeiten sind langsam und dadurch für viele Spieler wahrscheinlich zu langsam. Im Vergleich rangierten die bei uns getesteten Geräte von 0.165 (Minimum) zu 636 (Maximum) ms. » 49 % aller Screens waren schneller als der getestete. Daher sind die gemessenen Reaktionszeiten schlechter als der Durchschnitt aller vermessenen Geräte (31.2 ms). | ||
Bildschirm-Flackern / PWM (Pulse-Width Modulation)
| Flackern / PWM festgestellt | 25000 Hz | ≤ 32 % Helligkeit | |
Das Display flackert mit 25000 Hz (im schlimmsten Fall, eventuell durch Pulsweitenmodulation PWM) bei einer eingestellten Helligkeit von 32 % und darunter. Darüber sollte es zu keinem Flackern kommen. Die Frequenz von 25000 Hz ist sehr hoch und sollte daher auch bei empfindlichen Personen zu keinen Problemen führen. Im Vergleich: 52 % aller getesteten Geräte nutzten kein PWM um die Helligkeit zu reduzieren. Wenn PWM eingesetzt wurde, dann bei einer Frequenz von durchschnittlich 7857 (Minimum 5, Maximum 343500) Hz. | |||
Leistung - Honor verbaut nicht die neueste Hardware
Honor liefert mit dem MagicBook Pro ein Allround-Notebook im 16,1-Zoll-Format. Die verbaute Hardware bietet mehr als genug Leistung für Office- und Internetanwendungen. Zudem ermöglicht sie in eingeschränktem Maße die Nutzung von Computerspielen.
Testbedingungen
Das MagicBook Pro bietet zwei Energieprofile: Leistungsmodus und Standardmodus. Der Leistungsmodus ist nur im Netzbetrieb verfügbar, wenn der Akku mindestens zu 20 Prozent geladen ist. Nach jedem Neustart des Rechners wird automatisch der Standardmodus aktiviert. Mittels der Tastenkombination "Fn" + "P" kann zwischen den Modi gewechselt werden. Wir haben während des Tests den Leistungsmodus genutzt. Die Akkutests wurden im Standardmodus durchgeführt.
Alternativ kann mittels der vorinstallierten PC-Manager-Software zwischen den Profilen gewechselt. Innerhalb der Software tragen sie die Bezeichnungen "Leistung" und "Ausgeglichen".
Prozessor
Der Core-i5-10210U-Vierkernprozessor (Comet Lake) arbeitet mit einem Basistakt von 1,6 GHz. Mittels Turbo ist eine Steigerung auf 3,9 GHz (vier Kerne) bis 4,2 GHz (ein Kern) möglich. Hyperthreading (zwei Threads pro Kern) wird unterstützt.
Den Multi-Thread-Test des Cinebench-R15-Benchmarks bearbeitet der Prozessor für kurze Zeit mit 3,9 GHz. Dann sinkt der Takt auf 3,4 bis 3,5 GHz. Die Single-Thread-Tests werden mit 3,9 bis 4,1 GHz durchlaufen. Im Akkubetrieb liegen die Taktraten bei 1,8 bis 2,6 GHz (Multi-Thread) bzw. 1,4 bis 3,4 GHz (Single-Thread).
Ob der CPU-Turbo im Netzbetrieb dauerhaft zum Einsatz kommt, überprüfen wir, indem wir den Multi-Thread-Test des Cinebench-R15-Benchmarks für mindestens 30 Minuten in einer Schleife laufen lassen. Der Turbo arbeitet im mittleren Taktbereich.
| Blender - v2.79 BMW27 CPU | |
| Durchschnittliche Intel Core i5-10210U (585 - 1339, n=24) | |
| Honor MagicBook Pro 10210U (Standardmodus) | |
| Acer Aspire 5 A515-56-511A | |
| Honor MagicBook Pro 10210U | |
| Lenovo IdeaPad 5 15IIL05 | |
| Asus VivoBook S15 S533EQ-BQ002T | |
| Xiaomi RedmiBook 16 R5 | |
| Schenker Vision 15 | |
| Honor MagicBook Pro (AMD) | |
| Durchschnitt der Klasse Multimedia (100 - 616, n=66, der letzten 2 Jahre) | |
| HWBOT x265 Benchmark v2.2 - 4k Preset | |
| Durchschnitt der Klasse Multimedia (5.26 - 36.1, n=64, der letzten 2 Jahre) | |
| Honor MagicBook Pro (AMD) | |
| Schenker Vision 15 | |
| Xiaomi RedmiBook 16 R5 | |
| Lenovo IdeaPad 5 15IIL05 | |
| Asus VivoBook S15 S533EQ-BQ002T | |
| Honor MagicBook Pro 10210U | |
| Honor MagicBook Pro 10210U (Standardmodus) | |
| Acer Aspire 5 A515-56-511A | |
| Durchschnittliche Intel Core i5-10210U (2.36 - 6.28, n=24) | |
| LibreOffice - 20 Documents To PDF | |
| Honor MagicBook Pro (AMD) | |
| Durchschnittliche Intel Core i5-10210U (49.6 - 80.3, n=18) | |
| Xiaomi RedmiBook 16 R5 | |
| Honor MagicBook Pro 10210U | |
| Honor MagicBook Pro 10210U (Standardmodus) | |
| Lenovo IdeaPad 5 15IIL05 | |
| Durchschnitt der Klasse Multimedia (23.9 - 146.7, n=65, der letzten 2 Jahre) | |
| Acer Aspire 5 A515-56-511A | |
| Schenker Vision 15 | |
| Asus VivoBook S15 S533EQ-BQ002T | |
| R Benchmark 2.5 - Overall mean | |
| Durchschnittliche Intel Core i5-10210U (0.658 - 0.901, n=24) | |
| Honor MagicBook Pro 10210U | |
| Honor MagicBook Pro 10210U (Standardmodus) | |
| Lenovo IdeaPad 5 15IIL05 | |
| Xiaomi RedmiBook 16 R5 | |
| Acer Aspire 5 A515-56-511A | |
| Honor MagicBook Pro (AMD) | |
| Schenker Vision 15 | |
| Asus VivoBook S15 S533EQ-BQ002T | |
| Durchschnitt der Klasse Multimedia (0.3604 - 0.947, n=64, der letzten 2 Jahre) | |
* ... kleinere Werte sind besser
System Performance
Das flink und flüssig laufende System liefert mehr als genug Rechenleistung für Office- und Internetanwendungen. Der dedizierte Grafikkern erlaubt in eingeschränktem Maße die Nutzung von Computerspielen. Dazu gesellen sich ordentliche PC-Mark-Resultate. Der Arbeitsspeicher (16 GB, DDR4-2666, onboard) arbeitet im Dual-Channel-Modus. Eine Erweiterung des Speichers ist nicht möglich.
| PCMark 8 Home Score Accelerated v2 | 3788 Punkte | |
| PCMark 8 Creative Score Accelerated v2 | 4329 Punkte | |
| PCMark 8 Work Score Accelerated v2 | 5001 Punkte | |
| PCMark 10 Score | 4499 Punkte | |
Hilfe | ||
DPC-Latenzen
| DPC Latencies / LatencyMon - interrupt to process latency (max), Web, Youtube, Prime95 | |
| Schenker Vision 15 | |
| Honor MagicBook Pro (AMD) | |
| Acer Aspire 5 A515-56-511A | |
| Xiaomi RedmiBook 16 R5 | |
| Lenovo IdeaPad 5 15IIL05 | |
| Asus VivoBook S15 S533EQ-BQ002T | |
| Honor MagicBook Pro 10210U | |
* ... kleinere Werte sind besser
Massenspeicher
Das MagicBook Pro ist mit einer 512 GB fassenden NVMe-SSD (M.2-2280) der Firma Kioxia ausgestattet, die sehr gute Transferraten liefert. Unnötig: Honor verteilt den zur Verfügung stehenden Speicherplatz auf eine Windows- (119 GB, 76 GB nutzbar) und eine Datenpartition (337 GB).
Das Notebook bietet Platz für ein 2,5-Zoll-Speichermedium. Da weder der nötige SATA-Steckplatz noch ein Einbaurahmen beiliegen, könnte ein entsprechendes Laufwerk nicht nachgerüstet werden.
| Honor MagicBook Pro 10210U Toshiba XG6 KXG60ZNV512G | Xiaomi RedmiBook 16 R5 Samsung PM881 MZNLH512HALU-0000/07 | Asus VivoBook S15 S533EQ-BQ002T Intel SSD 660p 1TB SSDPEKNW010T8 | Schenker Vision 15 Samsung SSD 980 Pro 1TB MZ-V8P1T0BW | Acer Aspire 5 A515-56-511A Micron 2210 MTFDHBA1T0QFD | Lenovo IdeaPad 5 15IIL05 SK hynix BC511 HFM512GDHTNI-87A0B | Honor MagicBook Pro (AMD) WDC PC SN730 SDBPNTY-512G | |
|---|---|---|---|---|---|---|---|
| CrystalDiskMark 5.2 / 6 | -56% | 18% | 126% | 13% | -10% | 1% | |
| Write 4K (MB/s) | 162 | 44.95 -72% | 214.4 32% | 238.1 47% | 86.8 -46% | 159.7 -1% | 156.9 -3% |
| Read 4K (MB/s) | 46.52 | 27.19 -42% | 58.5 26% | 79.2 70% | 66.4 43% | 48.31 4% | 48.81 5% |
| Write Seq (MB/s) | 1638 | 1678 2% | 4139 153% | 1851 13% | 1038 -37% | 1050 -36% | |
| Read Seq (MB/s) | 1922 | 1648 -14% | 4133 115% | 1707 -11% | 1158 -40% | 2517 31% | |
| Write 4K Q32T1 (MB/s) | 410.3 | 252.5 -38% | 644 57% | 697 70% | 542 32% | 493.9 20% | 408.7 0% |
| Read 4K Q32T1 (MB/s) | 493.5 | 257.4 -48% | 600 22% | 758 54% | 589 19% | 522 6% | 504 2% |
| Write Seq Q32T1 (MB/s) | 1085 | 505 -53% | 1760 62% | 5187 378% | 1960 81% | 1028 -5% | 1087 0% |
| Read Seq Q32T1 (MB/s) | 3212 | 546 -83% | 1853 -42% | 7117 122% | 2227 -31% | 2280 -29% | 3407 6% |
| AS SSD | -72% | -11% | 100% | 3% | -16% | 39% | |
| Seq Read (MB/s) | 2654 | 458.9 -83% | 1754 -34% | 5427 104% | 2023 -24% | 1625 -39% | 2749 4% |
| Seq Write (MB/s) | 802 | 338.1 -58% | 1567 95% | 3886 385% | 1781 122% | 860 7% | 2348 193% |
| 4K Read (MB/s) | 42.15 | 24.8 -41% | 53 26% | 72.9 73% | 61.9 47% | 52.1 24% | 44.22 5% |
| 4K Write (MB/s) | 118.2 | 39.48 -67% | 167.9 42% | 219.3 86% | 128.7 9% | 131.3 11% | 140.5 19% |
| 4K-64 Read (MB/s) | 1411 | 159.1 -89% | 586 -58% | 2209 57% | 904 -36% | 797 -44% | 1450 3% |
| 4K-64 Write (MB/s) | 1344 | 129.1 -90% | 858 -36% | 2265 69% | 976 -27% | 769 -43% | 2346 75% |
| Access Time Read * (ms) | 0.075 | 0.089 -19% | 0.097 -29% | 0.033 56% | 0.063 16% | 0.079 -5% | |
| Access Time Write * (ms) | 0.035 | 0.066 -89% | 0.038 -9% | 0.02 43% | 0.031 11% | 0.032 9% | 0.027 23% |
| Score Read (Points) | 1718 | 230 -87% | 815 -53% | 2825 64% | 1168 -32% | 1012 -41% | 1769 3% |
| Score Write (Points) | 1542 | 202 -87% | 1182 -23% | 2873 86% | 1283 -17% | 986 -36% | 2721 76% |
| Score Total (Points) | 4048 | 553 -86% | 2421 -40% | 7069 75% | 3053 -25% | 2492 -38% | 5376 33% |
| Durchschnitt gesamt (Programm / Settings) | -64% /
-67% | 4% /
1% | 113% /
111% | 8% /
7% | -13% /
-13% | 20% /
23% |
* ... kleinere Werte sind besser
Dauerleistung Lesen: DiskSpd Read Loop, Queue Depth 8
Grafikkarte
Der GeForce-MX350-Grafikkern (Pascal) basiert auf der GeForce-GTX-1050-GPU. Allerdings wird der Grafikspeicher (GDDR5, 2.048 MB) nur per 64-Bit- statt 128-Bit-Leitung angebunden. Es handelt sich hier um ein Auslauf-Modell der Mittelklasse, dessen leistungsstärkerer Nachfolger (GeForce MX450) bereits verfügbar ist.
Die Resultate in den 3D-Mark-Benchmarks bewegen sich auf einem normalen Niveau für die hier verbaute GPU. Die integrierte Intel-UHD-Graphics-620-GPU ist aktiv und das Notebook arbeitet mit Nvidias Umschaltgrafiklösung Optimus.
| 3DMark 11 Performance | 6296 Punkte | |
| 3DMark Cloud Gate Standard Score | 16226 Punkte | |
| 3DMark Fire Strike Score | 3937 Punkte | |
| 3DMark Time Spy Score | 1447 Punkte | |
Hilfe | ||
Gaming Performance
Das MagicBook Pro bringt die meisten Spiele, die sich in unserer Datenbank befinden, flüssig auf den Bildschirm - bei geringer Auflösung und niedrigem bis mittlerem Qualitätsniveau. Titel mit moderaten Hardware-Anforderungen erlauben mehr. Leistungshungrige Kracher wie Cyberpunk 2077 und Assassin´s Creed Valhalla erreichen auch bei reduzierter Auflösung bzw. reduzierten Qualitätseinstellungen keine spielbaren Bildwiederholraten.
| The Witcher 3 - 1366x768 Medium Graphics & Postprocessing | |
| Durchschnitt der Klasse Multimedia (41 - 277, n=6, der letzten 2 Jahre) | |
| Schenker Vision 15 | |
| Asus VivoBook S15 S533EQ-BQ002T | |
| Lenovo IdeaPad 5 15IIL05 | |
| Durchschnittliche NVIDIA GeForce MX350 (35.2 - 51.9, n=13) | |
| Honor MagicBook Pro 10210U | |
| Shadow of the Tomb Raider - 1280x720 Lowest Preset | |
| Durchschnitt der Klasse Multimedia (56 - 204, n=8, der letzten 2 Jahre) | |
| Lenovo IdeaPad 5 15IIL05 | |
| Honor MagicBook Pro 10210U | |
| Durchschnittliche NVIDIA GeForce MX350 (54.3 - 68, n=4) | |
| Xiaomi RedmiBook 16 R5 | |
| Dirt 5 - 1280x720 Ultra Low Preset | |
| Honor MagicBook Pro 10210U | |
| Durchschnittliche NVIDIA GeForce MX350 (44.5 - 48.9, n=2) | |
| Xiaomi RedmiBook 16 R5 | |
| Serious Sam 4 - 1280x720 Lowest (DX12) | |
| Durchschnittliche NVIDIA GeForce MX350 (67.4 - 107, n=4) | |
| Honor MagicBook Pro 10210U | |
| Asus VivoBook S15 S533EQ-BQ002T | |
| Xiaomi RedmiBook 16 R5 | |
| Hitman 3 - 1280x720 Minimum Settings | |
| Honor MagicBook Pro 10210U | |
| Durchschnittliche NVIDIA GeForce MX350 (n=1) | |
| Xiaomi RedmiBook 16 R5 | |
Um zu überprüfen, ob die Bildwiederholraten über einen längeren Zeitraum weitgehend konstant bleiben, lassen wir das Spiel "The Witcher 3" für etwa 60 Minuten mit Full-HD-Auflösung und maximalen Qualitätseinstellungen laufen. Die Spielfigur wird nicht bewegt. Ein Einbruch der Leistung ist nicht zu beobachten. Die GPU arbeitet durchgehend mit voller Kraft.
| min. | mittel | hoch | max. | |
|---|---|---|---|---|
| The Witcher 3 (2015) | 84.7 | 42 | 28.3 | 17.5 |
| Dota 2 Reborn (2015) | 130 | 120 | 85.2 | 77.3 |
| X-Plane 11.11 (2018) | 74.4 | 63 | 56.1 | |
| Far Cry 5 (2018) | 58 | 27 | 24 | 22 |
| Shadow of the Tomb Raider (2018) | 65 | 24 | 17 | 12 |
| Serious Sam 4 (2020) | 69.7 | 12.6 | 10.6 | |
| Watch Dogs Legion (2020) | 35.7 | 18.4 | 13.7 | 6.34 |
| Dirt 5 (2020) | 48.9 | 15.2 | 8.6 | |
| Assassin´s Creed Valhalla (2020) | 22 | 14 | 6 | |
| Immortals Fenyx Rising (2020) | 47 | 19 | 15 | 13 |
| Cyberpunk 2077 1.0 (2020) | 23.8 | 10.3 | 7.08 | |
| Hitman 3 (2021) | 47.4 | 21.9 | 18.7 | 16.4 |
Emissionen - Das MagicBook kann leise arbeiten
Geräuschemissionen
Die verbauten Lüfter sind im Alltagsbetrieb praktisch nicht zu hören. Im Leerlauf und bei geringer Last stehen sie oftmals still und es herrscht Lautlosigkeit. Erst bei stärkerer Last drehen sie hörbar auf. Wir registrieren maximale Schalldruckpegel von 44 dB(A) (Stresstest) bzw. 40 dB(A) (Witcher-3-Test).
Bei höheren Drehgeschwindigkeiten ist ein dezentes, hochfrequentes Pfeifen zu vernehmen - genau wie beim AMD-Schwestermodell. Das Ganze ist grundsätzlich auszuhalten. Der subjektive Nervfaktor dürfte hier aber individuell sehr unterschiedlich ausfallen. Ist das Energieprofil "Standardmodus" aktiv, produziert das Notebook insgesamt weniger Lärm.
Lautstärkediagramm
| Idle |
| 24 / 25 / 27 dB(A) |
| Last |
| 39 / 44 dB(A) |
![]() | ||
30 dB leise 40 dB(A) deutlich hörbar 50 dB(A) störend |
||
min: | ||
| Honor MagicBook Pro 10210U i5-10210U, GeForce MX350 | Xiaomi RedmiBook 16 R5 R5 4500U, Vega 6 | Asus VivoBook S15 S533EQ-BQ002T i7-1165G7, GeForce MX350 | Schenker Vision 15 i7-1165G7, Iris Xe G7 96EUs | Acer Aspire 5 A515-56-511A i5-1135G7, Iris Xe G7 80EUs | Lenovo IdeaPad 5 15IIL05 i5-1035G1, GeForce MX350 | Honor MagicBook Pro (AMD) R5 4600H, Vega 6 | Durchschnitt der Klasse Multimedia | |
|---|---|---|---|---|---|---|---|---|
| Geräuschentwicklung | -8% | 1% | -11% | 5% | -16% | -3% | 0% | |
| aus / Umgebung * (dB) | 24 | 30.1 -25% | 25 -4% | 29.8 -24% | 24.5 -2% | 30.7 -28% | 29.7 -24% | 24.2 ? -1% |
| Idle min * (dB) | 24 | 30.1 -25% | 25 -4% | 29.8 -24% | 24.5 -2% | 30.7 -28% | 29.7 -24% | 24.3 ? -1% |
| Idle avg * (dB) | 25 | 30.1 -20% | 25 -0% | 29.8 -19% | 24.5 2% | 30.7 -23% | 29.7 -19% | 24.7 ? 1% |
| Idle max * (dB) | 27 | 31 -15% | 25 7% | 31.1 -15% | 26.4 2% | 30.7 -14% | 30.5 -13% | 26.4 ? 2% |
| Last avg * (dB) | 39 | 34.1 13% | 39.5 -1% | 40.5 -4% | 32 18% | 43.4 -11% | 31 21% | 37.1 ? 5% |
| Witcher 3 ultra * (dB) | 40 | 34 15% | 39.3 2% | 40.5 -1% | 43.2 -8% | 31.3 22% | ||
| Last max * (dB) | 44 | 42.2 4% | 41.6 5% | 40.5 8% | 39 11% | 43.7 1% | 36.7 17% | 45.7 ? -4% |
* ... kleinere Werte sind besser
Temperatur
Unseren Stresstest (Prime95 und Furmark laufen für mindestens eine Stunde) bearbeiten CPU bzw. GPU mit 1.800 MHz bzw. 1.493 MHz. Der Stresstest stellt ein Extremszenario dar. Wir überprüfen mit diesem Test, ob das System auch bei voller Auslastung stabil läuft.
Das Notebook erwärmt sich spürbar. Während des Stresstests registrieren wir an mehreren Messpunkten Temperaturen im mittleren bis oberen 40-Grad-Celsius-Bereich. Geringer fällt die Erwärmung bei der Durchführung des Witcher-3-Tests aus. Im Alltagsbetrieb bewegen sich die Temperaturen im grünen Bereich.
(-) Die maximale Temperatur auf der Oberseite ist 49 °C. Im Vergleich liegt der Klassendurchschnitt bei 36.8 °C (von 21 bis 71 °C für die Klasse Multimedia).
(-) Auf der Unterseite messen wir eine maximalen Wert von 49 °C (im Vergleich zum Durchschnitt von 39.1 °C).
(+) Ohne Last messen wir eine durchschnittliche Temperatur von 27 °C auf der Oberseite. Der Klassendurchschnitt erreicht 31.3 °C.
(±) Beim längeren Spielen von The Witcher 3 erhitzt sich das Gerät durchschnittlich auf 37.3 °C. Der Durchschnitt der Klasse ist derzeit 31.3 °C.
(±) Die Handballen und der Touchpad-Bereich können sehr heiß werden mit maximal 37 °C.
(-) Die durchschnittliche Handballen-Temperatur anderer getesteter Geräte war 28.7 °C (-8.3 °C).
| Honor MagicBook Pro 10210U i5-10210U, GeForce MX350 | Xiaomi RedmiBook 16 R5 R5 4500U, Vega 6 | Asus VivoBook S15 S533EQ-BQ002T i7-1165G7, GeForce MX350 | Schenker Vision 15 i7-1165G7, Iris Xe G7 96EUs | Acer Aspire 5 A515-56-511A i5-1135G7, Iris Xe G7 80EUs | Lenovo IdeaPad 5 15IIL05 i5-1035G1, GeForce MX350 | Honor MagicBook Pro (AMD) R5 4600H, Vega 6 | Durchschnitt der Klasse Multimedia | |
|---|---|---|---|---|---|---|---|---|
| Hitze | 17% | 16% | 13% | 24% | 1% | 7% | 10% | |
| Last oben max * (°C) | 49 | 38 22% | 38.1 22% | 42.4 13% | 33.6 31% | 43.1 12% | 45.9 6% | 41.6 ? 15% |
| Last unten max * (°C) | 49 | 38 22% | 41.3 16% | 46.8 4% | 30.1 39% | 50.9 -4% | 49.2 -0% | 44.3 ? 10% |
| Idle oben max * (°C) | 29 | 25 14% | 24.5 16% | 24.6 15% | 25.5 12% | 29 -0% | 26 10% | 27.1 ? 7% |
| Idle unten max * (°C) | 30 | 27 10% | 26.8 11% | 24.4 19% | 26.1 13% | 31 -3% | 26.5 12% | 28 ? 7% |
* ... kleinere Werte sind besser
Lautsprecher
Honor MagicBook Pro 10210U Audio Analyse
(±) | Mittelmäßig laut spielende Lautsprecher (80 dB)
Bass 100 - 315 Hz
(-) | kaum Bass - 20.4% niedriger als der Median
(-) | keine lineare Bass-Wiedergabe (15% Delta zum Vorgänger)
Mitteltöne 400 - 2000 Hz
(+) | ausgeglichene Mitten, vom Median nur 4.1% abweichend
(+) | lineare Mitten (4.5% Delta zum Vorgänger)
Hochtöne 2 - 16 kHz
(+) | ausgeglichene Hochtöne, vom Median nur 3% abweichend
(+) | sehr lineare Hochtöne (6.8% Delta zum Vorgänger)
Gesamt im hörbaren Bereich 100 - 16.000 Hz
(±) | hörbarer Bereich ist durchschnittlich linear (17.8% Abstand zum Median)
Im Vergleich zu allen Geräten derselben Klasse
» 52% aller getesteten Geräte dieser Klasse waren besser, 7% vergleichbar, 41% schlechter
» Das beste Gerät hat einen Delta-Wert von 5%, durchschnittlich ist 17%, das schlechteste Gerät hat 45%
Im Vergleich zu allen Geräten im Test
» 36% aller getesteten Geräte waren besser, 8% vergleichbar, 56% schlechter
» Das beste Gerät hat einen Delta-Wert von 4%, durchschnittlich ist 24%, das schlechteste Gerät hat 134%
Energieverwaltung - Honor Rechner bietet sehr gute Akkulaufzeiten
Energieaufnahme
Im Leerlauf messen wir eine maximale Leistungsaufnahme von 14 Watt - der Wert fällt etwas zu hoch aus. Unter Last steigt der Bedarf auf bis zu 65 Watt (Stresstest) bzw. durchschnittlich 59 Watt (Witcher-3-Test). Die Nennleistung des Netzteils beträgt 65 Watt.
| Aus / Standby | |
| Idle | |
| Last |
|
Legende:
min: | |
| Honor MagicBook Pro 10210U i5-10210U, GeForce MX350 | Xiaomi RedmiBook 16 R5 R5 4500U, Vega 6 | Asus VivoBook S15 S533EQ-BQ002T i7-1165G7, GeForce MX350 | Schenker Vision 15 i7-1165G7, Iris Xe G7 96EUs | Acer Aspire 5 A515-56-511A i5-1135G7, Iris Xe G7 80EUs | Lenovo IdeaPad 5 15IIL05 i5-1035G1, GeForce MX350 | Honor MagicBook Pro (AMD) R5 4600H, Vega 6 | Durchschnitt der Klasse Multimedia | |
|---|---|---|---|---|---|---|---|---|
| Stromverbrauch | 37% | 26% | 30% | 37% | 9% | 26% | -9% | |
| Idle min * (Watt) | 7 | 3.2 54% | 3 57% | 3.5 50% | 3.3 53% | 4.9 30% | 4.2 40% | 5.7 ? 19% |
| Idle avg * (Watt) | 10 | 6.7 33% | 6.4 36% | 6.3 37% | 8.4 16% | 9.1 9% | 8.4 16% | 10.1 ? -1% |
| Idle max * (Watt) | 14 | 8.7 38% | 7.9 44% | 6.8 51% | 8.9 36% | 11.6 17% | 9.7 31% | 12.5 ? 11% |
| Last avg * (Watt) | 63 | 35 44% | 59 6% | 43.2 31% | 30.1 52% | 65 -3% | 39.5 37% | 64.8 ? -3% |
| Witcher 3 ultra * (Watt) | 59 | 33 44% | 48 19% | 52 12% | 59 -0% | 39.1 34% | ||
| Last max * (Watt) | 65 | 59.6 8% | 68 -5% | 67.7 -4% | 45.4 30% | 65.3 -0% | 67.1 -3% | 112.3 ? -73% |
* ... kleinere Werte sind besser
Akkulaufzeit
Der 16,1-Zöller erreicht im WLAN-Test (Aufruf von Webseiten mittels eines Skripts) bzw. Videotest (Kurzfilm Big Buck Bunny (H.264-Kodierung, FHD) läuft in einer Schleife) Laufzeiten von 10:08 h bzw. 11:07 h. Während beider Tests sind die Energiesparfunktionen des Notebooks deaktiviert und die Displayhelligkeit wird auf etwa 150 cd/m² geregelt. Zur Durchführung des Videotests wird zudem das Funkmodul abgeschaltet.
| Honor MagicBook Pro 10210U i5-10210U, GeForce MX350, 56 Wh | Xiaomi RedmiBook 16 R5 R5 4500U, Vega 6, 48 Wh | Asus VivoBook S15 S533EQ-BQ002T i7-1165G7, GeForce MX350, 50 Wh | Schenker Vision 15 i7-1165G7, Iris Xe G7 96EUs, 73 Wh | Acer Aspire 5 A515-56-511A i5-1135G7, Iris Xe G7 80EUs, 48.85 Wh | Lenovo IdeaPad 5 15IIL05 i5-1035G1, GeForce MX350, 70 Wh | Honor MagicBook Pro (AMD) R5 4600H, Vega 6, 56 Wh | Durchschnitt der Klasse Multimedia | |
|---|---|---|---|---|---|---|---|---|
| Akkulaufzeit | 20% | -17% | 31% | -7% | 22% | -11% | 17% | |
| Idle (h) | 24.7 | 23.2 -6% | 25.2 ? 2% | |||||
| H.264 (h) | 11.1 | 14.7 32% | 18.7 68% | 16.1 45% | 10.6 -5% | 16.3 ? 47% | ||
| WLAN (h) | 10.1 | 10.5 4% | 8.4 -17% | 15.2 50% | 6.9 -32% | 11.4 13% | 10.3 2% | 12 ? 19% |
| Last (h) | 1.7 | 2.1 24% | 1.3 -24% | 2 18% | 2.3 35% | 1.2 -29% | 1.672 ? -2% | |
| Witcher 3 ultra (h) | 3.1 |
Pro
Contra
Fazit
Honor liefert mit dem MagicBook Pro einen schicken, kompakten 16,1-Zoll-Allrounder, der sowohl mit AMD-Innereien als auch mit Hardware von Intel/Nvidia zu bekommen ist. Die Unterschiede lassen sich schnell benennen: Das AMD-Modell bietet mehr CPU-Leistung, das Intel/Nvidia-Modell mehr Grafikleistung.
Honor schnürt mit dem MagicBook Pro ein rundes Paket, das mit einem guten Preis-Leistungs-Verhältnis aufwartet. Das gilt sowohl für die AMD- als auch die Intel/Nvidia-Variante.
Die uns vorliegende Ausstattungsvariante ist dank Core-i5-10210U-Prozessor und GeForce-MX350-Grafikkern für Office, Internet und - in eingeschränktem Maße - Gaming gerüstet. 16 GB Arbeitsspeicher (Dual-Channel-Modus, onboard, nicht erweiterbar) und eine 512-GB-NVMe-SSD stellen eine adäquate Speicherausstattung dar.
Im Akkubetrieb mangelt es dem Rechner nicht an Ausdauer. Der verbaute Energiespeicher (56 Wh) sorgt für praxisnahe Laufzeiten von 10 bis 11 h. Energie wird über das mitgelieferte USB-C-Netzteil nachgefüllt. Der Bildschirm (FHD, IPS) erfreut mit stabilen Blickwinkeln, matter Oberfläche, sehr guter Farbdarstellung und ordentlicher Farbraumabdeckung. Helligkeit und Kontrast liegen im Soll. Die Tastatur (beleuchtet) hat sich als alltagstauglich erwiesen.
Das Intel/Nvidia-MagicBook-Pro bietet nicht nur die gleichen Stärken wie das AMD-Pendant, sondern auch die gleichen Schwächen: Die Lüfter geben bei höheren Drehgeschwindigkeiten ein dezentes, hochfrequentes Pfeifen von sich, der Arbeitsspeicher kann nicht erweitert werden, die Tastenbeleuchtung dürfte eine größere Helligkeit bieten und es fehlt ein Speicherkartenleser.
Preis und Verfügbarkeit
Das Honor MagicBook Pro wird im Honor Shop zu einem Preis von 849 Euro geführt, ist zum Testzeitpunkt allerdings nicht verfügbar.
Honor MagicBook Pro 10210U
- 27.03.2021 v7 (old)
Sascha Mölck































































































