Test Asus ROG Zephyrus G14 GA402RJ Laptop: Helles Display und viel Leistung

Während Gaming-Notebooks auf Intel-/Nvidia-Basis wie Sand am Meer existieren, gibt es Modelle mit AMD-CPU und dedizierter AMD-GPU eher selten. Umso schöner, dass sich Asus dieser Schieflage bzw. Ungleichheit angenommen und mit dem Zephyrus G14 ein äußerst kompaktes AMD-Notebook auf die Beine gestellt hat.
Nachdem wir vor einigen Monaten bereits das Modell GA402RK (Ryzen 9 6900HS & Radeon RX 6800S) begutachten konnten, stand jetzt die Version GA402RJ auf dem Prüfstand. Letztere präsentiert sich dank Ryzen 7 6800HS und Radeon RX 6700S ebenfalls sehr leistungsstark. Dazu kommen 16 GB DDR5-4800-RAM (8 GB verlötet, 8 GB als SO-DIMM) und eine 1-TB-NVMe-SSD im bekannten M.2-Format.
Um die Bildwiedergabe kümmert sich erneut ein mattes und hochauflösendes 16:10-Display mit 120 Hz. Die schicke Beleuchtung auf dem Deckel (Anime Matrix LEDs) ist auch wieder an Bord. Abgerundet wird das Paket von Windows 11 Home als Betriebssystem. Kostenpunkt: ca. 1.900 Euro - ein recht happiger Preis für die gebotene GPU-Power.
Zur Konkurrenz des Zephyrus G14 zählt vor allem das Razer Blade 14, z. B. in der von uns getesteten Variante mit Ryzen 9 5900HX und GeForce RTX 3070. Ältere G14-Vertreter mit RTX 3060 und RTX 3050 Ti tauchen ebenfalls in den nachfolgenden Vergleichstabellen auf.
mögliche Konkurrenten im Vergleich
Bew. | Datum | Modell | Gewicht | Dicke | Größe | Auflösung | Preis ab |
|---|---|---|---|---|---|---|---|
| 86.4 % v7 (old) | 10 / 2022 | Asus ROG Zephyrus G14 GA402RJ R7 6800HS, Radeon RX 6700S | 1.7 kg | 19.5 mm | 14.00" | 2560x1600 | |
| 86.7 % v7 (old) | 03 / 2022 | Asus ROG Zephyrus G14 GA402RK R9 6900HS, Radeon RX 6800S | 1.7 kg | 19.5 mm | 14.00" | 2560x1600 | |
| 82.7 % v7 (old) | 10 / 2021 | Asus Zephyrus G14 GA401QEC R9 5900HS, GeForce RTX 3050 Ti Laptop GPU | 1.7 kg | 19.9 mm | 14.00" | 2560x1440 | |
| 83.5 % v7 (old) | 07 / 2021 | Asus Zephyrus G14 GA401QM R9 5900HS, GeForce RTX 3060 Laptop GPU | 1.7 kg | 19.9 mm | 14.00" | 1920x1080 | |
| 87.5 % v7 (old) | 06 / 2021 | Razer Blade 14 Ryzen 9 RTX 3070 R9 5900HX, GeForce RTX 3070 Laptop GPU | 1.8 kg | 16.8 mm | 14.00" | 2560x1440 |
Da das Gehäuse abseits der Farbe (Eclipse Gray statt Moonlight White) identisch zum verlinkten GA402RK ist, sparen wir uns in diesem Artikel eine Erläuterung des Chassis, der Anschlüsse und der Eingabegeräte.
| SD Card Reader | |
| average JPG Copy Test (av. of 3 runs) | |
| Asus ROG Zephyrus G14 GA402RJ (AV PRO microSD 128 GB V60) | |
| Asus ROG Zephyrus G14 GA402RK (AV PRO microSD 128 GB V60) | |
| Durchschnitt der Klasse Gaming (20.9 - 210, n=58, der letzten 2 Jahre) | |
| maximum AS SSD Seq Read Test (1GB) | |
| Asus ROG Zephyrus G14 GA402RK (AV PRO microSD 128 GB V60) | |
| Asus ROG Zephyrus G14 GA402RJ (AV PRO microSD 128 GB V60) | |
| Durchschnitt der Klasse Gaming (25.5 - 261, n=55, der letzten 2 Jahre) | |
Kommunikation
Webcam

Display
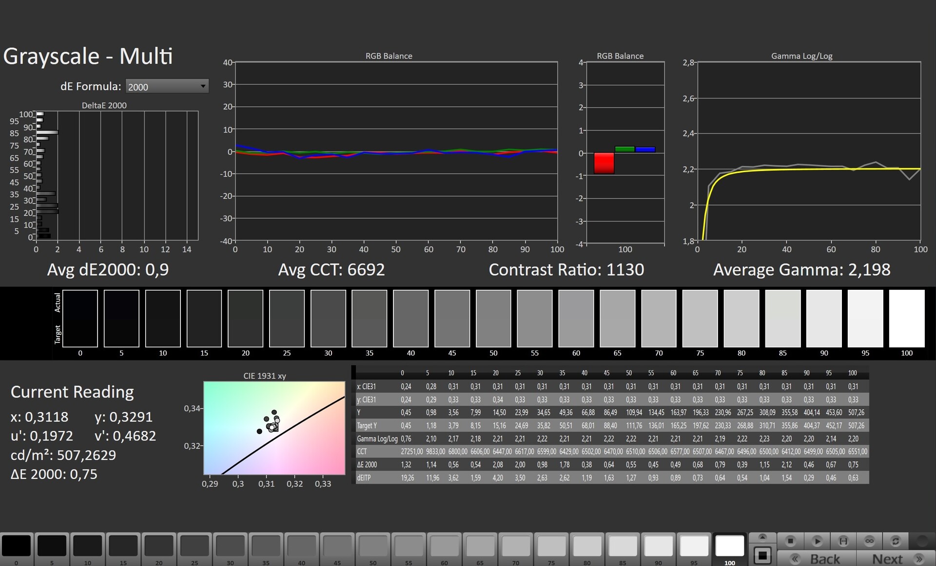
Beim Display wirft Asus geradzu mit Features um sich: 500 Nits, QHD, 3 ms, 120 Hz, 100 % DCI-P3, Dolby Vision HDR, Adaptive Sync und eine Pantone Validierung versprechen eine hervorragende Bildqualität. Und genau diese liefert das Zephyrus in der Praxis.
| |||||||||||||||||||||||||
Ausleuchtung: 85 %
Helligkeit Akku: 500 cd/m²
Kontrast: 1190:1 (Schwarzwert: 0.42 cd/m²)
ΔE ColorChecker Calman: 2.45 | ∀{0.5-29.43 Ø4.74}
calibrated: 1.2
ΔE Greyscale Calman: 3.1 | ∀{0.09-98 Ø4.99}
85.6% AdobeRGB 1998 (Argyll 3D)
99.9% sRGB (Argyll 3D)
97.6% Display P3 (Argyll 3D)
Gamma: 2.213
CCT: 7251 K
| Asus ROG Zephyrus G14 GA402RJ BOEhydis NE140QDM-NX1, IPS, 2560x1600, 14" | Asus ROG Zephyrus G14 GA402RK NE140QDM-NX1 (BOE0A1D), IPS-Level, 2560x1600, 14" | Asus Zephyrus G14 GA401QEC TL140BDXP01-0, IPS, 2560x1440, 14" | Asus Zephyrus G14 GA401QM LM140LF-1F02, IPS, 1920x1080, 14" | Razer Blade 14 Ryzen 9 RTX 3070 TL140BDXP02-2, IPS, 2560x1440, 14" | |
|---|---|---|---|---|---|
| Display | 0% | -1% | -20% | 0% | |
| Display P3 Coverage (%) | 97.6 | 97.4 0% | 94.2 -3% | 68.1 -30% | 97.2 0% |
| sRGB Coverage (%) | 99.9 | 99.9 0% | 99.9 0% | 92.4 -8% | 99.9 0% |
| AdobeRGB 1998 Coverage (%) | 85.6 | 85.5 0% | 84.5 -1% | 67.7 -21% | 85.4 0% |
| Response Times | -3% | -71% | -337% | -89% | |
| Response Time Grey 50% / Grey 80% * (ms) | 8.3 ? | 8.8 ? -6% | 20 ? -141% | 34.4 ? -314% | 16.4 ? -98% |
| Response Time Black / White * (ms) | 6 ? | 6 ? -0% | 6 ? -0% | 27.6 ? -360% | 10.8 ? -80% |
| PWM Frequency (Hz) | 26191 ? | 27170 ? | |||
| Bildschirm | -12% | -64% | -48% | -0% | |
| Helligkeit Bildmitte (cd/m²) | 500 | 480 -4% | 333 -33% | 329.4 -34% | 331.1 -34% |
| Brightness (cd/m²) | 470 | 456 -3% | 317 -33% | 311 -34% | 318 -32% |
| Brightness Distribution (%) | 85 | 80 -6% | 89 5% | 90 6% | 91 7% |
| Schwarzwert * (cd/m²) | 0.42 | 0.48 -14% | 0.36 14% | 0.39 7% | 0.36 14% |
| Kontrast (:1) | 1190 | 1000 -16% | 925 -22% | 845 -29% | 920 -23% |
| Delta E Colorchecker * | 2.45 | 2.62 -7% | 5.58 -128% | 4.01 -64% | 2.25 8% |
| Colorchecker dE 2000 max. * | 5.34 | 6.71 -26% | 10.62 -99% | 8.21 -54% | 4.62 13% |
| Colorchecker dE 2000 calibrated * | 1.2 | 1.12 7% | 2.88 -140% | 3.89 -224% | |
| Delta E Graustufen * | 3.1 | 4.2 -35% | 7.5 -142% | 3.2 -3% | 1.7 45% |
| Gamma | 2.213 99% | 2.16 102% | 2.28 96% | 2.2 100% | 2.3 96% |
| CCT | 7251 90% | 7122 91% | 7220 90% | 7070 92% | 6751 96% |
| Durchschnitt gesamt (Programm / Settings) | -5% /
-8% | -45% /
-52% | -135% /
-83% | -30% /
-14% |
* ... kleinere Werte sind besser
Wie schon das Modell mit R9 6900HS und RX 6800S kann auch das GA402RJ in fast jeder nur erdenklichen Hinsicht überzeugen. Durschnittlich 470 cd/m² Leuchtkraft, die wir ermittelt haben, sind ebenso erstklassig wie 100 % sRGB-Abdeckung und 86 % AdobeRGB-Abdeckung. Mit der Reaktionszeit (unter 10 ms) werden die meisten Käufer auch sehr zufrieden sein. Der Kontrast ist aufgrund des minimal besseren Schwarzwerts (0,42 vs 0,48 cd/m²) sogar noch etwas besser als beim Bruder GA402RK (1.190:1 vs 1.000:1), wobei das an der typischen Serienstreuung liegen dürfte, da die Panels an sich gleich sind.
Bezüglich der Farbgenauigkeit gibt es ebenfalls nichts zu meckern. Schon im Auslieferungszustand bietet das G14 sehr natürliche Farben. Doch der 14-Zöller eignet sich nicht nur zur professionellen Bild- und Videobearbeitung. Dank der hohen Leuchtkraft macht der Asus-Rechner auch außerhalb geschlossener Räume eine tolle Figur. Kaum ein Gaming-Notebook ist derart outdoortauglich.
Reaktionszeiten (Response Times) des Displays
| ↔ Reaktionszeiten Schwarz zu Weiß | ||
|---|---|---|
| 6 ms ... steigend ↗ und fallend ↘ kombiniert | ↗ 1.8 ms steigend | |
| ↘ 4.2 ms fallend | ||
| Die gemessenen Reaktionszeiten sind sehr kurz, wodurch sich der Bildschirm auch für schnelle 3D Spiele eignen sollte. Im Vergleich rangierten die bei uns getesteten Geräte von 0.1 (Minimum) zu 240 (Maximum) ms. » 18 % aller Screens waren schneller als der getestete. Daher sind die gemessenen Reaktionszeiten besser als der Durchschnitt aller vermessenen Geräte (20 ms). | ||
| ↔ Reaktionszeiten 50% Grau zu 80% Grau | ||
| 8.3 ms ... steigend ↗ und fallend ↘ kombiniert | ↗ 3.5 ms steigend | |
| ↘ 4.8 ms fallend | ||
| Die gemessenen Reaktionszeiten sind kurz wodurch sich der Bildschirm auch für Spiele gut eignen sollte. Im Vergleich rangierten die bei uns getesteten Geräte von 0.165 (Minimum) zu 636 (Maximum) ms. » 21 % aller Screens waren schneller als der getestete. Daher sind die gemessenen Reaktionszeiten besser als der Durchschnitt aller vermessenen Geräte (31.2 ms). | ||
Bildschirm-Flackern / PWM (Pulse-Width Modulation)
| Flackern / PWM festgestellt | 26191 Hz | ≤ 35 % Helligkeit | |
Das Display flackert mit 26191 Hz (im schlimmsten Fall, eventuell durch Pulsweitenmodulation PWM) bei einer eingestellten Helligkeit von 35 % und darunter. Darüber sollte es zu keinem Flackern kommen. Die Frequenz von 26191 Hz ist sehr hoch und sollte daher auch bei empfindlichen Personen zu keinen Problemen führen. Im Vergleich: 52 % aller getesteten Geräte nutzten kein PWM um die Helligkeit zu reduzieren. Wenn PWM eingesetzt wurde, dann bei einer Frequenz von durchschnittlich 7898 (Minimum 5, Maximum 343500) Hz. | |||
Leistung
Man kann das Zephyrus G14 durchaus in der High-End-Kategorie ansiedeln. Die potente CPU-/GPU-Kombination, der moderne DDR5-RAM und die flotte NVMe-SSD garantieren eine gewisse Zukunftssicherheit.
Testbedingungen
Die mächtige Armoury Crate (siehe Screenshots) hat sich seit dem Test des GA402RK etwas verändert. Um vergleichbare Bedingungen zu erhalten, haben wir möglichst ähnliche Settings gewählt. Während die 3D- und Gaming-Benchmarks mit dem Turbo-Profil und dem GPU-Modus Ultimativ durchgeführt wurden, sind die restlichen Messungen mit dem Leistungsprofil und dem GPU-Modus Standard entstanden.
Zwar würden wir in der Praxis aufgrund der happigen Geräuschentwicklung vom Turbo-Profil abraten (der Performance-Gewinn steht in keinem Verhältnis), da die TGP im Leistungsmodus allerdings schwankt - das GA402RK lässt grüßen - bzw. nach einer Weile sinkt, war für unsere GPU-Messungen der Turbo-Modus die bessere, weil verlässlichere Wahl.
| Armoury Crate | CPU PL1 (HWINFO) | CPU PL2 (HWINFO) | GPU Power Draw @Witcher 3 | Noise @Witcher 3 | FPS @Witcher 3 |
| Profil Leise | 90W | 113 W | ~40 W | ~38 dB(A) | ~50 FPS |
| Profil Leistung | 100 W | 125 W | ~65-75 W | ~43 dB(A) | ~80 FPS |
| Profil Turbo | 125 W | 157 W | ~100 W | ~51 dB(A) | ~85 FPS |
Prozessor
Der Ryzen 7 6800HS unterscheidet sich technisch kaum vom Ryzen 9 6900HS. Beide Chips sind mit 35 Watt spezifiziert, besitzen einen 16 MB großen L3-Cache, 8 Kerne und können 16 Threads parallel bearbeiten. Lediglich der Takt fällt beim kostspieligeren Bruder um 100 MHz (Basis) respektive 200 MHz (Boost) höher aus. Statt 3,3 bis 4,9 GHz schafft der 6800HS "nur" 3,2 bis 4,7 GHz, was ebenfalls üppig ist.
Im CPU-Parcours liegen die Geschwister erwartungsgemäß sehr dicht beeinander, weshalb sich das knapp 400 Euro teurere G14-Modell rein aus Prozessor-Sicht nicht wirklich lohnt. Die Leistung tendiert zu den Vorgänger-Chips Ryzen 9 5900HS und 5900HX, wie unsere Tabelle zeigt.
Cinebench R15 Multi Dauertest
* ... kleinere Werte sind besser
AIDA64: FP32 Ray-Trace | FPU Julia | CPU SHA3 | CPU Queen | FPU SinJulia | FPU Mandel | CPU AES | CPU ZLib | FP64 Ray-Trace | CPU PhotoWorxx
| Performance Rating | |
| Durchschnitt der Klasse Gaming | |
| Asus ROG Zephyrus G14 GA402RK | |
| Asus Zephyrus G14 GA401QEC | |
| Asus Zephyrus G14 GA401QM | |
| Asus ROG Zephyrus G14 GA402RJ | |
| Razer Blade 14 Ryzen 9 RTX 3070 | |
| AIDA64 / FP32 Ray-Trace | |
| Durchschnitt der Klasse Gaming (10227 - 85542, n=117, der letzten 2 Jahre) | |
| Asus Zephyrus G14 GA401QM | |
| Asus Zephyrus G14 GA401QEC | |
| Razer Blade 14 Ryzen 9 RTX 3070 | |
| Asus ROG Zephyrus G14 GA402RK | |
| Asus ROG Zephyrus G14 GA402RJ | |
| AIDA64 / FPU Julia | |
| Durchschnitt der Klasse Gaming (51376 - 238426, n=117, der letzten 2 Jahre) | |
| Asus Zephyrus G14 GA401QEC | |
| Asus Zephyrus G14 GA401QM | |
| Razer Blade 14 Ryzen 9 RTX 3070 | |
| Asus ROG Zephyrus G14 GA402RK | |
| Asus ROG Zephyrus G14 GA402RJ | |
| AIDA64 / CPU SHA3 | |
| Durchschnitt der Klasse Gaming (2180 - 9817, n=117, der letzten 2 Jahre) | |
| Asus Zephyrus G14 GA401QM | |
| Asus Zephyrus G14 GA401QEC | |
| Razer Blade 14 Ryzen 9 RTX 3070 | |
| Asus ROG Zephyrus G14 GA402RK | |
| Asus ROG Zephyrus G14 GA402RJ | |
| AIDA64 / CPU Queen | |
| Durchschnitt der Klasse Gaming (49785 - 173351, n=113, der letzten 2 Jahre) | |
| Asus Zephyrus G14 GA401QEC | |
| Asus Zephyrus G14 GA401QM | |
| Asus ROG Zephyrus G14 GA402RK | |
| Asus ROG Zephyrus G14 GA402RJ | |
| Razer Blade 14 Ryzen 9 RTX 3070 | |
| AIDA64 / FPU SinJulia | |
| Durchschnitt der Klasse Gaming (4424 - 33636, n=117, der letzten 2 Jahre) | |
| Asus ROG Zephyrus G14 GA402RK | |
| Asus Zephyrus G14 GA401QEC | |
| Asus Zephyrus G14 GA401QM | |
| Asus ROG Zephyrus G14 GA402RJ | |
| Razer Blade 14 Ryzen 9 RTX 3070 | |
| AIDA64 / FPU Mandel | |
| Durchschnitt der Klasse Gaming (25115 - 128721, n=117, der letzten 2 Jahre) | |
| Asus Zephyrus G14 GA401QM | |
| Asus Zephyrus G14 GA401QEC | |
| Razer Blade 14 Ryzen 9 RTX 3070 | |
| Asus ROG Zephyrus G14 GA402RK | |
| Asus ROG Zephyrus G14 GA402RJ | |
| AIDA64 / CPU AES | |
| Asus Zephyrus G14 GA401QM | |
| Asus Zephyrus G14 GA401QEC | |
| Asus ROG Zephyrus G14 GA402RK | |
| Razer Blade 14 Ryzen 9 RTX 3070 | |
| Asus ROG Zephyrus G14 GA402RJ | |
| Durchschnitt der Klasse Gaming (39258 - 247074, n=117, der letzten 2 Jahre) | |
| AIDA64 / CPU ZLib | |
| Durchschnitt der Klasse Gaming (574 - 2531, n=117, der letzten 2 Jahre) | |
| Asus Zephyrus G14 GA401QEC | |
| Asus Zephyrus G14 GA401QM | |
| Asus ROG Zephyrus G14 GA402RK | |
| Razer Blade 14 Ryzen 9 RTX 3070 | |
| Asus ROG Zephyrus G14 GA402RJ | |
| AIDA64 / FP64 Ray-Trace | |
| Durchschnitt der Klasse Gaming (5509 - 45446, n=117, der letzten 2 Jahre) | |
| Razer Blade 14 Ryzen 9 RTX 3070 | |
| Asus Zephyrus G14 GA401QEC | |
| Asus Zephyrus G14 GA401QM | |
| Asus ROG Zephyrus G14 GA402RK | |
| Asus ROG Zephyrus G14 GA402RJ | |
| AIDA64 / CPU PhotoWorxx | |
| Durchschnitt der Klasse Gaming (12271 - 62916, n=117, der letzten 2 Jahre) | |
| Asus ROG Zephyrus G14 GA402RK | |
| Asus ROG Zephyrus G14 GA402RJ | |
| Razer Blade 14 Ryzen 9 RTX 3070 | |
| Asus Zephyrus G14 GA401QEC | |
| Asus Zephyrus G14 GA401QM | |
System Performance
Bei der System-Performance macht es sich das Testgerät auf dem zweiten Platz vor dem Razer Blade 14 bequem. 7.345 Punkte im PCMark 10 sind nur 5 % weniger als beim GA402RK.
| PCMark 10 / Score | |
| Durchschnitt der Klasse Gaming (5828 - 11574, n=101, der letzten 2 Jahre) | |
| Asus ROG Zephyrus G14 GA402RK | |
| Asus ROG Zephyrus G14 GA402RJ | |
| Razer Blade 14 Ryzen 9 RTX 3070 | |
| Asus Zephyrus G14 GA401QM | |
| Asus Zephyrus G14 GA401QEC | |
| PCMark 10 / Essentials | |
| Asus ROG Zephyrus G14 GA402RK | |
| Durchschnitt der Klasse Gaming (8810 - 12600, n=105, der letzten 2 Jahre) | |
| Asus Zephyrus G14 GA401QM | |
| Razer Blade 14 Ryzen 9 RTX 3070 | |
| Asus ROG Zephyrus G14 GA402RJ | |
| Asus Zephyrus G14 GA401QEC | |
| PCMark 10 / Productivity | |
| Durchschnitt der Klasse Gaming (6845 - 18766, n=103, der letzten 2 Jahre) | |
| Asus ROG Zephyrus G14 GA402RK | |
| Asus Zephyrus G14 GA401QEC | |
| Asus ROG Zephyrus G14 GA402RJ | |
| Asus Zephyrus G14 GA401QM | |
| Razer Blade 14 Ryzen 9 RTX 3070 | |
| PCMark 10 / Digital Content Creation | |
| Durchschnitt der Klasse Gaming (7602 - 19351, n=103, der letzten 2 Jahre) | |
| Asus ROG Zephyrus G14 GA402RK | |
| Asus ROG Zephyrus G14 GA402RJ | |
| Razer Blade 14 Ryzen 9 RTX 3070 | |
| Asus Zephyrus G14 GA401QM | |
| Asus Zephyrus G14 GA401QEC | |
| PCMark 10 Score | 7345 Punkte | |
Hilfe | ||
| AIDA64 / Memory Copy | |
| Durchschnitt der Klasse Gaming (21750 - 108104, n=117, der letzten 2 Jahre) | |
| Asus ROG Zephyrus G14 GA402RK | |
| Asus ROG Zephyrus G14 GA402RJ | |
| Asus Zephyrus G14 GA401QEC | |
| Razer Blade 14 Ryzen 9 RTX 3070 | |
| Asus Zephyrus G14 GA401QM | |
| AIDA64 / Memory Read | |
| Durchschnitt der Klasse Gaming (22956 - 104349, n=117, der letzten 2 Jahre) | |
| Asus ROG Zephyrus G14 GA402RK | |
| Asus ROG Zephyrus G14 GA402RJ | |
| Asus Zephyrus G14 GA401QEC | |
| Razer Blade 14 Ryzen 9 RTX 3070 | |
| Asus Zephyrus G14 GA401QM | |
| AIDA64 / Memory Write | |
| Durchschnitt der Klasse Gaming (22297 - 133486, n=117, der letzten 2 Jahre) | |
| Asus ROG Zephyrus G14 GA402RK | |
| Asus ROG Zephyrus G14 GA402RJ | |
| Asus Zephyrus G14 GA401QM | |
| Razer Blade 14 Ryzen 9 RTX 3070 | |
| Asus Zephyrus G14 GA401QEC | |
| AIDA64 / Memory Latency | |
| Durchschnitt der Klasse Gaming (75.3 - 259, n=117, der letzten 2 Jahre) | |
| Asus ROG Zephyrus G14 GA402RJ | |
| Razer Blade 14 Ryzen 9 RTX 3070 | |
| Asus Zephyrus G14 GA401QEC | |
| Asus ROG Zephyrus G14 GA402RK | |
| Asus Zephyrus G14 GA401QM | |
* ... kleinere Werte sind besser
DPC-Latenzen
| DPC Latencies / LatencyMon - interrupt to process latency (max), Web, Youtube, Prime95 | |
| Asus Zephyrus G14 GA401QM | |
| Asus ROG Zephyrus G14 GA402RK | |
| Asus ROG Zephyrus G14 GA402RJ | |
| Asus Zephyrus G14 GA401QEC | |
| Razer Blade 14 Ryzen 9 RTX 3070 | |
* ... kleinere Werte sind besser
Massenspeicher
Der Massenspeicher muss sich keinerlei Kritik anhören. Das verbaute 1-TB-Drive von Micron (2450) gehört im Konkurrenzvergleich zu den stärksten SSDs, sowohl was Lese- als auch Schreibvorgänge betrifft. Darüber hinaus bleibt die Leistung - analog zur CPU - auch über längere Zeiträume recht konstant.
* ... kleinere Werte sind besser
Dauerleistung Lesen: DiskSpd Read Loop, Queue Depth 8
Grafikkarte
Besonders spannend war für uns die Grafikkarte, da zur Radeon RX 6700S bisher keine Benchmark-Werte existierten. Im Gegensatz zur RX 6800S muss der günstigere Familienspross mit 1.792 anstelle von 2.048 Shadern auskommen. Die sogenannte Game Frequency beträgt 1.890 statt 1.975 MHz, die effektive Speichergeschwindigkeit 14 statt 16 Gbps. 8 GB GDDR6-VRAM sind im Jahr 2022 weder viel noch besonders wenig.
Wenn es nach den synthetischen Grafiktests geht, rangiert die Leistung der Radeon 6700HS knapp 20 % unterhalb der 6800S und liegt mittig zwischen der GeForce RTX 3060 und der RTX 3070.
| 3DMark Performance Rating - Percent | |
| Durchschnitt der Klasse Gaming | |
| Asus ROG Zephyrus G14 GA402RK -1! | |
| Razer Blade 14 Ryzen 9 RTX 3070 | |
| Asus ROG Zephyrus G14 GA402RJ | |
| Asus Zephyrus G14 GA401QM | |
| Asus Zephyrus G14 GA401QEC -1! | |
| 3DMark 06 Standard Score | 48289 Punkte | |
| 3DMark Vantage P Result | 75332 Punkte | |
| 3DMark 11 Performance | 26867 Punkte | |
| 3DMark Ice Storm Standard Score | 212851 Punkte | |
| 3DMark Cloud Gate Standard Score | 59135 Punkte | |
| 3DMark Fire Strike Score | 21375 Punkte | |
| 3DMark Time Spy Score | 8547 Punkte | |
Hilfe | ||
Gaming Performance
Solange man sich auf Full-HD beschränkt und kein Raytracing nutzt, ist die Situation in Spielen ähnlich. Abgesehen von einigen Ausreißern nach oben und unten, wie man sie von AMD-Chips kennt, platziert sich die RX 6700S meist zwischen der RTX 3070 und der RTX 3060. Sobald es an höhere Auflösungen im QHD- oder 4K-Bereich geht, bricht die 3D-Performance (auch das ist aktuell AMD-typisch) stärker als bei Nvdia ein, was nur noch zu einer Leistung auf dem Level der RTX 3060 führt. Besonders bescheiden sieht es - dies war ebenfalls zu erwarten - bei Raytracing aus. Hier tendiert die RX 6700S oft nur zur RTX 3050 Ti, welche schon in deutlich günstigeren Laptops verbaut ist. Für detaillierte Vergleiche bieten sich die GPU-Seite und unsere Spieleliste an.
Ohne Raytracing ist das Zephyrus G14 jedenfalls flott genug, um fast alle modernen Titel mit hohen bis sehr hohen Details in der nativen Auflösung von 2.560 x 1.600 zu befeuern, wenn auch nicht immer mit mehr als 60 FPS. Eng wird es nur bei sehr anspruchsvollen und/oder mäßig optimierten Games wie Dying Light 2 und Elex 2.
| The Witcher 3 | |
| 1920x1080 High Graphics & Postprocessing (Nvidia HairWorks Off) | |
| Durchschnitt der Klasse Gaming (138 - 413, n=12, der letzten 2 Jahre) | |
| Razer Blade 14 Ryzen 9 RTX 3070 | |
| Asus ROG Zephyrus G14 GA402RK | |
| Asus ROG Zephyrus G14 GA402RJ | |
| Asus Zephyrus G14 GA401QM | |
| Asus Zephyrus G14 GA401QEC | |
| 1920x1080 Ultra Graphics & Postprocessing (HBAO+) | |
| Durchschnitt der Klasse Gaming (83.7 - 240, n=19, der letzten 2 Jahre) | |
| Asus ROG Zephyrus G14 GA402RK | |
| Razer Blade 14 Ryzen 9 RTX 3070 | |
| Asus ROG Zephyrus G14 GA402RJ | |
| Asus Zephyrus G14 GA401QM | |
| Asus Zephyrus G14 GA401QEC | |
Um zu überprüfen, ob die Grafikleistung stabil bleibt, nutzen wir seit geraumer Zeit das RPG The Witcher 3. Wie schon beim teureren Bruder verrringert sich die Framerate im Leistungsmodus auf Dauer spürbar - ein Problem, das im Turbo-Modus kaum bis überhaupt nicht auftritt, weshalb er wie erwähnt für die 3D- und Gaming-Benchmarks zum Einsatz kam (trotz der happigen Geräuschentwicklung).
Witcher 3 FPS-Diagramm
| min. | mittel | hoch | max. | QHD | |
|---|---|---|---|---|---|
| GTA V (2015) | 170.9 | 154.7 | 81.3 | ||
| The Witcher 3 (2015) | 246 | 144 | 84.3 | ||
| Dota 2 Reborn (2015) | 145.1 | 114.7 | 103 | ||
| Final Fantasy XV Benchmark (2018) | 106.7 | 78.6 | |||
| X-Plane 11.11 (2018) | 65.4 | 51.7 | 45.2 | ||
| Far Cry 5 (2018) | 110 | 103 | 97 | 79 | |
| Strange Brigade (2018) | 227 | 182.7 | 157.3 | ||
| Hunt Showdown (2020) | 124.7 | 99.3 | 72 | ||
| Doom Eternal (2020) | 218 | 194.7 | 189.7 | 120.8 | |
| Gears Tactics (2020) | 189 | 123 | 88.1 | 56.7 | |
| Death Stranding (2020) | 139.8 | 129.8 | 128 | 85.4 | |
| Crysis Remastered (2020) | 171.2 | 55 | 46.6 | 28.4 | |
| Serious Sam 4 (2020) | 102 | 94.9 | 82.9 | 73.1 | |
| Mafia Definitive Edition (2020) | 92 | 84.3 | 51.2 | ||
| Star Wars Squadrons (2020) | 286 | 245 | 224 | 146.7 | |
| Watch Dogs Legion (2020) | 109 | 96 | 59 | 38 | |
| Dirt 5 (2020) | 116 | 98 | 80.3 | 67.7 | |
| Assassin´s Creed Valhalla (2020) | 113 | 93 | 79 | 49 | |
| Yakuza Like a Dragon (2020) | 98.5 | 94.7 | 83.5 | 48.9 | |
| Hitman 3 (2021) | 178 | 159 | 146 | 83.4 | |
| Outriders (2021) | 115.5 | 111.3 | 96.9 | 56.3 | |
| Resident Evil Village (2021) | 195.7 | 180.1 | 142.8 | 92.3 | |
| Mass Effect Legendary Edition (2021) | 98.4 | 95.3 | |||
| Days Gone (2021) | 117.4 | 106.5 | 77.2 | 50.6 | |
| Deathloop (2021) | 110.8 | 89 | 66.3 | 39.6 | |
| Alan Wake Remastered (2021) | 133.3 | 120.8 | 78.2 | ||
| Far Cry 6 (2021) | 107 | 93 | 86 | 59 | |
| Back 4 Blood (2021) | 200 | 171.3 | 157.3 | 92.4 | |
| Guardians of the Galaxy (2021) | 112 | 111 | 104 | 68 | |
| Riders Republic (2021) | 100 | 91 | 88 | 59 | |
| Forza Horizon 5 (2021) | 140 | 138 | 74 | 54 | |
| Farming Simulator 22 (2021) | 155.9 | 134.2 | 119.8 | 104.5 | |
| Halo Infinite (2021) | 97.9 | 80.8 | 75.9 | 53.9 | |
| God of War (2022) | 79 | 69.4 | 50.5 | 38.9 | |
| Rainbow Six Extraction (2022) | 159 | 157 | 126 | 66 | |
| Dying Light 2 (2022) | 64.8 | 50.9 | 31.1 | ||
| GRID Legends (2022) | 194 | 147 | 114 | 88.1 | |
| Elden Ring (2022) | 59.9 | 59.9 | 59.9 | 56.6 | |
| Cyberpunk 2077 1.6 (2022) | 99.1 | 74 | 59.7 | 31.2 | |
| Elex 2 (2022) | 70.7 | 64.8 | 59.2 | 38.3 | |
| Ghostwire Tokyo (2022) | 116.4 | 115.3 | 115.2 | 59.8 | |
| Tiny Tina's Wonderlands (2022) | 133 | 82.4 | 62.4 | 39.1 | |
| Vampire Bloodhunt (2022) | 202 | 179.5 | 165.4 | 97.9 | |
| F1 22 (2022) | 211 | 161 | 37 | 21 | |
| The Quarry (2022) | 95.3 | 76.1 | 54.8 | 35.3 |
Emissionen
Geräuschemissionen
Bei aktiviertem Leistungsmodus macht die Lüftersteuerung eine recht gute Figur. Ein 3D-Pegel von 43 bis 45 dB(A) ist zwar deutlich hörbar, aber leiser als bei vielen größeren Gaming-Notebooks. Im Idle-Betrieb und bei simplen Tätigkeiten wie Office, Video und Web sind die Lüfter gern komplett aus, so dass man nur ein ganz dezentes Spulenfiepen hört (im 3D-Betrieb tritt leider oft ein stärkeres Spulenfiepen auf). Wer es generell möglichst ruhig haben möchte, nutzt am besten den Leise-Modus der Armoury Crate, der die Lüfter noch häufiger still sein lässt und sogar für viele Games ausreicht.
Lautstärkediagramm
| Idle |
| 25 / 26 / 29 dB(A) |
| Last |
| 45 / 45 dB(A) |
![]() | ||
30 dB leise 40 dB(A) deutlich hörbar 50 dB(A) störend |
||
min: | ||
| Asus ROG Zephyrus G14 GA402RJ Radeon RX 6700S, R7 6800HS | Asus ROG Zephyrus G14 GA402RK Radeon RX 6800S, R9 6900HS | Asus Zephyrus G14 GA401QEC GeForce RTX 3050 Ti Laptop GPU, R9 5900HS | Asus Zephyrus G14 GA401QM GeForce RTX 3060 Laptop GPU, R9 5900HS | Razer Blade 14 Ryzen 9 RTX 3070 GeForce RTX 3070 Laptop GPU, R9 5900HX | |
|---|---|---|---|---|---|
| Geräuschentwicklung | 0% | -14% | -10% | 4% | |
| aus / Umgebung * (dB) | 25 | 24 4% | 30.5 -22% | 24.8 1% | 25.1 -0% |
| Idle min * (dB) | 25 | 24 4% | 33.3 -33% | 25.4 -2% | 25.2 -1% |
| Idle avg * (dB) | 26 | 26 -0% | 33.3 -28% | 34.5 -33% | 25.2 3% |
| Idle max * (dB) | 29 | 31 -7% | 33.3 -15% | 34.5 -19% | 25.2 13% |
| Last avg * (dB) | 45 | 45 -0% | 36.1 20% | 35.4 21% | 31 31% |
| Witcher 3 ultra * (dB) | 43 | 43 -0% | 52.7 -23% | 44 -2% | |
| Last max * (dB) | 45 | 45 -0% | 48.6 -8% | 52.3 -16% | 51.7 -15% |
* ... kleinere Werte sind besser
Temperatur
Die Gehäuse-Temperaturen sind typisch für ein Gaming-Notebook. Während sich der 14-Zöller im Idle-Betrieb noch halbwegs kühl anfühlt, wird im 3D-Betrieb sowohl auf der Ober- als auch auf der Unterseite die 50-°C-Marke geknackt, was manche Nutzer stören könnte.
(-) Die maximale Temperatur auf der Oberseite ist 53 °C. Im Vergleich liegt der Klassendurchschnitt bei 40.4 °C (von 21.2 bis 68.8 °C für die Klasse Gaming).
(-) Auf der Unterseite messen wir eine maximalen Wert von 54 °C (im Vergleich zum Durchschnitt von 43.2 °C).
(±) Ohne Last messen wir eine durchschnittliche Temperatur von 32.2 °C auf der Oberseite. Der Klassendurchschnitt erreicht 33.9 °C.
(-) Beim längeren Spielen von The Witcher 3 erhitzt sich das Gerät durchschnittlich auf 44.1 °C. Der Durchschnitt der Klasse ist derzeit 33.9 °C.
(-) Die Handballen und der Touchpad-Bereich können sehr heiß werden mit maximal 41 °C.
(-) Die durchschnittliche Handballen-Temperatur anderer getesteter Geräte war 28.8 °C (-12.2 °C).
| Asus ROG Zephyrus G14 GA402RJ Radeon RX 6700S, R7 6800HS | Asus ROG Zephyrus G14 GA402RK Radeon RX 6800S, R9 6900HS | Asus Zephyrus G14 GA401QEC GeForce RTX 3050 Ti Laptop GPU, R9 5900HS | Asus Zephyrus G14 GA401QM GeForce RTX 3060 Laptop GPU, R9 5900HS | Razer Blade 14 Ryzen 9 RTX 3070 GeForce RTX 3070 Laptop GPU, R9 5900HX | |
|---|---|---|---|---|---|
| Hitze | 6% | -10% | 1% | 3% | |
| Last oben max * (°C) | 53 | 55 -4% | 53.6 -1% | 55.4 -5% | 45 15% |
| Last unten max * (°C) | 54 | 55 -2% | 49.9 8% | 62.2 -15% | 44.4 18% |
| Idle oben max * (°C) | 34 | 30 12% | 44.8 -32% | 31 9% | 40.2 -18% |
| Idle unten max * (°C) | 38 | 32 16% | 44.1 -16% | 32.4 15% | 39.2 -3% |
* ... kleinere Werte sind besser
Stresstest
Lautsprecher
Asus ROG Zephyrus G14 GA402RJ Audio Analyse
(±) | Mittelmäßig laut spielende Lautsprecher (79 dB)
Bass 100 - 315 Hz
(+) | guter Bass - nur 4.3% Abweichung vom Median
(±) | durchschnittlich lineare Bass-Wiedergabe (9% Delta zum Vorgänger)
Mitteltöne 400 - 2000 Hz
(±) | zu hohe Mitten, vom Median 8.3% abweichend
(+) | lineare Mitten (4.4% Delta zum Vorgänger)
Hochtöne 2 - 16 kHz
(±) | verringerte Hochtöne, 6.5% geringer als der Median
(±) | durchschnittlich lineare Hochtöne (8.7% Delta zum Vorgänger)
Gesamt im hörbaren Bereich 100 - 16.000 Hz
(±) | hörbarer Bereich ist durchschnittlich linear (17.1% Abstand zum Median)
Im Vergleich zu allen Geräten derselben Klasse
» 45% aller getesteten Geräte dieser Klasse waren besser, 12% vergleichbar, 43% schlechter
» Das beste Gerät hat einen Delta-Wert von 6%, durchschnittlich ist 18%, das schlechteste Gerät hat 132%
Im Vergleich zu allen Geräten im Test
» 31% aller getesteten Geräte waren besser, 8% vergleichbar, 61% schlechter
» Das beste Gerät hat einen Delta-Wert von 4%, durchschnittlich ist 24%, das schlechteste Gerät hat 134%
Razer Blade 14 Ryzen 9 RTX 3070 Audio Analyse
(±) | Mittelmäßig laut spielende Lautsprecher (78.1 dB)
Bass 100 - 315 Hz
(±) | abgesenkter Bass - 14.2% geringer als der Median
(±) | durchschnittlich lineare Bass-Wiedergabe (13.5% Delta zum Vorgänger)
Mitteltöne 400 - 2000 Hz
(±) | zu hohe Mitten, vom Median 5.5% abweichend
(+) | lineare Mitten (6.6% Delta zum Vorgänger)
Hochtöne 2 - 16 kHz
(+) | ausgeglichene Hochtöne, vom Median nur 4.8% abweichend
(±) | durchschnittlich lineare Hochtöne (8.9% Delta zum Vorgänger)
Gesamt im hörbaren Bereich 100 - 16.000 Hz
(±) | hörbarer Bereich ist durchschnittlich linear (18.6% Abstand zum Median)
Im Vergleich zu allen Geräten derselben Klasse
» 60% aller getesteten Geräte dieser Klasse waren besser, 9% vergleichbar, 31% schlechter
» Das beste Gerät hat einen Delta-Wert von 6%, durchschnittlich ist 18%, das schlechteste Gerät hat 132%
Im Vergleich zu allen Geräten im Test
» 42% aller getesteten Geräte waren besser, 8% vergleichbar, 50% schlechter
» Das beste Gerät hat einen Delta-Wert von 4%, durchschnittlich ist 24%, das schlechteste Gerät hat 134%
Energieverwaltung
Energieaufnahme
Dank der Grafikumschaltung (MUX-Switch) verbraucht das Zephyrus G14 im Leerlauf nicht allzu viel Energie (12 bis 26 Watt), wenngleich sich die Konkurrenz hier noch weniger genehmigt. Unter Last gab unser Messgerät zwischen 88 und 194 Watt aus - ein passables Ergebnis.
| Aus / Standby | |
| Idle | |
| Last |
|
Legende:
min: | |
| Asus ROG Zephyrus G14 GA402RJ Radeon RX 6700S, R7 6800HS | Asus ROG Zephyrus G14 GA402RK Radeon RX 6800S, R9 6900HS | Asus Zephyrus G14 GA401QEC GeForce RTX 3050 Ti Laptop GPU, R9 5900HS | Asus Zephyrus G14 GA401QM GeForce RTX 3060 Laptop GPU, R9 5900HS | Razer Blade 14 Ryzen 9 RTX 3070 GeForce RTX 3070 Laptop GPU, R9 5900HX | Durchschnitt der Klasse Gaming | |
|---|---|---|---|---|---|---|
| Stromverbrauch | 14% | 22% | 33% | 10% | -14% | |
| Idle min * (Watt) | 12 | 7 42% | 8.1 32% | 5.6 53% | 9.4 22% | 13.5 ? -13% |
| Idle avg * (Watt) | 18 | 14 22% | 12.9 28% | 10.4 42% | 15.8 12% | 19.2 ? -7% |
| Idle max * (Watt) | 26 | 22 15% | 16.1 38% | 18 31% | 24.1 7% | 24.5 ? 6% |
| Last avg * (Watt) | 88 | 98 -11% | 102.4 -16% | 68 23% | 76.8 13% | 107.9 ? -23% |
| Witcher 3 ultra * (Watt) | 157.7 | 141 11% | 113 28% | 154 2% | ||
| Last max * (Watt) | 194 | 188 3% | 135.8 30% | 158.2 18% | 189.7 2% | 254 ? -31% |
* ... kleinere Werte sind besser
Energieaufnahme Witcher 3 / Stresstest
Energieaufnahme mit externem Monitor
Akkulaufzeit
Neben dem gelungenen Display und dem kompakten Chassis gehört die Akkulaufzeit zu den größten Highlights des 14-Zöllers. Im praxisnahen WLAN-Test mit auf 150 cd/m² reduzierter Leuchtkraft hielt der Asus-Spross um die 10 Stunden durch, was das Zephyrus G14 als mobilen Begleiter prädestiniert.
| Asus ROG Zephyrus G14 GA402RJ Radeon RX 6700S, R7 6800HS, 76 Wh | Asus ROG Zephyrus G14 GA402RK Radeon RX 6800S, R9 6900HS, 76 Wh | Asus Zephyrus G14 GA401QEC GeForce RTX 3050 Ti Laptop GPU, R9 5900HS, 76 Wh | Asus Zephyrus G14 GA401QM GeForce RTX 3060 Laptop GPU, R9 5900HS, 76 Wh | Razer Blade 14 Ryzen 9 RTX 3070 GeForce RTX 3070 Laptop GPU, R9 5900HX, 62 Wh | Durchschnitt der Klasse Gaming | |
|---|---|---|---|---|---|---|
| Akkulaufzeit | -7% | 10% | 16% | -28% | -33% | |
| WLAN (h) | 10.2 | 9.5 -7% | 11.2 10% | 11.8 16% | 7.3 -28% | 6.8 ? -33% |
| Idle (h) | 18.1 | 19.1 | 21 | 13.8 | 8.84 ? | |
| Last (h) | 0.9 | 2.7 | 1.4 | 1.3 | 1.531 ? | |
| H.264 (h) | 10.3 | 7.89 ? |
Pro
Contra
Fazit
Auch in der GA402RJ-Version mit Ryzen 7 6800HS und Radeon RX 6700S wird das ROG Zepyhrus G14 definitiv seine Fans finden.
Kaum ein Gaming-Notebook bietet derart viel Power auf kleinem Raum. Da muss sich selbst das Razer Blade 14 warm anziehen. Asus hat hier erneut einen sehr potenten 14-Zöller erschaffen, der auch abseits der reinen Leistung eine überaus gute Vorstellung abliefert. Egal, ob Display, Eingabegeräte, Sound oder Akkulaufzeit: Qualität und Messergebnisse bewegen sich auf einem hohen Niveau.
Dass es am Ende nicht ganz für ein "Sehr Gut" reicht, liegt primär an kleineren Details wie der suboptimalen Anschlussanordnung (mittig platzierter Netzteilanschluss), der teils schlecht erkennbaren Tastaturbeschriftung und der bescheidenen Webcam.
Wer einen kompakten Kraftprotz für allerlei Anwendungszwecke mit Top-Display und hoher Reichweite sucht, sollte dem Zephyrus G14 unbedingt eine Chance geben.
Preis und Verfügbarkeit
Die Testkonfiguration ist ab 1.899 Euro bei diversen Online-Shops erhältlich.
Asus ROG Zephyrus G14 GA402RJ
- 02.10.2022 v7 (old)
Florian Glaser
















































