Apple MacBook Pro 16 2019: Multimedia-Laptop mit i9 & 5500M überzeugt im Test

Apple verabschiedet sich nach vielen Jahren von seinem viel kritisierten Flaggschiff, dem MacBook Pro 15, und ersetzt es durch das neue MacBook Pro 16. An dieser Bezeichnung erkennt man schon den Wechsel auf ein größeres 16-Zoll-Display. Zudem ist nach vier Jahren Schluss mit der Butterfly-Tastatur, die aufgrund von Defekten immer wieder für negative Schlagzeilen und damit auch Image-Probleme gesorgt hat. Durch den Wechsel auf eine traditionelle Tastenmechanik sollen die Zuverlässigkeitsprobleme jetzt aber der Vergangenheit angehören.
Bei unserem Testgerät handelt es sich um die Konfiguration für 3.199 Euro mit einem Intel Core-i9-Prozessor, der AMD Radeon Pro 5500M mit 4 GB GDDR6, 16 GB RAM und 1 TB-SSD-Speicher. Es handelt sich hier um ein ganz normales Shop-Modell aus dem österreichischen Apple-Store (von uns zum Launch gekauft) und kein selektiertes Presse-Sample. In unserem Vorschau-Artikel haben wir bereits einige Punkte angesprochen, hier folgt nun der vollständige Testbericht.
Bew. | Datum | Modell | Gewicht | Dicke | Größe | Auflösung | Preis ab |
|---|---|---|---|---|---|---|---|
| 89.7 % v7 (old) | 12 / 2019 | Apple MacBook Pro 16 2019 i9 5500M i9-9880H, Radeon Pro 5500M | 2 kg | 16.2 mm | 16.00" | 3072x1920 | |
| 87.1 % v7 (old) | 02 / 2020 | Lenovo ThinkPad X1 Extreme 2019 20QV000WGE i7-9750H, GeForce GTX 1650 Mobile | 1.7 kg | 18.7 mm | 15.60" | 3840x2160 | |
| 87.8 % v7 (old) | 08 / 2019 | Dell XPS 15 7590 9980HK GTX 1650 i9-9980HK, GeForce GTX 1650 Mobile | 2 kg | 17 mm | 15.60" | 3840x2160 | |
| 89.4 % v7 (old) | 01 / 2020 | Apple MacBook Pro 15 2019 i9 Vega 20 i9-9980HK, Radeon Pro Vega 20 | 1.8 kg | 15.5 mm | 15.40" | 2880x1800 | |
| 87.8 % v6 (old) | 07 / 2018 | Asus ZenBook Pro 15 UX580GE i9-8950HK, GeForce GTX 1050 Ti Mobile | 1.9 kg | 18.9 mm | 15.60" | 3840x2160 | |
| 85 % v7 (old) | 06 / 2019 | MSI P65 Creator 9SF-657 i9-9880H, GeForce RTX 2070 Max-Q | 1.9 kg | 18 mm | 15.60" | 3840x2160 |
Gehäuse
Das Gehäuse ist aufgrund des größeren Bildschirms sowie des stärkeren Akkus zwar ein wenig angewachsen, doch an dem grundlegenden Design des MacBook Pro hat sich nichts verändert. Wenn man nicht beide Versionen miteinander vergleicht, dürfte es für die meisten Nutzer schwierig werden, das neue MacBook Pro 16 von dem alten MBP 15 zu unterscheiden. Die Bildschirmränder sind ein wenig schmaler geworden, um ein wirkliches Slim-Bezel-Gerät handelt es sich aber definitiv nicht. Apple bietet wieder die beiden Farbvarianten Silber und Space Grau an.
Weiterhin bleibt es auch bei der hervorragenden Verarbeitung und Stabilität. Der Einsatz von Aluminium erzeugt zudem eine sehr hochwertige Haptik, die im Gegensatz zu einigen Kunststoffoberflächen (z. B. ThinkPad X1 Extreme oder Dell XPS 15) auch keine großen Probleme mit Fingerabdrücken oder Schmutzablagerungen hat. Die Stabilität gefällt uns ebenfalls sehr gut, denn auch punktueller Druck hat keine Auswirkungen und die Verwindungssteifigkeit ist sehr hoch. Das Scharnier ist sehr gut justiert und kann ein Nachwippen des Bildschirms effektiv vermeiden. Der maximale Öffnungswinkel liegt nach wie vor bei etwa 135 Grad.
Apple setzt erneut auf spezielle Pentalobe-Schrauben auf der Unterseite. Mit dem passenden Schraubendreher ist die untere Abdeckung relativ schnell entfernt, doch eigentlich kann man sich diesen Schritt sparen, da praktisch alle wichtigen Bauteile entweder aufgelötet oder verklebt sind. Wichtig ist jedoch, das die Unterplatte nicht nur einfach festgeklippst ist, sondern auf der Rückseite eingehängt (also nach vorne weggezogen werden muss - siehe unser Video weiter unten). Unsere Kollegen von iFixit haben das neue MacBook Pro 16 bereits vollständig auseinandergenommen und vergeben eine Repair-Score von 1/10 Punkten. Der einzig Positive Punkt ist, daß das Touchpad leicht getauscht werden kann.
Größenvergleich
Im Vergleich zum Vorgänger mit 15-Zoll-Display, sieht man in jeder Dimension das Wachstum. Subjektiv merkt man jedoch am meisten das höhere Gewicht, wenn man beide Geräte in der Hand hat. Im Vergleich zur Windows-Konkurrenz hält sich das MBP16 jedoch sehr gut. Einzig das Dell XPS 15 bietet eine deutlich geringere Breite.
Ausstattung - MacBook wieder nur mit Thunderbolt 3
Wer nach dem Wechsel auf die alte Tastatur auch mit gewöhnlichen USB-A-Schnittstellen oder gar einem SD-Kartenleser gerechnet hat, wird leider enttäuscht. Apple setzt nach wie vor auf vier vollwertige Thunderbolt-3-Anschlüsse mit dem USB-C-Stecker. Diese sind zwar extrem vielseitig, aber für viele Dinge benötigt man weiterhin Adapter, die man zusätzlich erwerben und auch transportieren muss. Zumindest der 3,5-mm-Klinkenstecker wurde nicht gestrichen.
Kommunikation - kein Wi-Fi 6 im MacBook Pro 16
Etwas überraschend setzt Apple keine aktuelle WLAN-6-Karte (802.11ax) ein. Besonders bei der WLAN-Leistung war Apple in Notebooks immer im Spitzenfeld zu finden. Ohne ax-Support muss Apple die Spitzenposition aber klar abgeben. Angesichts des Preises ist das schon eine Enttäuschung. Auf WWAN müssen Apple-Kunden ebenfalls wieder verzichten, hier setzt der Hersteller aus Cupertino weiterhin auf die Verbindung mit Smartphones, was in der Praxis aber nicht immer praktisch ist.
Im Leistungstest kann die verbaute WLAN-Karte leider auch nicht überzeugen. Bei jedem Durchlauf des tools iperf verliert das MacBook die WLAN-Verbindung und bricht damit den Test ab. Die ersten Sekunden zeigen Datenraten von 600 - 800 MBit/s und damit auf dem Niveau der Vorgängergeneration. Das alte MacBook Pro 15 mit Catalina besteht den Test übrigens einwandfrei. Um auszuschließen das es sich um ein Problem mit der Kombination Router - Notebook handelt, haben wir neben dem Netgear Nighthawk AX12 auch noch unseren üblichen Linksys EA8500 und eine Fritz!Box 7590 getestet. Leider ebenfalls mit den gleichen Abbrüchen. Bei der normalen Nutzung für den Browser und für Spieledownloads, war die WLAN-Verbindung mit der Fritz!Box jedoch stabil und schnell (per Wi-Fi 5). Unter Windows 10 per Bootcamp lief iperf3 dann etwas stabiler und so konnten wir die Datenraten für die unterstehenden Diagramme sammeln.
Webcam
Bei der verbauten Kamera bleibt es leider bei der bekannt schlechten 720p FaceTime HD Cam die oberhalb des Displays angebracht ist. Sie reicht eigentlich nur für anspruchslose Videotelefonie - schade, hier hätte Apple aus den iPhones ja deutlich bessere Hardware an der Hand. Das integrierte Mikrofon wurde dafür beim neuen Modell deutlich verbessert und wird von Apple sogar als "studiotauglich" tituliert. So weit würden wir nicht gehen, aber ein Headset kann man sich für die meisten Anwendungen sparen.

Garantie
Apple gibt von Haus aus 1 Jahr Garantie auf das MacBook Pro inklusive Telefonsupport (auch für Softwareprobleme). Danach bleibt noch die europäische Gewährleistung, bei der man jedoch eigentlich beweisen muss das der Fehler von Anfang an bestand. Optional kann man die Garantie und den Telefonsupport auf 3 Jahre per AppleCare erweitern. Mit 449 Euro im Apple Online Store ist dies jedoch alles andere als günstig.
Eingabegeräte - MBP 16 wieder mit alter Tastatur
Tastatur
Nach vier Jahren voller negativer Schlagzeilen und Problemen mit der Langlebigkeit der eigens entwickelten Butterfly-Tastern, vollführt Apple nun eine 180-Grad-Wende und kehrt zu dem bekannten Scissor-Mechanismus zurück. Prinzipiell kennen wir diese Tastatur bereits aus dem Mid 2015 MacBook Pro 15. Wer also bisher Probleme mit dem sehr seichten Tippgefühl der letztjährigen Modelle hatte, darf sich nun wieder über mehr Tastenhub (1,2 mm) mit wohldefiniertem Feedback sowie einem leiseren Anschlagsgeräusch freuen. Hier gibt es nur wenig zu bemängeln. Die Form der horizontalen Pfeiltasten wurde ebenfalls angepasst. Zwar sind sie jetzt kleiner als zuvor, doch die blinde Bedienung wird deutlich vereinfacht. Im Tipptest erreichten wir mit der neuen Tastatur die selbe Geschwindigkeit wie mit den alten Butterfly-Tasten. Die Umgewöhnung ist also, im Gegensatz zur anderen Richtung, kein Problem obwohl der Autor schon Gefallen gefunden hat am präzisen Feedback der alten flachen Tasten im MacBook Pro 15.
Die Touch Bar oberhalb der Tastatur ist weiterhin vorhanden, nun jedoch nicht mehr plan im Gehäuse und etwas schmäler. Wie viel Sinn die Touch-Leiste macht, hängt dabei nach wie vor von der Software-Unterstützung ab. Es gibt aber dennoch zwei Veränderungen: Der Power-Button, der auch gleichzeitig als Fingerabdruckscanner fungiert (Touch ID), ist jetzt abgetrennt. Zudem steht auch die Escape-Taste wieder als eigenständige physikalische Taste zur Verfügung und ist damit stets erreichbar. Der Fingerprint-Reader selbst funktioniert wie gewohnt schnell und zuverlässig und kann auch für Passworte und Apple Pay genutzt werde.
Apple ist nach wie vor weit vorne, wenn es um die Tastaturbeleuchtung geht. Wir sprechen hier nicht über RGB-Tastaturen in Gaming-Laptops, sondern die Funktionalität. Die Beleuchtung lässt sich nämlich sehr feinstufig regeln, während man bei den meisten Windows-Laptops in der Regel nur aus zwei Intensitätsstufen wählen kann. Manuelle Eingriffe sind dabei nur selten nötig, da der eingebaute Helligkeitssensor die Tastaturbeleuchtung sehr zuverlässig an das Umgebungslicht anpasst. Wie bei der Touch Bar, wird die Helligkeit der Beleuchtung jedoch per PWM geregelt, daher könnte dies für empfindliche Personen störend sein.
Touchpad
Das Force Touch Trackpad aus Glas stellt im mobilen Bereich ganz klar die Referenz dar und auch wenn die Windows-Welt etwas aufgeholt hat, kommt man an Apple in dieser Kategorie nicht heran. Schon durch die schiere Größe sind Gesten auch mit mehreren Fingern sehr angenehm. An den Gleiteigenschaften und der Genauigkeit gibt es ebenfalls nichts auszusetzen. Der Force Touch per Vibrationsmotor funktioniert bis in die Ecken hin perfekt und wir warten weiterhin auf eine Kopie davon in der Windows-Welt.
Display - MacBook jetzt mit 16-Zoll Retina
Die offensichtlichste Veränderung ist der namensgebende Umstieg auf ein 16 Zoll großes Display. Von Notebooks mit OLED-Panels lässt Apple (noch) die Finger und setzt auch beim neuen MacBook Pro 16 wieder auf ein IPS-Display. Apple spricht erneut von einem Retina-Display, womit die Pixeldichte beschrieben wird. Mit 3.072 x 1.920 Pixeln ergibt sich eine Pixeldichte von 226 PPI, doch hier bieten 4K-Bildschirme noch mehr. Apple bietet wie gewohnt nur eine Display-Variante an. HDR oder Refresh-Raten höher 60 Hz sucht man leider vergebens.
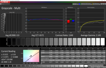
In den technischen Daten wird eine Helligkeit von 500 Nits beworben, was wir aber nur in der Mitte des Bildschirms bestätigen können. Die Ausleuchtung (86 %) könnte besser ausfallen und durchschnittlich sind es noch knapp 480 Nits. Der Schwarzwert geht mit 0,39 auch in Ordnung, hier haben wir aber auch schon besseres gesehen. Das gilt auch für den resultieren Kontrast von 1.331:1. Hieran erkennt man auch, dass die Windows-Konkurrenz im Bereich der Displays deutlich aufgeholt hat und teilweise sogar mehr bietet. Insgesamt sind die Messwerte aber vergleichbar mit dem alten MacBook Pro 15.
Der subjektive Bildeindruck ist aber dennoch sehr gut und es gibt auch kein sichtbares Screen-Bleeding. Klassisches PWM (Rechtecksignale) können wir nicht ermitteln, lediglich ein Flackern der Hintergrundbeleuchtung. Mit 131 kHz ist die Frequenz allerdings extrem hoch und es gibt nur geringe Helligkeitsunterschiede, weshalb es keine Probleme geben sollte. Apple nutzt diese Helligkeitsänderungen wahrscheinlich um Strom zu sparen. Bei der Touch Bar können wir hingegen das OLED-typische PWM-Flackern bei einer Frequenz von rund 240 Hz feststellen, wie es auch bei vielen Smartphones üblich ist. Da man aber eher selten auf die Touch Bar schaut, dürften auch empfindlichen Personen keine Schwierigkeiten haben.
| |||||||||||||||||||||||||
Ausleuchtung: 86 %
Helligkeit Akku: 519 cd/m²
Kontrast: 1331:1 (Schwarzwert: 0.39 cd/m²)
ΔE ColorChecker Calman: 2.28 | ∀{0.5-29.43 Ø4.76}
calibrated: 0.86
ΔE Greyscale Calman: 0.9 | ∀{0.09-98 Ø5}
100% sRGB (Calman 2D)
78% AdobeRGB 1998 (Argyll 1.6.3 3D)
Gamma: 2145
CCT: 6572 K
| Apple MacBook Pro 16 2019 i9 5500M APPA044, IPS, 3072x1920, 16" | Dell XPS 15 7590 9980HK GTX 1650 Samsung 156WR04, SDCA029, OLED, 3840x2160, 15.6" | Lenovo ThinkPad X1 Extreme 2019 20QV000WGE NE156QUM-N66, IPS, 3840x2160, 15.6" | Apple MacBook Pro 15 2018 (2.6 GHz, 560X) APPA040, IPS, 2880x1800, 15.4" | Asus ZenBook Pro 15 UX580GE AU Optronics B156ZAN03.1, IPS, 3840x2160, 15.6" | MSI P65 Creator 9SF-657 AU Optronics AUO41EB, IPS, 3840x2160, 15.6" | |
|---|---|---|---|---|---|---|
| Display | ||||||
| Display P3 Coverage (%) | 88.1 | 82 | 98.7 | 85.9 | 84.4 | |
| sRGB Coverage (%) | 99.6 | 99.1 | 99.9 | 100 | 100 | |
| AdobeRGB 1998 Coverage (%) | 91.8 | 96.9 | 86.6 | 99.1 | 98.5 | |
| Response Times | 95% | 12% | 15% | 26% | 7% | |
| Response Time Grey 50% / Grey 80% * (ms) | 52.4 ? | 2.3 ? 96% | 46.4 ? 11% | 43.2 ? 18% | 44 ? 16% | 51 ? 3% |
| Response Time Black / White * (ms) | 34.9 ? | 2.4 ? 93% | 30.4 ? 13% | 31.2 ? 11% | 22.8 ? 35% | 31 ? 11% |
| PWM Frequency (Hz) | 131700 | 59.5 ? | 117000 ? | |||
| Bildschirm | -68% | -85% | 9% | -69% | -66% | |
| Helligkeit Bildmitte (cd/m²) | 519 | 421.2 -19% | 464 -11% | 520 0% | 357.6 -31% | 445 -14% |
| Brightness (cd/m²) | 477 | 417 -13% | 448 -6% | 492 3% | 350 -27% | 462 -3% |
| Brightness Distribution (%) | 86 | 94 9% | 90 5% | 88 2% | 85 -1% | 83 -3% |
| Schwarzwert * (cd/m²) | 0.39 | 0.36 8% | 0.39 -0% | 0.35 10% | 0.5 -28% | |
| Kontrast (:1) | 1331 | 1289 -3% | 1333 0% | 1022 -23% | 890 -33% | |
| Delta E Colorchecker * | 2.28 | 6.06 -166% | 4.2 -84% | 1.2 47% | 4.12 -81% | 4.75 -108% |
| Colorchecker dE 2000 max. * | 6.54 | 11.89 -82% | 11.4 -74% | 2.3 65% | 9.91 -52% | 7.79 -19% |
| Colorchecker dE 2000 calibrated * | 0.86 | 0.8 7% | 4.23 -392% | |||
| Delta E Graustufen * | 0.9 | 2.8 -211% | 7.2 -700% | 1.3 -44% | 1.8 -100% | 4.49 -399% |
| Gamma | 2145 0% | 2.15 102% | 2.17 101% | 2.18 101% | 2.17 101% | 2.49 88% |
| CCT | 6572 99% | 6235 104% | 6345 102% | 6738 96% | 6613 98% | 7374 88% |
| Farbraum (Prozent von AdobeRGB 1998) (%) | 78 | 81 4% | 85.2 9% | 87.5 12% | 87 12% | |
| Color Space (Percent of sRGB) (%) | 99.6 | 99 | 100 | 100 | ||
| Durchschnitt gesamt (Programm / Settings) | 14% /
-32% | -37% /
-69% | 12% /
10% | -22% /
-53% | -30% /
-53% |
* ... kleinere Werte sind besser
Entgegen der Windows-Konkurrenz gibt Apple seit einigen Jahren immer P3 als Zielfarbraum für das Display an, weshalb wir die Abweichungen der Graustufen und der Farben auch gegenüber diesem Zielfarbraum ermittelt haben. Wir verwenden dafür die professionelle Software CalMAN Ultimate in Verbindung mit dem Spektralphotometer X-Rite i1 Pro2. In der Vergangenheit waren die Bildschirme des MBP 15 bereits ab Werk sehr gut kalibriert und es gab nur selten minimale Ausreißer. Umso überraschter waren wir, dass es dieses Mal stärkere Abweichungen bei Braun/Orange gibt. Bei den Graustufen ist die Leistung aber sehr gut.
Mit unserer Kalibrierung können wir die Farbabweichungen spürbar verringern und alle Werte liegen unterhalb der wichtigen Grenze von 3. Daher eignet sich das MacBook Pro 16 auch sehr gut für die Bearbeitung von Bildern. Die beiden Farbräume sRGB und P3 werden laut CalMAN vollständig abgedeckt., AdobeRGB immerhin noch zu 88,8 %.
Reaktionszeiten (Response Times) des Displays
| ↔ Reaktionszeiten Schwarz zu Weiß | ||
|---|---|---|
| 34.9 ms ... steigend ↗ und fallend ↘ kombiniert | ↗ 17.8 ms steigend | |
| ↘ 17.1 ms fallend | ||
| Die gemessenen Reaktionszeiten sind langsam und dadurch für viele Spieler wahrscheinlich zu langsam. Im Vergleich rangierten die bei uns getesteten Geräte von 0.1 (Minimum) zu 240 (Maximum) ms. » 92 % aller Screens waren schneller als der getestete. Daher sind die gemessenen Reaktionszeiten schlechter als der Durchschnitt aller vermessenen Geräte (20.1 ms). | ||
| ↔ Reaktionszeiten 50% Grau zu 80% Grau | ||
| 52.4 ms ... steigend ↗ und fallend ↘ kombiniert | ↗ 23.9 ms steigend | |
| ↘ 28.5 ms fallend | ||
| Die gemessenen Reaktionszeiten sind langsam und dadurch für viele Spieler wahrscheinlich zu langsam. Im Vergleich rangierten die bei uns getesteten Geräte von 0.165 (Minimum) zu 636 (Maximum) ms. » 89 % aller Screens waren schneller als der getestete. Daher sind die gemessenen Reaktionszeiten schlechter als der Durchschnitt aller vermessenen Geräte (31.5 ms). | ||
Das neue 16-Zoll-IPS-Display nutzt, wie auch sein 15-Zoll-Vorgänger, eine PWM-Steuerung für die Helligkeitsregelung. Diese nutzt jedoch eine sehr hohe Frequenz und dadurch auch relativ geringe Helligkeitsunterschiede. Dadurch sollte es für die meisten Personen unkritisch sein und nicht zu Kopfschmerzen führen.
Bildschirm-Flackern / PWM (Pulse-Width Modulation)
| Flackern / PWM festgestellt | 131700 Hz | ||
Das Display flackert mit 131700 Hz (im schlimmsten Fall, eventuell durch Pulsweitenmodulation PWM) . Die Frequenz von 131700 Hz ist sehr hoch und sollte daher auch bei empfindlichen Personen zu keinen Problemen führen. Im Vergleich: 53 % aller getesteten Geräte nutzten kein PWM um die Helligkeit zu reduzieren. Wenn PWM eingesetzt wurde, dann bei einer Frequenz von durchschnittlich 8036 (Minimum 5, Maximum 343500) Hz. | |||
Leistung
Das Apple MacBook Pro ist auch in der 16-Zoll-Variante ein sehr leistungsstarkes Multimedia-Notebook. Zur Auswahl stehen ausschließlich mobile Intel-Prozessoren der Coffee-Lake Generation mit 6 oder 8 Kernen. Bei der GPU hat der Kunde die Auswahl zwischen drei verschiedenen Radeon-Pro-Varianten (2 Chips, Speichervariationen) von AMD. Upgrades gibt es beim RAM und dem SSD-Speicher, denn hier können nun maximal 64 GB (DDR4-2666) bzw. 8 TB verbaut werden.
Einige unserer Benchmarks führen wir mit Windows 10 durch, welches via BootCamp installiert wurde. Generell sind die Treiber von Apple ordentlich optimiert und Windows lässt sich problemlos verwenden (leider nur mit dauerhaft aktiverter dGPU), allerdings können die Benchmark-Ergebnisse dennoch etwas niedriger ausfallen.
Prozessor
Als Prozessor setzt Apple den aus dem Vorgängermodell bekannten 8-Kerner Core i9-9880H ein. Dieser bietet 8 Prozessorkerne und basiert auf die in 14nm gefertigte Coffee-Lake-Architektur. Er kann gleichzeitig 16 Threads bearbeiten und taktet die einzelnen Cores mit 2,3 bis 4,8 GHz. Die maximale Taktfrequenz kann nur per Thermal Velocity Boost erreicht werden.
Bei der Prozessorleistung sieht man am besten die Auswirkungen des verbesserten Kühlsystems. Konnte sich im MacBook Pro 15 das Topmodell praktisch kaum absetzen von den schwächeren Modellen, ist nun schon der 9880H deutlich schneller als der alte 9980HK. Überraschend ist der deutliche Unterschied zwischen Windows und macOS X.
System Performance
Bei der Systemperformance müssen wir uns einzig auf Windows 10 Benchmarks verlassen. Bedenkt man die schlechtere Optimierung seitens Apple (siehe Cinebench Ergebnis im Vergleich), sind die PCMark Ergebnisse durchaus beachtlich. Besonders im PCMark 8 Home lässt das MacBook Pro 16 seine Windows-Konkurrenten hinter sich.
| PCMark 8 Home Score Accelerated v2 | 4900 Punkte | |
| PCMark 8 Creative Score Accelerated v2 | 7359 Punkte | |
| PCMark 8 Work Score Accelerated v2 | 4812 Punkte | |
| PCMark 10 Score | 5500 Punkte | |
Hilfe | ||
Massenspeicher
Als Massenspeicher setzt Apple seit einigen Generationen auf eine eigene SSD, die den Apple T2 Chip nutzt. Da die Speicherchips direkt auf das Mainboard aufgelötet sind, ist ein einfacher Austausch leider nicht möglich. Bei den sequentiellen Datenraten kann die NVMe-SSD ganz klar punkten. Unter macOS 10.15.1 erreicht der Disk Speed Test sehr gute 2800 MB/s lesend und schreibend. Je nach Benchmark-Tool unter Windows kann dieser Wert sogar leicht getoppt werden. Leichte Schwächen lassen sich im Klassenvergleich bei den 4K Lese- und auch Schreibdatenraten (Queue-Tiefe:1) ablesen. Überraschend schwach fällt der PCMark 8 Storage Test unter Windows 10 aus. Mit einer aktuellen High-End-SSD wie der Samsung SSD 970 Pro kann die Apple SSD aber im Durchschnitt nicht mithalten.
| Apple MacBook Pro 16 2019 i9 5500M Apple SSD AP1024 7171 | Dell XPS 15 7590 9980HK GTX 1650 Toshiba XG6 KXG60ZNV1T02 | Microsoft Surface Laptop 3 15 Ryzen 5 3580U SK hynix BC501 HFM256GDGTNG | Dell Precision 5540 SK hynix PC400 512 GB | Gigabyte Aero 17 XA RP77 Intel SSD 760p SSDPEKKW512G8 | Eurocom Nightsky RX15 Samsung SSD 970 Pro 512GB | |
|---|---|---|---|---|---|---|
| CrystalDiskMark 5.2 / 6 | 30% | -11% | 8% | 52% | 58% | |
| Write 4K (MB/s) | 55.5 | 104.3 88% | 99 78% | 98 77% | 169.6 206% | 153 176% |
| Read 4K (MB/s) | 16.21 | 45.23 179% | 35.63 120% | 41.25 154% | 58 258% | 60.5 273% |
| Write Seq (MB/s) | 1959 | 1729 -12% | 706 -64% | 1295 -34% | 1516 -23% | 1938 -1% |
| Read Seq (MB/s) | 1763 | 1861 6% | 1044 -41% | 1441 -18% | 2362 34% | 1932 10% |
| Write 4K Q32T1 (MB/s) | 398.5 | 509 28% | 326.6 -18% | 429.2 8% | 481.8 21% | 482.5 21% |
| Read 4K Q32T1 (MB/s) | 648 | 388.5 -40% | 270 -58% | 400.1 -38% | 506 -22% | 594 -8% |
| Write Seq Q32T1 (MB/s) | 2727 | 2813 3% | 820 -70% | 1366 -50% | 1530 -44% | 2324 -15% |
| Read Seq Q32T1 (MB/s) | 3242 | 2906 -10% | 2028 -37% | 2201 -32% | 2645 -18% | 3539 9% |
| AS SSD | 34% | -26% | 8% | -17% | 21% | |
| Seq Read (MB/s) | 2531 | 1723 -32% | 1122 -56% | 1743 -31% | 1812 -28% | 2352 -7% |
| Seq Write (MB/s) | 2289 | 1386 -39% | 514 -78% | 930 -59% | 1512 -34% | 2184 -5% |
| 4K Read (MB/s) | 15.85 | 43.25 173% | 34.98 121% | 39.1 147% | 32.68 106% | 28.65 81% |
| 4K Write (MB/s) | 39.88 | 98.3 146% | 96.8 143% | 92.1 131% | 107.7 170% | 61.3 54% |
| 4K-64 Read (MB/s) | 1267 | 1078 -15% | 492 -61% | 956 -25% | 504 -60% | 1317 4% |
| 4K-64 Write (MB/s) | 1749 | 1456 -17% | 339.9 -81% | 863 -51% | 534 -69% | 2156 23% |
| Access Time Read * (ms) | 0.122 | 0.05 59% | 0.056 54% | 0.074 39% | 0.05 59% | 0.101 17% |
| Access Time Write * (ms) | 0.095 | 0.039 59% | 0.11 -16% | 0.053 44% | 0.227 -139% | 0.09 5% |
| Score Read (Points) | 1536 | 1294 -16% | 639 -58% | 1170 -24% | 718 -53% | 1581 3% |
| Score Write (Points) | 2018 | 1693 -16% | 488 -76% | 1048 -48% | 793 -61% | 2435 21% |
| Score Total (Points) | 4317 | 3638 -16% | 1434 -67% | 2781 -36% | 1871 -57% | 4813 11% |
| Copy ISO MB/s (MB/s) | 1995 | 3182 59% | 828 -58% | 946 -53% | 2705 36% | |
| Copy Program MB/s (MB/s) | 584 | 984 68% | 200.5 -66% | 414.3 -29% | 666 14% | |
| Copy Game MB/s (MB/s) | 1135 | 1824 61% | 387.4 -66% | 1263 11% | 1583 39% | |
| PCMark 8 | ||||||
| Storage Score v2 (Points) | 1818 | |||||
| Durchschnitt gesamt (Programm / Settings) | 32% /
33% | -19% /
-21% | 8% /
8% | 18% /
8% | 40% /
35% |
* ... kleinere Werte sind besser
Grafikkarte
Die größte Neuerung bei den Komponenten ist ganz klar die neue Radeon Pro 5500M im Topmodell mit 4 bzw. 8 GB GDDR6 Grafikspeicher. Sie wird im modernen 7nm Prozess bei TSCM hergestellt und basiert auf die neue Navi-Architektur von AMD. Für Apple gibt es eigene "Pro"-Versionen mit allen Shadern des Chips und reduziertem Stromverbrauch (im Vergleich zur Consumer Radeon RX 5500M.
Trotz des ähnlichen Namens, positioniert sich die Pro 5500M doch deutlich unterhalb der RX 5500M. Diese kann durch den höheren TDP und höhere Taktraten die 2 fehlenden CUs verschmerzen. Im Vergleich zur Konkurrenz von Nvidia, positioniert sich die Pro 5500M knapp oberhalb der GeForce GTX 1650.
Verglichen mit der Vorgängergeneration, kann sich die Pro 5500M mit einem deutlichen Performance-Plus positionieren. In den Windows-Benchmarks der 3DMark-Reihe kann sich die neue GPU rund 20 % vor der Radeon Pro Vega 20 und knapp 35 % vor der Radeon Pro Vega 16 platzieren.
Im Unigine Valley Test unter macOS sieht die Sache sehr ähnlich aus, bei der Verwendung der Metal-Engine schrumpft der Vorsprung aber deutlich zusammen und die beiden GPUs (5500M & Vega 20) sind innerhalb von wenigen Prozentpunkten.
| Geekbench 5.0 - Metal Score 5.0 | |
| Apple MacBook Pro 16 2019 i9 5500M | |
| Apple MacBook Pro 15 2019 i9 Vega 20 | |
| Apple MacBook Pro 15 2019 i9 Vega 16 | |
| Apple MacBook Pro 15 2018 (2.6 GHz, 560X) | |
| 3DMark 06 Standard Score | 34321 Punkte | |
| 3DMark 11 Performance | 14097 Punkte | |
| 3DMark Cloud Gate Standard Score | 30690 Punkte | |
| 3DMark Fire Strike Score | 9196 Punkte | |
| 3DMark Time Spy Score | 3629 Punkte | |
Hilfe | ||
SpecViewPerf 13
Gaming Performance
Für unsere Vergleiche fokusieren wir uns hauptsächlich auf die Gaming-Performance unter Windows (per Bootcamp), da hier die Spielauswahl und Performance deutlich größer ist. Die neue Radeon Pro 5500M positioniert sich hier, wie zu erwarten war, hinter der Radeon RX 5500M. Diese hat zwar weniger Shader, aber deutlich mehr Takt und auch TDP-Spielraum. Trotzdem bleibt die Pro 5500M noch knapp vor einer durchschnittlichen GTX 1650 (bei ultra Settings). Die GTX 1660 Ti Max-Q ist jedoch deutlich schneller.
| Deus Ex Mankind Divided - 1920x1080 Ultra Preset AA:2xMS AF:8x | |
| Durchschnittliche NVIDIA GeForce GTX 1660 Ti Mobile (n=1) | |
| Apple MacBook Pro 16 2019 i9 5500M | |
| Durchschnittliche NVIDIA GeForce GTX 1650 Mobile (n=1) | |
| Apple MacBook Pro 15 2018 (2.6 GHz, 560X) | |
| Rage 2 - 1920x1080 Ultra Preset (Resolution Scale Off) | |
| Durchschnittliche NVIDIA GeForce GTX 1660 Ti Mobile (67.9 - 68.8, n=2) | |
| Durchschnittliche NVIDIA GeForce GTX 1660 Ti Max-Q (58.2 - 64.8, n=2) | |
| MSI Alpha 15 A3DDK | |
| Durchschnittliche NVIDIA GeForce GTX 1650 Mobile (45.1 - 60, n=3) | |
| Apple MacBook Pro 16 2019 i9 5500M | |
Bezüglich GPU-Throttling gibt es gute Nachrichten. Weder im Sky Diver Stress Test (98,2% als Ergebnis) noch in unserem The Witcher 3 Test (siehe Diagramm unten) sehen wir einen deutlichen Leistungsabfall über die Zeit.
Generell eignet sich die RX 5500M unter Windows 10 am besten für hohe Detailstufen und 1920 x 1080 Pixel. Weniger anspruchsvolle Spiele wie Fifa 20 oder Dota 2 können auch in nativer Auflösung des Panels mit maximalen Details gespielt werden.
| min. | mittel | hoch | max. | QHD | 4K | |
|---|---|---|---|---|---|---|
| Counter-Strike: GO (2012) | 208 | 118 | 71.4 | |||
| GTA V (2015) | 168 | 91.4 | 47.6 | 34.5 | 32.3 | |
| The Witcher 3 (2015) | 68 | 38.8 | ||||
| Dota 2 Reborn (2015) | 137 | 125 | 111 | 107 | 53.9 | |
| World of Warships (2015) | 43.4 | |||||
| Rainbow Six Siege (2015) | 126 | 44.8 | ||||
| Overwatch (2016) | 98 | |||||
| Deus Ex Mankind Divided (2016) | 52 | 27.8 | 16.9 | |||
| Rocket League (2017) | 153 | 107 | 59 | |||
| Final Fantasy XV Benchmark (2018) | 48.4 | 20.4 | ||||
| World of Tanks enCore (2018) | 76 | 49.1 | 24.6 | |||
| Far Cry 5 (2018) | 55 | 40 | 20 | |||
| Shadow of the Tomb Raider (2018) | 120 | 58 | 54 | 46 | 30 | 13 |
| Battlefield V (2018) | 85 | 76 | 62 | 58.9 | 47 | 14.4 |
| Apex Legends (2019) | 63 | 43.5 | ||||
| Far Cry New Dawn (2019) | 86 | 67 | 64 | 57 | 41 | 21 |
| Metro Exodus (2019) | 92 | 47.1 | 34.3 | 28.6 | 22 | |
| Dirt Rally 2.0 (2019) | 90 | 50.2 | 35.8 | |||
| The Division 2 (2019) | 56 | 39 | ||||
| Anno 1800 (2019) | 67 | 44.6 | 21.7 | |||
| Rage 2 (2019) | 113 | 53.7 | 45.2 | 44.4 | 28.4 | |
| Total War: Three Kingdoms (2019) | 175 | 64.1 | 40.5 | 29.7 | 19 | 7 |
| F1 2019 (2019) | 174 | 105 | 97 | 65 | 49 | |
| Control (2019) | 139 | 41.5 | 29.2 | 18.1 | ||
| Borderlands 3 (2019) | 41.4 | 30.8 | 21.4 | 3.8 | ||
| FIFA 20 (2019) | 144 | 124 | 90 | |||
| Ghost Recon Breakpoint (2019) | 50 | 35 | ||||
| GRID 2019 (2019) | 46.3 | 36.6 | 23.2 | |||
| Call of Duty Modern Warfare 2019 (2019) | 34.7 | |||||
| Need for Speed Heat (2019) | 74 | 56.7 | 50.9 | 44.7 | 28 | 12.8 |
| Star Wars Jedi Fallen Order (2019) | 75 | 61 | 54.3 | 35 | 16.2 | |
| Red Dead Redemption 2 (2019) | 97.6 | 55.2 | 35.8 | 20.9 | 0 () | 0 () |
| Fall Guys (2020) | 59.4 | 59.4 | 38.1 | |||
| Hearthstone (2020) | 33.2 | 32 | 59.7 | 59.6 | ||
| Doom Eternal (2020) | 84.8 | 47.5 | 27.5 | 21.9 | 15.1 | |
| Gears Tactics (2020) | 60 | 47.6 | 30.7 | |||
| F1 2020 (2020) | 0 Spiel startete nicht | |||||
| Flight Simulator 2020 (2020) | 47.4 | 28 | 19.2 | 12.2 | ||
| Mafia Definitive Edition (2020) | 52.5 | 37.5 | ||||
| Star Wars Squadrons (2020) | 95.6 | 69.7 | 26.4 | |||
| FIFA 21 (2020) | 151 | 115 | 70 | |||
| Cyberpunk 2077 1.0 (2020) | 54.8 | 29.9 | 23.5 | |||
| Hitman 3 (2021) | 157 | 81.3 | 66.3 | 62 | ||
| Outriders (2021) | 70.7 | 44.4 | 36 | 27.6 | ||
| Resident Evil Village (2021) | 81.7 | 38.9 | 40.6 | |||
| Far Cry 6 (2021) | 0 Spiel startete nicht | |||||
| Riders Republic (2021) | 61 | 41 | 28 | |||
| Call of Duty Vanguard (2021) | 43.1 | 21.7 | ||||
| Forza Horizon 5 (2021) | 85 | 31 |
Gaming unter macOS
Im Vergleich zu Windows unter Bootcamp ist die Auswahl und Performance der Games unter macOS deutlich eingeschränkt. Wir haben uns im Test League of Legends, Planetary Annihilation: TITANS und Fortnite native am Mac angesehen. LoL und Planetary Annihilation lief auch mit nativer Auflösung und maximalen Details flüssig in einem Testspiel. Die Framerate konnten wir bei LoL leider nicht einblenden, eine leicht reduzierte Auflösung ist jedoch für anspruchsvolle Spieler empfehlenswert. In Fortnite lief die Count It App zum Anzeigen der Framerate (wenn auch buggy). Hier erreichten wir mit halbierter (und dadurch schön skalierter) Auflösung von 1636x960 Pixeln eine spielbare etwas über 40 fps im Durchschnitt (ebenfalls mit maximalen Details). Planetary Annihilations lief mit 60fps in nativer Auflösung und maximaler Detailstufe (Skirmish Games mit 2 Computern).
Im Vergleich ist die Gaming-Performance unter Windows jedoch deutlich besser. Hier erreicht man auch mit Full-HD und maximalen Details höhere Bildraten da die meisten Spiele besser für DirectX optimiert sind und beim macOS Port einiges an Leistung verloren geht.
Emissionen
Geräuschemissionen
Wie üblich setzt Apple beim Lüfterdesign auf höhere interne Temperaturen zu Gunsten einer geringen Lautstärke. Im Idle-Betrieb drehen die beiden Ventilatoren praktisch unhörbar (mit dem Ohr am Gerät ab etwa 10cm wahrnehmbar) und drehen erst bei starken Lastphasen und dem Erreichen von 99°C CPU-Temperatur auf. Subjektiv ist das Geräusch auch unter Maximallast sehr angenehm und frei von hohen Frequenzen die hervorstechen.
Lautstärkediagramm
| Idle |
| 29.9 / 29.9 / 29.9 dB(A) |
| Last |
| 43 / 46.1 dB(A) |
![]() | ||
30 dB leise 40 dB(A) deutlich hörbar 50 dB(A) störend |
||
min: | ||
Temperatur
Trotz der spät einsetzenden und relativ leisen Lüfter bleiben die gemessenen Oberflächentemperaturen im Rahmen. Wir messen unter Last maximal 42°C (per kalibrierter Berührungsmessung, Infrarotbild zeigt höhere Werte) an der Oberseite und die Handballenauflagen bleiben angenehm kühl. Dies haben wir jedoch bei relativ geringen Umgebungstemperaturen gemessen, in tropischen Gefilden kann dies natürlich etwas anders aussehen.
Beim Stresstest unter Windows 10 beobachten wir die internen Temperaturen der Komponenten. Der Prozessor erreicht wie üblich bis zu 99°C bevor die Lüfter voll aufdrehen und die Temperaturen senken. Langfristig pendelt sich die CPU-Temperatur bei unkritischen 77°C ein. Auch die dedizierte Grafikkarte bleibt mit 79°C im grünen Bereich. Auch unter macOS sehen wir ein ähnliches Bild im Stresstest mit 82°C bzw 76°C.
(±) Die maximale Temperatur auf der Oberseite ist 42 °C. Im Vergleich liegt der Klassendurchschnitt bei 36.9 °C (von 21.1 bis 71 °C für die Klasse Multimedia).
(+) Auf der Unterseite messen wir eine maximalen Wert von 38 °C (im Vergleich zum Durchschnitt von 39.2 °C).
(+) Ohne Last messen wir eine durchschnittliche Temperatur von 22.8 °C auf der Oberseite. Der Klassendurchschnitt erreicht 31.3 °C.
(+) Die Handballen und der Touchpad-Bereich sind mit gemessenen 27 °C kühler als die typische Hauttemperatur und fühlen sich dadurch kühl an.
(±) Die durchschnittliche Handballen-Temperatur anderer getesteter Geräte war 28.7 °C (+1.7 °C).
Lautsprecher
Obwohl Apple bereits bis jetzt bereits die Referenz bei Notebook-Lautsprecher in dünnen Geräten darstellt, hat man beim neuen MacBook Pro 16 die Möglichkeiten des leicht dickeren Gehäuses genutzt und neue Speaker installiert. Diese können mit einem sehr linearen Frequenzspektrum und guten Bässen punkten. Einzig bei der maximalen Lautstärke können sie von einigen Windows-Notebooks geschlagen werden. Im Vergleich zu den alten Lautsprechern im MacBook Pro 15, bietet das neue Audiosystem deutlich mehr Bass, schwächelt dafür minimal bei den Höhen.
Subjektiv kann das MacBook Pro 16 die hervorragenden Messwerte bestätigen. Viele kleinere Bluetooth-Lautsprecher bieten eine schlechtere Qualität und werden damit obsolet.
Apple MacBook Pro 16 2019 i9 5500M Audio Analyse
(+) | Die Lautsprecher können relativ laut spielen (82.3 dB)
Bass 100 - 315 Hz
(+) | guter Bass - nur 2.3% Abweichung vom Median
(+) | lineare Bass-Wiedergabe (5% Delta zum Vorgänger)
Mitteltöne 400 - 2000 Hz
(+) | ausgeglichene Mitten, vom Median nur 2.7% abweichend
(+) | lineare Mitten (3.4% Delta zum Vorgänger)
Hochtöne 2 - 16 kHz
(+) | ausgeglichene Hochtöne, vom Median nur 2.1% abweichend
(+) | sehr lineare Hochtöne (2.6% Delta zum Vorgänger)
Gesamt im hörbaren Bereich 100 - 16.000 Hz
(+) | hörbarer Bereich ist sehr linear (6.9% Abstand zum Median
Im Vergleich zu allen Geräten derselben Klasse
» 4% aller getesteten Geräte dieser Klasse waren besser, 1% vergleichbar, 95% schlechter
» Das beste Gerät hat einen Delta-Wert von 5%, durchschnittlich ist 17%, das schlechteste Gerät hat 45%
Im Vergleich zu allen Geräten im Test
» 1% aller getesteten Geräte waren besser, 0% vergleichbar, 99% schlechter
» Das beste Gerät hat einen Delta-Wert von 4%, durchschnittlich ist 24%, das schlechteste Gerät hat 134%
Dell XPS 15 7590 9980HK GTX 1650 Audio Analyse
(+) | Die Lautsprecher können relativ laut spielen (88.4 dB)
Bass 100 - 315 Hz
(-) | kaum Bass - 24.9% niedriger als der Median
(±) | durchschnittlich lineare Bass-Wiedergabe (14.4% Delta zum Vorgänger)
Mitteltöne 400 - 2000 Hz
(+) | ausgeglichene Mitten, vom Median nur 2.8% abweichend
(±) | Linearität der Mitten ist durchschnittlich (7.8% Delta zum Vorgänger)
Hochtöne 2 - 16 kHz
(+) | ausgeglichene Hochtöne, vom Median nur 1.9% abweichend
(+) | sehr lineare Hochtöne (5.3% Delta zum Vorgänger)
Gesamt im hörbaren Bereich 100 - 16.000 Hz
(±) | hörbarer Bereich ist durchschnittlich linear (17.8% Abstand zum Median)
Im Vergleich zu allen Geräten derselben Klasse
» 50% aller getesteten Geräte dieser Klasse waren besser, 8% vergleichbar, 42% schlechter
» Das beste Gerät hat einen Delta-Wert von 5%, durchschnittlich ist 17%, das schlechteste Gerät hat 45%
Im Vergleich zu allen Geräten im Test
» 35% aller getesteten Geräte waren besser, 8% vergleichbar, 57% schlechter
» Das beste Gerät hat einen Delta-Wert von 4%, durchschnittlich ist 24%, das schlechteste Gerät hat 134%
Apple MacBook Pro 15 2018 (2.6 GHz, 560X) Audio Analyse
(+) | Die Lautsprecher können relativ laut spielen (85 dB)
Bass 100 - 315 Hz
(+) | guter Bass - nur 4.7% Abweichung vom Median
(±) | durchschnittlich lineare Bass-Wiedergabe (8.3% Delta zum Vorgänger)
Mitteltöne 400 - 2000 Hz
(+) | ausgeglichene Mitten, vom Median nur 1.8% abweichend
(+) | lineare Mitten (3.5% Delta zum Vorgänger)
Hochtöne 2 - 16 kHz
(+) | ausgeglichene Hochtöne, vom Median nur 2.6% abweichend
(+) | sehr lineare Hochtöne (5.7% Delta zum Vorgänger)
Gesamt im hörbaren Bereich 100 - 16.000 Hz
(+) | hörbarer Bereich ist sehr linear (6.4% Abstand zum Median
Im Vergleich zu allen Geräten derselben Klasse
» 3% aller getesteten Geräte dieser Klasse waren besser, 1% vergleichbar, 96% schlechter
» Das beste Gerät hat einen Delta-Wert von 5%, durchschnittlich ist 17%, das schlechteste Gerät hat 45%
Im Vergleich zu allen Geräten im Test
» 0% aller getesteten Geräte waren besser, 0% vergleichbar, 99% schlechter
» Das beste Gerät hat einen Delta-Wert von 4%, durchschnittlich ist 24%, das schlechteste Gerät hat 134%
Energieverwaltung
Energieaufnahme
Der Stromverbrauch ist besonders im Idle hervorragend. Dies gilt jedoch nur in macOS X, da in Windows 10 die dedizierte Pro 5500M immer läuft und auch die Optimierungen im Betriebssystem fehlen. Unter Last läuft das Notebook in die Begrenzung des Netzteils mit 103 Watt. Bei längerer Last bleibt die Akkuanzeige zwar bei 100%, jedoch messen wir einen erhöhten Strombedarf ohne Last von 30 Watt (als ob der Akku geladen würde). Ein Schelm wer böses denkt.
Wenn man daher das MacBook nur per externem Monitor mit Strom versorgt, reicht die Leistung (z.B. beim LG 27UD88-W) nicht aus um bei Spielen das Notebook vollständig mit Strom zu versorgen. Das MacBook nutzt daher parallel auch den Akku, der in unserer Spielesession unter macOS deutlich an Ladung verlor.
| Aus / Standby | |
| Idle | |
| Last |
|
Legende:
min: | |
| Apple MacBook Pro 16 2019 i9 5500M i9-9880H, Radeon Pro 5500M, Apple SSD AP1024 7171, IPS, 3072x1920, 16" | Apple MacBook Pro 15 2018 (2.6 GHz, 560X) i7-8850H, Radeon Pro 560X, Apple SSD AP0512, IPS, 2880x1800, 15.4" | Dell XPS 15 7590 9980HK GTX 1650 i9-9980HK, GeForce GTX 1650 Mobile, Toshiba XG6 KXG60ZNV1T02, OLED, 3840x2160, 15.6" | MSI P65 Creator 9SF-657 i9-9880H, GeForce RTX 2070 Max-Q, 2x Samsung SSD PM981 MZVLB512HAJQ (RAID 0), IPS, 3840x2160, 15.6" | Lenovo ThinkPad X1 Extreme 2019 20QV000WGE i7-9750H, GeForce GTX 1650 Mobile, Samsung SSD PM981 MZVLB512HAJQ, IPS, 3840x2160, 15.6" | Durchschnitt der Klasse Multimedia | |
|---|---|---|---|---|---|---|
| Stromverbrauch | 11% | -18% | -67% | -31% | -2% | |
| Idle min * (Watt) | 3.7 | 3.4 8% | 6.2 -68% | 9.4 -154% | 8.5 -130% | 6.01 ? -62% |
| Idle avg * (Watt) | 12.1 | 11 9% | 9.6 21% | 17.4 -44% | 14.7 -21% | 10.4 ? 14% |
| Idle max * (Watt) | 17 | 14.9 12% | 21.2 -25% | 19.6 -15% | 19.4 -14% | 12.5 ? 26% |
| Last avg * (Watt) | 91.5 | 78.9 14% | 104.3 -14% | 103 -13% | 89.6 2% | 68.5 ? 25% |
| Witcher 3 ultra * (Watt) | 103 | 91.7 11% | 96.1 7% | |||
| Last max * (Watt) | 102.3 | 91.2 11% | 135.3 -32% | 216 -111% | 129.8 -27% | 114.9 ? -12% |
* ... kleinere Werte sind besser
Akkulaufzeit
Dank riesigem, fast 100 Wh fassenden, Akku erreicht das große MacBook Pro 16 gute Akkulaufzeiten. Die automatische Grafikumschaltung (nur unter macOS) lässt aber zumindest die dedizierte Grafikkarte schlafen, wenn diese nicht benutzt wird. Der Core i9 mit 8 Kernen ist aber auch kein Kostverächter, wodurch wir im WLAN-Surf-Test nur die (sehr guten) Werte des MacBook Pro 15 erreichen. Hier haben wir uns eigentlich etwas mehr erhofft. Bei einem 2. Durchlauf des WLAN- und Video-Akkutests erreichten wir zwar leicht höhere Ergebnisse, interessanterweise blieb der Videotest aber weiterhin deutlich hinter dem WLAN-Test zurück. Dies ist sehr unüblich, da normalerweise das Abspielen von Videos (H.264) sehr ähnliche Resultate erreicht. Anscheinend nutzt Apple derzeit in macOS noch nicht die Videodekodierfunktionen der CPU oder GPU ideal.
Unter Windows 10 per Bootcamp leiden die Akkulaufzeiten wegen der dauernd laufenden Radeon-GPU deutlich. In unserem WLAN-Surf-Test mit Edge 44.18362 lief das MBP16 nur 4 Stunden und 46 Minuten.
| Apple MacBook Pro 16 2019 i9 5500M i9-9880H, Radeon Pro 5500M, 99.8 Wh | Lenovo ThinkPad X1 Extreme 2019 20QV000WGE i7-9750H, GeForce GTX 1650 Mobile, 80 Wh | Dell XPS 15 7590 9980HK GTX 1650 i9-9980HK, GeForce GTX 1650 Mobile, 97 Wh | Asus ZenBook Pro 15 UX580GE i9-8950HK, GeForce GTX 1050 Ti Mobile, 71 Wh | MSI P65 Creator 9SF-657 i9-9880H, GeForce RTX 2070 Max-Q, 82 Wh | Apple MacBook Pro 15 2018 (2.6 GHz, 560X) i7-8850H, Radeon Pro 560X, 83 Wh | Durchschnitt der Klasse Multimedia | |
|---|---|---|---|---|---|---|---|
| Akkulaufzeit | -31% | 98% | -9% | -20% | 24% | 42% | |
| H.264 (h) | 9.7 | 4.7 -52% | 11.7 21% | 16 ? 65% | |||
| WLAN (h) | 12 | 4.8 -60% | 7.8 -35% | 6.3 -47% | 6 -50% | 10.2 -15% | 11.4 ? -5% |
| Witcher 3 ultra (h) | 0.9 | 1.5 67% | |||||
| Last (h) | 1 | 1.2 20% | 3.3 230% | 1.3 30% | 1.1 10% | 1.667 ? 67% |
Pro
Contra
Fazit
Mit dem neuen 16-Zoll-MacBook-Pro verfeinert Apple das alte 15-Zoll-Notebook mit kleinen aber wichtigen Änderungen. Die viel kritisierte Butterfly-Tastatur wurde abgeschafft und man kehrt wieder zu den bewährten Scissor-Switches zurück. Hier sollte nun die Haltbarkeit deutlich besser sein und man benötigt auch keine langwierige Gewöhnungszeit mehr um die Tastatur zu mögen. Das Gehäuse selbst sieht zwar gleich aus, wurde jedoch für das 16-Zoll-Panel und die verbesserte Kühlung etwas dicker. Bei den Ports bleibt man leider weiterhin bei 4 Thunderbolt 3 USB-C Steckplätzen. HDMI, Kartenleser, USB-A, Netzwerk-Port sind weiterhin Dinge aus der Vergangenheit. Auch die Aufrüstbarkeit und Reparaturmöglichkeiten sind Apple-typsich schlecht. RAM, SSD, GPU, CPU und WLAN Chip sind alle auf dem Mainboard aufgelötet und kaum ersetzbar. Damit muss man auch mit dem veralteten ac-WLAN von Broadcom leben.
Das MBP16 ist ein hervorragendes Luxusnotebook mit mangelhafter Reparierbarkeit
Das neue 16-Zoll-Panel bietet keine Überraschungen. Weder 120 Hz noch Adaptive Sync werden unterstützt, dafür ist die Qualität aber wie üblich sehr gut. Das größere Gehäuse wird nicht nur vom Display genutzt, sondern auch von der verbesserten Kühlung und den deutlich verbesserten Lautsprechern. Die bessere Kühlung war längst überfällig um aus den Intel 8-Kernern auch über längere Zeiträume eine gute Performance zu entlocken. Die neue GPU setzt zwar für die Windows-Welt keine Maßstäbe, für Macs ist sie jedoch ein gutes Upgrade.
Trotz 100 Wh Akku sehen wir keine neuen Akkulaufzeit-Rekorde, hierzu fressen Core i9, großes Display und dedizierte GPU einfach zu viel Strom. Mit 12 Stunden in unserem WLAN-Test ist aber ein ganzer Arbeitstag locker zu schaffen.
Zusammengefasst, ist das neue MacBook Pro 16 wieder ein hervorragendes Multimedia-Notebook mit wenigen Schwächen. Größter Nachteil ist weiterhin der hohe Kaufpreis, der mit der optionalen 3-Jahres-Garantie nochmals deutlich ansteigt.
Apple MacBook Pro 16 2019 i9 5500M
- 02.12.2019 v7 (old)
Klaus Hinum, Andreas Osthoff












































































